高考物理一轮复习训练:专题12《实验与探究》
展开专题十二 实验与探究
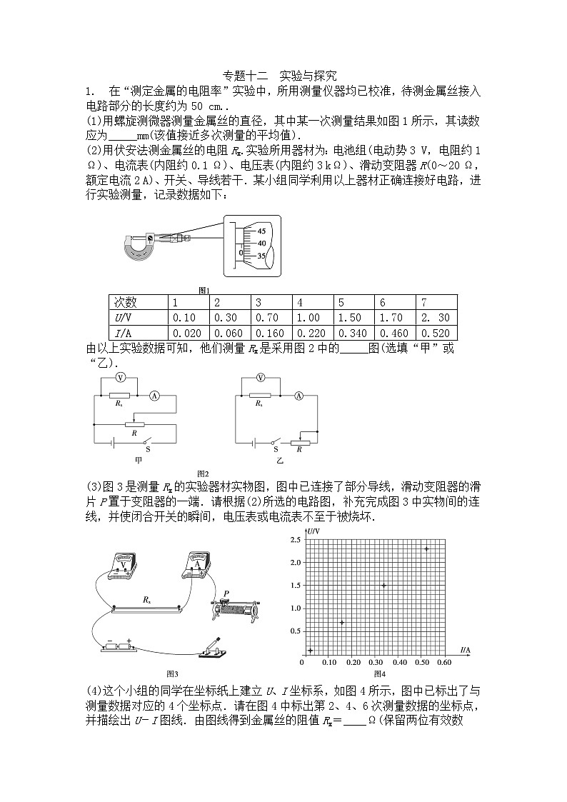
在“测定金属的电阻率”实验中,所用测量仪器均已校准,待测金属丝接入电路部分的长度约为50 cm..
(1)用螺旋测微器测量金属丝的直径,其中某一次测量结果如图1所示,其读数应为_____mm(该值接近多次测量的平均值).
(2)用伏安法测金属丝的电阻Rx.实验所用器材为:电池组(电动势3 V,电阻约1 Ω)、电流表(内阻约0.1 Ω)、电压表(内阻约3 kΩ)、滑动变阻器R(0~20 Ω,额定电流2 A)、开关、导线若干.某小组同学利用以上器材正确连接好电路,进行实验测量,记录数据如下:
次数 | 1 | 2 | 3 | 4 | 5 | 6 | 7 |
U/V | 0.10 | 0.30 | 0.70 | 1.00 | 1.50 | 1.70 | 2. 30 |
I/A | 0.020 | 0.060 | 0.160 | 0.220 | 0.340 | 0.460 | 0.520 |
由以上实验数据可知,他们测量Rx是采用图2中的_____图(选填“甲”或“乙).
(3)图3是测量Rx的实验器材实物图,图中已连接了部分导线,滑动变阻器的滑片P置于变阻器的一端.请根据(2)所选的电路图,补充完成图3中实物间的连线,并使闭合开关的瞬间,电压表或电流表不至于被烧坏.
(4)这个小组的同学在坐标纸上建立U、I坐标系,如图4所示,图中已标出了与测量数据对应的4个坐标点.请在图4中标出第2、4、6次测量数据的坐标点,并描绘出U-I图线.由图线得到金属丝的阻值Rx=____Ω(保留两位有效数字).
(5)根据以上数据可以估算出金属丝电阻率约为________(填选项前的符号).
A.1×10-2 Ω·m B.1×10-3 Ω·m
C.1×10-6 Ω·m D.1×10-8 Ω·m
(6)任何实验测量都存在误差.本实验所用测量仪器均已校准,下列关于误差的说法中正确的选项是________(有多个正确选项).
A.用螺旋测微器测量金属丝直径时,由于读数引起的误差属于系统误差
B.由于电流表和电压表内阻引起的误差属于偶然误差
C.若将电流表和电压表的内阻计算在内,可以消除由测量仪表引起的系统误差
D.用U-I图像处理数据求金属丝电阻可以减小偶然误差
图1为“验证牛顿第二定律”的实验装置示意图.砂和砂桶的总质量为m,小车和砝码的总质量为M.实验中用砂和砂桶总重力的大小作为细线对小车拉力的大小.
(1)实验中,为了使细线对小车的拉力等于小车所受的合外力,先调节长木板一端滑轮的高度,使细线与长木板平行.接下来还需要进行的一项操作是( )
A.将长木板水平放置,让小车连着已经穿过打点计时器的纸带,给打点计时器通电,调节m的大小,使小车在砂和砂桶的牵引下运动,从打出的纸带判断小车是否做匀速运动.
B.将长木板的一端垫起适当的高度,让小车连着已经穿过打点计时器的纸带,撤去砂和砂桶,给打点计时器通电,轻推小车,从打出的纸带判断小车是否做匀速运动.
C.将长木板的一端垫起适当的高度,撤去纸带以及砂和砂桶,轻推小车,观察判断小车是否做匀速运动.
(2)实验中要进行质量m和M的选取,以下最合理的一组是( )
A.M=200 g,m=10 g、15 g、20 g、25 g、30 g、40 g
B.M=200 g,m=20 g、40 g、60 g、80 g、100 g、120 g
C.M=400 g,m=10 g、15 g、20 g、25 g、30 g、40 g
D.M=400 g,m=20 g、40 g、60 g、80 g、100 g、120 g
(3)图2是实验中得到的一条纸带,A、B、C、D、E、F、G为7个相邻的计数点,相邻的两个计数点之间还有四个点未画出.量出相邻的计数点之间的距离分别为:sAB=4.22 cm、sBC=4.65 cm、sCD=5.08 cm、sDE=5.49 cm、sEF=5.91 cm、sFG=6.34 cm.已知打点计时器的工作频率为50 Hz,则小车的加速度a=________m/s2(结果保留2位有效数字).
Ⅱ.如图为“测绘小灯泡伏安特性曲线”实验的实物电路图,已知小灯泡额定电压为2.5 V.
(1)完成下列实验步骤:
①闭合开关前,调节滑动变阻器的滑片,______________________;
②闭合开关后,逐渐移动变阻器的滑片,________________________
③断开开关,…….根据实验数据在方格纸上作出小灯泡灯丝的伏安特性曲线.
(2)画出与实物电路相应的电路图.
答案:
【解析】(1)0.395~0.399 mm.螺旋测微器的读数要注意精确度为0.01,估读到0.001 mm.故0.395~0.399 mm均正确.
(2)测金属丝的电阻率实验电路应采用分压外接的方法,故采用甲图.
(3)连接实物考查了滑动变阻器的接法,开关起到控制电路的作用.
(4)描点做图利用图线斜率求Rx.
(5)由电阻定律,R=,ρ=可得C项对.
(6)误差的来源有系统误差和偶然误差,A项为偶然误差,B项应为系统误差,故A、B错.
考虑电表内阻可消除仪表带来的系统误差,C项对.
用U-I图像求电阻可减小偶然误差,D项对.
【答案】(1)0.395~0.399(2)甲(3)如图
(4)如图 4.3~4.7(5)C (6)CD
【解析】Ⅰ.(1)由于把细线对小车的拉力当成小车的合外力,故必须进行平衡摩擦力,C项中小车是否匀速通过观察很难判断,故B正确.
(2)从严格意义上讲,细线对小车的拉力小于砂和砂桶的重力,因此,要减小实验中的系统误差,应满足m≪M,而C项更容易满足这一条件.
(3)对纸带问题进行考查,利用逐差法求小车的加速度.
由a=,代入数据得:a=0.42 m/s2.
Ⅱ.(1)①滑动变阻器分压式连入电路后,滑片的位置应保证待测电路是被短路的,以确保开关闭合时电路的安全,故滑片应移至左端.
②描绘小灯泡的伏安特性曲线应能测出0~2.5 V范围内的多组电压值和对应的电流值,增大实验的精确程度.
(2)由实物图画电路图,除了注意到电流表外接和滑动变阻器的分压,还要严谨,如导线的连续性等.
【答案】Ⅰ.(1)B (2)C (3)0.42
Ⅱ.(1)①使它靠近变阻器左端的接线柱
②增加小灯泡两端的电压,记录电流表和电压表的多组读数,直至电压达到额定电压
(2)如图所示

