高中物理人教版 (2019)必修 第一册3 牛顿第三定律导学案及答案
展开
这是一份高中物理人教版 (2019)必修 第一册3 牛顿第三定律导学案及答案,共15页。学案主要包含了作用力和反作用力,牛顿第三定律,物体受力的初步分析等内容,欢迎下载使用。
一、作用力和反作用力
1.力是物体对物体的作用,一个力一定存在着受力物体和施力物体.
2.力的作用总是相互的,物体间相互作用的这一对力称为作用力和反作用力.作用力和反作用力总是相互依存,同时存在的.
二、牛顿第三定律
1.实验探究:如图,两个弹簧测力计A和B连接在一起,用手拉A,结果发现两个弹簧测力计的示数是相等的.改变拉力,弹簧测力计的示数也随之改变,但两个弹簧测力计的示数总是相等,这说明作用力和反作用力大小相等,方向相反.
2.牛顿第三定律:两个物体之间的作用力和反作用力总是大小相等,方向相反,作用在同一条直线上.
三、物体受力的初步分析
1.分析思路:一是根据物体运动状态的变化来分析和判断其受力情况;二是根据各种力的特点,从相互作用的角度来分析物体的受力.
2.常遇到的力:重力、弹力、摩擦力.
3.平衡力与相互作用力
(1)一对相互平衡的力作用在同一个物体上,一对作用力与反作用力分别作用在两个物体上;
(2)一对相互平衡的力不一定是同一种类的力,而一对作用力与反作用力一定是同一种类的力.
思维辨析
(1)作用力与反作用力可以作用在同一物体上.( )
(2)作用力与反作用力的作用效果不能抵消.( )
(3)作用力和反作用力总是大小相等,方向相反.( )
(4)人走在松软的土地上下陷时,人对地面的压力大于地面对人的支持力.( )
(5)作用力和反作用力同时产生、变化、消失,不分先后.( )
(6)受力分析时,只分析物体受到的力.( )
提示:(1)× (2)√ (3)√ (4)× (5)√ (6)√
基础理解
(1)(2019·望花校级学业考试)物理课本放在水平桌面上,文具盒放在物理课本上,则( )
A.物理课本受到的重力和桌面对物理课本的支持力是一对平衡力
B.物理课本对桌面的压力和桌面对物理课本的支持力是一对相互作用力
C.物理课本对文具盒的支持力和文具盒对物理课本的压力是一对平衡力
D.桌面对物理课本的支持力和文具盒对物理课本的压力是一对相互作用力
提示:选B.文具盒放在物理课本上,物理课本受到的重力和桌面对物理课本的支持力大小不相等,不是一对平衡力,故A错误;物理课本对桌面的压力和桌面对物理课本的支持力大小相等,方向相反,作用在两个物体上,是一对相互作用力,故B正确;物理课本对文具盒的支持力和文具盒对物理课本的压力,作用在两个不同的物体上,不是一对平衡力,故C错误;桌面对物理课本的支持力和文具盒对物理课本的压力大小不相等,而且都作用在同一个物体上,不是一对相互作用力,故D错误.
(2)为了丰富中学生课余时间的文化生活,同学们组织了掰手腕游戏,如图所示,甲、乙两同学正在进行“掰手腕”游戏,关于他们的手之间的力,下列说法正确的是( )
A.甲掰赢了乙,是因为甲手对乙手的作用力大于乙手对甲手的作用力
B.只有当甲、乙僵持,不分胜负时,甲手对乙手的作用力才等于乙手对甲手的作用力
C.甲、乙比赛对抗时,无法比较甲手对乙手的作用力和乙手对甲手的作用力的大小关系
D.无论谁胜谁负,甲手对乙手的作用力大小等于乙手对甲手的作用力大小
提示:选D.甲、乙之间的相互作用力总是大小相等,方向相反,作用在一条直线上,只有选项D正确.
对牛顿第三定律的理解
【核心深化】
1.表达式:F=-F′,负号表示作用力F与反作用力F′的方向相反.
2.作用力与反作用力的“四同”“三异”
关键能力1 对作用力与反作用力的理解
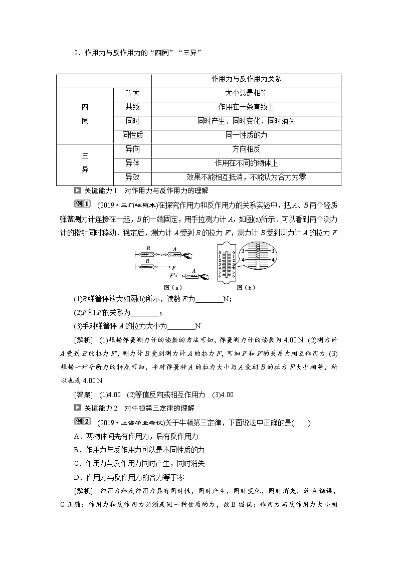
(2019·三门峡期末)在探究作用力和反作用力的关系实验中,把A、B两个轻质弹簧测力计连接在一起,B的一端固定,用手拉测力计A,如图(a)所示.可以看到两个测力计的指针同时移动.稳定后,测力计A受到B的拉力F′,测力计B受到测力计A的拉力F.
(1)B弹簧秤放大如图(b)所示,读数F为________N;
(2)F和F′的关系为________;
(3)手对弹簧秤A的拉力大小为________N.
[解析] (1)根据弹簧测力计的读数的方法可知,弹簧测力计的读数为4.00 N;(2)测力计A受到B的拉力F′,测力计B受到测力计A的拉力F,可知F和F′的关系为相互作用力;(3)根据一对平衡力的特点可知,手对弹簧秤A的拉力大小与A受到B的拉力F′大小相等,所以也是4.00 N.
[答案] (1)4.00 (2)等值反向或相互作用力 (3)4.00
关键能力2 对牛顿第三定律的理解
(2019·上海学业考试)关于牛顿第三定律,下面说法中正确的是( )
A.两物体间先有作用力,后有反作用力
B.作用力与反作用力可以是不同性质的力
C.作用力与反作用力同时产生,同时消失
D.作用力与反作用力的合力等于零
[解析] 作用力和反作用力具有同时性,同时产生,同时变化,同时消失,故A错误,C正确;作用力和反作用力必须是同一种性质的力,故B错误;作用力与反作用力大小相等,方向相反,作用在同一条直线上,作用在两个物体上,故其效果不能相互抵消,也不能进行力的合成,故D错误.
[答案] C
eq \a\vs4\al()
正确理解牛顿第三定律中“总是”的含义
“总是”是强调对于任何物体,在任何情况下,作用力与反作用力的关系都成立.对此,我们可以从以下几个方面理解.
(1)不管物体的大小、形状如何,例如,大物体与大物体之间,大物体与小物体之间,任何形状的物体之间,其相互作用力总是大小相等、方向相反的.
(2)不管物体的运动状态如何,例如,静止的物体之间,运动的物体之间,静止与运动的物体之间,其相互作用力总是大小相等、方向相反的.
(3)作用力与反作用力的产生和消失是同时的.两者中若有一个产生或消失,则另一个必然同时产生或消失.
【达标练习】
1.(2019·丰台月考)《荀子·议兵》中写道:“经桀作尧,譬之若以卵投石,以指绕沸.”,其中“以卵击石”意思为拿鸡蛋去碰石头.比喻不估计自己的力量,自取灭亡.从物理学的角度看鸡蛋与石头相碰,下列说法中正确的是( )
A.石头对鸡蛋的力大于鸡蛋对石头的力
B.石头对鸡蛋的力小于鸡蛋对石头的力
C.石头对鸡蛋的力与鸡蛋对石头的力大小相等
D.石头对鸡蛋的力与鸡蛋对石头的力方向相同
解析:选C.鸡蛋碰石头,鸡蛋被碰破,而石头却完好无损,不是因为鸡蛋受到的力大,而是因为鸡蛋的硬度小,它们受到的力是相互作用力,根据牛顿第三定律,相互作用的两个力,大小相等,方向相反,故A、B、D错误,C正确.
2.(2019·北京学业考试)第24届冬季奥林匹克运动会将在2022年由北京市和张家口市联合举办.越野滑雪是比赛项目之一,如图为中国运动员在训练中的照片,运动员
在赛道上滑行时,关于滑雪板与赛道之间的相互作用力,下列说法正确的是( )
A.滑雪板对赛道的作用力大于赛道对滑雪板的作用力
B.滑雪板对赛道的作用力小于赛道对滑雪板的作用力
C.滑雪板对赛道的作用力与赛道对滑雪板的作用力大小相等
D.滑雪板对赛道的作用力与赛道对滑雪板的作用力方向相同
解析:选C.滑雪板对赛道的作用力与赛道对滑雪板的作用力是一对作用力与反作用力,二者大小相等,方向相反,故C正确,A、B、D错误.
相互作用力与平衡力的比较
问题导引
如图所示,在水平桌面上放置一个重为G的茶杯,试分析茶杯受到哪几个力的作用?这个力的反作用力分别是什么力?这几个力的平衡力又分别是什么力?
要点提示
如图所示,茶杯受到重力G和桌面对它的支持力FN这两个力的作用,重力G的反作用力是茶杯对地球的吸引力,支持力FN的反作用力是茶杯对桌面的压力,茶杯受到的重力G和桌面对茶杯的支持力FN正好是一对平衡力.
【核心深化】
1.作用力和反作用力与平衡力的比较
2.区分作用力、反作用力和平衡力的方法
区分作用力、反作用力和平衡力,最简单的方法是看涉及的物体个数.
(1)作用力与反作用力只涉及两个相互作用的物体,是甲物体对乙物体的关系.
(2)平衡的一对力涉及三个物体,即两个施力物体同时作用在一个受力物体上.
(2019·淮安期末)2019年1月3日10时26分,我国“嫦娥四号”探测器成功着陆在月球背面南极附近的预选着陆区,人类探测器首次登陆月球背面.在着陆过程最后阶段,“嫦娥四号”先悬停在距月面100 m高处,再缓慢下降到着陆点上方4 m处,最终关闭发动机以自由落体方式完美着陆在月面,关于该探测器从距月面上方100 m高处缓慢下降到着陆点上方4 m处的过程中,下列说法正确的是( )
A.探测器受到喷射气体的反冲力与自身重力是一对相互作用力
B.探测器受到喷射气体的反冲力与自身重力是一对平衡力
C.探测器对喷射气体的力与喷射气体对探测器的反冲力合力为零
D.探测器对喷射气体的力与喷射气体对探测器的反冲力大小相等
[解析] 探测器受到喷射气体的反冲力的受力物体是探测器,探测器自身重力的受力物体也是探测器,不是一对相互作用力,故A错误;探测器缓慢下降的过程中没有说明运动的状态,所以探测器受到喷射气体的反冲力与自身重力不一定是一对平衡力,故B错误;探测器对喷射气体的力与喷射气体对探测器的反冲力是一对作用力与反作用力,不能合成,故C错误;探测器对喷射气体的力与喷射气体对探测器的反冲力是一对作用力与反作用力,大小相等,故D正确.
[答案] D
(2019·江苏泰州中学期末)磁性黑板擦吸附在竖直的黑板平面上静止不动时,黑板擦受到的磁力( )
A.小于它受到的弹力
B.大于它受到的弹力
C.与它受到的弹力是一对作用力与反作用力
D.与它受到的弹力是一对平衡力
解析:选D.黑板擦由于受到黑板的磁力而使彼此发生了弹性形变,产生了弹力;由二力平衡可知,磁力应等于黑板对黑板擦的弹力,故磁力与弹力为平衡力,A、B错误,D正确;作用力与反作用力是同种性质的力,黑板擦对黑板的弹力与黑板对黑板擦的弹力才是作用力与反作用力,故C错误.
物体的受力分析
【核心深化】
1.受力分析的步骤
2.对绳、杆、弹簧模型的受力分析
(1)为了使问题简化,题目中会出现一些带有某种暗示的提法,如“轻绳”“轻杆”暗示不考虑绳与杆的重力;“光滑面”暗示不考虑摩擦力;“滑轮”“光滑挂钩”暗示两侧细绳中的拉力相等.
(2)物体不涉及转动问题,可将所有受到的力画到一个共同作用点上,一般画在重心上;若涉及物体转动,则力的作用点实际在哪就画在哪.
(3)静摩擦力产生的条件中相对运动的趋势要由研究对象受到的其他力来确定.例如,放在倾角为θ的粗糙斜面上的物体A,当作用一个沿着斜面向上的拉力F时,物体A处于静止状态.从一般的受力分析方法可知A一定受重力G、斜面支持力FN和拉力F,但静摩擦力可能沿斜面向下,可能沿斜面向上,也可能恰好是0.
如图所示,物体A放在物体B上,物体B为一个斜面体,且放在粗糙的水平地面上,A、B均静止不动,则物体B的受力个数为( )
A.2 B.3
C.4D.5
[解析] 对物体A受力分析,如图a所示;由于A、B均静止,故可将A、B视为一个整体,其水平方向无外力作用,B相对地面也就无运动趋势,故地面对B无摩擦力,受力如图b所示;对物体B受力分析,如图c所示,共有四个力,选项C正确.
[答案] C
eq \a\vs4\al()
如何防止“多力”或“丢力”
(1)防止“多力”的有效途径是找出力的施力物体,若某力有施力物体则它实际存在,无施力物体则它不存在.另外合力与分力不要重复分析.
(2)按正确的顺序(即一重、二弹、三摩擦、四其他)进行受力分析是保证不“丢力”的有效措施.
(多选)如图所示,两个相似的斜面体A、B在竖直向上的力F的作用下静止靠在竖直粗糙墙壁上.关于斜面体A和B的受力情况,下列说法正确的是( )
A.A一定受到四个力
B.B可能受到四个力
C.B与墙壁之间一定有弹力和摩擦力
D.A与B之间一定有摩擦力
解析:选AD.对A、B整体受力分析,如图甲所示,受到向下的重力和向上的推力F,由平衡条件可知B与墙壁之间不可能有弹力,因此也不可能有摩擦力,故C错;对B受力分析如图乙所示,其受到重力、A对B的弹力及摩擦力而处于平衡状态,故B只能受到三个力,B错;对A受力分析,如图丙所示,受到重力、推力、B对A的弹力和摩擦力,共四个力,A、D对.
1.(2019·晋中月考)关于作用力和反作用力,下面说法中正确的是( )
A.物体相互作用时,先产生作用力,然后才产生反作用力
B.作用力和反作用力大小相等,方向相反,在同一条直线上,因此它们的合力为零,是一对平衡力
C.放在水平桌面上的书所受重力和支持力互为作用力与反作用力
D.作用力和反作用力总是同时产生,同时消失,分别作用在相互作用的两个不同物体上
解析:选D.物体相互作用时,相互作用力同时产生,同时变化,同时消失,故A错误;作用力和反作用力大小相等,方向相反,在同一条直线上,但作用在不同的物体上,故不能合成,故B错误;放在水平桌面上的书所受重力和支持力都作用在书上,是一对平衡力,故C错误;根据牛顿第三定律,作用力和反作用力总是同时产生,同时消失,分别作用在相互作用的两个不同物体上,故D正确.
2.(2019·浙江模拟)如图所示,小明撑杆使船离岸,则下列说法正确的是( )
A.小明与船之间存在摩擦力
B.杆的弯曲是由于受到杆对小明的力
C.杆对岸的力大于岸对杆的力
D.小明对杆的力和岸对杆的力是一对相互作用力
解析:选A.船离开河岸,必定在水平方向受到有关力的作用,该作用力是小明对船的摩擦力,故A正确;依据弹力产生的原理,撑杆给人的力是因为撑杆发生了弹性形变,根据牛顿第三定律,杆发生弹性形变是由于杆受到小明对杆的作用力,故B错误;杆对岸的力与岸对杆的力是一对作用力与反作用力,根据牛顿第三定律,一对相互作用的力大小总是相等的,故C错误;小明对杆的力和岸对杆的力都作用在杆上,不是一对相互作用力,故D错误.
3.下列各选项中的一对力,属于相互作用力的是( )
A.悬绳对电灯的拉力和电灯的重力
B.电灯拉悬绳的力和悬绳拉电灯的力
C.悬绳拉天花板的力和电灯拉悬绳的力
D.悬绳拉天花板的力和电灯的重力
解析:选B.悬绳对电灯的拉力和电灯的重力,大小相等,方向相反,作用在同一个物体上,是一对平衡力,故A选项错误;电灯拉悬绳的力和悬绳拉电灯的力,大小相等,方向相反,作用在两个不同的物体上,是相互作用力,故B选项正确;悬绳拉天花板的力和电灯拉悬绳的力,作用在两个物体上,但方向相同,既不是相互作用力,也不是平衡力,故C选项错误;悬绳拉天花板的力和电灯的重力,作用在两个物体上,但方向相同,并且一个是弹力,一个是重力,性质不同,所以既不是相互作用力,也不是平衡力,故D选项错误.
4.(多选)(2019·赣州期末)在做验证牛顿第三定律DIS实验时,把两个力传感器的挂钩钩在一起,向相反的方向拉动,两个力传感器的相互作用力随时间变化的曲线如图所示,观察分析图线可得到的实验结论是( )
A.作用力与反作用力的性质可以不同
B.作用力与反作用力作用在同一物体上
C.作用力与反作用力大小同时变化
D.作用力与反作用力作用在一条直线上
解析:选CD.作用力与反作用力的性质必定是相同的,故A错误;作用力与反作用力作用在两个物体上,故B错误;作用力与反作用力大小同时变化,大小时刻相等,故C正确;作用力与反作用力作用在同一条直线上,故D正确.
5.某研究性学习小组利用如图所示的装置探究作用力与反作用力的大小关系.如图甲所示,在铁架台上用弹簧秤挂住一个实心铁球,弹簧秤的示数为F1,在圆盘测力计的托盘上放盛有水的烧杯,圆盘测力计的示数为F2;再把小球浸没在水中(水未溢出),如图乙所示,弹簧秤的示数为F3,圆盘测力计的示数为F4.
(1)请你分析弹簧秤示数的变化,F3________(选填“>”“=”或“<”)F1.
(2)铁球对水的作用力大小为________,若________,就说明了作用力与反作用力大小相等.
解析:(1)因乙中小球受到浮力的作用,浮力向上,故弹力减小,故F3<F1;
(2)对烧杯分析可知,由于烧杯中的水受到小球的反作用力,则示数增加,由弹簧秤的示数变化可知,铁球对水的作用力大小为:F4-F2;对小球分析可知,铁球受到的浮力为:F1-F3;若F1-F3=F4-F2,则可以证明作用力与反作用力大小相等.
答案:(1)< (2)F4-F2 F1-F3=F4-F2
一、单项选择题
1.下列说法中正确的是( )
A.地球附近的物体的重力没有反作用力
B.相互作用的两个力究竟称哪一个力是作用力(或反作用力)是人为规定的
C.“鸡蛋碰石头”的过程中,鸡蛋对石头的力必为作用力,石头对鸡蛋的力必为反作用力
D.凡是大小相等、方向相反、作用在同一条直线上且作用在同一个物体上的两个力必定是一对作用力与反作用力
解析:选B.物体受到的重力是属于地球对物体的吸引力,它的反作用力是物体对地球的吸引力,选项A错误;一对相互作用力,究竟哪一个力是作用力,哪一个力是反作用力,是相对而言的,选项B正确,选项C错误;作用力和反作用力必然分别作用在两个相互作用的物体上,选项D错误.
2.(2019·咸阳期末)对于牛顿第三定律的理解,下列说法正确的是( )
A.重力没有反作用力
B.作用力与反作用力一定同时产生
C.物体加速运动时,作用力总是大于反作用力
D.作用力与反作用力总是等大的,所以任何情况下都能平衡
解析:选B.重力的反作用力为物体对地球的吸引力,故A错误;作用力和反作用力同时产生,同时变化,同时消失,故B正确;作用力和反作用力总是大小相等方向相反,故C错误;作用力和反作用力总是大小相等方向相反,作用在两个物体上,在任何情况下都不能平衡,故D错误.
3.一物体受绳的拉力作用由静止开始前进,先做加速运动,然后改做匀速运动,最后改做减速运动,则下列说法中正确的是( )
A.加速前进时,绳拉物体的力大于物体拉绳的力
B.减速前进时,绳拉物体的力小于物体拉绳的力
C.只有匀速前进时,绳拉物体的力与物体拉绳的力大小相等
D.不管物体如何前进,绳拉物体的力与物体拉绳的力大小总相等
解析:选D.绳拉物体的力与物体拉绳的力是一对作用力与反作用力的关系,不论物体处于什么状态,两者大小总是相等,物体处于匀速、加速、减速状态是由受到的拉力和摩擦力的大小关系决定的,故D对.
4.(2019·汕头高一检测)关于作用力、反作用力和一对平衡力的认识,正确的是( )
A.一对平衡力的合力为零,作用效果相互抵消,一对作用力与反作用力的合力也为零,作用效果也相互抵消
B.作用力和反作用力同时产生、同时变化、同时消失,且性质相同,平衡力的性质却不一定相同
C.两个物体相碰时,由于作用力和反作用力大小相等,两物体损坏的程度一定相同
D.先有作用力,接着才有反作用力,一对平衡力却是同时作用在同一个物体上
解析:选B.作用力与反作用力作用在两个不同的物体上,作用效果不能抵消,A错误;作用力与反作用力具有同时性、性质相同的特点,平衡力不一定具备这些特点,B正确,D错误;不同的物体受到相同大小的力产生的效果不一定相同,C错误.
5.(2019·福州高一检测)《水浒传》第七回“花和尚倒拔垂杨柳”中有这样一个情节:“众泼皮嫌一株绿杨树上的乌鸦叫.鲁智深相了一相,走到树前,把直裰脱了,用右手向下,把身倒缴着,却把左手拔住上截,把腰只一趁,将那株绿杨树带根拔起.”对这段话中描述的力学知识,理解正确的是( )
A.鲁智深对绿杨树施加了力,而绿杨树对鲁智深没有力的作用
B.鲁智深对绿杨树施加的力大于绿杨树对鲁智深施加的力
C.鲁智深对绿杨树施加的力等于绿杨树对鲁智深施加的力
D.条件不足,不能判断出鲁智深对绿杨树的力与绿杨树对鲁智深的力之间的关系
解析:选C.鲁智深对绿杨树施加的力与绿杨树对鲁智深施加的力是作用力与反作用力,大小始终相等,故选项C正确,选项A、B、D错误.
6.(2019·江苏启东中学质检)在春天,河水边上的湿地是松软的,人在这些湿地上行走时很容易下陷,此时( )
A.人对湿地地面的压力大于湿地地面对他的支持力
B.人对湿地地面的压力等于湿地地面对他的支持力
C.人对湿地地面的压力小于湿地地面对他的支持力
D.无法确定
解析:选B.人对湿地地面的压力和湿地地面对他的支持力是一对作用力和反作用力,故大小相等,选项B正确.
7.(2019·东阳校级月考)如图所示,大人和小孩分别拿着一条连着力传感器的绳子,两传感器相互钩住,并与计算机相连,在计算机上就会显示两个拉力随时间变化的图象.设大人这边的传感器受到的拉力为作用力,小孩这边的传感器受到的力为反作用力.则当大人站着不动,小孩使劲拉绳,在计算机看到的图象是( )
A.先有作用力,后有反作用力
B.作用力总是大于反作用力
C.作用力总是小于反作用力
D.作用力与反作用力总是同时产生、同时变化、同时消失
解析:选D.作用力和反作用力两个力的大小总是相等的,方向是始终相反的,它们的变化的情况也是一样的,两力同时产生,同时变化,并且同时消失,故A、B、C错误,D正确.
8.(2019·定远月考)使A、B、C一起匀速运动,各接触面间的摩擦力的情况是( )
A.A对C有向左的摩擦力
B.C对B有向左的摩擦力
C.物体C受到三个摩擦力的作用
D.物体C对地有向右的摩擦力
解析:选A.对A受力分析,受拉力F、重力、支持力和向右的静摩擦力,物体匀速运动,受力平衡,故f=F,故A对C有向左的静摩擦力,A正确;对B受力分析,由于匀速运动,合力为零,故受重力和支持力,不受摩擦力,故B错误;对C受力分析,受重力、A对C压力、B对C压力,地面对C支持力,A对C向左的静摩擦力和地面对C向右的滑动摩擦力,即物体C受到两个摩擦力的作用,故C错误;对整体受力分析,受拉力F、重力、支持力和向右的滑动摩擦力,所以地面对C有向右的滑动摩擦力,那么物体C对地有向左的摩擦力,故D错误.
9.如图所示,用弹簧测力计悬挂一个重G=10 N的金属块,使金属块的一部分浸在台秤上的水杯中(水不会溢出).若弹簧测力计的示数变为F′T=6 N,则台秤的示数与未挂金属块时相比( )
A.保持不变 B.增加10 N
C.增加6 ND.增加4 N
解析:选D.金属块浸入水中后,水对金属块产生浮力F,由弹簧测力计的示数可知,浮力的大小为F=G-F′T=10 N-6 N=4 N.根据牛顿第三定律,金属块对水也施加一个反作用力F′,其大小F′=F=4 N,通过水和杯的传递,对台秤产生附加压力,所以台秤的示数增加4 N.
10.如图所示,一个箱子放在水平地面上,箱内有一固定的竖直杆,在杆上套着一个环,箱和杆总质量是M,环的质量为m,已知环沿着杆加速下滑,环与杆间的摩擦力大小为Ff,则此时箱子对地面的压力为( )
A.Mg B.(M+m)g
C.(M+m)g-FfD.Mg+Ff
解析:选D.取箱子为研究对象,它受向下的重力Mg、环给它向下的摩擦力Ff和地面的支持力FN三个力的作用而平衡,FN=Mg+Ff,由牛顿第三定律知,箱子对地面的压力大小F′N=FN=Mg+Ff,D正确.
二、多项选择题
11.(2019·哈尔滨高一检测)关于作用力与反作用力,下列说法正确的是( )
A.作用力与反作用力总是大小相等,方向相反,因而合力为零
B.作用力与反作用力是同一性质的力
C.因为地球质量大于物体质量,所以地球对物体的作用力大于物体对地球的反作用力
D.作用力与反作用力同时产生,同时消失
解析:选BD.作用力与反作用力作用在两个物体上,不能求合力;作用力与反作用力总是大小相等、方向相反,同时产生,同时变化,同时消失,性质相同,故选项B、D正确,选项A、C错误.
12.一个大人跟一个小孩站在水平地面上手拉手比力气,结果大人把小孩拉过来了.对这个过程中作用于双方的力的关系,不正确的说法是( )
A.大人拉小孩的力一定比小孩拉大人的力大
B.大人拉小孩的力与小孩拉大人的力是一对作用力与反作用力
C.大人拉小孩的力与小孩拉大人的力大小一定相等
D.只有在大人把小孩拉动的过程中,大人的力才比小孩的力大,在可能出现的短暂相持过程中,两人的拉力一样大
解析:选AD.大人拉小孩的力与小孩拉大人的力是一对相互作用力,它们之间的关系满足牛顿第三定律,所以二者永远大小相等,方向相反,两力作用在不同的人身上,不能求合力,小孩被拉动是因为她受到的拉力大于她与地面间的最大静摩擦力.
13.(2019·绵阳高一检测)物体C置于水平地面上,A、B由轻绳通过固定在C上的光滑定滑轮相连,C的上表面水平,连接B的轻绳水平,整个系统处于静止状态,如图所示.下列说法正确的是 ( )
A.B与C之间的接触面一定是粗糙的
B.B与C之间的接触面可以是光滑的
C.C与地面之间的接触面一定是粗糙的
D.C与地面之间的接触面可以是光滑的
解析:选AD.B受到C对它向右的静摩擦力作用,故B、C之间一定是粗糙的,A对,B错;整体考虑,系统无运动趋势,C与地面间无摩擦力作用,故不能确定C与地面间粗糙与否,C错,D对.
三、非选择题
14.在图中画出(1)~(4)中静止物体A的受力示意图(图中球形物体的接触面光滑).
答案:
学习目标
核心素养形成脉络
1.知道力的作用是相互的,并了解作用力、反作用力的概念.
2.理解牛顿第三定律的含义.(重点)
3.会用牛顿第三定律解决简单问题.(难点)
4.会区分平衡力和作用力与反作用力.
作用力与反作用力关系
四
同
等大
大小总是相等
共线
作用在一条直线上
同时
同时产生、同时变化、同时消失
同性质
同一性质的力
三
异
异向
方向相反
异体
作用在不同的物体上
异效
效果不能相互抵消,不能认为合力为零
内容
比较
作用力和反作用力
平衡力
不
同
点
作用对象
作用在两个相互作用的物体上
作用在同一物体上
依赖关系
相互依存,不可单独存在,同时产生,同时变化,同时消失
无依赖关系,撤除一个,另一个依然可存在
叠加性
两力作用效果不可叠加,不可求合力
两力作用效果可相互抵消,可叠加,可求合力,且合力为零
力的性质
一定是同种性质的力
可以是同种性质的力,也可以是不同种性质的力
相同点
大小相等、方向相反、作用在一条直线上
相关学案
这是一份高中物理人教版 (2019)必修 第一册3 牛顿第三定律学案,共5页。学案主要包含了作用力和反作用力,牛顿第三定律,物体受力的初步分析等内容,欢迎下载使用。
这是一份高中物理人教版 (2019)必修 第一册3 牛顿第三定律导学案,共6页。学案主要包含了预习自测,课堂探究,题后反思,课堂小结,课后巩固等内容,欢迎下载使用。
这是一份高中物理3 牛顿第三定律学案,共2页。学案主要包含了教学目标,课前预习,课堂探究,课后作业,教学反思等内容,欢迎下载使用。

