人教版 (2019)第五章 化工生产中的重要非金属元素第一节 硫及其化合物优质第2课时2课时导学案
展开
这是一份人教版 (2019)第五章 化工生产中的重要非金属元素第一节 硫及其化合物优质第2课时2课时导学案,共12页。学案主要包含了eq等内容,欢迎下载使用。
硫 酸
1.硫酸的用途和制备
(1)用途:硫酸是重要的化工原料,可用于生产化肥、农药、炸药、染料和盐类等。
(2)制备
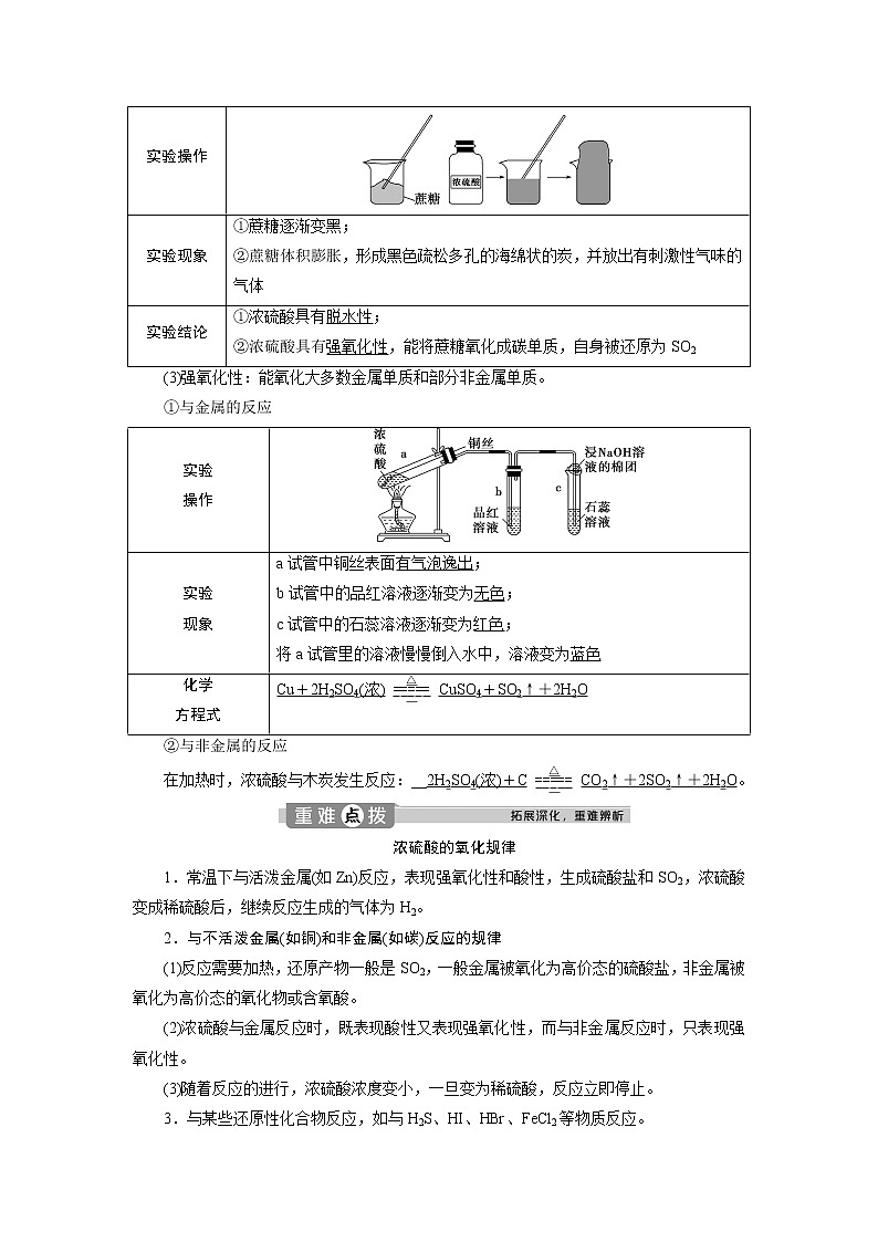
2.硫酸的物理性质
纯净的浓硫酸是一种无色黏稠的油状液体,溶于水时放出大量的热,稀释浓硫酸时应将浓硫酸沿器壁慢慢注入水中,并用玻璃棒不断搅拌。
3.稀硫酸的化学性质
H2SO4很容易电离出H+,具有酸性。
4.浓硫酸的特性
(1)吸水性:浓硫酸能吸收存在于周围环境中的水分,气体、液体中的水分子,故常用作干燥剂。
(2)脱水性:浓硫酸能将蔗糖、纸张、棉布和木材等有机物中的氢元素和氧元素按水的组成比脱去。
(3)强氧化性:能氧化大多数金属单质和部分非金属单质。
①与金属的反应
②与非金属的反应
在加热时,浓硫酸与木炭发生反应:__2H2SO4(浓)+Ceq \(=====,\s\up7(△))CO2↑+2SO2↑+2H2O。
浓硫酸的氧化规律
1.常温下与活泼金属(如Zn)反应,表现强氧化性和酸性,生成硫酸盐和SO2,浓硫酸变成稀硫酸后,继续反应生成的气体为H2。
2.与不活泼金属(如铜)和非金属(如碳)反应的规律
(1)反应需要加热,还原产物一般是SO2,一般金属被氧化为高价态的硫酸盐,非金属被氧化为高价态的氧化物或含氧酸。
(2)浓硫酸与金属反应时,既表现酸性又表现强氧化性,而与非金属反应时,只表现强氧化性。
(3)随着反应的进行,浓硫酸浓度变小,一旦变为稀硫酸,反应立即停止。
3.与某些还原性化合物反应,如与H2S、HI、HBr、FeCl2等物质反应。
1.下列关于浓硫酸与稀硫酸的说法中不正确的是( )
A.浓硫酸使硫酸铜晶体变白,体现了浓硫酸的吸水性
B.浓硫酸有氧化性,稀硫酸没有氧化性
C.用玻璃棒各蘸少许涂在纸上,可以区别浓硫酸和稀硫酸
D.常温下,浓硫酸和稀硫酸都不能与铜反应
解析:选B。胆矾晶体遇浓硫酸变白,体现浓硫酸的吸水性,A正确;稀硫酸的氧化性由+1价的H元素体现,浓硫酸的氧化性由+6价的S元素体现,都具有氧化性,B错误;浓硫酸具有脱水性,涂在纸上,使其变黑色,稀硫酸涂在纸上无明显变化,C正确;铜与浓硫酸在加热条件下发生反应,与稀硫酸不反应,D正确。
2.下列关于浓硫酸与Cu反应的叙述正确的是( )
A.在反应中,浓硫酸只表现出氧化性
B.该反应中还原剂与氧化剂的物质的量之比为1∶2
C.在反应中,浓硫酸既表现出氧化性,又表现出酸性
D.每1 ml铜参加反应就有2 ml浓硫酸被还原,同时生成2 ml SO2
解析:选C。该反应的化学方程式为Cu+2H2SO4(浓) eq \(=====,\s\up7(△))CuSO4+SO2↑+2H2O,分析反应前后元素化合价的变化可知,浓硫酸既表现出氧化性,又表现出酸性,该反应为氧化还原反应,在该反应中,每2 ml H2SO4参加反应只有1 ml H2SO4被还原,因此还原剂与氧化剂的物质的量之比为1∶1。
3.将下列硫酸的性质填到相应的括号内。
A.酸性 B.吸水性 C.脱水性 D.强氧化性
(1)浓H2SO4滴在纸上,使纸变黑( )
(2)浓H2SO4干燥SO2气体( )
(3)锌粒放入稀H2SO4中有气体放出( )
(4)盛有浓H2SO4的烧杯敞口放置一段时间后,质量增加( )
(5)把木炭放入热的浓H2SO4中有气体放出( )
答案:(1)C (2)B (3)A (4)B (5)D
硫酸根离子的检验
1.常见硫酸盐
2.硫酸根离子的检验
(1)实验探究
在三支试管中分别加入少量稀硫酸、Na2SO4溶液和Na2CO3溶液,然后各滴入几滴BaCl2溶液,观察现象。再分别加入少量稀盐酸,振荡,观察现象。
(2)实验结论
在溶液中,SOeq \\al(2-,4)可与Ba2+反应,生成不溶于稀盐酸的白色BaSO4沉淀。
用可溶性钡盐检验SOeq \\al(2-,4)时,COeq \\al(2-,3)有干扰,先将溶液用稀盐酸酸化,可以排除COeq \\al(2-,3)等可能造成的干扰。
检验SOeq \\al(2-,4)的正确操作方法如下:
被检液eq \(――――――→,\s\up7(加足量稀盐酸酸化))取清液eq \(―――――→,\s\up7(滴加BaCl2溶液))观察有无白色沉淀产生。
3.粗盐的提纯
(1)除去可溶性杂质(可溶性硫酸盐及CaCl2、MgCl2等杂质)
(2)化学方法分离提纯物质的“四原则”和“三必须”
①“四原则”:一不增(不增加新的杂质);二不减(不减少被提纯的物质);三易分离(被提纯物质与杂质易分离);四易复原(被提纯物质要易复原)。
②“三必须”:一除杂试剂必须过量;二过量试剂必须除尽;三除杂途径必须最佳。
除去粗盐中可溶性杂质的原理
1.下列关于硫酸盐的说法中正确的是( )
A.CaSO4·2H2O、CuSO4·5H2O都属于混合物
B.石膏加热失水变为熟石膏的化学方程式为2[CaSO4·2H2O]eq \(=====,\s\up7(△)) 2CaSO4·H2O+3H2O
C.硫酸钡、碳酸钡都可用作“钡餐”
D.胆矾失去结晶水的过程属于物理变化
解析:选B。CaSO4·2H2O、CuSO4·5H2O都属于纯净物,A错误;碳酸钡可溶于酸,不可用作“钡餐”,C错误;胆矾失去结晶水的过程属于化学变化,D错误。
2.用可溶性钡盐检验硫酸根离子的存在时,先在待测溶液中加入盐酸,其作用是( )
A.形成较多的白色沉淀
B.形成的沉淀纯度更高
C.排除硫酸根离子以外其他阴离子及银离子的干扰
D.排除钡离子以外的其他阳离子的干扰
解析:选C。加盐酸可以排除银离子、碳酸根离子等的干扰,故C正确。
3.提纯含有少量硝酸钡杂质的硝酸钾溶液,可以使用的方法为( )
A.加入过量碳酸钠溶液,过滤,除去沉淀,溶液中补加适量硝酸
B.加入过量硫酸钾溶液,过滤,除去沉淀,溶液中补加适量硝酸
C.加入过量硫酸钠溶液,过滤,除去沉淀,溶液中补加适量硝酸
D.加入过量碳酸钾溶液,过滤,除去沉淀,溶液中补加适量硝酸
解析:选D。A项,加入过量Na2CO3,除去了Ba2+,但引入了杂质离子Na+,错误;B项,加入过量K2SO4,除去了Ba2+,但引入了杂质离子SOeq \\al(2-,4),错误;C项,加入过量Na2SO4,除去了Ba2+,但引入了杂质离子Na+和SOeq \\al(2-,4),错误;D项,加入过量K2CO3,除去了Ba2+,多余的COeq \\al(2-,3)可与HNO3反应而除去,正确。
合格考训练
1.向盐酸中加入浓硫酸时,会有白雾生成。下列叙述不属于导致产生该现象的原因的是( )
A.浓硫酸具有脱水性
B.浓硫酸具有吸水性
C.盐酸具有挥发性
D.气态溶质的溶解度随温度升高而降低
解析:选A。浓硫酸具有吸水性,当浓硫酸加入盐酸中时,因其吸水而放出大量的热,又因为盐酸具有挥发性,同时因温度升高也导致HCl的溶解度降低,加快了HCl的挥发,而挥发出的HCl与空气中的水蒸气形成了盐酸小液滴,即盐酸酸雾,故选A。
2.用下图所示实验装置(夹持仪器已略去)探究铜丝与过量浓硫酸的反应。下列实验不合理的是( )
A.上下移动①中铜丝可控制SO2的量
B.②中选用品红溶液验证SO2的生成
C.③中选用NaOH溶液吸收多余的SO2
D.为确认CuSO4生成,向①中加水,观察颜色
解析:选D。因为①中含有大量浓硫酸,所以应该冷却后把①中溶液慢慢倒入盛有水的烧杯中,D错误。
3.检验某未知溶液中是否含有SOeq \\al(2-,4),下列操作最合理的是( )
A.先加稀硫酸酸化,再加氯化钡溶液
B.加入氯化钡溶液
C.加入盐酸酸化的氯化钡溶液
D.先用盐酸酸化,若无明显现象,再加氯化钡溶液
解析:选D。检验某溶液中是否含有SOeq \\al(2-,4)的方法:先用盐酸酸化,若无明显现象,再加氯化钡溶液,若有白色沉淀,说明原溶液中有SOeq \\al(2-,4)。
4.要除去NaCl溶液中混有的MgCl2,应选用的试剂和操作方法是( )
A.加入适量Na2SO4溶液后过滤
B.加入适量NaOH溶液后过滤
C.加入过量NaOH溶液后蒸发
D.加入过量Na2CO3溶液后过滤
解析:选B。Na2SO4与MgCl2不能发生反应,A不正确;NaOH与MgCl2反应生成Mg(OH)2,然后过滤除去,B正确;加入过量NaOH溶液后蒸发,得到的NaCl中含有NaOH和Mg(OH)2,C不正确;会引入Na2CO3杂质,D不正确。
5.为了除去氯化钠样品中的杂质碳酸钠,某兴趣小组最初设计了如下所示方案进行实验。
(1)沉淀A的化学式是________。
(2)加入过量氯化钙溶液后,分离除去沉淀A的实验操作是________。
(3)他们在实验过程中,又发现了新的问题:此方案很容易引入新的杂质。固体物质B的成分为________________________________________________________________________
(用化学式表示)。
(4)他们继续探究后又提出了新的方案:将混合物溶解,滴加盐酸至不再产生气泡为止,然后加热煮沸。有关反应的化学方程式为_______________________________。
解析:若用 CaCl2除去碳酸钠,生成碳酸钙沉淀,但会引入新杂质CaCl2,蒸发后所得固体应是NaCl和CaCl2的混合物;若用盐酸除去,则溶液中只有NaCl和HCl,蒸发结晶时HCl挥发,可得纯净的NaCl。
答案:(1)CaCO3 (2)过滤 (3)NaCl和CaCl2
(4)Na2CO3+2HCl===2NaCl+H2O+CO2↑
等级性测试
1.“亲爱的水:每当我遇上你,我就有种沸腾的感觉。当我见不到你时,我甚至会在空气中寻找你的气息……”——这是浓硫酸对水的真情告白。如图小试管中盛有几毫升水,与大试管连通的U形细玻璃管内放有少量水(已染成红色)。如沿小试管壁小心地慢慢注入3 mL浓硫酸,静置片刻后,U形细玻璃管中可观察到的液面现象是( )
A.左高右低 B.左低右高
C.左右一样高 D.来回振动
解析:选B。浓硫酸稀释时放出大量的热,使管内的气体膨胀,压强增大,所以U形细玻璃管内水的液面左低右高。
2.下列现象和用途中,浓硫酸表现脱水性的是( )
A.实验室制取氯气时浓硫酸做干燥剂
B.浓硫酸使火柴梗变黑
C.浓硫酸滴到胆矾上,蓝色晶体变成白色粉末
D.浓硫酸与碳单质反应
解析:选B。区别浓硫酸的脱水性和吸水性,要看原物质中是否有水分子。一般来说,脱水性是对有机物而言,其中的氢、氧两种元素按原子个数比2∶1即以H2O的形式脱去,无机物失水一般为吸水性,如CuSO4·5H2O失去结晶水,故C项不正确;A选项中浓硫酸表现吸水性;D选项中浓硫酸表现强氧化性;只有B选项中浓硫酸表现脱水性。
3.下列关于浓硫酸的叙述正确的是( )
A.浓硫酸具有吸水性,因而能使蔗糖炭化
B.浓硫酸在常温下可迅速与铜片反应放出SO2气体
C.浓硫酸是一种干燥剂,能够干燥H2、SO2等气体
D.浓硫酸在常温下能与单质碳反应放出CO2气体
解析:选C。A项,浓硫酸具有脱水性,能使蔗糖脱水炭化;B项,浓硫酸与铜在加热条件下才能反应;D项,浓硫酸与单质碳在加热条件下才能反应。
4.浓硫酸在下列反应中,既表现出氧化性,又表现出酸性的是( )
①Cu+2H2SO4(浓)eq \(=====,\s\up7(△))CuSO4+SO2↑+2H2O
②C+2H2SO4(浓)eq \(=====,\s\up7(△))CO2↑+2SO2↑+2H2O
③2FeO+4H2SO4(浓)===Fe2(SO4)3+SO2↑+4H2O
④Fe2O3+3H2SO4===Fe2(SO4)3+3H2O
A.①② B.②③
C.①③ D.③④
解析:选C。若反应中浓硫酸既表现出氧化性,又表现出酸性,则说明该反应中部分H2SO4分子中元素得电子,化合价降低,另一部分H2SO4中元素化合价不变,据此分析可知答案为C。
5.向50 mL 18 ml/L H2SO4溶液中加入足量的铜片并加热,充分反应后,被还原的H2SO4的物质的量( )
A.小于0.45 ml
B.等于0.45 ml
C.在0.45 ml和0.90 ml之间
D.大于0.90 ml
解析:选A。铜与浓硫酸反应的化学方程式为Cu+2H2SO4(浓)eq \(=====,\s\up7(△))CuSO4+2H2O+SO2↑,n(H2SO4)=0.90 ml,如果H2SO4完全反应,被还原的H2SO4的物质的量为0.45 ml,因随着反应的进行,浓硫酸变为稀硫酸,反应不再进行,所以被还原的H2SO4的物质的量小于0.45 ml。
6.下列离子的检验方法正确的是( )
A.某溶液中加硝酸银溶液生成白色沉淀,说明原溶液中有Cl-
B.某溶液中加BaCl2溶液生成白色沉淀,说明原溶液中有SOeq \\al(2-,4)
C.某溶液中加NaOH溶液生成蓝色沉淀,说明原溶液中有Cu2+
D.某溶液中加稀硫酸产生无色气体,将该气体通入澄清石灰水中生成白色沉淀,说明原溶液中有COeq \\al(2-,3)
解析:选C。与硝酸银溶液反应生成白色沉淀的离子有Cl-、SOeq \\al(2-,4)等;与BaCl2溶液反应生成白色沉淀的离子有SOeq \\al(2-,4)、Ag+等;与NaOH溶液反应生成蓝色沉淀的离子只有Cu2+;与稀硫酸反应产生能使澄清石灰水变浑浊的无色气体的离子有COeq \\al(2-,3)、HCOeq \\al(-,3)、SOeq \\al(2-,3)、HSOeq \\al(-,3)等。
7.为了除去粗盐中的Ca2+、Mg2+、SOeq \\al(2-,4)而进行下列五项操作,其中正确的操作顺序是( )
①过滤 ②加过量NaOH溶液 ③加适量盐酸 ④加过量Na2CO3溶液 ⑤加过量BaCl2溶液
A.①④②⑤③ B.④①②⑤③
C.②⑤④①③ D.⑤②①④③
解析:选C。解题时必须了解各个实验步骤的目的,才能分清操作顺序。加入过量NaOH溶液的目的是除去Mg2+,加入过量BaCl2溶液的目的是除去SOeq \\al(2-,4),加入过量Na2CO3溶液的目的是除去Ca2+及多余的Ba2+。然后进行过滤,除去Mg(OH)2、BaSO4、CaCO3、BaCO3及泥沙等难溶物;最后加适量的盐酸,除去多余的OH-和COeq \\al(2-,3)。综上所述,正确的实验操作顺序为②⑤④①③或⑤②④①③或⑤④②①③。
8.为了除去KCl固体中少量的MgCl2、MgSO4,可选用Ba(OH)2、HCl和K2CO3三种试剂,按下列步骤操作:
eq \x(固体)eq \(――→,\s\up7(加水))eq \x(溶液)eq \(――→,\s\up7(加过量A))eq \(――→,\s\up7(加过量B),\s\d5(操作Ⅰ))eq \x(滤液)eq \(――→,\s\up7(加适量C))eq \(――→,\s\up7(加热煮沸))eq \x(KCl溶液)eq \(――→,\s\up7(操作Ⅱ))eq \x(KCl固体)
(1)写出三种试剂的化学式:A__________,B__________,C__________。
(2)①加入过量A的目的是__________________________________________;
②加入过量B的目的是_______________________________________________;
③加热煮沸的目的是__________________________________________________。
(3)操作Ⅰ是__________,操作Ⅱ是__________。
解析:当有多种杂质共存时,应认真分析。要使杂质一一除去,必须考虑所加试剂是过量的,而且过量的试剂在后面步骤中必须能除去,要除Mg2+,可用含OH-的试剂,除SOeq \\al(2-,4)可用含Ba2+的试剂,故先加入Ba(OH)2。加入的过量 Ba(OH)2中的Ba2+可用K2CO3除去,过量 Ba(OH)2中的OH-以及过量K2CO3中的COeq \\al(2-,3),可用稀盐酸除去,最后加热煮沸可除去HCl。
答案:(1)Ba(OH)2 K2CO3 HCl
(2)①除尽Mg2+和SOeq \\al(2-,4) ②除尽过量的Ba2+ ③使HCl挥发
(3)过滤 蒸发
9.为了验证木炭可被浓H2SO4氧化成CO2,选用如图所示仪器(内含物质)组装成实验装置。
(1)如按气流由左向右流向,连接上述装置的正确顺序是________接________,________接________,________接________。(填各接口字母)
(2)仪器乙、丙应有怎样的实验现象才表明已检验出CO2:仪器乙中________________;仪器丙中________________。
(3)丁中酸性KMnO4溶液的作用是__________________________________________。
(4)写出甲中反应的化学方程式:___________________________________________
________________________________________________________________________。
解析:本题考查浓硫酸的性质与反应产物CO2的检验方法。发生的反应为C+2H2SO4(浓)eq \(=====,\s\up7(△))CO2↑+2SO2↑+2H2O。由于CO2、SO2均能使澄清石灰水变浑浊,故检验CO2前应先排除SO2的干扰。仪器丁用于除去SO2,仪器丙用于检验混合气体中SO2是否被除尽。若已除尽,则可用仪器乙检验产物中的CO2。
答案:(1)A F E C D B (2)澄清石灰水变浑浊 品红溶液不褪色 (3)除去CO2中混有的SO2
(4)C+2H2SO4(浓)eq \(=====,\s\up7(△))CO2↑+2SO2↑+2H2O
10.已知锌跟浓硫酸反应生成SO2,跟稀硫酸反应生成H2。使一定量的锌与100 mL 18.5 ml·L-1浓硫酸充分反应,锌完全溶解,同时收集到标准状况下的气体A 33.6 L。将反应后的溶液稀释到1 L,测得溶液中氢离子的浓度为0.1 ml·L-1。
(1)写出锌跟浓硫酸反应的化学方程式:_____________________________________
________________________________________________________________________。
(2)反应过程中消耗的H2SO4的物质的量是________。
(3)气体A的成分是____________________,各成分的体积比是________________。
(4)反应过程中消耗的锌的质量是______________。
解析:气体A的物质的量:n(A)=eq \f(33.6 L,22.4 L·ml-1)=1.5 ml。
反应过程中消耗H2SO4的物质的量为n(H2SO4)=eq \f(100 mL×18.5 ml·L-1,1 000 mL·L-1)-eq \f(1 L×0.1 ml·L-1,2)=1.8 ml。
根据题意,锌跟硫酸反应的化学方程式是
Zn+2H2SO4(浓)===ZnSO4+SO2↑+2H2O ①
Zn+H2SO4(稀)===ZnSO4+H2↑ ②
若生成的气体全是二氧化硫,则消耗H2SO4的物质的量为n(H2SO4)=2×n(SO2)=2×1.5 ml=3.0 ml≠1.80 ml。所以此假设不成立,即该气体只能是二氧化硫和氢气的混合气体。
设该混合气体中二氧化硫和氢气的物质的量分别是x和y。根据题意可得如下两个方程:
eq \b\lc\{(\a\vs4\al\c1(x+y=1.5 ml,2x+y=1.8 ml))
解得x=0.3 ml,y=1.2 ml。
eq \f(V(SO2),V(H2))=eq \f(n(SO2),n(H2))=eq \f(0.3 ml,1.2 ml)=eq \f(1,4)。
由两个化学方程式可知,n(Zn)=n(SO2)+n(H2)=1.5 ml,则m(Zn)=65 g·ml-1×1.5 ml=97.5 g。
答案:(1)Zn+2H2SO4(浓)===ZnSO4+SO2↑+2H2O
(2)1.8 ml
(3)二氧化硫和氢气 V(SO2)∶V(H2)=1∶4
(4)97.5 g
课程标准
核心素养
1.结合真实情景中的应用实例或通过实验探究,了解硫酸的主要性质。
2.能列举、描述、辨识硫酸的物理和化学性质及实验现象。
3.能根据硫酸根离子的性质和反应,设计硫酸根离子的检验方案。
1.宏观辨识与微观探析:能说明硫酸的性质与应用之间的关系。
2.科学探究与创新意识:能正确选择常见的实验仪器、装置和试剂,完成硫酸根离子的检验实验。
实验操作
实验现象
①蔗糖逐渐变黑;
②蔗糖体积膨胀,形成黑色疏松多孔的海绵状的炭,并放出有刺激性气味的气体
实验结论
①浓硫酸具有脱水性;
②浓硫酸具有强氧化性,能将蔗糖氧化成碳单质,自身被还原为SO2
实验
操作
实验
现象
a试管中铜丝表面有气泡逸出;
b试管中的品红溶液逐渐变为无色;
c试管中的石蕊溶液逐渐变为红色;
将a试管里的溶液慢慢倒入水中,溶液变为蓝色
化学
方程式
Cu+2H2SO4(浓)eq \(=====,\s\up7(△))CuSO4+SO2↑+2H2O
名称
重要性质
主要用途
硫酸钙
eq \(,\s\up7(加热,失去大部分结晶水),\s\d5(与水混合成糊状,凝固))
制作各种模型和医疗用的石膏绷带;调节水泥的硬化速率
硫酸钡
重晶石(BaSO4)不溶于水和酸,且不容易被X射线透过
用作“钡餐”
硫酸铜
eq \(,\s\up7(结合水),\s\d5(失去水))
检验水的存在;制作波尔多液
稀硫酸
Na2SO4溶液
Na2CO3溶液
滴入几滴BaCl2溶液
有白色沉淀生成
有白色沉淀生成
有白色沉淀生成
分别加入少量稀盐酸并振荡
白色沉淀不溶解
白色沉淀不溶解
白色沉淀溶解
杂质
加入的试剂
离子方程式
可溶性
硫酸盐
过量 BaCl2
溶液
SOeq \\al(2-,4)+Ba2+===BaSO4↓
CaCl2
过量 Na2CO3
溶液
Ca2++COeq \\al(2-,3)===CaCO3↓,Ba2++COeq \\al(2-,3)===BaCO3↓
MgCl2
过量 NaOH
溶液
Mg2++2OH-===Mg(OH)2↓
多余的
NaOH、
Na2CO3
适量盐酸
OH-+H+===H2O,COeq \\al(2-,3)+2H+===__H2O+CO2↑
课堂小结
相关学案
这是一份高中化学人教版 (2019)必修 第二册第一节 硫及其化合物导学案及答案,共20页。学案主要包含了新知学习,实验探究,知识进阶,问题探究,知识归纳总结,效果检测等内容,欢迎下载使用。
这是一份人教版 (2019)必修 第二册第五章 化工生产中的重要非金属元素第一节 硫及其化合物学案设计,共10页。
这是一份高中人教版 (2019)第五章 化工生产中的重要非金属元素第一节 硫及其化合物导学案,共5页。学案主要包含了硫酸,硫酸根的检验等内容,欢迎下载使用。

