


人教版九年级上册第七单元 燃料及其利用综合与测试单元测试课后复习题
展开
人教版九年级上册第七单元燃烧及其应用
单元测试
一、单选题(本大题共20小题,共40.0分)
1. 运送酒精的车辆上,应该张贴的图标是()
A. B. C. D.
2. 下列与化学反应有关的知识内容完全正确的一组是( )
A
①食品包装填充氧气一一防止变质、变形
②食品包装放入生石灰一防止受潮
③鉴别硝酸铵和硫酸铵-加熟石灰研磨,闻气味
B
①油锅着火时用锅盖盖灭-隔绝空气
②吃水果、蔬菜-可以补充维生素
③墙内开花墙外香-分子不断运动
C
①硬便水和软水-加肥皂水可以区分
②除去NaCl溶液中混有的少量Na2CO3-滴加CaCl2溶液至不再产生沉淀,过滤
③ClO2中氧元素的化合价为-1价
D
①少用塑料购物袋一有利于减少“白色污染”
②随时用水冲洗铁制品-防止铁生锈
③水污染-对人类没有影响
A. A B. B C. C D. D
3. 善于梳理化学知识,是学好化学的有效方法。以下归纳不完全正确的是( )
A.性质决定用途
B.日常生活经验
氧气助燃--气焊切割金属
石墨很软--制铅笔芯
钨的熔点高--用于制灯丝
衣服上圆珠笔油--用汽油搓洗
区别硬水和软水--用肥皂水检验
区别棉和羊毛织物--点燃闻气味
C.化学与健康
D.安全常识
缺钙--导致佝偻病或骨质疏松
缺碘--引起甲状腺肿大
缺维生素C--引起坏血病
皮肤沾上浓硫酸--用氢氧化钠溶液中和
炒菜时油锅着火--用锅盖盖灭
大量使用农药化肥-提高粮食产量
A. A B. B C. C D. D
4. 下列有关资源的叙述不正确的是( )
A. 天然气是最清洁的燃料
B. 稀土有“工业的维生素”的美誉,是不可再生的重要战略资源
C. 地球表面约71%被水覆盖
D. 空气的成分按体积计大约是:氧气21%、氮气78%、稀有气体等其它成分l%
5. 某学习小组讨论辨析以下说法:①催化剂能改变化学反应速率,所以能改变化学反应速率的物质一定是催化剂;②点燃H2和O2的混合气体可能爆炸,则点燃CH4和O2的混合气体也可能爆炸;③单质是由同种元素组成的,则由同种元素组成的物质一定是单质;④学校电脑房应该配备液态二氧化碳灭火器;⑤最外层电子数为8的粒子不一定是稀有气体的原子;⑥用肥皂水鉴别硬水和软水⑦水电解后生成氢气和氧气,所以保持水的化学性质的最小粒子是氢分子和氧分子。其中正确的是( )
A. ②③④⑤ B. ①②③⑦ C. ②⑤⑥⑦ D. ②④⑤⑥
6. 化学概念在逻辑上存在如图所示关系,对下列概念间的关系说法正确的是( )
A. 纯净物与混合物属于并列关系
B. 化学变化与物理变化属于交叉关系
C. 化学性质与物理性质属于包含关系
D. 氧化反应与化合反应属于并列关系
7. 某合作学习小组讨论辨析以下说法:①纯净水和矿泉水都是纯净物;②金刚石和石墨都是由碳元素组成的单质;③煤、石油和天然气都是不可再生能源;④分子都比原子大;⑤CO和CO2都不能供给呼吸,都有毒性.其中正确的是( )
A. ②③ B. ①② C. ③④ D. ④⑤
8. 关于氢气的说法中,不正确的是( )
A. 氢气是一种理想的高能燃料
B. 若用向下排空气法收集氢气,经检验不纯,需再检验时,应用拇指堵一会儿试管口
C. 当空气中混入氢气的体积为总体积的4%~74.2%时,点燃就会发生爆炸
D. 氢气只要和空气或氧气混合,经点燃就会发生爆炸
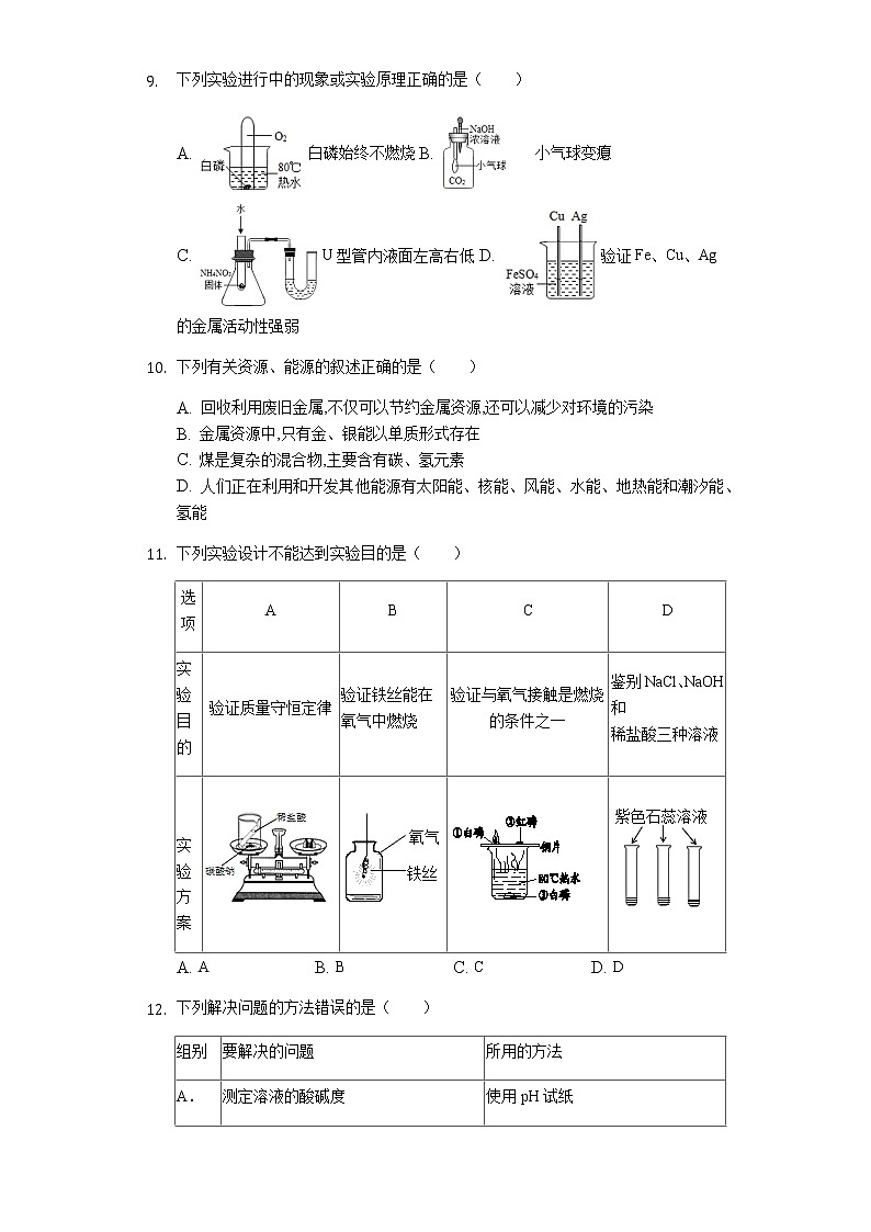
9. 下列实验进行中的现象或实验原理正确的是( )
A. 白磷始终不燃烧B. 小气球变瘪
C. U型管内液面左高右低D. 验证Fe、Cu、Ag的金属活动性强弱
10. 下列有关资源、能源的叙述正确的是( )
A. 回收利用废旧金属,不仅可以节约金属资源,还可以减少对环境的污染
B. 金属资源中,只有金、银能以单质形式存在
C. 煤是复杂的混合物,主要含有碳、氢元素
D. 人们正在利用和开发其他能源有太阳能、核能、风能、水能、地热能和潮汐能、氢能
11. 下列实验设计不能达到实验目的是( )
选项
A
B
C
D
实验
目的
验证质量守恒定律
验证铁丝能在
氧气中燃烧
验证与氧气接触是燃烧的条件之一
鉴别NaCl、NaOH和
稀盐酸三种溶液
实验
方案
A. A B. B C. C D. D
12. 下列解决问题的方法错误的是( )
组别
要解决的问题
所用的方法
A.
测定溶液的酸碱度
使用pH试纸
B.
配制溶质质量分数一定的溶液
计算、称量、溶解
C.
使热水中的白磷燃烧
用导管对准白磷通入氧气
D.
使饱和的硝酸钾溶液变为不饱和溶液
降低温度
A. A B. B C. C D. D
13. 善于梳理化学知识,能使你头脑更聪明,以下有错误的一组( )
A. 蜡烛燃烧一一放热反应;碳还原二氧化碳一吸热反应
B. 甲烷燃烧既是化合反应也是氧化反应
C. 点燃三种可燃性气体H2、CO、CH4前都需验纯
D. MnO2可以加快分解过氧化氢,可见,化学反应的速度受到反应条件的影响
14. 下列说法中不正确的是
A. 造成空气污染的有害气体主要是二氧化氮、二氧化硫和一氧化碳
B. 森林火灾发生时,可在其顺风方向开辟出隔离带以尽快灭火
C. 绿色植物在光照下吸收CO2释放出O2
D. 电器短路起火时,用水浇灭
15. 某同学梳理归纳了如下知识:①由C、O两种元素组成的物质一定是氧化物;②喝下汽水后会打嗝,说明气体的溶解度随温度的升高而增大;③合金的熔点比组成它的纯金属低;④粗食盐提纯时,将水分全部蒸干才停止加热;⑤扇子扇炉火,越扇越旺,是因为提供了充足的氧气;⑥金刚石和石墨的物理性质有很大差异,是因为它们的原子结构不同。正确的个数有( )
A. 1个 B. 2个 C. 3个 D. 4个
16. 化学与我们的日常生活息息相关,从化学的角度就下列分析或做法,错误的是( )
A. 用汽油和洗涤剂分别除去衣服上的油污,两者去污原理不同
B. 生活中火灾时有发生,炒菜时油锅着火可用锅盖盖灭,家用电器着火立即用水灭火
C. 用食醋可以洗去热水壶内的水垢
D. 不小心被蚊虫叮咬(蚊虫能分泌出蚁酸),可用肥皂水涂抹以减轻疼痛
17. 根据你所学过的化学知识,判断下列说法正确的是( )
A. 油库、面粉加工厂、纺织厂等场所要严禁烟火
B. 明矾[KAl(SO4)2⋅12H2O]溶于水产生的胶状物对杂质有吸附作用,因此可用于自来水的消毒杀菌
C. 人类利用的能量都是通过化学反应获得的
D. 电木插座属于热固性塑料,破裂后能进行热修补
18. 下列叙述正确的是( )
A. 用水来灭火是降低可燃物的着火点
B. 催化剂的作用都是加快化学反应速率
C. 在空气中加热铜丝,固体表面变黑
D. 酸雨就是pH小于7的雨水
19. 下列典故中,从物质变化的角度分析,主要体现化学变化的是()
A. 司马光砸缸 B. 火烧赤壁 C. 凿壁偷光 D. 铁杵磨成针
20. 下列的归纳完全正确的一组是( )
A.化学与社会发展
B.化学与健康
①广泛使用太阳能可有效减少CO2排放
②煤燃烧产生的二氧化硫易形成酸雨
①缺碘会引起骨质疏松
②重金属中毒可以服用新鲜牛奶
C.化学与安全
D.化学实验中的先与后
①进入溶洞前做灯火实验
②煤气泄露立即开灯查找泄露
①制取气体:先加药品后检查装置气密性
②可燃性气体燃烧:先验纯后点燃
A. A B. B C. C D. D
二、填空题(本大题共4小题)
21. 结合下图所示实验装置回答问题:
(1)指出图中标有数字的仪器名称:① ;② 。
(2)实验室若用高锰酸钾制取氧气,可选用的发生装置是 (填序号),反应的化学方程式为 ;若要收集较为纯净的氧气最好选用 装置(填序号)。实验前还应在试管口放一团棉花,其作用是 ;实验中试管中的棉花没有燃烧,根据燃烧的条件分析,主要原因是 。
(3)实验室用大理石和稀盐酸制取二氧化碳的发生装置应选用 (填序号),反应的化学方程式为 ;若需要控制反应的速率,在装置上可以怎样改进? 。一般不用D装置收集二氧化碳的原因是 。
(4)F装置是一种可用于集气、洗气等的多功能装置。若将F装置内装满水,再连接量筒,就可以用于测定不溶于水且不与水反应的气体体积,则气体应从 (填“a”或“b”)进入F中。
(5)若用F装置检验生成的气体是否是二氧化碳,可先在F装置中加入 ,气体应从 (填“a”或“b”)进入F中。
22. 化学知识与生活联系密切.请回答:
(1)据报道,2015年我国从缅甸引入的天然气管道已铺设到河池市,天然气与沼气都是比较清洁的燃料,沼气的主要成分是______(填化学式).
(2)市场上出售的“加碘食盐”、“高钙奶粉”等食品,这里的“碘”、“钙”是指______(选填“单质”或“元素”或“原子”).
(3)小林发现昨天洗好的铁锅底浸水处生锈了,生锈的原因是由于铁与空气中的______和______等共同作用的结果.炒菜时,锅内热油着火,小林立即盖上锅盖,火就熄灭了,其原理是______.
(4)人的胃液里含有适量盐酸,可以帮助消化,胃液的pH______7.
(5)粽子是河池各民族喜爱的一种食品,制作粽子的原料有:糯米、猪肉、苏打、蒜叶等,其中富含蛋白质的原料是______.
(6)下列生活用品由有机合成材料制成的是______(填字母).
A.不锈钢水龙头 B.尼龙袜子 C.木制椅子 D.纯棉毛巾.
23. 联系已学的化学知识,回答下列问题。
(1)空气中能供给呼吸的气体是______;
(2)熄灭酒精灯用灯帽盖灭,其灭火原理是______。
(3)标出水中氢元素的化合价______。
(4)铁制容器不能盛放硫酸铜溶液的原因______(用化学方程式表示)。
24. 用符合下列要求的物质的序号填空
①盐酸②浓硫酸③烧碱④氮气⑤乙醇汽油⑥熟石灰
(1)可用于干燥二氧化碳的是______,
(2)可用于改良酸性土壤的是______;
(3)可用作食品保护气的是______;
(4)常用于铁制品表面除锈的是______;
(5)可用作汽车燃料的是______。
三、计算题(本大题共1小题)
25.
(7分)(1)有下列粒子:A.Fe3+ B.Fe2+ C.3H D.E.Ne F.3N2
按要求填空:
①表示3个氮分子的是_____(填序号),
②表示铁离子的是_____(填序号),
③电工使用的试电笔触电发红光,是因为管内充了_____(填序号),
④B与D两种粒子构成的物质是_____(填化学式)。
(2)请从H、C、O、Ca四种元素中选一种或几种元素,写出符合下列要求的化学式。
①相对分子质量最小的气体是 _______________;
②用作食品干燥剂的物质是 ;
③其固体能用于人工降雨的是 _____________。
(8分)水是生命之源,也是人类最宝贵的资源。试用学过的化学知识,回答下列问题:
(1)节约水资源,防止水污染是每个公民应尽的责任和义务。下列做法会造成水体污染的有(填序号) 。
A.工业废水直接排放 B.生活污水集中处理后排放
C.禁止使用含磷洗衣粉 D.大量使用化肥、农药
(2)图A是水通电分解的示意图。写出该反应的化学方程式: 。在实验过程中,试管b中产生的气体是 ,实验室可选用图C制取该气体,该装置中反应的化学方程式为: 。
(3)为除去水中的不溶性杂质,某同学制作了图B所示的简易净水器,其中活性炭的主要作用是 。某些地方的饮用水中含有少量的Ca(HCO3)2,烧水时Ca(HCO3)2发生分解反应,生成难溶性的CaCO3、CO2和一种常见的氧化物。试写出Ca(HCO3)2受热分解的化学方程式 。
(4)图D所示,通过对比实验探究了燃烧需要的条件,此实验中的热水除了起加热的作用,还起 的作用;实验过程中发现,铜片上的红磷一段时间后也燃烧了,原因可能是 。
(14分)结合下图所示实验装置回答问题:
(1)指出图中标有数字的仪器名称:① ;② 。
(2)实验室若用高锰酸钾制取氧气,可选用的发生装置是 (填序号),反应的化学方程式为 ;若要收集较为纯净的氧气最好选用 装置(填序号)。实验前还应在试管口放一团棉花,其作用是 ;实验中试管中的棉花没有燃烧,根据燃烧的条件分析,主要原因是 。
(3)实验室用大理石和稀盐酸制取二氧化碳的发生装置应选用 (填序号),反应的化学方程式为 ;若需要控制反应的速率,在装置上可以怎样改进? 。一般不用D装置收集二氧化碳的原因是 。
(4)F装置是一种可用于集气、洗气等的多功能装置。若将F装置内装满水,再连接量筒,就可以用于测定不溶于水且不与水反应的气体体积,则气体应从 (填“a”或“b”)进入F中。
(5)若用F装置检验生成的气体是否是二氧化碳,可先在F装置中加入 ,气体应从 (填“a”或“b”)进入F中。
(6分)有1包粉末,可能由C、CuO、Fe三种物质中的一种或几种组成。查阅资料得知:CuO+H2SO4===CuSO4+H2O。
某同学为了探究它的成分,按如下步骤进行实验。
(1)先对实验做了如下设想和分析。取少量粉末于烧杯中,向烧杯中加入过量的稀硫酸,则实验中可能出现的现象与对应结论如下表所示(表中未列出所有情况)。请完成下表。
烧杯中可能出现的现象
结论
①有黑色不溶物,无气泡逸出,溶液不变色
只含 C
②
含 C、CuO
③有黑色不溶物,有气泡逸出,溶液呈浅绿色
含
(2)通过实验及分析,确定该粉末为C、CuO的混合物。
(3)为了进一步探究C、CuO的性质,他又利用这种混合物补充做了下面两个实验。
实验1:将此粉末敞口在空气中充分灼烧,待冷却到室温后,取剩余固体于烧杯中,再加入过量稀硫酸,反应完全后,静置。烧杯中 (填“有”或“无”)不溶物,溶液呈 颜色。
实验2:将此粉末隔绝空气加热,待冷却到室温后,取剩余固体于烧杯中,再加入过量稀硫酸,静置。烧杯中出现不溶物,则该不溶物中一定含有 ,可能含有 。
(5分)化学兴趣小组为测定某黄铜(铜锌合金)样品中铜的含量,取 10g样品放在烧杯中,然后向其中逐渐加入稀硫酸,使之与样品充分反应,恰好完全反应(杂质不参加反应)时,加入稀硫酸的质量为 14g,反应后烧杯中物质的总质量为 23.9g。请计算:
(1)反应生成氢气的质量;
(2)样品中铜的质量分数。
四、简答题(本大题共1小题)
26. 2018年4月20日哈尔滨太平国际机场新建T2航站楼正式投入使用。
(1)欧式建筑风格的机场T2航站楼内部多处采用铝合金和碳纤维复合材料,主要利用它们的______等性能。
A.光泽好、密度大 B.密度小,强度好 C.导电、导热性好
(2)候机大厅顶棚破璃首次采用在玻璃表面镀上金属银层的玻璃产品,比普通玻璃节能30%,更加保温、隔热,该节能玻璃属于______
A.无机非金属材料 B.有机合成材料 C.复合材料
(3)机场户外空调的遮阳设备使用了可以发电的太阳能光伏板,其中使用了硅单质材料,硅单质在工业上利用二氧化硅和碳在高温条件下反应生成的,同时生成一种可燃性气体,反应的化学方程式为______,反应前后硅元素的化合价分别为______。
(4)机场供暖使用清洁能源天然气,利用燃气发电将______能转化______能,再利用发电余热供暖,与使用煤做燃料相比可以减少一氧化碳、二氧化氮、______、末燃烧的碳氢化合物和浮尘等污染物的排放。
五、探究题(本大题共3小题)
27. 下列是初中化学中的一些常见实验,请回答相关问题。
(1)A中的实验现象是______;
(2)从B实验能得出燃烧条件之一是______;
(3)C实验测定空气中氧气含量过程中,导致实验结果偏小的原因可能是______(写一点)。
(4)通过D实验对CO2气体从物理性质和化学性质两个方面得到结论:物理性质______(填一条即可),化学性质______(填一条即可)。
(5)E实验浓硫酸的稀释实验中,用玻璃棒搅拌的目的______。
(6)F电解水实验中,在水中加入硫酸钠的作用是______,X管中产生的气体是______。
28. 春节期间,部分同学对用酒精[化学式为C2H5OH]、硬脂酸和氢氧化钠按一定的质量比混合制成的火锅燃料“固体酒精”产生了好奇。
(1)下列有关固体酒精的说法正确的是______。
A.固体酒精的各种分子间没有间隔 B.固体酒精就是酒精的固体物质
C.固体酒精中各种成分仍保持各自的性质D.固体酒精是一种新型化合物
(2)通过化学的学习,小芳知道氢氧化钠易吸收空气中的二氧化碳而变质,其反应的化学方程式为______。他想用实验检查一下春节用剩的工业酒精中氢氧化钠是否变质。
实验步骤
实验现象
实验结论
取少量固体酒精于烧杯中,加足量的水充分溶解后静置,再取上层清液与试管中,滴加无色酚酞试液
溶液变红色
固体酒精中的氢氧化钠没有变质
(3)小芳的同学认为上述实验有严重的问题,理由是______。大家经过讨论。一致认为应该往上层清液中滴加______溶液,可观察到的现象是______,说明固体酒精中的氢氧化钠已经变质。
(4)要想熄灭火锅里的工业酒精,可用盖子盖上,其主要原理是______。
A.清除可燃物 B.隔绝空气
C.降低可燃物着火点 D.使可燃物的温度降到着火点以下
29. 科技节活动中,化学实验小组做了如下实验,请回答以下问题。
(1)图A所示实验可观察到“铁树”上浸有无色酚酞试液的棉团由白色变为红色,该实验中没有涉及的性质是________。
A.氨分子是不断运动的 B氨分子有一定质量 C.浓氨水具有挥发性
(2)图B所示实验,将注射器中浓石灰水注入瓶中,会看到鸡蛋被“吞”入瓶中,该实验中涉及的化学方程式为________。
(3)图C所示实验,当通过导管向热水中通入氧气时,白磷在水下燃烧,该实验说明燃烧需要的条件为:
①________; ②达到燃烧所需要的温度; ③氧气。
(4)图D所示把喷水的紫色小花放入集气瓶内,实验观察到的现象为________。
人教版九年级上册第七单元燃烧及其应用
单元测试卷答案和解析
1.【答案】A
【解析】略。
2.【答案】B
【解析】解:A、由于氧气有氧化性,易使食品变质,食品包装不宜填充氧气。故A错误;
B、油锅着火时用锅盖盖灭,可以隔绝空气;吃水果、蔬菜,可以补充维生素;墙内开花墙外香,是由于分子获得能量,不断运动。故B正确;
C、在ClO2中氧元素的化合价为-2价。故C错误;
D、随时用水冲洗铁制品,易使铁生锈,污染水对人类的影响很大。故D错误。
故选:B。
A、根据氧气有氧化性,易使食品变质分析;
B、根据灭火的原理、常见的食品中含有的营养素、分子的性质分析;
C、根据化合价原则由化学式求出元素的化合价;
D、根据铁生锈的条件、污染水的危害分析。
本题考查学生对化学知识的掌握程度,通过主题知识的归纳,把握有关化学知识的应用。
3.【答案】D
【解析】解:A、氧气助燃可以用于气焊切割金属,正确;石墨很软可以制铅笔芯,正确;钨的熔点高可以用于制灯丝,正确;
B、衣服上圆珠笔油可以用汽油搓洗,正确;硬水能与肥皂水混合产生浮渣,软水能与肥皂水混合产生泡沫,故可以用肥皂水检验,正确;棉灼烧有烧纸的气味,羊毛织物灼烧有烧焦羽毛的气味,故可以使用点燃闻气味的方法鉴别,正确;
C、缺钙能导致佝偻病或骨质疏松,正确;缺碘会引起甲状腺肿大,正确;缺维生素C会引起坏血病,正确;
D、皮肤沾上浓硫酸不能用氢氧化钠溶液中和,错误;炒菜时油锅着火可以用锅盖盖灭,正确;大量使用农药化肥可以提高粮食产量,但是会造成污染,错误;
故选:D。
根据物质的性质和用途的关系、化学与健康的关系进行分析解答即可。
本题考查的是化学与生活的知识,完成此题,可以依据已有的知识进行。
4.【答案】A
【解析】解:
A、天然气燃烧能生成大量的二氧化碳,含量过多造成温室效应.错误;
B、稀土等金属资源有限且属于不可再生能源,应当合理开采,正确;
C、地球表面约71%的面积覆盖着水.正确;
D、空气的成分按体积计算,大约是:氮气78%、氧气21%、稀有气体0.94%、二氧化碳 0.03%、其他气体和杂质0.03%.正确;
答案:A
A、根据天然气燃烧能生成大量的二氧化碳,含量过多造成温室效应解答;
B、根据稀土等金属资源有限且属于不可再生能源分析;
C、根据地球是一个多水的星球,大概有71%的面积被水覆盖,但绝大部分是海水,可直接供人类利用的淡水资源很少,不到总水量的1%解答;
D、根据空气的成分及各成分的体积分数分析回答.
本题比较简单,熟记空气的成分及各成分的体积分数、水的分布即可解答
5.【答案】D
【解析】解:①根据催化剂的定义可以知道,在化学反应中不仅是改变其他物质的化学反应速率,并且自身的化学性质和质量也不会改变,故说法错误;
②可燃性气体若混有氧气或空气,当遇到明火时可能会发生爆炸,甲烷也为可燃性气体,故说法正确;
③单质是由同种元素组成的,但由同种元素组成的物质不一定是单质,例如氧气和臭氧的混合物中只含有氧元素,但它是混合物.故说法错误;
④当电器设备失火时,选择液态二氧化碳灭火器的主要原因是液态二氧化碳不导电,并且液态二氧化碳汽化时能吸收大量的热量,无残留,故正确;
⑤很多原子的离子最外层电子数是8,但不是稀有气体元素,例如氯离子等,所以说法正确;
⑥硬水与肥皂水作用时有较少的泡沫,并有浮渣,软水与肥皂水作用时有较多的泡沫,现象不同可以区别,故正确;
⑦分子是保持物质化学性质的最小微粒,所以保持水的化学性质的最小粒子是水分子,故错误.
故选D。
通过举例的形式对各种说法进行分析、判断,从而得出正确的结论.化学来源于生产、生活,也服务于生产、生活,与生产、生活相关的化学知识,尽管简单易懂,但却是考查的热点之一。
6.【答案】A
【解析】解:A、混合物是由两种或两种以上的物质组成;纯净物是由一种物质组成,因此纯净物与混合物属于并列关系,故A选项正确;
B、化学变化与物理变化属于并列关系,不属于交叉关系;故B选项错误;
C、化学性质与物理性质属于并列关系,不属于包含关系,故C选项错误;
D、氧化反应与化合反应属于交叉关系,不属于并列关系,故D选项错误;
故选A。
物质分为混合物和纯净物,混合物是由两种或两种以上的物质组成;纯净物是由一种物质组成,因此纯净物与混合物属于并列关系;化学变化与物理变化属于并列关系,不属于交叉关系;化学性质与物理性质属于并列关系,不属于包含关系;氧化反应与化合反应属于交叉关系,不属于并列关系。
本考点考查了物质的分类、物质的变化、物质的性质等,要加强记忆有关的知识点,并能够区分应用.本考点的基础性比较强,主要出现在选择题和填空题中。
7.【答案】A
【解析】解:①矿泉水中含有多种矿物质,属于混合物;②由一种元素组成的纯净物,属于单质,金刚石和石墨都是由碳元素组成的单质;③煤、石油和天然气都是不可再生能源;④分子和原子不能比较大小;⑤CO有毒性,CO2没有毒。
故选:A。
①根据纯净物与混合物的区别是:是否由一种物质组成;②单质是由一种元素组成的纯净物;③三大化石燃料气都是不可再生能源;④分子和原子不能比较大小;⑤CO有毒性,CO2没有毒.
解答本题关键是知道纯净物与混合物的区别,知道单质和化合物的区别,分子和原子的区别和联系.
8.【答案】D
【解析】解:A、氢气燃烧热量高,燃烧只生成水不污染空气,是理想的高能燃料,正确;
B、堵住试管口,是为了熄灭火焰,防止收集时发生爆炸,正确;
C、氢气和空气混合,点燃爆炸有一定的范围,正确;
D、氢气和空气混合,点燃爆炸有一定的范围,并不是氢气只要和空气或氧气混合,点燃就会发生爆炸,错误。
故选:D。
A.根据氢气的优点来分析;
B.根据氢气验纯的方法来分析;
C.根据氢气的爆炸极限来分析;
D.根据氢气的爆炸极限来分析。
本题考查了氢气的有关知识,完成此题,可以依据已有的知识进行,要求同学们加强对氢气知识的识记和理解,以便灵活应用。
9.【答案】C
【解析】解:A、用充满氧气的试管倒扣在白磷上,白磷能与氧气接触,温度能达到着火点,白磷能燃烧,故选项说法错误。
B、二氧化碳能与氢氧化钠溶液反应生成碳酸钠和水,使瓶内压强减小,会观察到小气球膨胀,故选项说法错误。
C、硝酸铵溶于水吸热,使温度降低,U型管内液面左高右低,故选项说法正确。
D、铜、银均不与硫酸亚铁溶液反应,说明了活动性Fe>Cu,Fe>Ag,无法比较银和铜的金属活动性,故选项说法错误。
故选:C。
A、根据燃烧的条件,进行分析判断。
B、根据二氧化碳能与氢氧化钠溶液反应生成碳酸钠和水,进行分析判断。
C、根据硝酸铵溶于水吸热,进行分析判断。
D、根据铜、银均不与硫酸亚铁溶液反应,进行分析判断。
本题难度不是很大,化学实验方案的设计是考查学生能力的主要类型,同时也是实验教与学难点,在具体解题时要对其原理透彻理解,可根据物质的物理性质和化学性质结合实验目的进行分析判断。
10.【答案】A
【解析】解:A、回收利用废旧金属,不仅可以节约金属资源,还可以减少对环境的污染,正确;
B、金属资源中,金、银、铂能以单质形式存在,错误;
C、煤是复杂的混合物,主要含有碳元素,错误;
D、人们正在利用和开发其他能源有太阳能、核能、风能、水能、地热能和潮汐能,氢能还没有广泛的应用,错误;
故选A.
根据金属的性质以及能源的知识进行分析解答即可.
本题考查的是金属以及能源的知识,完成此题,可以依据已有的知识进行.
11.【答案】A
【解析】解:A、盐酸和碳酸钠反应生成的二氧化碳逸出装置,导致天平失去平衡,不能用来验证质量守恒定律,该选项不能达到实验目的;
B、实验过程中,铁丝剧烈燃烧,火星四射,放热,生成黑色固体,该选项能够达到实验目的;
C、铜片上的白磷燃烧,热水中的白磷不能燃烧,说明燃烧需要氧气参加,该选项能够达到实验目的;
D、能使石蕊试液变红色的是盐酸,能使石蕊试液变蓝色的是氢氧化钠溶液,不能使石蕊试液变色的是氯化钠溶液,该选项能够达到实验目的。
故选:A。
盐酸和碳酸钠反应生成氯化钠、水和二氧化碳;
铁在氧气中燃烧生成四氧化三铁;
燃烧条件:可燃物与氧气接触,温度达到可燃物着火点;
显酸性溶液能使石蕊试液变红色,显碱性溶液能使石蕊试液变蓝色,显中性溶液不能使石蕊试液变色。
本题主要考查物质的性质,解答时要根据各种物质的性质,结合各方面条件进行分析、判断,从而得出正确的结论。
12.【答案】D
【解析】解:A、测定溶液的酸碱度必须用pH试纸,故A正确;
B、配制溶质质量分数一定的溶液步骤为:计算,称量、量取,溶解。故B正确;
C、根据燃烧的条件要使热水中的白磷燃烧必须通入氧气,故C正确;
D、因为硝酸钾的溶解度是随着温度的升高而增大,所以使饱和的硝酸钾溶液变为不饱和溶液应升高温度,故D错误;
故选:D。
A、根据酸碱度的测定方法判断;
B、根据配制溶质质量分数一定的溶液步骤判断;
C、根据燃烧的条件判断;
D、根据硝酸钾的溶解度是随着温度的升高而增大判断;
本题考查了溶液酸碱度的测定方法,配制溶液的方法,燃烧条件的判断以及饱和溶液转变不饱和溶液的方法,解答此类题目贵在平时对实验的认真操作.
13.【答案】B
【解析】解:A、蜡烛燃烧属于放热反应,碳还原二氧化碳属于吸热反应,故选项说法正确。
B、甲烷燃烧,是与氧气反应生成二氧化碳和水,该反应的生成物是两种,不符合“多变一”的形式,不符合化合反应的特征,不属于化合反应,故选项说法错误。
C、可燃性气体与空气混合后点燃可能发生爆炸,H2、CO、CH4均具有可燃性,点燃前都需验纯,故选项说法正确。
D、MnO2可以加快分解过氧化氢,化学反应的速度受到反应条件的影响,故选项说法正确。
故选:B。
A、根据化学反应时的能量变化,进行分析判断。
B、甲烷燃烧,是与氧气反应生成二氧化碳和水,进行分析判断。
C、根据可燃性气体与空气混合后点燃可能发生爆炸,进行分析判断。
D、根据二氧化锰作催化剂,进行分析判断。
本题难度不大,掌握化学反应时的能量变化、可燃性气体与空气混合后点燃可能发生爆炸等是正确解答本题的关键。
14.【答案】D
【解析】 A、目前空气污染指数包括:一氧化碳、二氧化氮、二氧化硫、可吸入颗粒物、臭氧,其中造成空气污染的有害气体主要是二氧化氮、二氧化硫和一氧化碳,正确, B、灭火的原理:(1)消除(隔离)可燃物(2)隔绝氧气(或空气)(3)降温到着火点以下。由于森林大火的特点:火势大、面积大、范围广,所以难以做到隔绝氧气(或空气)或降温到着火点以下,所以最佳繁荣方法就是:可在其顺风方向开辟出隔离带,起到隔离可燃物作用,达到尽快灭火目的,正确,C、绿色植物在光照下吸收二氧化碳释放出氧气,正确,D、电器短路起火时,一定要先切断电源,以免发生触电等其它情况,再来采取灭火方法,如:用干粉灭火器来扑灭。故选D
15.【答案】B
【解析】解:①由C、O两种元素组成的物质不一定是氧化物,也可能是混合物,故一氧化碳与二氧化碳的混合物,故说法错误。
②喝了汽水以后常常会打嗝,是由于胃内的温度高二氧化碳的溶解度变小而导致的,即气体的溶解度随温度的升高而减小,故说法错误。
③合金的熔点比组成它的纯金属低,故说法正确。
④蒸发时,待蒸发皿中出现较多量的固体时,应停止加热,利用余热将剩余液体蒸干,故说法错误。
⑤在煤炉中燃料多,燃料燃烧时放出的热量多,扇风不会使煤炉的温度降低到着火点以下,而扇风时又使空气流通,补充了氧气,所以会越扇越旺,故说法正确。
⑥金刚石和石墨的物理性质有很大差异,是因为碳原子的排列方式不同,故说法错误。
故正确的个数有2个,
故选:B。
①氧化物是只含有两种元素且其中一种元素是氧元素的化合物。
②利用气体的溶解度随温度的升高而减小,随着压强的增大而增大,进行分析判断。
③根据合金的性质,进行分析判断。
④根据蒸发操作的注意事项,进行分析判断。
⑤根据燃烧的条件,进行分析判断。
⑥根据金刚石和石墨的物理性质有很大差异的原因,进行分析判断。
本题难度不大,掌握蒸发操作的注意事项、氧化物的特征、气体溶解度的影响因素、合金的性质等是正确解答本题的关键。
16.【答案】B
【解析】解:A、汽油能够溶解油污,洗涤剂对油污具有乳化作用,用汽油和洗涤剂分别除去衣服上的油污,两者去污原理不同,该选项说法正确;
B、家用电器着火不应立即用水灭火,以防触电,应先切断电源,故选项说法错误;
C、水垢主要成分是碳酸钙和氢氧化镁,食醋中的醋酸能和碳酸钙反应生成醋酸钙、水和二氧化碳,能和氢氧化镁反应生成醋酸镁和水,因此可以用食醋可以洗去热水壶内的水垢,该选项说法正确;
D、不小心被蚊虫叮咬,蚊虫能分泌出蚁酸使人皮肤肿痛,为了减轻人的痒痛,可以涂抹显碱性的物质.肥皂水显碱性,该选项说法正确.
故选:B.
A、汽油能够溶解油污,洗涤剂对油污具有乳化作用;
B、根据灭火的原理进行分析;
C、水垢主要成分是碳酸钙和氢氧化镁,食醋中的醋酸能和碳酸钙反应生成醋酸钙、水和二氧化碳,能和氢氧化镁反应生成醋酸镁和水;
D、不小心被蚊虫叮咬,蚊虫能分泌出蚁酸使人皮肤肿痛,为了减轻人的痒痛,可以涂抹显碱性的物质.
本题主要考查物质的性质,解答时要根据各种物质的性质,结合各方面条件进行分析、判断,从而得出正确的结论.
17.【答案】A
【解析】解:
A、油库、面粉加工厂、纺织厂等场所有可燃性气体,所以要严禁烟火,故正确.
B、明矾[KAl(SO4)2•12H2O]溶于水会形成胶体,因此可用于自来水的净化,但是不会具有消毒作用,故错误;
C、化学反应是人类获取能量的方式之一,电能核能等也是人类获取能量的方式,故错误;
D、电木属于热固性塑料,不能进行热修补,故错误;
答案:A
A、根据油库、面粉加工厂、纺织厂等场所有可燃性气体分析;
B、根据明矾中的铝离子水解,生成的氢氧化铝胶体具有净水作用,是物理吸附净水解答;
C、根据化学反应是人类获取能量的方式之一解答;
D、根据电木属于热固性塑料,不能进行热修补解答.
化学来源于生产生活,也要服务于生产生活,与人类生产生活相关的化学知识是中考热点,要多加训练.
18.【答案】C
【解析】解:、
A、利用水来灭火的原理是降低可燃物的温度至着火点以下,不能改变着火点,故错误。
B、催化剂是在化学反应里能改变其他物质的化学反应速率,这里的改变包括加快和减慢两种情况,故错误;
C、在空气中加热铜丝,固体表面由红变黑,故正确;
D、pH小于5.6的雨水为酸雨,故错误;
故选:C。
A、根据灭火的原理分析;
B、根据催化剂的定义和特点考虑本题;
C、根据铜丝加热时的现象进行分析解答;
D、根据pH小于5.6的雨水为酸雨解答。
解答该题关键要理解催化剂概念中的“一变、二不变”的涵义。一变是反应速度变,二不变是本身质量和化学性质。
19.【答案】B
【解析】化学变化是指有新物质生成的变化,物理变化是指没有新物质生成的变化.
20.【答案】A
【解析】解:A.广泛使用太阳能可有效减少CO2排放;煤燃烧产生的二氧化硫易形成酸雨,完全正确;
B.缺碘会引起甲状腺肿大,不正确;
C.煤气泄露遇到明火、电火花易发生爆炸,所以不能开灯,不正确;
D.制取气体:先检查装置的气密性,再加药品,不正确。
故选:A。
A.根据新能源利用以及造成酸雨的主要物质来分析;
B.根据化学物质与人体健康的关系来分析;
C.根据二氧化碳不燃烧、不支持燃烧,不能供给呼吸;煤气具有可燃性来分析;
D.根据制备气体的步骤、点燃可燃性气体的方法来分析。
化学来源于生产生活,也必须服务于生产生活,所以与人类生产生活相关的化学知识也是重要的中考热点之一。
21.【答案】(1)酒精灯; 集气瓶
(2)A; 2KMnO4 K2MnO4+MnO2+O2↑;D ;防止高锰酸钾进入导管;温度未达到着火点
(3)B; CaCO3+2HCl=CaCl2+H2O+CO2↑;用分液漏斗(注射器)代替长颈漏斗; 二氧化碳溶于水且与水反应
(4)b ;
(5) 澄清石灰水; a; CO2+Ca(OH)2=CaCO3↓+H2O
【解析】(1)加热用酒精灯,收集气体用集气瓶,故答案为:酒精灯;集气瓶。
(2)气体发生装置分两种:固固加热型(A)和固液不加热型(B)。高锰酸钾制氧气,高锰酸钾为固体,且反应需加热,所以发生装置选A;高锰酸钾在加热条件下发生分解反应,生成锰酸钾、二氧化锰和氧气。化学方程式为:2KMnO4 K2MnO4+MnO2+O2↑;氧气难溶于水,收集较为纯净的氧气最好用排水法,故选用D装置;管口放棉花主要是为防止高锰酸钾粉末进入导管,如果大量进入导管,要么把导管堵塞引起装置爆炸,要么高锰酸钾粉末再随气流进入水中(如果用排水法收集),使水槽中的水变红色。根据物质燃烧的条件:可燃物、氧气、温度达到着火点,三个条件同时满足。棉花本身是可燃物,该反应会产生大量氧气,唯一不满足的条件只能是“温度未达到着火点”。
(3)实验室制取二氧化碳是用大理石与稀盐酸在常温下反应来制备的,根据第(2)题发生装置选择依据的分析,可知实验室制取二氧化碳应选回液不加热型(B);反应的化学方程式为:CaCO 3+2HCl=CaCl2+H2O+CO 2↑ ;由于稀盐酸与大理石一接触便发生反应,要想控制反应速
率,只能控制稀盐酸加入的速度,使稀盐酸慢慢加入,为达到这一目的,应把长颈漏斗改换成分液漏斗或注射器。分液漏斗下端有活塞,可以开大开小,以便控制加入液体的速度。收集装置的选择要根据气体的密度及水溶性,二氧化碳溶于水且与水反应,所以一般不用排水法,即不用D装置收集。
(4)用F装置配合量筒测量产生气体的体积,基本做法是将气体通入盛满水的F装置中,F中的水就会被排出进入量筒,一般地说,进入多少体积的气体,就会排出多少体积的水,我们只需读出量筒中水的体积,就能知道产生气体的体积是多少了。为方便水进入量筒,气体应从b进入F中。
(5)检验二氧化碳的方法是将气体通入澄清石灰水中,如果石灰水变浑浊,则说明是二氧化碳气体。根据这一检验方法,F装置中应放澄清石灰水,气体应该从a端通入石灰水中。反应的化学方程式为:CO2+Ca(OH)2=CaCO3↓+H2O 。
故答案为:
(1)酒精灯; 集气瓶
(2)A; 2KMnO4 K2MnO4+MnO2+O2↑;D ;防止高锰酸钾进入导管;温度未达到着火点
(3)B; CaCO3+2HCl=CaCl2+H2O+CO2↑;用分液漏斗(注射器)代替长颈漏斗; 二氧化碳溶于水且与水反应
(4)b ;
(5) 澄清石灰水; a; CO2+Ca(OH)2=CaCO3↓+H2O
22.【答案】CH4 元素 氧气 水分 隔绝氧气 < 猪肉 B
【解析】解:(1)天然气与沼气的主要成分是甲烷,甲烷的化学式是CH4;
(2)市场上出售的“加碘食盐”、“高钙奶粉”等食品,这里的“碘”、“钙”是指元素;
(3)铁锅所以会生锈是因为铁氧气、水分充分接触;铁锅里的油突然着火了,立即盖上锅盖灭火,是利用了隔绝氧气的灭火原理.
(4)人的胃液里含有适量盐酸,可以帮助消化,胃液的pH<7;
(5)蒜叶中富含维生素;猪肉中富含蛋白质;糯米中富含淀粉,淀粉属于糖类,苏打中含无机盐.
(6)A、不锈钢水龙头是用不锈钢制成的,属于金属材料,故选项错误.
B、尼龙袜子是合成纤维,属于三大合成材料之一,故选项正确.
C、木制椅子是用木材制成的,属于天然材料,故选项错误.
D、纯棉毛巾是用棉线制成的,属于天然材料,故选项错误.
答案:(1)CH4;(2)元素;(3)氧气;水分;(4)<;(5)猪肉;(6)B.
(1)根据天然气与沼气的主要成分是甲烷解答;
(2)根据物质是由元素组成的解答;
(3)根据铁在空气中锈蚀,实际上是铁跟空气中的氧气和水共同作用的结果.根据灭火原理:①清除或隔离可燃物,②隔绝氧气或空气,③使温度降到可燃物的着火点以下,据此结合灭火方法进行分析解答.
(4)根据酸性溶液pH<7解答;
(5)根据六大营养素的种类、食物来源进行分析解答即可;
(6)根据有机合成材料简称合成材料,要判断是否属于合成材料,可抓住三个特征:有机物、合成、高分子化合物,据此常见材料的分类进行分析判断.
本题难度不大,但涉及的知识点较多,掌握六大营养素的种类、食物来源、酸的化学性质灭火的原理、铁锈蚀的条件等是解答本题的关键.
23.【答案】O2 隔绝氧气 H2+1O Fe+CuSO4=Cu+FeSO4
【解析】解:(1)空气中能供给呼吸的气体是氧气,化学式是:O2;
(2)熄灭酒精灯用灯帽盖灭,其灭火原理是隔绝氧气。
(3)水中氢元素的化合价为+1价,符号为:H2+1O。
(4)铁制容器不能盛放硫酸铜溶液的原因是铁的活动性大于铜,能将其溶液中置换出来,反应的化学方程式是:Fe+CuSO4=Cu+FeSO4)。
故答为:(1)O2;(2)隔绝氧气; (3)H2+1O;(4)Fe+CuSO4=Cu+FeSO4。
(1)根据空气成分的性质和用途分析回答;
(2)根据灭火的原理分析回答;
(3)根据化合价表示方法书写;
(4)根据铁与硫酸铜的反应写出反应的化学方程式。
本题考查的知识属于课本中的基础知识,难度不大,加强基础知识的学习和积累,有利于解答本题。
24.【答案】② ⑥ ④ ① ⑤
【解析】解:(1)浓硫酸具有吸水性,可用于干燥二氧化碳;故填:②;
(2)熟石灰是一种碱,可用于改良酸性土壤;故填:⑥;
(3)氮气的化学性质比较稳定,可用于作食品保护气;故填:④;
(4)铁锈的主要成分是氧化铁,能与盐酸反应,所以可用盐酸除铁锈;故填:①;
(5)乙醇汽油均有可燃性,是常用的汽车燃料;故填:⑤。
物质的性质决定物质的用途,根据已有的物质的性质进行分析解答即可。
本题考查了常见物质的用途,完成此题,可以依据物质的性质进行。
25.【答案】
【小题1】
(1) F ;A ; E ; FeCl2 ;
(2) H2; CaO ; CO2
【小题2】
(1) AD ;
(2) 2H2O2H2 ↑ +O2↑ ; O2 ; 2H2O22H2O+O2↑;
(3) 吸附;Ca(HCO3)2 CaCO3↓+CO2↑+H2O;↓
(4) 隔绝氧气(空气); 白磷燃烧放热使得红磷温度达到着火点
【小题3】
(1) 酒精灯;集气瓶
(2) A ; 2KMnO4K2MnO4+MnO2+O2↑; D; 防止固体粉末进入并堵塞导管,导致爆炸; 温度没有达到棉花的着火点;
(3) B ; CaCO3+2HCl=CaCl2+H2O+CO2↑ ;将长颈漏斗换成分液漏斗(或注射器等);二氧化碳能溶于水;
(4) b ;
(5)澄清石灰水 ; a
【小题4】
(1)②有黑色不溶物,无气泡,溶液变为浅绿色;③C、Fe
(2)无; 蓝色 ; Cu ; C
【小题5】
解:(1)生成氢气的质量为: 10g+ 14g -23.9g= 0.1g ;
(2)设Zn的质量为x
Zn+H2SO4=ZnSO4+H2↑
65 2
x 0.1g
x=3.25g
则合金中铜的质量为: 10g -3.25g= 6.75g
样品中铜的质量分数为:
答:(1)反应生成氢气的质量为0.1g;
(2)样品中铜的质量分数为67.5%。
【解析】本题考查化学用语相关知识,掌握化学符号周围数字的含义和常见物质的用途及化学式是关键。
(1)化学式前面的数字表示分子的个数;铁离子带3个单位的正电荷;稀有气体在通电的情况下发出不同颜色的光,氖气在通电的情况下发出红光;B离子是氯离子,B是亚铁离子,根据化合物中元素的化合价代数和为零,书写氯化亚铁的化学式。故答案为: F ;A ; E ; FeCl2 ;
(2) 相对分子质量最小的气体是氢气;用作食品干燥剂的物质是氧化钙,因为氧化钙能与水反应;二氧化碳固体也叫干冰,升华吸热,使周围环境的温度较低,可用于人工降雨。故答案为:H2; CaO ; CO2。
本题考查水的净化及防治水体污染、水的电解实验及燃烧条件。
(1)A、工业废水直接排放,会造成水体污染,错误;B、生活污水集中处理后排放,这样处理是防止水体污染,正确; C、禁止使用含磷洗衣粉,这样可以防治水体污染,正确; D.大量使用化肥、农药,会造成水体污染,错误。故选AD 。
(2) 水在通电的条件下生成氢气和氧气,与电源正极相连的试管中产生氧气;实验室用过氧化氢溶液在二氧化锰作催化剂的条件下生成氧气和水,反应物是液体,不需要加热,其发生装置为C。故答案为:2H2O2H2 ↑ +O2↑ ; O2 ; 2H2O22H2O+O2↑;
(3)因为活性炭具有比较强的吸附性,常用于净化水;根据碳酸氢钙在加热的条件下生成碳酸钙、水和二氧化碳,来书写化学方程式。故答案为:吸附;Ca(HCO3)2CaCO3↓+CO2↑+H2O;
(4)在探究燃烧条件的实验中,热水的作用是提供热量和隔绝空气;铜片上的白磷燃烧产生热量达到了红磷的着火点,将引起红磷燃烧。故答案为: 隔绝氧气(空气); 白磷燃烧放热使得红磷温度达到着火点 。
本题属于综合实验题,掌握实验室制取氧气和二氧化碳的装置、反应原理、注意事项是关键。
(1)根据常见的实验仪器名称回答,故答案为: 酒精灯;集气瓶 ;
(2)实验室用高锰酸钾在加热的条件下生成锰酸钾、二氧化锰和氧气,反应物的状态为固体,需要加热,选用固体加热型的装置,因为氧气的密度比空气大,可用向上排空气法收集,又因为氧气不易溶于水,可用排水法收集,用排水法收集氧气更纯;实验时在试管口要放一团棉花,防止高锰酸钾进入导管;根据燃烧的条件可知,棉花没有燃烧是因为温度没有达到棉花的着火点。故答案为:A ; 2KMnO4K2MnO4+MnO2+O2↑; D; 防止固体粉末进入并堵塞导管,导致爆炸; 温度没有达到棉花的着火点;
(3)实验室用大理石和稀盐酸反应制取二氧化碳,生成氯化钙、水和二氧化碳,其反应物为固体和液体,不需要加热,发生装置是固液常温型,用分液漏斗或注射器可控制液体滴加速度,从而控制反应的速度;因为二氧化碳能溶于水,故不能用排水法收集。故答案为: B ; CaCO3+2HCl=CaCl2+H2O+CO2↑ ;将长颈漏斗换成分液漏斗(或注射器等);二氧化碳能溶于水;
(4)用F装置测定不溶于水且不与水反应的气体体积,气体进入后产生压力将水从下面a导管赶出,则气体应 b 进入,故答案为b ;
(5)用澄清的石灰水来检验二氧化碳,在检验气体时,气体应该“长进短出”,故答案为:澄清石灰水 ; a
本题探究物质的成分,掌握酸的化学性质及亚铁盐和铜盐溶液的颜色试管。
(1)②若黑色固体是碳和氧化铜的混合物,因为碳不与酸反应,氧化铜与硫酸反应生成蓝色的硫酸铜溶液和水;③烧杯中可能出现:黑色不溶物,有气泡逸出,溶液呈浅绿色,则说明黑色固体中有不与酸反应的碳,铁与稀硫酸反应生成浅绿色的硫酸亚铁和氢气,所以该黑色固体成分为碳和铁。故答案为:②有黑色不溶物,无气泡,溶液变为浅绿色;③C、Fe;
(2)因为该粉末为C、CuO的混合物,将此粉末敞口在空气中充分灼烧,碳全部与氧气反应生成二氧化碳气体,取剩余固体氧化铜于烧杯中,再加入过量稀硫酸,氧化铜全部与稀硫酸反应生成蓝色的硫酸铜和水,反应完全后,静置。烧杯中没有固体,且溶液为蓝色;若将C、CuO混合物粉末隔绝空气加热,碳与氧化铜在高温的条件下生成金属铜和二氧化碳气体,金属铜排在氢的后面,不与稀硫酸反应,所以烧杯的剩余物一定含有铜,在上述反应中碳可能有剩余,故答案为:可能含有碳。故答案为: 无 ;蓝色; Cu ; C 。
本题考查化学方程式的计算,掌握质量守恒定律是关键
(1)根据质量守恒定律可知反应前后物质的减少质量即为产生氢气的质量,则生成氢气的质量为: 10g+ 14g -23.9g= 0.1g
(2)已知氢气的质量,根据化学方程式进行计算合金中金属锌的质量,因为铜排在氢的后面,不能与酸反应。
26.【答案】B C SiO2+2C−高温Si+2CO +4、0 化学 电 二氧化硫
【解析】解:(1)采用铝合金和碳纤维复合材料,主要利用它们的密度小,强度好的性能,故填:B;
(2)在玻璃表面镀上金属银层的玻璃产品属于复合材料,故填:C;
(3)在工业上利用二氧化硅和碳在高温条件下反应生成硅,同时生成一种可燃性气体是一氧化碳,反应的化学方程式为SiO2+2C−高温Si+2CO,反应前后二氧化硅中硅元素的化合价为+4,反应后生成的是硅单质,其化合价为0价,故填:SiO2+2C−高温Si+2CO;+4、0。
(4)机利用燃气发电是将化学能转化电能,与使用煤做燃料相比可以减少一氧化碳、二氧化氮、二氧化硫、末燃烧的碳氢化合物和浮尘等污染物的排放,故填:化学;电;二氧化硫。
根据物质的类别、化学方程式的书写以及能量的转化进行分析解答即可。
本题考查的是化学与生活的知识,完成此题,可以依据已有的知识进行。
27.【答案】剧烈燃烧、火星四射、生成黑色固体 可燃物必须与氧气接触(或温度达到着火点) 红磷量不足 密度比空气大 不能燃烧(或不能支持燃烧) 搅拌,使热量散失 增强水的导电性 氧气
【解析】解:(1)铁丝在氧气中能够剧烈燃烧、火星四射、生成黑色固体;故填:剧烈燃烧、火星四射、生成黑色固体;
(2)B实验中铜片上的白磷燃烧而红磷不燃烧,二者均与氧气接触,温度达到了白磷的着火点,但是没有达到红磷的着火点,所以白磷燃烧但是红磷没有燃烧,由此可知,可燃物燃烧的条件之一是温度达到可燃物的着火点;铜片上的白磷燃烧,热水中的白磷没有燃烧,由此可知,可燃物燃烧的条件之一是与氧气接触;故填:可燃物必须与氧气接触(或温度达到着火点);
(3)在测定空气中氧气含量的试验中,导致实验结果偏小的原因较多。例如:如果红磷的量不足,不能全部消耗氧气,导致实验结果偏小;如果装置漏气,使进入装置中的水偏少,会使实验结果偏小等;故填:红磷量不足(其他合理答案亦可);
(4)蜡烛能够熄灭说明了二氧化碳既不能燃烧也不支持燃烧,低处蜡烛先灭,高处蜡烛后熄灭,说明二氧化碳先聚集在低处,说明了二氧化碳的密度比空气的密度大;故填:密度比空气大;不能燃烧(或不能支持燃烧);
(5)稀释浓硫酸时,沿烧杯内壁将硫酸缓缓加入水中,边加边用玻璃棒搅拌,使产生的热量迅速的散失;故填:搅拌,使热量散失;
(6)纯水的导电性较弱,为了增强水的导电性,可在水中加入硫酸钠,X管内的气体较少,是氧气;故填:增强水的导电性;氧气。
(1)根据铁丝在氧气中燃烧的现象来分析;
(2)根据可燃物的燃烧条件来分析;
(3)根据测定空气中氧气含量的注意事项来分析;
(4)根据实验现象来分析;
(5)根据稀释浓硫酸的操作来分析;
(6)根据电解水的现象与原理来分析。
解答本题关键是要知道分析对比实验时,要找出实验过程的不同之处,再分析实验现象的不同原因,通过对比分析出实验结论。
28.【答案】C 2NaOH+CO2=Na2CO3+H2O 变质生成的碳酸钠溶液显碱性,也能使酚酞试液变红色 氯化钙 产生白色沉淀 B
【解析】解:(1)A.固体酒精的各种分子间有间隔,该选项说法不正确;
B.固体酒精不是酒精的固体物质,该选项说法不正确;
C.固体酒精中各种成分仍保持各自的性质,该选项说法正确;
D、.固体酒精不是一种新型化合物,该选项说法不正确。
故填:C。
(2)氢氧化钠易吸收空气中的二氧化碳而变质生成碳酸钠和水,其反应的化学方程式为:2NaOH+CO2=Na2CO3+H2O。
故填:2NaOH+CO2=Na2CO3+H2O。
(3)小芳的同学认为上述实验有严重的问题,理由是变质生成的碳酸钠溶液显碱性,也能使酚酞试液变红色;
大家经过讨论。一致认为应该往上层清液中滴加氯化钙溶液,可观察到的现象是产生白色沉淀,说明固体酒精中的氢氧化钠已经变质。
故填:变质生成的碳酸钠溶液显碱性,也能使酚酞试液变红色;氯化钙;产生白色沉淀。
(4)要想熄灭火锅里的工业酒精,可用盖子盖上,其主要原理是隔绝空气。
故填:B。
混合物中各种成分保持各自的性质;
氢氧化钠和二氧化碳反应生成碳酸钠和水,碳酸钠和氯化钙反应生成白色沉淀碳酸钙和氯化钠,氢氧化钠溶液和碳酸钠溶液都是显碱性溶液,都能使酚酞试液变红色;
可燃物燃烧条件:与氧气接触,温度达到可燃物着火点,破坏燃烧条件可以灭火。
本题主要考查物质的性质,解答时要根据各种物质的性质,结合各方面条件进行分析、判断,从而得出正确的结论。
29.【答案】(1)B
(2)Ca(OH)2+CO2=CaCO3↓+H2O
(3)可燃物
(4)紫色小花变为红色
【解析】(1)图A所示实验可观察到“铁树”上浸有无色酚酞试液的棉团由白色变为红色,该实验中棉团由白色变为红色,是因为浓氨水具有挥发性,氨分子是不断运动,接触到棉花上的酚酞试液的缘故,没有涉及的性质是氨分子有一定质量,故选B。
(2)图B所示实验,将注射器中浓石灰水注入瓶中,会看到鸡蛋被“吞”入瓶中,该实验中涉及的化学方程式为:Ca(OH)2+CO2=CaCO3↓+H2O。
(3)图C所示实验,当通过导管向热水中通入氧气时,白磷在水下燃烧,该实验说明燃烧需要的条件为:①可燃物;②达到燃烧所需要的着火点;③与氧气或空气接触,故答案为:可燃物;
(4)图D所示实验二氧化碳与水反应生成碳酸,碳酸使紫色石蕊变红,故答案为:紫色小花变为红色。
2024年直击中考专题(7)(附答案):第七单元:燃烧及其利用: 这是一份2024年直击中考专题(7)(附答案):第七单元:燃烧及其利用,共22页。
初中化学人教版九年级上册第七单元 燃料及其利用实验活动 3 燃烧的条件达标测试: 这是一份初中化学人教版九年级上册第七单元 燃料及其利用实验活动 3 燃烧的条件达标测试,共6页。试卷主要包含了单选题,填空题,解答题,综合题等内容,欢迎下载使用。
人教版九年级上册课题 1 燃烧和灭火练习题: 这是一份人教版九年级上册课题 1 燃烧和灭火练习题,共5页。试卷主要包含了单选题,填空题,解答题,综合题等内容,欢迎下载使用。