


化学第七单元 燃料及其利用综合与测试习题
展开实验活动3 燃烧的条件 同步练习
一、单选题
1. 化石燃料是不可再生能源,开发和利用新能源迫在眉睫。下列不属于新能源的是( )
A、太阳能 B、潮汐能 C、风能 D、石油
2下列气体与空气混合后遇明火,可能发生爆炸的是( )
A、甲烷 B、二氧化碳 C、氧气 D、氮气
3、保护环境是公民的责任和义务。下列做法错误的是( )
A、推广使用无磷洗衣粉 B、合理使用农家肥和化肥
C、推广使用一次性木质筷子 D、禁止焚烧秸杆
4.“魔棒点灯”趣味实验的操作为:取少量高锰酸钾晶体放在表面皿上,在高锰酸钾上滴加2-3滴浓硫酸,用玻璃棒蘸取后去接触酒精灯的灯芯,酒精灯立刻被点燃了。你认为酒精灯能被点燃的主要原因是()
A. “魔棒”具有神奇的功力使酒精灯点燃
B. 高锰酸钾与浓硫酸的混合物能降低酒精的着火点,使酒精自发燃烧
C. 它们之间发生化学反应,放出大量的热,使温度达到酒精的着火点
D. 它们之间发生化学反应,产生大量氧气,酒精在氧气浓度大的环境中能自发燃烧
5.根据如图所示的实验现象,下列判断不正确的是()
A. ①②说明物质燃烧需要氧气
B. 烧杯中的热水只起提高温度的作用
C. ①③说明两种可燃物的着火点不同
D. ①说明白磷的着火点不高于80℃
6.燃着的火柴梗竖直向上,不如火柴梗水平放置或略向下放置燃烧的旺,其原因是( )
A. 火柴梗着火点低
B. 空气中氧气不足
C. 火柴梗跟氧气接触面积小
D. 火柴梗温度不易达到着火点
7.下列实验方案或措施不合理的是( )
A. 用稀盐酸清除铁制品表面的铁锈
B. 用氯化钡溶液鉴别稀盐酸和稀硫酸
C. 用CO2鉴别NaOH和Ca(OH)2溶液
D. 用无色酚酞试液检验NaOH溶液是否变质
8.下列实验目的能达到的是( )
A. 用燃着的木条鉴别N2和CO2
B. 用氯化钡溶液证明溶液中含有SO42-
C. 用水鉴别NaCl和NH4NO3
D. 用铁除去ZnCl2溶液中的少量CuCl2
9.下列实验操作中,正确的是( )
A. 滴加液体 B. 过虑
C. 稀释浓硫酸 D. 称量固体
10.解释“火上浇油”的说法合理的是( )
A. 增加易燃物,使燃烧更旺
B. 增大氧气浓度,使燃烧更旺
C. 提高可燃物的着火点,使燃烧更旺
D. 提高物质的接触面积,使燃烧更旺
二、填空题
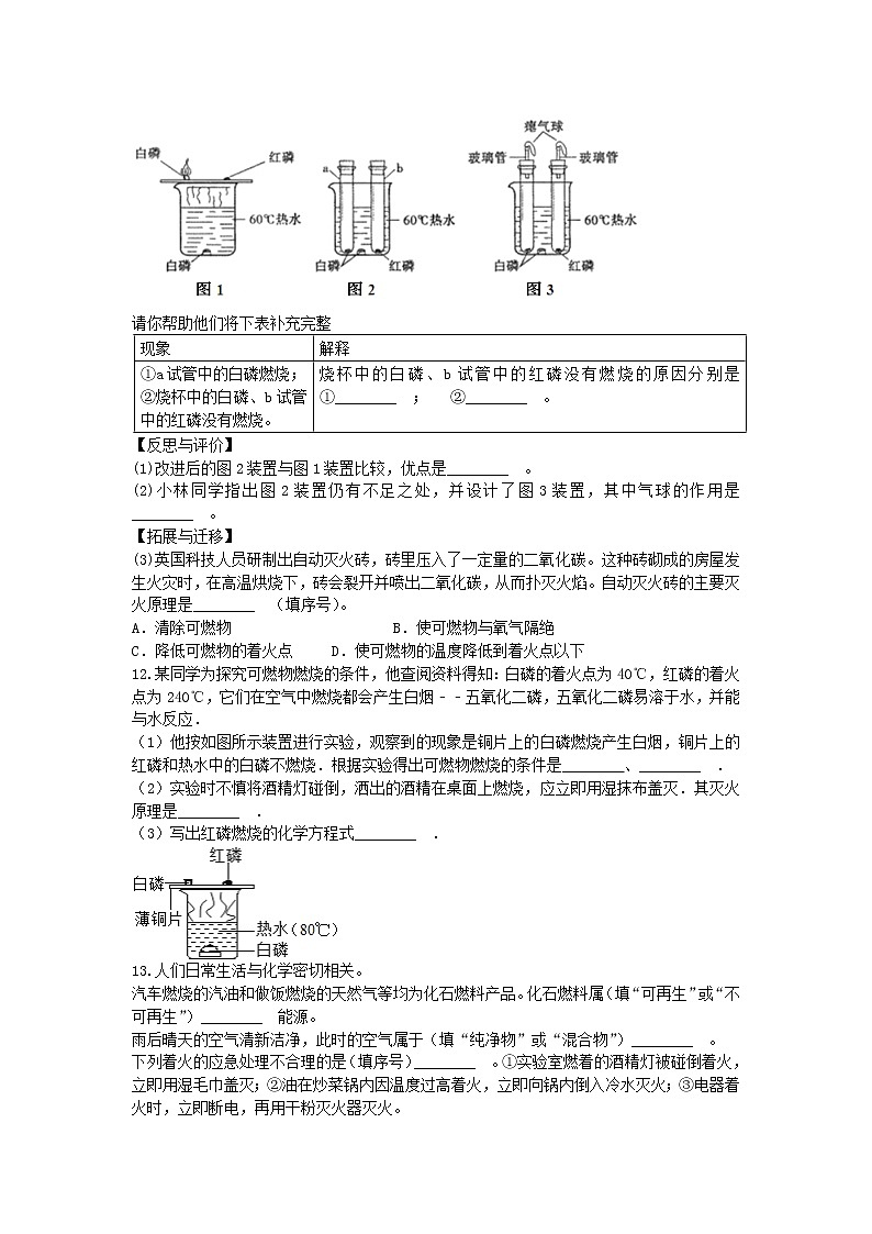
11. 某兴趣小组活动中,同学们按图1装置对“可燃物燃烧的条件”进行探究。探究过程中,大家对磷燃烧生成的大量白烟是否危害人体健康提出疑问。
【查阅资料】白磷的着火点是40℃,红磷的着火点是240℃,燃烧产物五氧化二磷是白色固体,会刺激人体呼吸道,五氧化二磷可能与空气中水蒸气反应,生成有毒的偏磷酸(HPO3),该反应的化学方程式为________ 。
【变流与讨论】白烟对人体健康有害,该实验装置必须改进。
【改进与实验】同学们按改进后的图2装置进行实验。
请你帮助他们将下表补充完整
【反思与评价】
(1)改进后的图2装置与图1装置比较,优点是________ 。
(2)小林同学指出图2装置仍有不足之处,并设计了图3装置,其中气球的作用是________ 。
【拓展与迁移】
(3)英国科技人员研制出自动灭火砖,砖里压入了一定量的二氧化碳。这种砖砌成的房屋发生火灾时,在高温烘烧下,砖会裂开并喷出二氧化碳,从而扑灭火焰。自动灭火砖的主要灭火原理是________ (填序号)。
A.清除可燃物 B.使可燃物与氧气隔绝
C.降低可燃物的着火点 D.使可燃物的温度降低到着火点以下
12.某同学为探究可燃物燃烧的条件,他查阅资料得知:白磷的着火点为40℃,红磷的着火点为240℃,它们在空气中燃烧都会产生白烟﹣﹣五氧化二磷,五氧化二磷易溶于水,并能与水反应.
(1)他按如图所示装置进行实验,观察到的现象是铜片上的白磷燃烧产生白烟,铜片上的红磷和热水中的白磷不燃烧.根据实验得出可燃物燃烧的条件是________、________ .
(2)实验时不慎将酒精灯碰倒,洒出的酒精在桌面上燃烧,应立即用湿抹布盖灭.其灭火原理是________ .
(3)写出红磷燃烧的化学方程式________ .
13.人们日常生活与化学密切相关。
汽车燃烧的汽油和做饭燃烧的天然气等均为化石燃料产品。化石燃料属(填“可再生”或“不可再生”)________ 能源。
雨后晴天的空气清新洁净,此时的空气属于(填“纯净物”或“混合物”)________ 。
下列着火的应急处理不合理的是(填序号)________ 。①实验室燃着的酒精灯被碰倒着火,立即用湿毛巾盖灭;②油在炒菜锅内因温度过高着火,立即向锅内倒入冷水灭火;③电器着火时,立即断电,再用干粉灭火器灭火。
14.元宵节是我国的传统节日,在许多地方有元宵节放孔明灯的习俗.
(1)孔明灯升空原理和________ 相同,为了使它能飞得更高,更远,更安全,灯罩应选择________ (填材料性质)的材料.
(2)近年来,一些城市明令禁止销售、燃放孔明灯,燃放孔明灯可能会有什么危害?________ (答出一条即可)
15. 火炬使用的燃料是丙烷(C3H8),火炬正常燃烧应具备的条件是________、________.
三、解答题
16.请你运用所学化学知识解答问题:
(1)小明发现燃气灶的火焰呈现黄色,锅底出现黑色.请你运动化学知识解释原因.此时需要怎样调节灶具的进风口?
(2)某些药片可以嚼碎服用的优点是什么?
四、实验探究题
17.某小组同学利用下图所示装置探究了可燃物的燃烧条件。已知:白磷的着火点40℃,棉花的着火点150℃。
步骤①:将U型管放入冷水中,打开K1 , 关闭K2 , 向U型管中充入氧气。两端棉花都不燃烧。
步骤②:打开K2 , 关闭K1 , 向U型管中充入二氧化碳,观察到澄清石灰水变浑浊后,将U型管放入80℃热水中。两端棉花都不燃烧。
步骤③:······
步骤④:打开K2 , 关闭K1 , 向U型管中充入二氧化碳。燃烧着的棉花熄灭。
(1)步骤①的实验目的是________。
(2)步骤②中澄清石灰水的作用是________。
(3)步骤③的操作及现象是________。
(4)步骤④中燃着的棉花熄灭的原因是________。
18.普通蜡烛容易熄灭,有人对此做出改进,研究出一种“吹不灭”的蜡烛.吹灭蜡烛后,蜡烛总能灭而复燃.同学们对此进行了探究.
【初步探究】为何这种蜡烛总能灭而复燃?
【查阅资料】①这种蜡烛芯里包裹一层打火石粉末.打火石是由镁、铝、铁中的一种或二种金属掺入少量稀土元素制成的合金,它的着火点为150℃.当蜡烛燃烧时,金属并不燃烧;但当蜡烛吹灭后,未冷却的金属接触到氧气就发生燃烧,从而使蜡烛复燃.
②镁、铝、铁三种金属中,只有铝能和NaOH溶液反应:2Al+2NaOH+2H2O=2NaAlO2+3H2↑
(1)【反思一】这种蜡烛燃烧时,蜡烛芯里的金属为什么不燃烧?________ ,如要熄灭这种蜡烛,可采用的方法是________ .
【深入探究】打火石中的金属主要是什么成分?
同学们进行了如下探究:(注:不考虑打火石中稀土元素对探究金属性质的影响)
表格中的实验现象依次是:________ ,________ .
(2)【反思二】甲同学提出:在实验步骤1时,可直接观察“金属产生气泡的快慢”这一现象来判断该金属.老师否定了这一方案,理由是________ .
五、综合题
19.用下图所示实验验证可燃物燃烧的条件。
已知:白磷的着火点为40℃。
(1)设计B、D的目的是________。
(2)能验证可燃物需要O2的现象是________。
(3)A~D中,可不做的实验是________(填序号)。
答案解析部分
一、单选题
1.【答案】D
【解析】【解答】石油属于化石燃料,其余三种都属于新能源。
故答案为:D
【点评】本体考查了学生对新能源的认识。
2.【答案】A
【解析】【解答】甲烷属于可燃性气体,可燃性气体与空气混合,遇到明火都有可能发生爆炸。其余三种气体都没有可燃性。
故答案为:A.
【点评】本题考查了可燃性气体使用时应注意安全。
3.【答案】C
【解析】【解答】A.使用推广使用无磷洗衣粉减少对水资源的污染。B. 合理使用农家肥和化肥,减少对水资源污染和对环境的污染。C、推广使用一次性木质筷子,要砍伐树木,因此该做法是错误的。D、禁止焚烧秸杆,减少对空气的污染。
故答案为:C。
4.【答案】C
【解析】【分析】燃烧的条件是:(1)物质具有可燃性.(2)可燃物与氧气接触.(3)温度达到可燃物的着火点.根据这三个条件,并结合题目信息进行分析.
【解答】A、玻璃棒没有神奇的功力.错误;
B、酒精灯的着火点不能降低.错误;
C、高锰酸钾和浓硫酸之间发生了化学反应,放出大量的热,使温度达到酒精的着火点.正确;
D、酒精在氧气浓度大的环境中也不能自发燃烧.错误.
故选C.
【点评】本题主要考查燃烧条件方面的知识,解答时要理解燃烧的三个条件必须同时具备,缺一不可.
5.【答案】B
【解析】
【分析】燃烧的条件是:可燃物的温度必须达到着火点,并且可燃物必须与氧气接触,二者缺一不可.烧杯中的热水起提高温度和隔绝空气的作用;白磷的着火点是40℃,而红磷的着火点是240℃,实验中能体现着火点的不同.
【解答】A、物质燃烧需要氧气,正确但不符合题意,故选项错误;
B、烧杯中的热水起提高温度和隔绝空气的作用,错误符合题意,故选项正确;
C、一个燃烧,一个不燃烧,能说明两种可燃物的着火点不同,正确但不符合题意,故选项错误;
D、能说明白磷的着火点不高于80℃,正确但不符合题意,故选项错误;
故选B.
【点评】本考点考查了燃烧的条件、实验装置中现象的观察,属于实验方法和实验评价题.这类探究实验要具体问题具体分析,从而回答题目给出的问题和由现象对实验进行评价.本考点主要出现在选择题和实验题中.
6.【答案】D
【解析】【解答】解:A、两种放置情况下的着火点相同,A不符合题意;
B、空气中的氧气充足,B不符合题意;
C、两种放置情况下,火柴梗与氧气的接触情况相同,C不符合题意;
D、火柴梗竖直向上时,不能充分吸收燃烧放出的热量,使火柴梗温度不易达到着火点,D符合题意。
故答案为:D。
【分析】物质的通途由物质的性质决定;物质燃烧的条件有三个:氧气、可燃物、温度达到物质的着火点,三者缺一不可。由此可得到的灭火原理有:隔绝氧气、降低温度至着火点以下、隔离可燃物。
7.【答案】D
【解析】【解答】用稀盐酸清除铁制品表面的铁锈,因为铁锈可以和酸反应;用氯化钡溶液鉴别稀盐酸和稀硫酸,能够产生沉淀的是硫酸;用CO2鉴别NaOH和Ca(OH)2溶液 ,能够产生沉淀的是氢氧化钙;不能用无色酚酞试液检验NaOH溶液是否变质,因为碳酸钠也能使酚酞变红。
故答案为:D.
【分析】根据酸能与金属氧化物反应分析;根据硫酸钡和氯化银都是不溶于酸的白色深沉分析;根据二氧化碳的性质分析,根据碱性溶液都能使酚酞变红分析。
8.【答案】C
【解析】【解答】用水可以鉴别NaCl和NH4NO3 ,因为氯化钠溶解时温度几乎不变,而硝酸铵溶解会吸收热量,温度明显降低,所以能够鉴别,C符合题意。
故答案为:C。【分析】本题主要利用物质的性质来进行鉴别物质。
9.【答案】D
【解析】【解答】A、滴加液体时,滴管要悬空滴加,A不符合题意;
B、过滤时不能将液体直接倒入漏斗内,B不符合题意;
C、稀释浓硫酸时,应该讲浓硫酸慢慢倒入水中,C不符合题意。
故答案为:D。【分析】天平称量物不能直接放在托盘上。一般药品称量时,在两边托盘中各放一张大小、质量相同的纸,在纸上称量。潮湿的或具有腐蚀性的药品(如氢氧化钠),放在加盖的玻璃器皿(如小烧杯、表面皿)中称量。
10.【答案】A
【解析】【解答】“火上浇油”的化学意思是向燃烧的物质中增加可燃物﹣﹣油,可以使燃烧更旺.
故选A.
【分析】增大可燃物与氧气的接触面积,或增大氧气的浓度,都能够促进燃烧;根据燃烧的条件可以判断灭火的方法.
二、填空题
11.【答案】P2O5+H2O = 2HPO3;温度未达到红磷的着火点;热水中的白磷没有与氧气(或空气)接触;能防止白磷燃烧产生的五氧化二磷逸散,危害人体健康;避免橡皮塞因试管内气体热膨胀而松动 ;B
【解析】【解答】[查阅资料]根据题意可知,五氧化二磷与水蒸气反应,生成有毒的偏磷酸(HPO3),故该反应的化学方程式为P2O5+H2O=2HPO3。
[改进与实验]根据燃烧的条件分析,燃烧必须同时满足三个条件:①要有可燃物,②可燃物要与氧气充分接触,③温度达到可燃物的着火点及以上;所以投入水中的白磷虽然温度达到着火点,但是在水中与空气隔绝,没有氧气不会燃烧;试管a中的白磷能燃烧,是因为温度达到了它的着火点,又与空气接触,满足燃烧的条件;试管b中的红磷尽管与空气接触,但是温度没有达到它的着火点,所以不会燃烧。
[反思与评价](1)改进后的图2装置与图1装置比较,燃烧反应可以在较密闭的空间内完成,所以燃烧后的产物会留在试管中,不会散发到空气里,也就是说能防止白磷燃烧产生的五氧化二磷逸散,危害人体健康;
(2)由于燃烧反应会放出大量的热,而使试管内的气体膨胀,导致压强增大,图2装置中的橡皮塞会因此而松动,甚至冲出;图3装置中气球可随气体的膨胀而变大,避免了橡皮塞因试管内气体热膨胀而松动。
[拓展与迁移](3)根据题意可知,在高温烘烧下,砖会裂开并喷出二氧化碳,由于二氧化碳化学性质稳定,不可燃,也不支持燃烧,所以起到隔绝空气的作用,使可燃物与氧气隔离,不能燃烧,从而达到灭火的目的,故选B。
【分析】解答本题的关键是,理解和熟练掌握可燃物燃烧的条件,而且要明确,只有同时满足三个条件,物质才可以燃烧;另外对于装置优越性的改进,一般要考虑到操作的简便性,气密性良好,反应易操控,环境保护等方面。
12.【答案】温度达到着火点;跟氧气接触;使酒精与空气隔绝;4P+5O22P2O5
【解析】【解答】解:(1)水中的白磷缺少氧气不燃烧,铜片上的红磷温度未达到着火点也不燃烧,从而找到燃烧的两个条件,
故答案为:温度达到着火点、跟氧气接触.
(2)洒出的少量酒精在桌上着火燃烧,应立即用湿抹布盖灭.其灭火原理是使酒精与空气隔绝.
(3)红磷在空气中燃烧都会生成五氧化二磷,红磷燃烧的化学方程式:4P+5O22P2O5 .
故答案为:(1)温度达到着火点;跟氧气接触; (2)使酒精与空气隔绝;
4P+5O22P2O5 .
【分析】(1)根据燃烧的条件:具有可燃物、温度达到该物质的着火点、与氧气接触来考虑;
(2)水中白磷不燃烧是因为缺少氧气;
(3)红磷在空气中燃烧都会生成五氧化二磷.
13.【答案】不可再生;混合物;②
【解析】【解答】(1)化石燃料是由特殊地质变化形成的,现在的条件无法达到原来的条件,根本无法形成,属于不可再生资源;(2)空气中含有多种物质,所以属于混合物;(3)实验室燃着的酒精灯被碰倒着火,立即用湿毛巾盖灭,或用沙子盖灭;油在炒菜锅内因温度过高着火,应盖上锅盖或放上菜,不能倒水;电器着火时,立即断电,灭火时不能用水灭火,可以用干粉灭火器灭火。
【分析】(1)根据化石燃料的形成条件考虑;(2)根据混合物是由多种物质组成的物质考虑(3)根据灭火的方法考虑。
14.【答案】热气球;密度小、不易燃烧;燃料燃烧热值大且时间长;孔明灯在空气中漂浮不定,极易引发火灾
【解析】【解答】(1)孔明灯升空原理和热气球相同,要使孔明灯能飞得更高、更远、更安全,灯罩的材料轻且密度小、不易燃烧;燃料燃烧热值大且时间长.
(2)孔明灯燃烧时温度可达300℃,一旦其飘落到加油站、液化气站、油库等地,就会使可燃物的温度达到着火点而引发火灾.
答案:(1)热气球;密度小、不易燃烧;燃料燃烧热值大且时间长;
(2)孔明灯在空气中漂浮不定,极易引发火灾.
【分析】(1)根据根据要求:飞得更高、更远、更安全.就要使灯罩的材料轻且不易燃烧;燃料燃烧的时间长;
(2)根据孔明灯燃烧时温度可达300℃,一旦其飘落到加油站、液化气站、油库等地,就会使可燃物的温度达到着火点而引发火灾解答.
15.【答案】足够的氧气(或空气);温度达到丙烷的着火点
【解析】【解答】火炬正常燃烧应具备的条件是:足够的氧气(或空气)、温度达到丙烷的着火点.
【分析】根据燃烧的条件进行分析.
三、解答题
16.【答案】解:(1)做饭时,有时燃气灶的火焰呈黄色,锅底出现黑色,说明氧气不足,燃气燃烧不充分,此时可将灶具的进风口调大,这样做的目的是增加进入空气(或氧气)的量,使燃气燃烧更充分.故填:增加进入空气(或氧气)的量,使燃气燃烧更充分;
(2)嚼服的好处是增大了反应物的接触面积,使反应的速度变快使药效发挥的更好.故填:药物与胃、肠的接触面积大,反应快.
【解析】【分析】(1)增大氧气的浓度或增大可燃物与氧气的接触面积,可以促进燃烧;
(2)嚼服后药品颗粒变小增大了与胃、肠的接触面积更有利于反应的进行.
四、实验探究题
17.【答案】(1)探究可燃物与氧气接触,温度未达到着火点时是否燃烧
(2)证明U型管中氧气已排尽
(3)打开K1 , 关闭K2 , 向U型管中充入氧气。右端棉花燃烧,左端棉花不燃烧
(4)充入不支持燃烧的二氧化碳,隔绝了氧气
【解析】【解答】(1)步骤①:将U型管放入冷水中,打开K1 , 关闭K2 , 向U型管中充入氧气,两端棉花都不燃烧,试验目的是:探究可燃物与氧气接触,温度未达到着火点时是否燃烧;(2) 打开K2 , 关闭K1 , 向U型管中充入二氧化碳,观察到澄清石灰水变浑浊后,证明U型管中氧气已排尽;(3)分析整个实验,步骤③的目的是探究燃烧是否与氧气有关,所以步骤③的操作及现象是:打开K1 , 关闭K2 , 向U型管中充入氧气。右端棉花燃烧,左端棉花不燃烧;(4)步骤④中燃着的棉花熄灭的原因是:向U型管中充入二氧化碳后隔绝了氧气。【分析】(1)根据物质燃烧的条件进行分析解答
(2)根据二氧化碳能使澄清石灰水变浑浊解答
(3)根据白磷在氧气存在的条件下会发生自燃解答
(4)根据碳酸钙和稀盐酸反应生成二氧化碳,二氧化碳不支持燃烧解答
18.【答案】(1)金属不与氧气(空气)接触;隔绝氧气或剪除灯芯或用湿抹布盖灭等;有大量气泡产生,固体部分溶解;溶液为无色(或溶液不呈浅绿色);有大量气泡产生,固体部分溶解
(2)未知金属只有一种,没有参照金属对比,无法判断金属的种类(或无法判断反应速率的快慢;或该金属是混合物无法判断速度)
【解析】【解答】解:【反思一】利用燃烧的条件可知灯芯金属不燃烧是因为蜡蒸气起到了隔绝空气的作用,要想使其熄灭可控制燃烧的条件完成;
【深入探究】铁与盐酸反应会生成浅绿色的氯化亚铁溶液;铝能与氢氧化钠溶液反应生成氢气,铁、镁不与氢氧化钠溶液反应;
【反思二】未知金属只有一种,没有用参照金属对比,无法判断金属的种类(或无法判断反应速率的快慢).
故答案为:
【反思一】金属不与氧气(空气)接触;隔绝氧气或剪除灯芯或用湿抹布盖灭等;
【深入探究】
溶液为无色(或溶液不呈浅绿色);有大量气泡产生,固体部分溶解;
【反思二】未知金属只有一种,没有参照金属对比,无法判断金属的种类(或无法判断反应速率的快慢;或该金属是混合物无法判断速度).
【分析】【反思一】利用燃烧的条件判断灭火的方法;
【深入探究】根据氯化亚铁溶液有颜色以及加入氢氧化钠溶液后是否有白色沉淀产生来分析;
【反思二】根据对照试验的设计方法.
五、综合题
19.【答案】(1)探究可燃物燃烧需要温度达到着火点
(2)C中白磷不燃烧,D中白磷燃烧
(3)A
【解析】【解答】(1)白磷是可燃物,B图温度为20℃,通入氧气,温度未达到着火点,白磷不燃烧;D图温度为80℃,通入氧气,温度达到着火点,白磷燃烧,故设计B、D的目的是探究可燃物燃烧需要温度达到着火点;(2)C中温度达到80℃,达到白磷的着火点,由于没有氧气,白磷不燃烧,而D中,通入氧气,白磷燃烧,说明可燃物燃烧需要氧气;(3)B、D实验可以验证可燃物燃烧需要达到着火点,C、D实验可以验证可燃物燃烧需要氧气,故不需要做A。
【分析】根据燃烧条件和灭火原理分析,燃烧需要同时满足可燃物、与氧气接触、温度达到着火点三个条件,缺一不可,在进行实验探究时要注意变量的控制。
现象
解释
①a试管中的白磷燃烧;
②烧杯中的白磷、b试管中的红磷没有燃烧。
烧杯中的白磷、b试管中的红磷没有燃烧的原因分别是①________ ; ②________ 。
实验步骤
实验现象
实验结论
1取样,加入足量的稀盐酸
有大量气泡产生,固体全部溶解,
打火石中不含铁
2另取样,加入足量的NaOH溶液
________
打火石中含有镁、铝
化学九年级上册第七单元 燃料及其利用综合与测试习题: 这是一份化学九年级上册第七单元 燃料及其利用综合与测试习题,共4页。试卷主要包含了选择题,非选择题等内容,欢迎下载使用。
初中化学人教版九年级上册第七单元 燃料及其利用综合与测试精品课时作业: 这是一份初中化学人教版九年级上册第七单元 燃料及其利用综合与测试精品课时作业,共14页。试卷主要包含了选择题,填空与简答题,实验与探究题,计算题等内容,欢迎下载使用。
初中化学课题2 燃料的合理利用与开发当堂检测题: 这是一份初中化学课题2 燃料的合理利用与开发当堂检测题,共8页。试卷主要包含了选择题,填空题等内容,欢迎下载使用。