2019高考物理二轮小题狂做专练24 电磁感应中的动力学与能量问题 (含解析)
展开
1.【青岛2019届调研】如图,间距为L、电阻不计的足够长平行光滑金属导轨水平放置,导轨左端用一阻值为R的电阻连接,导轨上横跨一根质量为m,电阻也为R的金属棒ab,金属棒与导轨接触良好。整个装置处于竖直向上、磁感应强度为B的匀强磁场中。现金属棒在水平拉力F作用下以速度v0沿导轨向右匀速运动,则下列说法正确的是( )
A.金属棒ab上电流的方向是a→b
B.电阻R两端的电压为BLv0
C.金属棒ab克服安培力做的功等于电阻R上产生的焦耳热
D.拉力F做的功等于电阻R和金属棒上产生的焦耳热
2.【红河州统一检测】如图所示,两根足够长的平行光滑金属导轨MN、PQ放在水平面上,左端向上弯曲,导轨间距为L,电阻不计,水平段导轨所处空间存在方向竖直向上的匀强磁场,磁感应强度大小为B。导体棒的质量分别为ma=m,mb=2m,电阻值分别为Ra=R,Rb=2R。b棒静止放置在水平导轨上足够远处,与导轨接触良好且与导轨垂直;a棒在弧形导轨上距水平面h高度处由静止释放,运动过程中导体棒与导轨接触良好且始终与导轨垂直,重力加速度为g,则下列说法错误的是( )
A.a棒刚进入磁场时回路中的感应电流为
B.a棒刚进入磁场时,b棒受到的安培力大小为
C.a棒和b棒最终稳定时的速度大小为
D.从a棒开始下落到最终稳定的过程中,a棒上产生的焦耳热为
3.【江西联考】(多选)一质量为m、电阻为R、边长为L的正方形导线框静止在光滑绝缘水平桌面上,桌面上直线PQ左侧有方向竖直向下的匀强磁场I,磁感应强度大小为B,PQ右侧有方向竖直向上的匀强磁场Ⅱ,磁感应强度大小为2B,俯视图如图所示。现使线框以垂直PQ的初速度v向磁场Ⅱ运动,当线框的三分之一进入磁场Ⅱ时,线框速度为,在这个过程中,下列说法正确的是( )
A.线框速度为时,线框中感应电流方向为逆时针方向
B.线框速度为时,线框的加速度大小为
C.线框中产生的焦耳热为
D.流过导线横截面的电荷量为
4.【云南2019届月考】(多选)如图所示,相距为d的边界水平的匀强磁场,磁感应强度水平向里、大小为B。质量为m、电阻为R、边长为L的正方形线圈abcd,将线圈在磁场上方高h处由静止释放,已知cd边刚进入磁场时和cd边刚离开磁场时速度相等,不计空气阻力,则( )
A.在线圈穿过磁场的整个过程中,克服安培力做功为mgd
B.若L=d,则线圈穿过磁场的整个过程所用时间为
C.若L< d,则线圈的最小速度可能为
D.若L< d,则线圈的最小速度可能为
5.【杭州模拟】如图所示,固定的光滑金属导轨间距为L,导轨电阻不计,上端a、b间接有阻值为R的电阻,导轨平面与水平面的夹角为θ,且处在磁感应强度大小为B、方向垂直于导轨平面向上的匀强磁场中。一质量为m、电阻为r的导体棒与固定弹簧相连后放在导轨上。初始时刻,弹簧恰处于自然长度,导体棒具有沿轨道向上的初速度v0。整个运动过程中导体棒始终与导轨垂直并保持良好接触。已知弹簧的劲度系数为k,弹簧的中心轴线与导轨平行。
(1)求初始时刻通过电阻R的电流I的大小和方向;
(2)当导体棒第一次回到初始位置时,速度变为v,求此时导体棒的加速度大小a;
(3)导体棒最终静止时弹簧的弹性势能为Ep,求导体棒从开始运动直到停止的过程中,电阻R上产生的焦耳热Q。
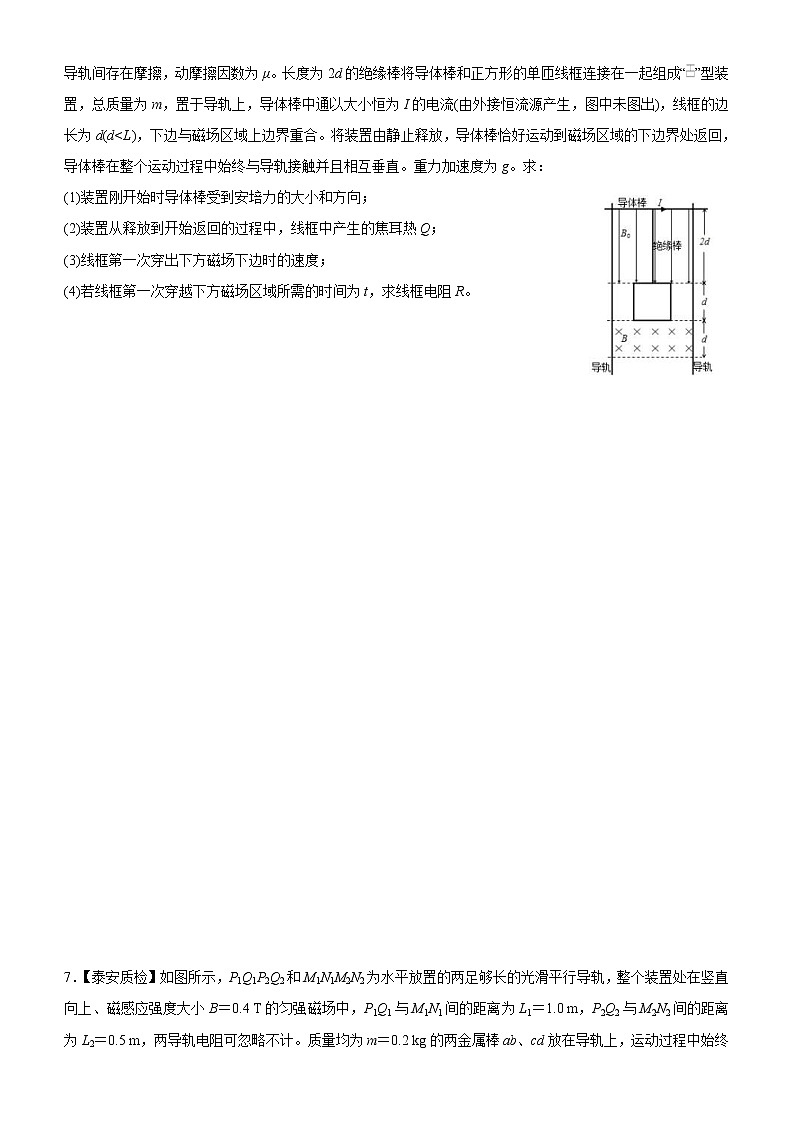
6.【雄安新区模拟】如图所示,两平行的光滑金属导轨安装在竖直面上,导轨间距为L、足够长,下部条形匀强磁场的宽度为d,磁感应强度大小为B、方向与导轨平面垂直,上部条形匀强磁场的宽度为2d,磁感应强度大小为B0,方向平行导轨平面向下,在上部磁场区域的上边缘水平放置导体棒(导体棒与导轨绝缘),导体棒与导轨间存在摩擦,动摩擦因数为μ。长度为2d的绝缘棒将导体棒和正方形的单匝线框连接在一起组成“”型装置,总质量为m,置于导轨上,导体棒中通以大小恒为I的电流(由外接恒流源产生,图中未图出),线框的边长为d(d<L),下边与磁场区域上边界重合。将装置由静止释放,导体棒恰好运动到磁场区域的下边界处返回,导体棒在整个运动过程中始终与导轨接触并且相互垂直。重力加速度为g。求:
(1)装置刚开始时导体棒受到安培力的大小和方向;
(2)装置从释放到开始返回的过程中,线框中产生的焦耳热Q;
(3)线框第一次穿出下方磁场下边时的速度;
(4)若线框第一次穿越下方磁场区域所需的时间为t,求线框电阻R。
7.【泰安质检】如图所示,P1Q1P2Q2和M1N1M2N2为水平放置的两足够长的光滑平行导轨,整个装置处在竖直向上、磁感应强度大小B=0.4 T的匀强磁场中,P1Q1与M1N1间的距离为L1=1.0 m,P2Q2与M2N2间的距离为L2=0.5 m,两导轨电阻可忽略不计。质量均为m=0.2 kg的两金属棒ab、cd放在导轨上,运动过程中始终与导轨垂直且接触良好,并与导轨形成闭合回路。已知两金属棒位于两导轨间部分的电阻均为R=1.0 Ω;金属棒与导轨间的动摩擦因数μ=0.2,且与导轨间的最大静摩擦力等于滑动摩擦力。取重力加速度大小g=10 m/s2。
(1)在t=0时刻,用垂直于金属棒的水平外力F向右拉金属棒cd,使其从静止开始沿导轨以a=5.0 m/s2的加速度做匀加速直线运动,金属棒cd运动多长时间金属棒ab开始运动?
(2)若用一个适当的水平外力F0(未知)向右拉金属棒cd,使其速度达到v2=20 m/s后沿导轨匀速运动,此时金属棒ab也恰好以恒定速度沿导轨运动,求金属棒ab沿导轨运动的速度大小和金属棒cd匀速运动时水平外力F0的功率;
(3)当金属棒ab运动到导轨Q1N1位置时刚好碰到障碍物而停止运动,并将作用在金属棒cd上的水平外力改为F1=0.4 N,此时金属棒cd的速度变为v0=30 m/s,经过一段时间金属棒cd停止运动,求金属棒ab停止运动后金属棒cd运动的距离。
1.【解析】根据安培右手定则可知电流方向为从b到a,故A错误;感应电动势E=BLv0,电阻R两端的电压为:,故B错误;根据能量守恒可得,拉力F做的功等于电阻R和金属棒上产生的焦耳热,即金属棒ab克服安培力做的功等于电阻R和金属棒上产生的焦耳热,故D正确,C错误。
【答案】D
2.【解析】设a棒刚进入磁场时的速度为v,从开始下落到进入磁场,根据机械能守恒定律有:,a棒切割磁感线产生感应电动势为:E=BLv,根据闭合电路欧姆定律有:,联立解得,故A错误;b棒受到的安培力为F=BIL,代入电流I解得,方向水平向右,B正确;设两棒最后稳定时的速度为v′,从a棒进入磁场到两棒速度达到稳定,一对安培内力作用,两棒组成的系统外力之和为零,根据动量守恒定律有:mv=3mv′,解得:,C正确;从a棒进入磁场到两棒共速的过程,一对安培力做功把机械能转化为电能,设a棒产生的内能为Ea,b棒产生的内能为Eb,根据能量守恒定律有:;两棒串联内能与电阻成正比:Eb=2Ea,解得:,故D正确。
【答案】A
3.【解析】据右手定则可知,线框速度为时,线框右边切割产生的感应电流是顺时针,线框左边切割产生的感应电流也是顺时针,则线框中感应电流方向为顺时针方向,故A项错误;据法拉第电磁感应定律,线框速度为时,线框中感应电动势,线框中感应电流,安培力,线框的加速度,故B项错误;据功能关系,线框中产生的焦耳热,故C项正确;此过程中的平均感应电动势,平均感应电流,流过导线横截面的电荷量,此过程中磁通量的变化量,则。
【答案】CD
4.【解析】根据能量守恒研究从cd边刚进入磁场到cd边刚穿出磁场的过程:动能变化为0,重力势能转化为线框产生的热量,则进入磁场的过程中线圈产生的热量Q=mgd,cd边刚进入磁场时速度为v0,cd边刚离开磁场时速度也为v0,所以从cd边刚穿出磁场到ab边离开磁场的过程,线框产生的热量与从cd边刚进入磁场到cd边刚穿出磁场的过程产生的热量相等,所以线圈从cd边进入磁场到ab边离开磁场的过程,产生的热量Q′=2mgd,感应电流做的功为2mgd,故A错误;线圈刚进入磁场时的速度大小,若L=d,线圈将匀速通过磁场,所用时间为,故B正确;若L<d,线框可能先做减速运动,在完全进入磁场前做匀速运动,因为完全进入磁场时的速度最小,则,则最小速度,故C正确;因为进磁场时要减速,即此时的安培力大于重力,速度减小,安培力也减小,当安培力减到等于重力时,线圈做匀速运动,全部进入磁场将做加速运动,设线圈的最小速度为vm,知全部进入磁场的瞬间速度最小,由动能定理知,从cd边刚进入磁场到线框完全进入时,则有:,有,综上所述,线圈的最小速度为,故D正确。
【答案】BCD
5.【解析】(1)棒产生的感应电动势E1=BLv0
通过R的电流大小
根据右手定则判断得知:电流方向为b→a
(2)棒产生的感应电动势为E2=BLv
感应电流
棒受到的安培力大小,方向沿斜面向上,如图所示.
根据牛顿第二定律 有|mgsinθ-F|=ma
解得
(3)导体棒最终静止,有 mgsinθ=kx
弹簧的压缩量
设整个过程回路产生的焦耳热为Q0,根据能量守恒定律 有
解得
电阻R上产生的焦耳热
6.【解析】(1)安培力大小为,方向垂直纸面向里。
(2)设装置由静止释放到导体棒运动到磁场下边界的过程中,由动能定理得
解得
(3)设线框刚离开磁场下边界时的速度为v1,则对接着向下运动2d的过程应用动能定理得
解得:
(4)设装置在Δt内速度变化量为Δv,由动量定理得
化简得,其中
解得
7.【解析】(1)设金属棒cd运动t时间金属棒ab开始运动,根据运动学公式可知,此时金属棒cd的速度v=at
金属棒cd产生的电动势Ecd=BL2v
则通过整个回路的电流
金属棒ab所受安培力
金属棒ab刚要开始运动的临界条件为Fab=μmg
联立解得t=2 s。
(2)设金属棒cd以速度v2=20 m/s沿导轨匀速运动时,金属棒ab沿导轨匀速运动的速度大小为v1,根据法拉第电磁感应定律可得E=BL2v2-BL1v1
此时通过回路的电流
金属棒ab所受安培力
又Fabʹ=μmg
联立解得:v1=5 m/s
以金属棒cd为研究对象,则有
水平外力F0的功率为P0=F0v2
解得:P0=12 W。
(3)对于金属棒cd根据动量定理得:
设金属棒ab停止运动后金属棒cd运动的距离为x,根据法拉第电磁感应定律得
根据闭合电路欧姆定律:
联立解得:x=225 m。

