还剩30页未读,
继续阅读
2021版人教版高三物理一轮复习基础梳理:第八章 课时3 带电粒子在复合场中的运动 学案
展开
课时3 带电粒子在复合场中的运动
一、复合场的分类
1.叠加场:电场、磁场、重力场共存,或其中某两场共存。
2.组合场:电场与磁场各位于一定的区域内,并不重叠或在同一区域,电场、磁场交替出现。
二、带电粒子在复合场中的运动分类
1.静止或匀速直线运动
当带电粒子在复合场中所受合外力为零时,将处于静止状态或做匀速直线运动。
2.匀速圆周运动
当带电粒子所受的重力与电场力大小相等、方向相反时,带电粒子在洛伦兹力的作用下,在垂直于匀强磁场的平面内做匀速圆周运动。
3.非匀变速曲线运动
当带电粒子所受的合外力的大小和方向均变化,且与初速度方向不在同一条直线上时,粒子做非匀变速曲线运动,这时粒子运动轨迹既不是圆弧,也不是抛物线。
4.分阶段运动
带电粒子可能依次通过几个情况不同的复合场区域,其运动情况随区域发生变化,其运动过程由几种不同的运动阶段组成。
考点一 电偏转和磁偏转
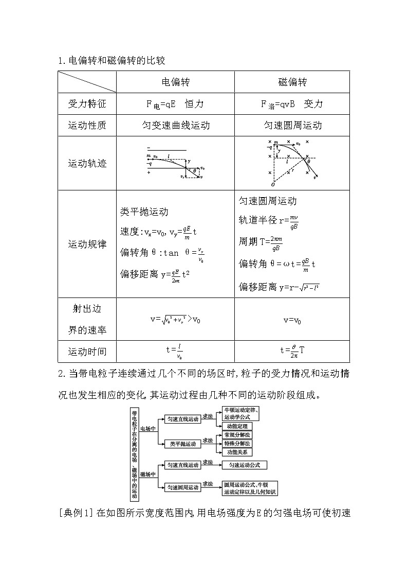
1.电偏转和磁偏转的比较
电偏转
磁偏转
受力特征
F电=qE 恒力
F洛=qvB 变力
运动性质
匀变速曲线运动
匀速圆周运动
运动轨迹
运动规律
类平抛运动
速度:vx=v0,vy=t
偏转角θ:tan θ=
偏移距离y=t2
匀速圆周运动
轨道半径r=
周期T=
偏转角θ=ωt=t
偏移距离y=r-
射出边
界的速率
v=>v0
v=v0
运动时间
t=
t=T
2.当带电粒子连续通过几个不同的场区时,粒子的受力情况和运动情况也发生相应的变化,其运动过程由几种不同的运动阶段组成。
[典例1] 在如图所示宽度范围内,用电场强度为E的匀强电场可使初速度是v0的某种正粒子偏转θ角。在同样宽度范围内,若改用方向垂直于纸面向里的匀强磁场(图中未画出),使该粒子穿过该区域,并使偏转角也为θ(不计粒子的重力),问:
(1)匀强磁场的磁感应强度是多大?
(2)粒子穿过电场和磁场的时间之比是多大?
(3)若上述电场和磁场同时存在,粒子能否沿直线运动?
解析:(1)设宽度为L,当只有电场存在时,带电粒子做类平抛运动,
水平方向上:L=v0t
竖直方向上:vy=at=
tan θ==,
当只有磁场存在时,带电粒子做匀速圆周运动,半径为R,如图所示,由几何关系可知sin θ=,R=
联立解得B=。
(2)粒子在电场中运动时间t1==
在磁场中运动时间t2=·T=·=
所以=。
(3)电场、磁场同时存在时
F电=qE,F洛=qv0B=qEcos θ
由于F电>F洛,粒子不能沿直线运动,将向下偏转。
答案:(1) (2) (3)不能沿直线运动
带电粒子在电、磁场中运动的区别
(1)带电粒子在匀强电场中常做类平抛运动,可利用运动的分解的方法来分析。
(2)带电粒子在匀强磁场中常做匀速圆周运动,可利用匀速圆周运动的相关规律分析。
考点二 带电粒子在四类组合场中的运动
1.先电场后磁场
(1)先在电场中做加速直线运动,然后进入磁场做圆周运动(如图甲、乙所示)。
在电场中利用动能定理或运动学公式求粒子刚进入磁场时的速度。
(2)先在电场中做类平抛运动,然后进入磁场做圆周运动(如图丙、丁所示)。
在电场中利用平抛运动知识求粒子进入磁场时的速度。
[典例2] (2016·浙江4月选考,22)如图为离子探测装置示意图。区域Ⅰ、区域Ⅱ长均为L=0.10 m,高均为H=0.06 m。区域Ⅰ可加方向竖直向下、电场强度为E的匀强电场;区域Ⅱ可加方向垂直纸面向里、磁感应强度为B的匀强磁场,区域Ⅱ的右端紧贴着可探测带电粒子位置的竖直屏。质子束沿两板正中间以速度v=1.0×105 m/s 水平射入,质子荷质比近似为=1.0×108 C/kg。(忽略边界效应,不计重力)
(1)当区域Ⅰ加电场、区域Ⅱ不加磁场时,求能在屏上探测到质子束的外加电场的最大值Emax;
(2)当区域Ⅰ不加电场、区域Ⅱ加磁场时,求能在屏上探测到质子束的外加磁场的最大值Bmax;
(3)当区域Ⅰ加电场E小于(1)中的Emax,质子束进入区域Ⅱ和离开区域Ⅱ的位置等高,求区域Ⅱ中的磁场B与区域Ⅰ中的电场E之间的关系式。
解析:(1)如图所示,当E取最大值时,有y+Ltan θ=,
出磁场时的偏移量y=()2,
偏转角tan θ==,
解得Emax=200 N/C。
(2)当B最大时粒子运动轨迹如图,由几何关系可知
r2=(r-)2+L2,得r= m,
同时r=,
得Bmax=T=5.5×10-3 T。
(3)当粒子离开电场时,偏转角tan θ==,
进入磁场时速度v′=,
在磁场中的运动半径r=,
由图中几何关系知L=2rsin θ,
得=。
答案:(1)200 N/C (2)5.5×10-3T (3)=
2.先磁场后电场
对于粒子从磁场进入电场的运动,常见的有两种情况:
(1)进入电场时粒子速度方向与电场方向相同或相反;
(2)进入电场时粒子速度方向与电场方向垂直。(如图甲、乙所示)
[典例3] 如图所示,在第一象限存在匀强磁场,磁感应强度方向垂直于纸面(xOy平面)向外;在第四象限存在匀强电场,方向沿x轴负向。在y轴正半轴上某点以与x轴正向平行、大小为v0的速度发射出一带正电荷的粒子,该粒子在(d,0)点沿垂直于x轴的方向进入电场。不计重力。若该粒子离开电场时速度方向与y轴负方向的夹角为θ,求:
(1)电场强度大小与磁感应强度大小的比值;
(2)该粒子在电场中运动的时间。
解析:
如图所示,粒子进入磁场后做匀速圆周运动。设磁感应强度的大小为B,粒子质量与所带电荷量分别为m和q,圆周运动的半径为R0。由洛伦兹力公式及牛顿第二定律得qv0B=m
由题给条件和几何关系可知R0=d
设电场强度大小为E,粒子进入电场后沿x轴负方向的加速度大小为ax,在电场中运动的时间为t,离开电场时沿x轴负方向的速度大小为vx。由牛顿第二定律及运动学公式得
Eq=max
vx=axt
t=d
由于粒子在电场中做类平抛运动(如图所示),有
tan θ=
联立解得=v0tan2 θ,t=。
答案:(1)v0tan2 θ (2)
3.先后两个磁场
[典例4] 如图,比荷分别为k和2k的甲、乙两带正电粒子(不计重力),由静止状态经相同电压U加速后从坐标原点O沿x轴的正方向射入匀强磁场区域Ⅰ和匀强磁场区域Ⅱ,经两磁场后分别打在屏上P1,P2两点(未标出)。已知Ⅰ,Ⅱ两磁场是相邻的矩形区域,区域的宽均为a,区域的边界平行于y轴,两磁场的方向均与Oxy坐标平面垂直但方向相反,磁感应强度的大小均为(式中U为加速电压)。屏垂直于x轴且到y轴的距离为6a。
(1)求甲、乙两粒子在磁场Ⅱ中运动的轨迹的半径之比R1∶R2;
(2)求P1与P2两点间的距离Δy;
(3)若在x轴2a≤x≤6a间任意位置加上与0~2a间的对称磁场,可使两带电粒子能打到屏上的同一点P0且方向均沿x轴的正方向,试求甲、乙两粒子从O点运动到P0点的时间之比t1∶t2。
解析:(1)甲进入磁场速度Uq1=m1,
解得v1==;
同理,乙进入磁场速度v2=,
由牛顿第二定律,Bqv=m,解得R=;
甲、乙两粒子在磁场Ⅱ中运动轨迹的半径之比
=·=·=。
(2)甲、乙粒子均平行于x轴射出,
如图所示,由几何关系得y=2(R-),
而R1===2a,
R2===a,则y1=4a-2a,
y2=2a-2a,
Δy=y2-y1=(2+2-6)a。
(3)由R1=2a,可知甲粒子在其中一个磁场区域轨迹对应的圆心角为30°,则甲粒子在磁场区间的运动时间
t1磁=·×4=,
甲粒子在非磁场区域的运动时间
t1非==,
甲粒子在整个区域的运动时间
t1=t1磁+t1非=+;
同理,乙粒子在整个区域的运动时间
t2=t2磁+t2非=+;
解得=。
答案:(1) (2)(2+2-6)a (3)
4.先后多个电、磁场
[典例5] 如图所示,在xOy平面直角坐标系的MNPQ矩形区域内分别分布着四个有界矩形匀强磁场Ⅰ,Ⅱ,Ⅲ,Ⅳ,其内磁感应强度均垂直坐标平面,且大小相等,磁场的边界位置及方向均在图中标出。一带负电的粒子从坐标原点处沿y轴正方向以kv0的速度射入,请解决以下问题。(说明:d,v0为已知量,k为正整数,π取3。粒子重力及空气阻力不计。有关三角函数取值为sin 45°=0.7,sin 53°=0.8,sin 60°=0.9)
(1)若k=1,则粒子从坐标为(0.5d,0)的位置离开磁场Ⅰ,求粒子从进入到离开磁场的过程中运动的平均速度;
(2)若k=5,请求出粒子离开MNPQ区域的位置坐标,并求出粒子在MNPQ区域运动的总时间;
(3)在k=5的情况下,沿y轴平移场区Ⅱ,Ⅲ的位置可改变粒子运动的时间(平移后场区不重叠)。平移后,要使粒子仍从(2)问中的位置离开MNPQ区域,试判断粒子运动的时间是变长还是变短,并求出时间变化量的极值。
解析:(1)r=,T=,=
联立得==。
(2)粒子运动轨迹如图1所示。
由于R=d,粒子在区域Ⅰ中速度偏向角的正弦值
sin α==,α=53°
所以,粒子出磁场的位置坐标为(0,6d)
粒子在一个磁场中的运动时间t1=×=
直线运动的时间t2==
得粒子运动的总时间t=4t1+t2=。
(3)将区域Ⅱ,Ⅲ上、下平移且靠近,粒子运动轨迹如图2所示,由于粒子轨迹半径不变,在磁场中运动时间不变,直线距离变长,总时间变长。
设区域Ⅱ,Ⅲ分别移动距离Δy,则粒子向+x方向的偏移量x=2R(1-cos α)+Δytan α
由x≤2d解得Δy≤d
粒子直线运动的时间
t直=2×+=
当Δy=d时,直线运动的时间最长,t直最大=
故增加的最长时间为
Δt最大=-=。
答案:(1)v0 (2)(0,6d) (3)变长
考点三 带电粒子在叠加场中的运动
1.叠加场:是指电场、磁场、重力场有两种以上场同时存在同一区域,相互重叠。
2.正确分析带电粒子的受力及运动特征是解决问题的前提,带电粒子在复合场中做什么运动,取决于带电粒子所受的合外力及初始运动的速度,因此应把带电粒子的运动情况和受力情况结合起来进行分析。
3.灵活选用力学规律是解决问题的关键,当带电粒子在复合场中做匀速直线运动时,应根据平衡条件列方程求解;当带电粒子在复合场中做匀速圆周运动时,往往同时应用牛顿第二定律和平衡条件列方程联立求解;当带电粒子在复合场中做非匀变速曲线运动时,应选用动能定理或能量守恒定律列方程求解。
由于带电粒子在复合场中受力情况复杂,往往出现临界问题,此时应以题目中出现的“恰好”“最大”“最高”“至少”等词语为突破口,挖掘隐含条件,根据临界条件列出辅助方程,再与其他方程联立求解。
(1)带电体的重力是否忽略,关键看重力与其他力大小的关系比较,一般微观粒子,如电子、质子、α粒子等重力忽略不计,而一些宏观带电体,如带电小球、带电液滴等重力不能忽略。
(2)注意不要混淆处理“磁偏转”和“电偏转”
①粒子在恒力(如重力、电场力等)作用下的“电偏转”是类平抛运动,分解为匀速运动和匀加速运动来处理。
②粒子在洛伦兹力作用下的偏转是匀速圆周运动,采用圆周运动规律结合几何关系来处理。
[典例6] 如图所示,带电液滴从h高处自由落下,进入一个匀强电场与匀强磁场互相垂直的区域,磁场方向垂直纸面,电场强度为E,磁感应强度为B。已知液滴在此区域中做匀速圆周运动,则圆周的半径R= 。
解析:液滴从h高处自由落下时有mgh=mv2,
液滴在此叠加场区域中做匀速圆周运动,
则有mg=Eq,qvB=m,
联立即得R=。
答案:
变式1:在如图所示的竖直平面内,水平轨道CD和倾斜轨道GH与半径r= m 的光滑圆弧轨道分别相切于D点和G点,GH与水平面的夹角θ=37°。过G点垂直于纸面的竖直平面左侧有匀强磁场,磁场方向垂直于纸面向里,磁感应强度大小为B=1.25 T;过D点垂直于纸面的竖直平面右侧有匀强电场,电场方向水平向右,电场强度大小为E=1×104 N/C,小物体P1质量m=2×10-3 kg、电荷量q=+8×10-6 C,受到水平向右的推力F=9.98×10-3 N 的作用,沿CD向右做匀速直线运动,到达D点后撤去推力。当P1到达倾斜轨道底端G点时,不带电的小物体P2在GH顶端静止释放,经过时间t=0.1 s与P1相遇。P1和P2与轨道CD、GH间的动摩擦因数均为μ=0.5,g取10 m/s2,sin 37°=0.6,cos 37°=0.8,物体电荷量保持不变,不计空气阻力。求:
(1)小物体P1在水平轨道CD上运动时速度v的大小。
(2)倾斜轨道GH的长度s。
解析:(1)设小物体P1在匀强磁场中运动的速度为v,受到向上的洛伦兹力为F1,受到的摩擦力为f,则
F1=qvB①
f=μ(mg-F1)②
由题意,水平方向合力为零
F-f=0③
联立①②③式,代入数据解得
v=4 m/s。④
(2)设P1在G点的速度大小为vG,由于洛伦兹力不做功,对小物体从D到G的过程根据动能定理
qErsin θ-mgr(1-cos θ)=m-mv2⑤
P1在GH上运动,受到重力、电场力和摩擦力的作用,设加速度为a1,根据牛顿第二定律
qEcos θ-mgsin θ-μ(mgcos θ+qEsin θ)=ma1⑥
P1与P2在GH上相遇时,设P1在GH上运动的距离为s1,
则s1=vGt+a1t2⑦
设P2质量为m2,在GH上运动的加速度为a2,则
m2gsin θ-μm2gcos θ=m2a2⑧
P1与P2在GH上相遇时,设P2在GH上运动的距离为s2,
则s2=a2t2⑨
s=s1+s2⑩
联立⑤~⑩式,代入数据得s=0.56 m。
答案:(1)4 m/s (2)0.56 m
考点四 带电粒子在复合场中运动的应用实例
1.质谱仪
构造:如图所示,由粒子源、加速电场、偏转磁场和照相底片等构成。
原理:粒子由静止被加速电场加速,根据动能定理可得关系式qU=mv2。
粒子在磁场中受洛伦兹力作用而偏转,做匀速圆周运动,根据牛顿第二定律得关系式qvB=m。
由两式可得出需要研究的物理量,如粒子轨迹半径、粒子质量、比荷。
r=,m=,=。
2.回旋加速器
构造:如图所示,D1,D2是半圆形金属盒,D形盒的缝隙处接交流电源,D形盒处于匀强磁场中。
原理:交流电源的周期和粒子做圆周运动的周期相等,粒子在圆周运动的过程中一次一次地经过D形盒缝隙,两盒间的电势差一次一次地反向,粒子就会被一次一次地加速。由qvB=,得Ekm=,可见粒子获得的最大动能由磁感应强度B和D形盒半径R决定,与加速电压无关。
3.速度选择器
构造:如图所示,平行板中电场强度E和磁感应强度B互相垂直。这种装置能把具有一定速度的粒子选择出来,所以叫做速度选择器。
原理:带电粒子能够沿直线匀速通过速度选择器的条件是qE=qvB,即v=。
4.磁流体发电机
原理:磁流体发电是一项新兴技术,它可以把内能直接转化为电能。
根据左手定则,如图中的B是发电机正极。磁流体发电机两极板间的距离为L,等离子体速度为v,磁场的磁感应强度为B。
则由qE=q=qvB得两极板间能达到的最大电势差
U=BLv。
5.电磁流量计
原理:
如图所示,圆形导管直径为d,用非磁性材料制成,导电液体在管中向左流动,导电液体中的自由电荷(正、负离子)在洛伦兹力的作用下横向偏转,a,b间出现电势差,形成电场,当自由电荷所受的电场力和洛伦兹力平衡时,a,b间的电势差就保持稳定,即
qvB=qE=q,得v=,
因此液体流量Q=Sv=·=。
带电粒子在电场与磁场的复合场中运动时,分析达到稳定状态时的力学关系是处理问题的关键。
[典例7] 如图所示是质谱仪的工作原理示意图。带电粒子被加速电场加速后,进入速度选择器。速度选择器内相互正交的匀强磁场和匀强电场的强度分别为B和E。平板S上有可让粒子通过的狭缝P和记录粒子位置的胶片A1A2。平板S下方有磁感应强度为B0的匀强磁场。下列表述不正确的是( )
A.质谱仪是分析同位素的重要工具
B.速度选择器中的磁场方向垂直纸面向外
C.能通过狭缝P的带电粒子的速率等于
D.粒子打在胶片上的位置越靠近狭缝P,粒子的比荷越小
解析:粒子电场中加速,说明粒子带正电,其通过速度选择器时,电场力与洛伦兹力平衡,则洛伦兹力方向应水平向左,由左手定则知,磁场的方向应垂直纸面向外,选项B正确;由Eq=Bqv可知v=,选项C正确;粒子打在胶片上的位置到狭缝的距离即为其做匀速圆周运动的直径D=,可见D越小,粒子的比荷越大,D不同,则粒子的比荷不同,因此利用该装置可以分析同位素,选项A正确,D错误。
答案:D
变式2:回旋加速器的工作原理示意图如图所示。置于真空中的D形金属盒半径为R,两盒间的狭缝很小,带电粒子穿过的时间可忽略。磁感应强度为B的匀强磁场与盒面垂直,高频交流电频率为f,加速电压为U。若A处粒子源产生的质子质量为m、电荷量为+q,在加速器中被加速,且加速过程中不考虑相对论效应和重力的影响。则下列说法正确的是( A )
A.质子被加速后的最大速度不可能超过2πRf
B.质子离开回旋加速器时的最大动能与加速电压U成正比
C.质子第2次和第1次经过两D形盒间狭缝后轨道半径之比为2∶1
D.不改变磁感应强度B和交流电频率f,该回旋加速器的最大动能不变
解析:质子被加速后的最大速度受到D形盒半径R的制约,因v==2πRf,A正确;质子离开回旋加速器的最大动能Ekm=mv2=m×4π2R2f2=2mπ2R2f2,与加速电压U无关,B错误;根据r=,Uq=m,2Uq=m,得质子第2次和第1次经过两D形盒间狭缝后轨迹半径之比为∶1,C错误;因回旋加速器的最大动能Ekm=,与B,R均有关,D错误。
1.(电偏转与磁偏转)带电小球以一定的初速度v0竖直向上抛出,能够达到的最大高度为h1;若加上水平方向的匀强磁场,且保持初速度仍为v0,小球上升的最大高度为h2;若加上水平方向的匀强电场,且保持初速度仍为v0,小球上升的最大高度为h3,如图所示,不计空气阻力,则( D )
A.h1=h2=h3 B.h1>h2>h3
B.h1=h2>h3 D.h1=h3>h2
解析:由竖直上抛运动的最大高度公式得h1=;当小球在磁场中运动到最高点时,小球应有水平速度,由能量守恒得mgh2+Ek=m=mgh1,所以h1>h2;当加上电场时,由运动的分解可知:在竖直方向上有=2gh3,所以h1=h3,选项D正确。
2.小张在研究磁场对电流作用的实验中,将直导线换成金属导体板,如图所示,发现在上下a,b两侧之间存在电压Uab。则关于a,b两侧电势高低的情况,以下说法正确的是( C )
A.与电流强弱有关 B.与金属种类有关
C.与电流方向有关 D.与磁感应强度方向无关
解析:电流方向确定,金属导体板内的电子所受洛伦兹力方向确定,a,b两侧电势高低的情况也就确定。如按图中所示电流方向,则定向移动的电子所受洛伦兹力方向偏向b侧,相应的a侧感应出正电荷,则b侧电势低于a侧。
3.(带电粒子在复合场中运动的应用实例)医生做某些特殊手术时,利用电磁血流计来监测通过动脉的血流速度。电磁血流计由一对电极a和b以及一对磁极N和S构成,磁极间的磁场是均匀的。使用时,两电极a,b均与血管壁接触,两触点的连线、磁场方向和血流速度方向两两垂直,如图所示。由于血液中的正负离子随血流一起在磁场中运动,电极a,b之间会有微小电势差。在达到平衡时,血管内部的电场可看做是匀强电场,血液中的离子所受的电场力和磁场力的合力为零。在某次监测中,两触点间的距离为3.0 mm,血管壁的厚度可忽略,两触点间的电势差为160 μV,磁感应强度的大小为0.040 T。则血流速度的近似值和电极a,b的正负为( A )
A.1.3 m/s,a正、b负 B.2.7 m/s,a正、b负
C.1.3 m/s,a负、b正 D.2.7 m/s,a负、b正
解析:血液中的粒子在磁场的作用下会在a,b之间形成电势差,当电场给粒子的力与洛伦兹力大小相等时达到稳定状态(与速度选择器原理相似),血流速度v=≈1.3 m/s,又由左手定则可得a为正极,b为负极,故选A。
4.(带电粒子在组合场中的运动)一足够长的条状区域内存在匀强电场和匀强磁场,其在xOy平面内的截面如图所示:中间是磁场区域,其边界与y轴垂直,宽度为l,磁感应强度的大小为B,方向垂直于xOy平面;磁场的上、下两侧为电场区域,宽度均为l′,电场强度的大小均为E,方向均沿x轴正方向;M,N为条状区域边界上的两点,它们的连线与y轴平行。一带正电的粒子以某一速度从M点沿y轴正方向射入电场,经过一段时间后恰好以从M点入射的速度从N点沿y轴正方向射出。不计重力。
(1)定性画出该粒子在电磁场中运动的轨迹;
(2)求该粒子从M点入射时速度的大小;
(3)若该粒子进入磁场时的速度方向恰好与x轴正方向的夹角为,求该粒子的比荷及其从M点运动到N点的时间。
解析:(1)粒子运动的轨迹如图甲所示。(粒子在电场中的轨迹为抛物线,在磁场中为圆弧,上下对称)
(2)粒子从电场下边界入射后在电场中做类平抛运动。设粒子从M点射入时速度的大小为v0,在下侧电场中运动的时间为t,加速度的大小为a;粒子进入磁场时速度大小为v,方向与电场方向的夹角为θ见图乙,速度沿电场方向的分量为v1。根据牛顿第二定律有
qE=ma①
式中q和m分别为粒子的电荷量和质量。由运动学公式有
v1=at②
l′=v0t③
v1=vcos θ④
粒子在磁场中做匀速圆周运动,设其运动轨道半径为R,由洛伦兹力公式和牛顿第二定律得
qvB=⑤
由几何关系得
l=2Rcos θ⑥
联立①②③④⑤⑥式得
v0=。⑦
(3)由运动学公式和题给数据得
v1=⑧
联立①②③⑦⑧式得
=。⑨
设粒子由M点运动到N点所用的时间为t′,则
t′=2t+T⑩
式中T是粒子在磁场中做匀速圆周运动的周期,
T=
由③⑦⑨⑩得
t′=(1+)。
答案:(1)图见解析
(2)
(3)(1+)
1.(2019·天津卷,4)笔记本电脑机身和显示屏对应部位分别有磁体和霍尔元件。当显示屏开启时磁体远离霍尔元件,电脑正常工作;当显示屏闭合时磁体靠近霍尔元件,屏幕熄灭,电脑进入休眠状态。如图所示,一块宽为a、长为c的矩形半导体霍尔元件,元件内的导电粒子是电荷量为e的自由电子,通入方向向右的电流时,电子的定向移动速度为v。当显示屏闭合时元件处于垂直于上表面、方向向下的匀强磁场中,于是元件的前、后表面间出现电压U,以此控制屏幕的熄灭。则元件的( D )
A.前表面的电势比后表面的低
B.前、后表面间的电压U与v无关
C.前、后表面间的电压U与c成正比
D.自由电子受到的洛伦兹力大小为
解析:自由电子带负电,运动方向与电流方向相反,由左手定则判断,后表面带负电,电势低,故A错误;电子受力平衡后,U稳定不变,由e=evB得U=Bav,与v成正比,与c无关,故B,C错误;洛伦兹力F=evB=,故D正确。
2.(2018·浙江11月选考,23)小明受回旋加速器的启发,设计了如图1所示的“回旋变速装置”。两相距为d的平行金属栅极板M,N,板M位于x轴上,板N在它的正下方。两板间加上如图2所示的幅值为U0的交变电压,周期T0=。板M上方和板N下方有磁感应强度大小均为B、方向相反的匀强磁场。粒子探测器位于y轴处,仅能探测到垂直射入的带电粒子。
有一沿x轴可移动、粒子出射初动能可调节的粒子发射源,沿y轴正方向射出质量为m、电荷量为q(q>0)的粒子。t=0时刻,发射源在(x,0)位置发射一带电粒子。忽略粒子的重力和其他阻力,粒子在电场中运动的时间不计。
(1)若粒子只经磁场偏转并在y=y0处被探测到,求发射源的位置和粒子的初动能;
(2)若粒子两次进出电场区域后被探测到,求粒子发射源的位置x与被探测到的位置y之间的关系。
解析:(1)发射源的位置x0=y0;
粒子的初动能Ek0=。
(2)分下面三种情况讨论
①如图1,Ek0>2qU0
由y=,R0=,R1=,
m=m-qU0,
m=m-qU0,
x=y+2(R0+R1),
得x=y++。
②如图2,qU0
由-y-d=,R0=,
m=m+qU0,
x=3(-y-d)+2R0,
得x=-3(y+d)+。
③如图3,Ek0
由-y-d=,R0=,
m=m-qU0,x=-y-d+4R0,得x=-y-d+。
答案:见解析
3.(2018·浙江4月选考,22)压力波测量仪可将待测压力波转换成电压信号,其原理如图1所示。压力波p(t)进入弹性盒后,通过与铰链O相连的“”型轻杆L,驱动杆端头A处的微型霍尔片在磁场中沿x轴方向做微小振动,其位移x与压力p成正比(x=αp,α>0)。霍尔片的放大图如图2所示,它由长×宽×厚=a×b×d,单位体积内自由电子数为n的N型半导体制成。磁场方向垂直于x轴向上,磁感应强度大小为B=B0(1-β|x|),β>0。无压力波输入时,霍尔片静止在x=0处,此时给霍尔片通以沿C1C2方向的电流I,则在侧面上D1,D2两点间产生霍尔电压U0。
(1)指出D1,D2两点哪点电势高;
(2)推导出U0与I,B0之间的关系式(提示:电流I与自由电子定向移动速率v之间关系为I=nevbd,其中e为电子电荷量);
(3)弹性盒中输入压力波p(t),霍尔片中通以相同电流,测得霍尔电压UH随时间t变化图象如图3。忽略霍尔片在磁场中运动产生的电动势和阻尼,求压力波的振幅和频率(结果用U0,U1,t0,α及β表示)。
解析:(1)D1点电势高。
(2)电子受力平衡evB0=eEH
U0=EHb=。
(3)霍尔电压UH(t)=U0(1-αβ|p|)
振幅A=(1-)
频率f=。
答案:(1)D1 (2)U0= (3)(1-)
4.(2015·浙江10月选考,23)如图是水平放置的小型粒子加速器的原理示意图,区域Ⅰ和Ⅱ存在方向垂直纸面向里的匀强磁场B1和B2,长L=1.0 m的区域Ⅲ存在电场强度大小E=5.0×104 V/m、方向水平向右的匀强电场。区域Ⅲ中间上方有一离子源S,水平向左发射动能Ek0=4.0×104 eV的氘核,氘核最终从区域Ⅱ下方的P点水平射出。S,P两点间的高度差h=0.10 m。(氘核质量m=2×1.67×10-27 kg,电荷量q=1.60×10-19 C,1 eV=1.60×10-19 J,≈1×10-4)
(1)求氘核经过两次加速后从P点射出时的动能Ek2;
(2)若B1=1.0 T,要使氘核经过两次加速后从P点射出,求区域Ⅰ的最小宽度d;
(3)若B1=1.0 T,要使氘核经过两次加速后从P点射出,求区域Ⅱ的磁感应强度B2。
解析:(1)由动能定理W=Ek2-Ek0,
电场力做功W=qE·2L,
得Ek2=Ek0+qE·2L=1.4×105 eV=2.24×10-14 J。
(2)洛伦兹力提供向心力qvB=m,
第一次进入B1区域,半径
R0==0.04 m,
第二次进入B1区域,
m=Ek0+qEL,
R2==0.06 m,
故d=R2=0.06 m。
(3)氘核运动轨迹如图所示
由图中几何关系可知
2R2=h+(2R1-2R0),
得R1=0.05 m,
由R1=,
得B2==1.2 T。
答案:(1)2.24×10-14 J
(2)0.06 m (3)1.2 T
5.(2017·江苏卷,15)一台质谱仪的工作原理如图所示。大量的甲、乙两种离子飘入电压为U0的加速电场,其初速度几乎为0,经过加速后,通过宽为L的狭缝MN沿着与磁场垂直的方向进入磁感应强度为B的匀强磁场中,最后打到照相底片上。已知甲、乙两种离子的电荷量均为 +q,质量分别为2m和m,图中虚线为经过狭缝左、右边界M,N的甲种离子的运动轨迹。不考虑离子间的相互作用。
(1)求甲种离子打在底片上的位置到N点的最小距离x。
(2)在图中用斜线标出磁场中甲种离子经过的区域,并求该区域最窄处的宽度d。
(3)若考虑加速电压有波动,在(U0-ΔU)到(U0+ΔU)之间变化,要使甲、乙两种离子在底片上没有重叠,求狭缝宽度L满足的条件。
解析:(1)设甲种离子在磁场中的运动半径为r1,
在电场加速时qU0=×2mv2,
且qvB=2m,
解得r1=;
根据几何关系x=2r1-L,
解得x=-L。
(2)如图所示
最窄处位于过两虚线交点的垂线上
d=r1-,
解得d=-。
(3)设乙种离子在磁场中的运动半径为r2,
甲种离子的最小半径r1min=,
乙种离子的最大半径r2max=,
由题意知2r1min-2r2max>L,
即->L,
解得L< [2-]。
答案:见解析
6.(2017·浙江4月选考,23)如图所示,在xOy平面内,有一电子源持续不断地沿x正方向每秒发射出N个速率均为v的电子,形成宽为2b、在y轴方向均匀分布且关于x轴对称的电子流。电子流沿x方向射入一个半径为R、中心位于原点O的圆形匀强磁场区域,磁场方向垂直xOy平面向里,电子经过磁场偏转后均从P点射出。在磁场区域的正下方有一对平行于x轴的金属平行板K和A,其中K板与P点的距离为d,中间开有宽度为2l且关于y轴对称的小孔。K板接地,A与K两板间加有正负、大小均可调的电压UAK。穿过K板小孔到达A板的所有电子被收集且导出,从而形成电流。已知b=R,d=l,电子质量为m,电荷量为e,忽略电子间相互作用。
(1)求磁感应强度B的大小;
(2)求电子流从P点射出时与负y轴方向的夹角θ的范围;
(3)当UAK=0时,每秒经过极板K上的小孔到达极板A的电子数;
(4)画出电流i随UAK变化的关系曲线。
解析:
(1)由题意,且根据几何关系得,电子在磁场运动中的轨道半径r=R
根据洛伦兹力提供向心力,有evB=,联立得B=。
(2)上端电子从P点射出时与负y轴的最大夹角θm,由几何关系sin θm=得θm=60°,
同理下端电子从P点射出时与负y轴最大夹角也为60°,故θ的范围是-60°≤θ≤60°。
(3)设进入小孔的电子在P点与负y轴的夹角为α,则
tan α=得α=45°。
有这个偏转角度的电子,
在射入磁场区域时的位置
y′=Rsin α=R
设每秒进入两极板间的电子数为n,有
===0.82,
得n=0.82N。
(4)由动能定理得出遏止电压Uc
Uc=-·mv2=-
与负y轴成45°角的电子的运动轨迹刚好与A板相切,其逆过程是类平抛运动,达到饱和电流所需的最小反向电压U′=-·
根据(3)可得饱和电流大小
imax=0.82Ne
其iUAK的关系曲线如图所示。
答案:(1) (2)-60°≤θ≤60°
(3)0.82N (4)见解析
一、复合场的分类
1.叠加场:电场、磁场、重力场共存,或其中某两场共存。
2.组合场:电场与磁场各位于一定的区域内,并不重叠或在同一区域,电场、磁场交替出现。
二、带电粒子在复合场中的运动分类
1.静止或匀速直线运动
当带电粒子在复合场中所受合外力为零时,将处于静止状态或做匀速直线运动。
2.匀速圆周运动
当带电粒子所受的重力与电场力大小相等、方向相反时,带电粒子在洛伦兹力的作用下,在垂直于匀强磁场的平面内做匀速圆周运动。
3.非匀变速曲线运动
当带电粒子所受的合外力的大小和方向均变化,且与初速度方向不在同一条直线上时,粒子做非匀变速曲线运动,这时粒子运动轨迹既不是圆弧,也不是抛物线。
4.分阶段运动
带电粒子可能依次通过几个情况不同的复合场区域,其运动情况随区域发生变化,其运动过程由几种不同的运动阶段组成。
考点一 电偏转和磁偏转
1.电偏转和磁偏转的比较
电偏转
磁偏转
受力特征
F电=qE 恒力
F洛=qvB 变力
运动性质
匀变速曲线运动
匀速圆周运动
运动轨迹
运动规律
类平抛运动
速度:vx=v0,vy=t
偏转角θ:tan θ=
偏移距离y=t2
匀速圆周运动
轨道半径r=
周期T=
偏转角θ=ωt=t
偏移距离y=r-
射出边
界的速率
v=>v0
v=v0
运动时间
t=
t=T
2.当带电粒子连续通过几个不同的场区时,粒子的受力情况和运动情况也发生相应的变化,其运动过程由几种不同的运动阶段组成。
[典例1] 在如图所示宽度范围内,用电场强度为E的匀强电场可使初速度是v0的某种正粒子偏转θ角。在同样宽度范围内,若改用方向垂直于纸面向里的匀强磁场(图中未画出),使该粒子穿过该区域,并使偏转角也为θ(不计粒子的重力),问:
(1)匀强磁场的磁感应强度是多大?
(2)粒子穿过电场和磁场的时间之比是多大?
(3)若上述电场和磁场同时存在,粒子能否沿直线运动?
解析:(1)设宽度为L,当只有电场存在时,带电粒子做类平抛运动,
水平方向上:L=v0t
竖直方向上:vy=at=
tan θ==,
当只有磁场存在时,带电粒子做匀速圆周运动,半径为R,如图所示,由几何关系可知sin θ=,R=
联立解得B=。
(2)粒子在电场中运动时间t1==
在磁场中运动时间t2=·T=·=
所以=。
(3)电场、磁场同时存在时
F电=qE,F洛=qv0B=qEcos θ
由于F电>F洛,粒子不能沿直线运动,将向下偏转。
答案:(1) (2) (3)不能沿直线运动
带电粒子在电、磁场中运动的区别
(1)带电粒子在匀强电场中常做类平抛运动,可利用运动的分解的方法来分析。
(2)带电粒子在匀强磁场中常做匀速圆周运动,可利用匀速圆周运动的相关规律分析。
考点二 带电粒子在四类组合场中的运动
1.先电场后磁场
(1)先在电场中做加速直线运动,然后进入磁场做圆周运动(如图甲、乙所示)。
在电场中利用动能定理或运动学公式求粒子刚进入磁场时的速度。
(2)先在电场中做类平抛运动,然后进入磁场做圆周运动(如图丙、丁所示)。
在电场中利用平抛运动知识求粒子进入磁场时的速度。
[典例2] (2016·浙江4月选考,22)如图为离子探测装置示意图。区域Ⅰ、区域Ⅱ长均为L=0.10 m,高均为H=0.06 m。区域Ⅰ可加方向竖直向下、电场强度为E的匀强电场;区域Ⅱ可加方向垂直纸面向里、磁感应强度为B的匀强磁场,区域Ⅱ的右端紧贴着可探测带电粒子位置的竖直屏。质子束沿两板正中间以速度v=1.0×105 m/s 水平射入,质子荷质比近似为=1.0×108 C/kg。(忽略边界效应,不计重力)
(1)当区域Ⅰ加电场、区域Ⅱ不加磁场时,求能在屏上探测到质子束的外加电场的最大值Emax;
(2)当区域Ⅰ不加电场、区域Ⅱ加磁场时,求能在屏上探测到质子束的外加磁场的最大值Bmax;
(3)当区域Ⅰ加电场E小于(1)中的Emax,质子束进入区域Ⅱ和离开区域Ⅱ的位置等高,求区域Ⅱ中的磁场B与区域Ⅰ中的电场E之间的关系式。
解析:(1)如图所示,当E取最大值时,有y+Ltan θ=,
出磁场时的偏移量y=()2,
偏转角tan θ==,
解得Emax=200 N/C。
(2)当B最大时粒子运动轨迹如图,由几何关系可知
r2=(r-)2+L2,得r= m,
同时r=,
得Bmax=T=5.5×10-3 T。
(3)当粒子离开电场时,偏转角tan θ==,
进入磁场时速度v′=,
在磁场中的运动半径r=,
由图中几何关系知L=2rsin θ,
得=。
答案:(1)200 N/C (2)5.5×10-3T (3)=
2.先磁场后电场
对于粒子从磁场进入电场的运动,常见的有两种情况:
(1)进入电场时粒子速度方向与电场方向相同或相反;
(2)进入电场时粒子速度方向与电场方向垂直。(如图甲、乙所示)
[典例3] 如图所示,在第一象限存在匀强磁场,磁感应强度方向垂直于纸面(xOy平面)向外;在第四象限存在匀强电场,方向沿x轴负向。在y轴正半轴上某点以与x轴正向平行、大小为v0的速度发射出一带正电荷的粒子,该粒子在(d,0)点沿垂直于x轴的方向进入电场。不计重力。若该粒子离开电场时速度方向与y轴负方向的夹角为θ,求:
(1)电场强度大小与磁感应强度大小的比值;
(2)该粒子在电场中运动的时间。
解析:
如图所示,粒子进入磁场后做匀速圆周运动。设磁感应强度的大小为B,粒子质量与所带电荷量分别为m和q,圆周运动的半径为R0。由洛伦兹力公式及牛顿第二定律得qv0B=m
由题给条件和几何关系可知R0=d
设电场强度大小为E,粒子进入电场后沿x轴负方向的加速度大小为ax,在电场中运动的时间为t,离开电场时沿x轴负方向的速度大小为vx。由牛顿第二定律及运动学公式得
Eq=max
vx=axt
t=d
由于粒子在电场中做类平抛运动(如图所示),有
tan θ=
联立解得=v0tan2 θ,t=。
答案:(1)v0tan2 θ (2)
3.先后两个磁场
[典例4] 如图,比荷分别为k和2k的甲、乙两带正电粒子(不计重力),由静止状态经相同电压U加速后从坐标原点O沿x轴的正方向射入匀强磁场区域Ⅰ和匀强磁场区域Ⅱ,经两磁场后分别打在屏上P1,P2两点(未标出)。已知Ⅰ,Ⅱ两磁场是相邻的矩形区域,区域的宽均为a,区域的边界平行于y轴,两磁场的方向均与Oxy坐标平面垂直但方向相反,磁感应强度的大小均为(式中U为加速电压)。屏垂直于x轴且到y轴的距离为6a。
(1)求甲、乙两粒子在磁场Ⅱ中运动的轨迹的半径之比R1∶R2;
(2)求P1与P2两点间的距离Δy;
(3)若在x轴2a≤x≤6a间任意位置加上与0~2a间的对称磁场,可使两带电粒子能打到屏上的同一点P0且方向均沿x轴的正方向,试求甲、乙两粒子从O点运动到P0点的时间之比t1∶t2。
解析:(1)甲进入磁场速度Uq1=m1,
解得v1==;
同理,乙进入磁场速度v2=,
由牛顿第二定律,Bqv=m,解得R=;
甲、乙两粒子在磁场Ⅱ中运动轨迹的半径之比
=·=·=。
(2)甲、乙粒子均平行于x轴射出,
如图所示,由几何关系得y=2(R-),
而R1===2a,
R2===a,则y1=4a-2a,
y2=2a-2a,
Δy=y2-y1=(2+2-6)a。
(3)由R1=2a,可知甲粒子在其中一个磁场区域轨迹对应的圆心角为30°,则甲粒子在磁场区间的运动时间
t1磁=·×4=,
甲粒子在非磁场区域的运动时间
t1非==,
甲粒子在整个区域的运动时间
t1=t1磁+t1非=+;
同理,乙粒子在整个区域的运动时间
t2=t2磁+t2非=+;
解得=。
答案:(1) (2)(2+2-6)a (3)
4.先后多个电、磁场
[典例5] 如图所示,在xOy平面直角坐标系的MNPQ矩形区域内分别分布着四个有界矩形匀强磁场Ⅰ,Ⅱ,Ⅲ,Ⅳ,其内磁感应强度均垂直坐标平面,且大小相等,磁场的边界位置及方向均在图中标出。一带负电的粒子从坐标原点处沿y轴正方向以kv0的速度射入,请解决以下问题。(说明:d,v0为已知量,k为正整数,π取3。粒子重力及空气阻力不计。有关三角函数取值为sin 45°=0.7,sin 53°=0.8,sin 60°=0.9)
(1)若k=1,则粒子从坐标为(0.5d,0)的位置离开磁场Ⅰ,求粒子从进入到离开磁场的过程中运动的平均速度;
(2)若k=5,请求出粒子离开MNPQ区域的位置坐标,并求出粒子在MNPQ区域运动的总时间;
(3)在k=5的情况下,沿y轴平移场区Ⅱ,Ⅲ的位置可改变粒子运动的时间(平移后场区不重叠)。平移后,要使粒子仍从(2)问中的位置离开MNPQ区域,试判断粒子运动的时间是变长还是变短,并求出时间变化量的极值。
解析:(1)r=,T=,=
联立得==。
(2)粒子运动轨迹如图1所示。
由于R=d,粒子在区域Ⅰ中速度偏向角的正弦值
sin α==,α=53°
所以,粒子出磁场的位置坐标为(0,6d)
粒子在一个磁场中的运动时间t1=×=
直线运动的时间t2==
得粒子运动的总时间t=4t1+t2=。
(3)将区域Ⅱ,Ⅲ上、下平移且靠近,粒子运动轨迹如图2所示,由于粒子轨迹半径不变,在磁场中运动时间不变,直线距离变长,总时间变长。
设区域Ⅱ,Ⅲ分别移动距离Δy,则粒子向+x方向的偏移量x=2R(1-cos α)+Δytan α
由x≤2d解得Δy≤d
粒子直线运动的时间
t直=2×+=
当Δy=d时,直线运动的时间最长,t直最大=
故增加的最长时间为
Δt最大=-=。
答案:(1)v0 (2)(0,6d) (3)变长
考点三 带电粒子在叠加场中的运动
1.叠加场:是指电场、磁场、重力场有两种以上场同时存在同一区域,相互重叠。
2.正确分析带电粒子的受力及运动特征是解决问题的前提,带电粒子在复合场中做什么运动,取决于带电粒子所受的合外力及初始运动的速度,因此应把带电粒子的运动情况和受力情况结合起来进行分析。
3.灵活选用力学规律是解决问题的关键,当带电粒子在复合场中做匀速直线运动时,应根据平衡条件列方程求解;当带电粒子在复合场中做匀速圆周运动时,往往同时应用牛顿第二定律和平衡条件列方程联立求解;当带电粒子在复合场中做非匀变速曲线运动时,应选用动能定理或能量守恒定律列方程求解。
由于带电粒子在复合场中受力情况复杂,往往出现临界问题,此时应以题目中出现的“恰好”“最大”“最高”“至少”等词语为突破口,挖掘隐含条件,根据临界条件列出辅助方程,再与其他方程联立求解。
(1)带电体的重力是否忽略,关键看重力与其他力大小的关系比较,一般微观粒子,如电子、质子、α粒子等重力忽略不计,而一些宏观带电体,如带电小球、带电液滴等重力不能忽略。
(2)注意不要混淆处理“磁偏转”和“电偏转”
①粒子在恒力(如重力、电场力等)作用下的“电偏转”是类平抛运动,分解为匀速运动和匀加速运动来处理。
②粒子在洛伦兹力作用下的偏转是匀速圆周运动,采用圆周运动规律结合几何关系来处理。
[典例6] 如图所示,带电液滴从h高处自由落下,进入一个匀强电场与匀强磁场互相垂直的区域,磁场方向垂直纸面,电场强度为E,磁感应强度为B。已知液滴在此区域中做匀速圆周运动,则圆周的半径R= 。
解析:液滴从h高处自由落下时有mgh=mv2,
液滴在此叠加场区域中做匀速圆周运动,
则有mg=Eq,qvB=m,
联立即得R=。
答案:
变式1:在如图所示的竖直平面内,水平轨道CD和倾斜轨道GH与半径r= m 的光滑圆弧轨道分别相切于D点和G点,GH与水平面的夹角θ=37°。过G点垂直于纸面的竖直平面左侧有匀强磁场,磁场方向垂直于纸面向里,磁感应强度大小为B=1.25 T;过D点垂直于纸面的竖直平面右侧有匀强电场,电场方向水平向右,电场强度大小为E=1×104 N/C,小物体P1质量m=2×10-3 kg、电荷量q=+8×10-6 C,受到水平向右的推力F=9.98×10-3 N 的作用,沿CD向右做匀速直线运动,到达D点后撤去推力。当P1到达倾斜轨道底端G点时,不带电的小物体P2在GH顶端静止释放,经过时间t=0.1 s与P1相遇。P1和P2与轨道CD、GH间的动摩擦因数均为μ=0.5,g取10 m/s2,sin 37°=0.6,cos 37°=0.8,物体电荷量保持不变,不计空气阻力。求:
(1)小物体P1在水平轨道CD上运动时速度v的大小。
(2)倾斜轨道GH的长度s。
解析:(1)设小物体P1在匀强磁场中运动的速度为v,受到向上的洛伦兹力为F1,受到的摩擦力为f,则
F1=qvB①
f=μ(mg-F1)②
由题意,水平方向合力为零
F-f=0③
联立①②③式,代入数据解得
v=4 m/s。④
(2)设P1在G点的速度大小为vG,由于洛伦兹力不做功,对小物体从D到G的过程根据动能定理
qErsin θ-mgr(1-cos θ)=m-mv2⑤
P1在GH上运动,受到重力、电场力和摩擦力的作用,设加速度为a1,根据牛顿第二定律
qEcos θ-mgsin θ-μ(mgcos θ+qEsin θ)=ma1⑥
P1与P2在GH上相遇时,设P1在GH上运动的距离为s1,
则s1=vGt+a1t2⑦
设P2质量为m2,在GH上运动的加速度为a2,则
m2gsin θ-μm2gcos θ=m2a2⑧
P1与P2在GH上相遇时,设P2在GH上运动的距离为s2,
则s2=a2t2⑨
s=s1+s2⑩
联立⑤~⑩式,代入数据得s=0.56 m。
答案:(1)4 m/s (2)0.56 m
考点四 带电粒子在复合场中运动的应用实例
1.质谱仪
构造:如图所示,由粒子源、加速电场、偏转磁场和照相底片等构成。
原理:粒子由静止被加速电场加速,根据动能定理可得关系式qU=mv2。
粒子在磁场中受洛伦兹力作用而偏转,做匀速圆周运动,根据牛顿第二定律得关系式qvB=m。
由两式可得出需要研究的物理量,如粒子轨迹半径、粒子质量、比荷。
r=,m=,=。
2.回旋加速器
构造:如图所示,D1,D2是半圆形金属盒,D形盒的缝隙处接交流电源,D形盒处于匀强磁场中。
原理:交流电源的周期和粒子做圆周运动的周期相等,粒子在圆周运动的过程中一次一次地经过D形盒缝隙,两盒间的电势差一次一次地反向,粒子就会被一次一次地加速。由qvB=,得Ekm=,可见粒子获得的最大动能由磁感应强度B和D形盒半径R决定,与加速电压无关。
3.速度选择器
构造:如图所示,平行板中电场强度E和磁感应强度B互相垂直。这种装置能把具有一定速度的粒子选择出来,所以叫做速度选择器。
原理:带电粒子能够沿直线匀速通过速度选择器的条件是qE=qvB,即v=。
4.磁流体发电机
原理:磁流体发电是一项新兴技术,它可以把内能直接转化为电能。
根据左手定则,如图中的B是发电机正极。磁流体发电机两极板间的距离为L,等离子体速度为v,磁场的磁感应强度为B。
则由qE=q=qvB得两极板间能达到的最大电势差
U=BLv。
5.电磁流量计
原理:
如图所示,圆形导管直径为d,用非磁性材料制成,导电液体在管中向左流动,导电液体中的自由电荷(正、负离子)在洛伦兹力的作用下横向偏转,a,b间出现电势差,形成电场,当自由电荷所受的电场力和洛伦兹力平衡时,a,b间的电势差就保持稳定,即
qvB=qE=q,得v=,
因此液体流量Q=Sv=·=。
带电粒子在电场与磁场的复合场中运动时,分析达到稳定状态时的力学关系是处理问题的关键。
[典例7] 如图所示是质谱仪的工作原理示意图。带电粒子被加速电场加速后,进入速度选择器。速度选择器内相互正交的匀强磁场和匀强电场的强度分别为B和E。平板S上有可让粒子通过的狭缝P和记录粒子位置的胶片A1A2。平板S下方有磁感应强度为B0的匀强磁场。下列表述不正确的是( )
A.质谱仪是分析同位素的重要工具
B.速度选择器中的磁场方向垂直纸面向外
C.能通过狭缝P的带电粒子的速率等于
D.粒子打在胶片上的位置越靠近狭缝P,粒子的比荷越小
解析:粒子电场中加速,说明粒子带正电,其通过速度选择器时,电场力与洛伦兹力平衡,则洛伦兹力方向应水平向左,由左手定则知,磁场的方向应垂直纸面向外,选项B正确;由Eq=Bqv可知v=,选项C正确;粒子打在胶片上的位置到狭缝的距离即为其做匀速圆周运动的直径D=,可见D越小,粒子的比荷越大,D不同,则粒子的比荷不同,因此利用该装置可以分析同位素,选项A正确,D错误。
答案:D
变式2:回旋加速器的工作原理示意图如图所示。置于真空中的D形金属盒半径为R,两盒间的狭缝很小,带电粒子穿过的时间可忽略。磁感应强度为B的匀强磁场与盒面垂直,高频交流电频率为f,加速电压为U。若A处粒子源产生的质子质量为m、电荷量为+q,在加速器中被加速,且加速过程中不考虑相对论效应和重力的影响。则下列说法正确的是( A )
A.质子被加速后的最大速度不可能超过2πRf
B.质子离开回旋加速器时的最大动能与加速电压U成正比
C.质子第2次和第1次经过两D形盒间狭缝后轨道半径之比为2∶1
D.不改变磁感应强度B和交流电频率f,该回旋加速器的最大动能不变
解析:质子被加速后的最大速度受到D形盒半径R的制约,因v==2πRf,A正确;质子离开回旋加速器的最大动能Ekm=mv2=m×4π2R2f2=2mπ2R2f2,与加速电压U无关,B错误;根据r=,Uq=m,2Uq=m,得质子第2次和第1次经过两D形盒间狭缝后轨迹半径之比为∶1,C错误;因回旋加速器的最大动能Ekm=,与B,R均有关,D错误。
1.(电偏转与磁偏转)带电小球以一定的初速度v0竖直向上抛出,能够达到的最大高度为h1;若加上水平方向的匀强磁场,且保持初速度仍为v0,小球上升的最大高度为h2;若加上水平方向的匀强电场,且保持初速度仍为v0,小球上升的最大高度为h3,如图所示,不计空气阻力,则( D )
A.h1=h2=h3 B.h1>h2>h3
B.h1=h2>h3 D.h1=h3>h2
解析:由竖直上抛运动的最大高度公式得h1=;当小球在磁场中运动到最高点时,小球应有水平速度,由能量守恒得mgh2+Ek=m=mgh1,所以h1>h2;当加上电场时,由运动的分解可知:在竖直方向上有=2gh3,所以h1=h3,选项D正确。
2.小张在研究磁场对电流作用的实验中,将直导线换成金属导体板,如图所示,发现在上下a,b两侧之间存在电压Uab。则关于a,b两侧电势高低的情况,以下说法正确的是( C )
A.与电流强弱有关 B.与金属种类有关
C.与电流方向有关 D.与磁感应强度方向无关
解析:电流方向确定,金属导体板内的电子所受洛伦兹力方向确定,a,b两侧电势高低的情况也就确定。如按图中所示电流方向,则定向移动的电子所受洛伦兹力方向偏向b侧,相应的a侧感应出正电荷,则b侧电势低于a侧。
3.(带电粒子在复合场中运动的应用实例)医生做某些特殊手术时,利用电磁血流计来监测通过动脉的血流速度。电磁血流计由一对电极a和b以及一对磁极N和S构成,磁极间的磁场是均匀的。使用时,两电极a,b均与血管壁接触,两触点的连线、磁场方向和血流速度方向两两垂直,如图所示。由于血液中的正负离子随血流一起在磁场中运动,电极a,b之间会有微小电势差。在达到平衡时,血管内部的电场可看做是匀强电场,血液中的离子所受的电场力和磁场力的合力为零。在某次监测中,两触点间的距离为3.0 mm,血管壁的厚度可忽略,两触点间的电势差为160 μV,磁感应强度的大小为0.040 T。则血流速度的近似值和电极a,b的正负为( A )
A.1.3 m/s,a正、b负 B.2.7 m/s,a正、b负
C.1.3 m/s,a负、b正 D.2.7 m/s,a负、b正
解析:血液中的粒子在磁场的作用下会在a,b之间形成电势差,当电场给粒子的力与洛伦兹力大小相等时达到稳定状态(与速度选择器原理相似),血流速度v=≈1.3 m/s,又由左手定则可得a为正极,b为负极,故选A。
4.(带电粒子在组合场中的运动)一足够长的条状区域内存在匀强电场和匀强磁场,其在xOy平面内的截面如图所示:中间是磁场区域,其边界与y轴垂直,宽度为l,磁感应强度的大小为B,方向垂直于xOy平面;磁场的上、下两侧为电场区域,宽度均为l′,电场强度的大小均为E,方向均沿x轴正方向;M,N为条状区域边界上的两点,它们的连线与y轴平行。一带正电的粒子以某一速度从M点沿y轴正方向射入电场,经过一段时间后恰好以从M点入射的速度从N点沿y轴正方向射出。不计重力。
(1)定性画出该粒子在电磁场中运动的轨迹;
(2)求该粒子从M点入射时速度的大小;
(3)若该粒子进入磁场时的速度方向恰好与x轴正方向的夹角为,求该粒子的比荷及其从M点运动到N点的时间。
解析:(1)粒子运动的轨迹如图甲所示。(粒子在电场中的轨迹为抛物线,在磁场中为圆弧,上下对称)
(2)粒子从电场下边界入射后在电场中做类平抛运动。设粒子从M点射入时速度的大小为v0,在下侧电场中运动的时间为t,加速度的大小为a;粒子进入磁场时速度大小为v,方向与电场方向的夹角为θ见图乙,速度沿电场方向的分量为v1。根据牛顿第二定律有
qE=ma①
式中q和m分别为粒子的电荷量和质量。由运动学公式有
v1=at②
l′=v0t③
v1=vcos θ④
粒子在磁场中做匀速圆周运动,设其运动轨道半径为R,由洛伦兹力公式和牛顿第二定律得
qvB=⑤
由几何关系得
l=2Rcos θ⑥
联立①②③④⑤⑥式得
v0=。⑦
(3)由运动学公式和题给数据得
v1=⑧
联立①②③⑦⑧式得
=。⑨
设粒子由M点运动到N点所用的时间为t′,则
t′=2t+T⑩
式中T是粒子在磁场中做匀速圆周运动的周期,
T=
由③⑦⑨⑩得
t′=(1+)。
答案:(1)图见解析
(2)
(3)(1+)
1.(2019·天津卷,4)笔记本电脑机身和显示屏对应部位分别有磁体和霍尔元件。当显示屏开启时磁体远离霍尔元件,电脑正常工作;当显示屏闭合时磁体靠近霍尔元件,屏幕熄灭,电脑进入休眠状态。如图所示,一块宽为a、长为c的矩形半导体霍尔元件,元件内的导电粒子是电荷量为e的自由电子,通入方向向右的电流时,电子的定向移动速度为v。当显示屏闭合时元件处于垂直于上表面、方向向下的匀强磁场中,于是元件的前、后表面间出现电压U,以此控制屏幕的熄灭。则元件的( D )
A.前表面的电势比后表面的低
B.前、后表面间的电压U与v无关
C.前、后表面间的电压U与c成正比
D.自由电子受到的洛伦兹力大小为
解析:自由电子带负电,运动方向与电流方向相反,由左手定则判断,后表面带负电,电势低,故A错误;电子受力平衡后,U稳定不变,由e=evB得U=Bav,与v成正比,与c无关,故B,C错误;洛伦兹力F=evB=,故D正确。
2.(2018·浙江11月选考,23)小明受回旋加速器的启发,设计了如图1所示的“回旋变速装置”。两相距为d的平行金属栅极板M,N,板M位于x轴上,板N在它的正下方。两板间加上如图2所示的幅值为U0的交变电压,周期T0=。板M上方和板N下方有磁感应强度大小均为B、方向相反的匀强磁场。粒子探测器位于y轴处,仅能探测到垂直射入的带电粒子。
有一沿x轴可移动、粒子出射初动能可调节的粒子发射源,沿y轴正方向射出质量为m、电荷量为q(q>0)的粒子。t=0时刻,发射源在(x,0)位置发射一带电粒子。忽略粒子的重力和其他阻力,粒子在电场中运动的时间不计。
(1)若粒子只经磁场偏转并在y=y0处被探测到,求发射源的位置和粒子的初动能;
(2)若粒子两次进出电场区域后被探测到,求粒子发射源的位置x与被探测到的位置y之间的关系。
解析:(1)发射源的位置x0=y0;
粒子的初动能Ek0=。
(2)分下面三种情况讨论
①如图1,Ek0>2qU0
由y=,R0=,R1=,
m=m-qU0,
m=m-qU0,
x=y+2(R0+R1),
得x=y++。
②如图2,qU0
m=m+qU0,
x=3(-y-d)+2R0,
得x=-3(y+d)+。
③如图3,Ek0
m=m-qU0,x=-y-d+4R0,得x=-y-d+。
答案:见解析
3.(2018·浙江4月选考,22)压力波测量仪可将待测压力波转换成电压信号,其原理如图1所示。压力波p(t)进入弹性盒后,通过与铰链O相连的“”型轻杆L,驱动杆端头A处的微型霍尔片在磁场中沿x轴方向做微小振动,其位移x与压力p成正比(x=αp,α>0)。霍尔片的放大图如图2所示,它由长×宽×厚=a×b×d,单位体积内自由电子数为n的N型半导体制成。磁场方向垂直于x轴向上,磁感应强度大小为B=B0(1-β|x|),β>0。无压力波输入时,霍尔片静止在x=0处,此时给霍尔片通以沿C1C2方向的电流I,则在侧面上D1,D2两点间产生霍尔电压U0。
(1)指出D1,D2两点哪点电势高;
(2)推导出U0与I,B0之间的关系式(提示:电流I与自由电子定向移动速率v之间关系为I=nevbd,其中e为电子电荷量);
(3)弹性盒中输入压力波p(t),霍尔片中通以相同电流,测得霍尔电压UH随时间t变化图象如图3。忽略霍尔片在磁场中运动产生的电动势和阻尼,求压力波的振幅和频率(结果用U0,U1,t0,α及β表示)。
解析:(1)D1点电势高。
(2)电子受力平衡evB0=eEH
U0=EHb=。
(3)霍尔电压UH(t)=U0(1-αβ|p|)
振幅A=(1-)
频率f=。
答案:(1)D1 (2)U0= (3)(1-)
4.(2015·浙江10月选考,23)如图是水平放置的小型粒子加速器的原理示意图,区域Ⅰ和Ⅱ存在方向垂直纸面向里的匀强磁场B1和B2,长L=1.0 m的区域Ⅲ存在电场强度大小E=5.0×104 V/m、方向水平向右的匀强电场。区域Ⅲ中间上方有一离子源S,水平向左发射动能Ek0=4.0×104 eV的氘核,氘核最终从区域Ⅱ下方的P点水平射出。S,P两点间的高度差h=0.10 m。(氘核质量m=2×1.67×10-27 kg,电荷量q=1.60×10-19 C,1 eV=1.60×10-19 J,≈1×10-4)
(1)求氘核经过两次加速后从P点射出时的动能Ek2;
(2)若B1=1.0 T,要使氘核经过两次加速后从P点射出,求区域Ⅰ的最小宽度d;
(3)若B1=1.0 T,要使氘核经过两次加速后从P点射出,求区域Ⅱ的磁感应强度B2。
解析:(1)由动能定理W=Ek2-Ek0,
电场力做功W=qE·2L,
得Ek2=Ek0+qE·2L=1.4×105 eV=2.24×10-14 J。
(2)洛伦兹力提供向心力qvB=m,
第一次进入B1区域,半径
R0==0.04 m,
第二次进入B1区域,
m=Ek0+qEL,
R2==0.06 m,
故d=R2=0.06 m。
(3)氘核运动轨迹如图所示
由图中几何关系可知
2R2=h+(2R1-2R0),
得R1=0.05 m,
由R1=,
得B2==1.2 T。
答案:(1)2.24×10-14 J
(2)0.06 m (3)1.2 T
5.(2017·江苏卷,15)一台质谱仪的工作原理如图所示。大量的甲、乙两种离子飘入电压为U0的加速电场,其初速度几乎为0,经过加速后,通过宽为L的狭缝MN沿着与磁场垂直的方向进入磁感应强度为B的匀强磁场中,最后打到照相底片上。已知甲、乙两种离子的电荷量均为 +q,质量分别为2m和m,图中虚线为经过狭缝左、右边界M,N的甲种离子的运动轨迹。不考虑离子间的相互作用。
(1)求甲种离子打在底片上的位置到N点的最小距离x。
(2)在图中用斜线标出磁场中甲种离子经过的区域,并求该区域最窄处的宽度d。
(3)若考虑加速电压有波动,在(U0-ΔU)到(U0+ΔU)之间变化,要使甲、乙两种离子在底片上没有重叠,求狭缝宽度L满足的条件。
解析:(1)设甲种离子在磁场中的运动半径为r1,
在电场加速时qU0=×2mv2,
且qvB=2m,
解得r1=;
根据几何关系x=2r1-L,
解得x=-L。
(2)如图所示
最窄处位于过两虚线交点的垂线上
d=r1-,
解得d=-。
(3)设乙种离子在磁场中的运动半径为r2,
甲种离子的最小半径r1min=,
乙种离子的最大半径r2max=,
由题意知2r1min-2r2max>L,
即->L,
解得L< [2-]。
答案:见解析
6.(2017·浙江4月选考,23)如图所示,在xOy平面内,有一电子源持续不断地沿x正方向每秒发射出N个速率均为v的电子,形成宽为2b、在y轴方向均匀分布且关于x轴对称的电子流。电子流沿x方向射入一个半径为R、中心位于原点O的圆形匀强磁场区域,磁场方向垂直xOy平面向里,电子经过磁场偏转后均从P点射出。在磁场区域的正下方有一对平行于x轴的金属平行板K和A,其中K板与P点的距离为d,中间开有宽度为2l且关于y轴对称的小孔。K板接地,A与K两板间加有正负、大小均可调的电压UAK。穿过K板小孔到达A板的所有电子被收集且导出,从而形成电流。已知b=R,d=l,电子质量为m,电荷量为e,忽略电子间相互作用。
(1)求磁感应强度B的大小;
(2)求电子流从P点射出时与负y轴方向的夹角θ的范围;
(3)当UAK=0时,每秒经过极板K上的小孔到达极板A的电子数;
(4)画出电流i随UAK变化的关系曲线。
解析:
(1)由题意,且根据几何关系得,电子在磁场运动中的轨道半径r=R
根据洛伦兹力提供向心力,有evB=,联立得B=。
(2)上端电子从P点射出时与负y轴的最大夹角θm,由几何关系sin θm=得θm=60°,
同理下端电子从P点射出时与负y轴最大夹角也为60°,故θ的范围是-60°≤θ≤60°。
(3)设进入小孔的电子在P点与负y轴的夹角为α,则
tan α=得α=45°。
有这个偏转角度的电子,
在射入磁场区域时的位置
y′=Rsin α=R
设每秒进入两极板间的电子数为n,有
===0.82,
得n=0.82N。
(4)由动能定理得出遏止电压Uc
Uc=-·mv2=-
与负y轴成45°角的电子的运动轨迹刚好与A板相切,其逆过程是类平抛运动,达到饱和电流所需的最小反向电压U′=-·
根据(3)可得饱和电流大小
imax=0.82Ne
其iUAK的关系曲线如图所示。
答案:(1) (2)-60°≤θ≤60°
(3)0.82N (4)见解析
相关资料
更多

