2020版物理浙江高考选考一轮复习讲义:选修3-2第九章实验11 探究电磁感应的产生条件实验12 探究感应电流方向的规律
展开实验11 探究电磁感应的产生条件
实验12 探究感应电流方向的规律
一、探究电磁感应的产生条件
实验原理
通过改变闭合回路中的磁通量,闭合电路中就可以产生感应电流,感应电流的有无可以通过连在电路中的电流表指针是否偏转来判定。
实验器材
蹄形磁铁、条形磁铁、导体棒、线圈(正、副各一个)、灵敏电流计、直流电源、滑动变阻器、导线、开关。
实验过程
1.观察导体棒在磁场中是否产生感应电流:如图1所示,导体棒静止、左右平动、前后运动、上下运动,观察电流表指针是否偏转,记录实验现象。
图1
2.观察条形磁铁在线圈中运动是否产生感应电流:如图2所示,N、S极分别向线圈中插入、静止、拔出,观察电流表指针是否偏转,记录实验现象。
图2
3.模仿法拉第的实验:如图3所示,观察开关闭合瞬间、开关断开瞬间、开关闭合滑动变阻器滑片不动、开关闭合滑动变阻器滑片迅速移动时,电流表指针是否偏转,记录实验现象。
图3
注意事项
1.注意区分两个回路:引起磁通量变化的电路和产生感应电流的电路。
2.开关应接在引起磁通量变化的电路中。
二、探究感应电流方向的规律
实验原理
楞次定律:感应电流具有这样的方向,即感应电流的磁场总要阻碍引起感应电流的磁通量的变化。
实验器材
条形磁铁、灵敏电流计、线圈、导线、一节干电池(用来判明线圈中电流的流向与电流表指针偏转方向的关系)。
实验过程
1.实验探究
(1)选旧干电池用试触的方法明确电流方向与电流表指针偏转方向之间的关系。
(2)实验装置
将螺线管与电流计组成闭合电路,如图4所示。
图4
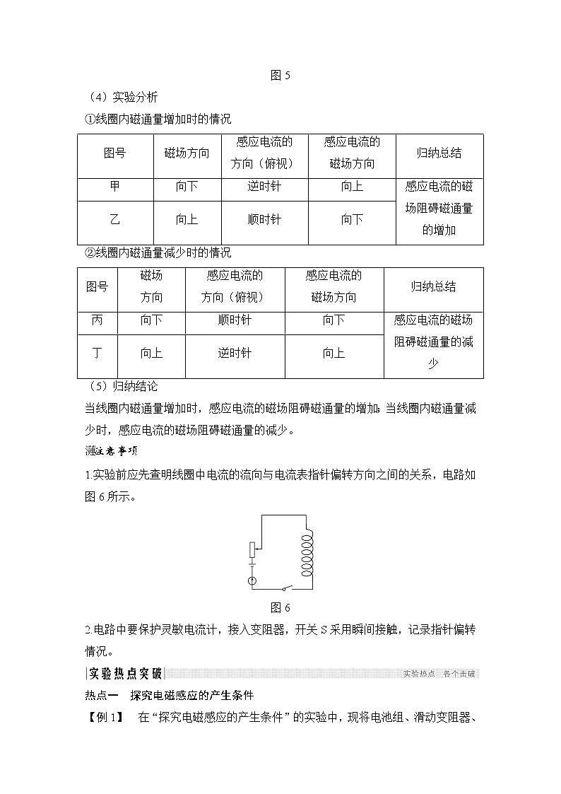
(3)实验记录
分别将条形磁铁的N极、S极插入、抽出线圈,如图5所示,记录感应电流的方向如下。
图5
(4)实验分析
①线圈内磁通量增加时的情况
图号 | 磁场方向 | 感应电流的 方向(俯视) | 感应电流的 磁场方向 | 归纳总结 |
甲 | 向下 | 逆时针 | 向上 | 感应电流的磁场阻碍磁通量的增加 |
乙 | 向上 | 顺时针 | 向下 |
②线圈内磁通量减少时的情况
图号 | 磁场 方向 | 感应电流的 方向(俯视) | 感应电流的 磁场方向 | 归纳总结 |
丙 | 向下 | 顺时针 | 向下 | 感应电流的磁场阻碍磁通量的减少 |
丁 | 向上 | 逆时针 | 向上 |
(5)归纳结论
当线圈内磁通量增加时,感应电流的磁场阻碍磁通量的增加;当线圈内磁通量减少时,感应电流的磁场阻碍磁通量的减少。
注意事项
1.实验前应先查明线圈中电流的流向与电流表指针偏转方向之间的关系,电路如图6所示。
图6
2.电路中要保护灵敏电流计,接入变阻器,开关S采用瞬间接触,记录指针偏转情况。
热点一 探究电磁感应的产生条件
【例1】 在“探究电磁感应的产生条件”的实验中,现将电池组、滑动变阻器、带铁芯的线圈A、线圈B、电流表及开关S按如图7所示连接,当开关S闭合瞬间,电流表指针左偏,说明B线圈产生了感应电流,开关S断开瞬间,电流表指针 (填“会”或“不会”)偏转;当开关S闭合后,要使电流表的指针左偏,可采取的操作为 。
图7
解析 根据法拉第电磁感应定律可以判断,开关S断开瞬间,磁通量变化,闭合回路中产生感应电流,所以电流表指针会偏转;当开关S闭合时,磁通量增加,电流表指针向左偏,滑动变阻器的滑片P向右滑动,可以使电流增大而增大磁通量,同样可以使电流表指针向左偏。
答案 会 滑动变阻器的滑片P向右滑动
热点二 探究感应电流方向的规律
【例2】 为了探究电磁感应现象,某实验小组将电池、线圈A、线圈B、滑动变阻器、灵敏电流计、开关按照如图8所示的方式连接。当闭合开关时发现灵敏电流计的指针右偏。由此可知:
图8
(1)当滑动变阻器的滑片P向右移动时,灵敏电流计的指针 (填“左偏”、“不动”、“右偏”);
(2)将线圈A拔出时,灵敏电流计的指针 (填“左偏”、“不动”、“右偏”),此时线圈A与线圈B中电流的绕行方向 (填“相同”或“相反”)。
答案 (1)右偏 (2)左偏 相同
1.(多选)用如图9所示的装置做“探究产生感应电流的条件”实验,下列说法正确的是( )
图9
A.甲图中当磁铁静止在线圈中时,电流表的指针发生偏转
B.甲图中N极或S极插入线圈时,电流表的指针偏转方向不同
C.乙图中开关处于闭合状态,移动变阻器的滑片时指针发生偏转
D.乙图中开关处于打开状态,拔出线圈A时电流表的指针发生偏转
解析 甲图中当磁铁静止在线圈中时,螺线管内磁通量不发生变化,不产生感应电流,电流表的指针不偏转,选项A错误;甲图中N极或S极插入线圈时,电流表的指针偏转方向不同,选项B正确;乙图中开关处于闭合状态,移动变阻器的滑片时螺线管内磁通量发生变化,产生感应电流,电流表的指针发生偏转,选项C正确;乙图中开关处于打开状态,没有构成回路,所以电流表指针不会发生偏转,选项D错误。
答案 BC
2.如图10所示是研究电磁感应现象实验所需的器材,用实线将带有铁芯的小螺线管A、电源、滑动变阻器和开关连接成回路Ⅰ,将小量程电流表和大螺线管B连接成回路Ⅱ。并列举出实验中改变回路Ⅱ的磁通量,使回路Ⅱ产生感应电流的三种方式:
图10
(1)________________________________________________________________;
(2)_________________________________________________________________;
(3)_________________________________________________________________。
解析 小螺线管A、滑动变阻器、电源、开关组成一个回路;大螺线管B与电流表组成一个闭合回路,如图所示。
小螺线管A放在大螺线管B内,当小螺线管A中的电流发生变化时,小螺线管A中的磁场也发生变化,进而使穿过大螺线管B的磁通量发生变化,大螺线管B与电流表组成的闭合回路中就产生了感应电流,所以采取的方式只要能够改变A中的电流就可以了。
答案 实物连接见解析图
(1)开关闭合(或断开)瞬间
(2)闭合开关S,将小螺线管A插入大螺线管B(或从大螺线管B中取出)
(3)闭合开关S,将小螺线管A插入大螺线管B中后移动滑动变阻器的滑片
3.小李同学在用实验探究电磁感应现象中感应电流方向所遵循的规律时,准备了下列器材:多匝线圈、磁电式演示电表、条形磁铁、导线若干。
(1)该同学把两只相同的磁电式演示电表用导线连接起来,然后抽去刻度面板,用手指迅速轻拨其中一只表的指针,同时观察另一只电表的指针,图11甲中与事实相符的是 (填“a”和“b”)。
图11
(2)该同学将电流表、线圈A和B、蓄电池、开关用导线连接成如图乙所示的实验电路,当她在闭合、断开开关的瞬间,电流表的指针都没有偏转,其原因 。
A.电流表正负极接反了
B.电流表接错了,应该接在蓄电池上
C.蓄电池的正负极接反了
D.开关接错了,应该接在B线圈上
解析 (1)由于两磁电式演示电表电流方向相同,而其中一个是发电,用右手定则判断,另一个是受安培力而转动,用左手定则判定,两者指针偏转方向相反,故填b。
(2)由于A线圈回路磁通量没有发生变化,所以不会发生电磁感应。
答案 (1)b (2)D
4.如图12所示是“探究感应电流方向的规律”的实验装置。
图12
(1)将图中所缺导线补接完整。
(2)如果在闭合开关时发现灵敏电流计的指针向右偏了一下,那么合上开关后将线圈A迅速从线圈B中拔出时,电流计指针将 。(填“向右偏”“向左偏”或“不偏转”)
解析 (1)将线圈B和电流计串联形成一个回路,将开关、滑动变阻器、电池组、线圈A串联成另一个回路即可,实物图如图所示。
(2)如果在闭合开关时发现灵敏电流计的指针向右偏了一下,说明穿过线圈的磁通量增加,电流计指针向右偏,合上开关后,将原线圈迅速从副线圈拔出时,穿过原线圈的磁通量减少,电流计指针将向左偏。
答案 (1)见解析图 (2)向左偏

