2020版一轮复习生物江苏专版必修1学案:第二单元第3讲物质跨膜运输的实例和方式
展开
[思维导图·成一统]
[基础速练·固根基]
1.判断有关细胞吸水和失水叙述的正误
(1)植物细胞的原生质层包括细胞膜、细胞质和细胞核(×)
(2)质壁分离过程中水分子扩散只能单向进行(×)
(3)将动物细胞放入一定浓度的外界溶液中,不能发生渗透作用(×)
(4)在成熟的植物细胞发生质壁分离过程中,细胞的吸水能力逐渐减小(×)
2.A、B分别表示渗透作用装置,据图回答下列问题
(1)渗透达到平衡,半透膜两侧的水分子不是(填“是”或“不是”)静止不动的。
(2)Δh不变时,S1、S2的大小关系为:S1>S2(填“>”“<”或“=”,S1、S2中溶质不能通过半透膜)。
(3)在B图所示的U形玻璃管内,左右管内分别装入质量分数相等的葡萄糖、麦芽糖溶液。初始时两管中液面相平,假设溶质分子不能透过半透膜。一段时间后,两管中液面的变化为:左管液面升高,右管液面降低。(均填“升高”“降低”或“不变”)
[师说考点·解疑难]
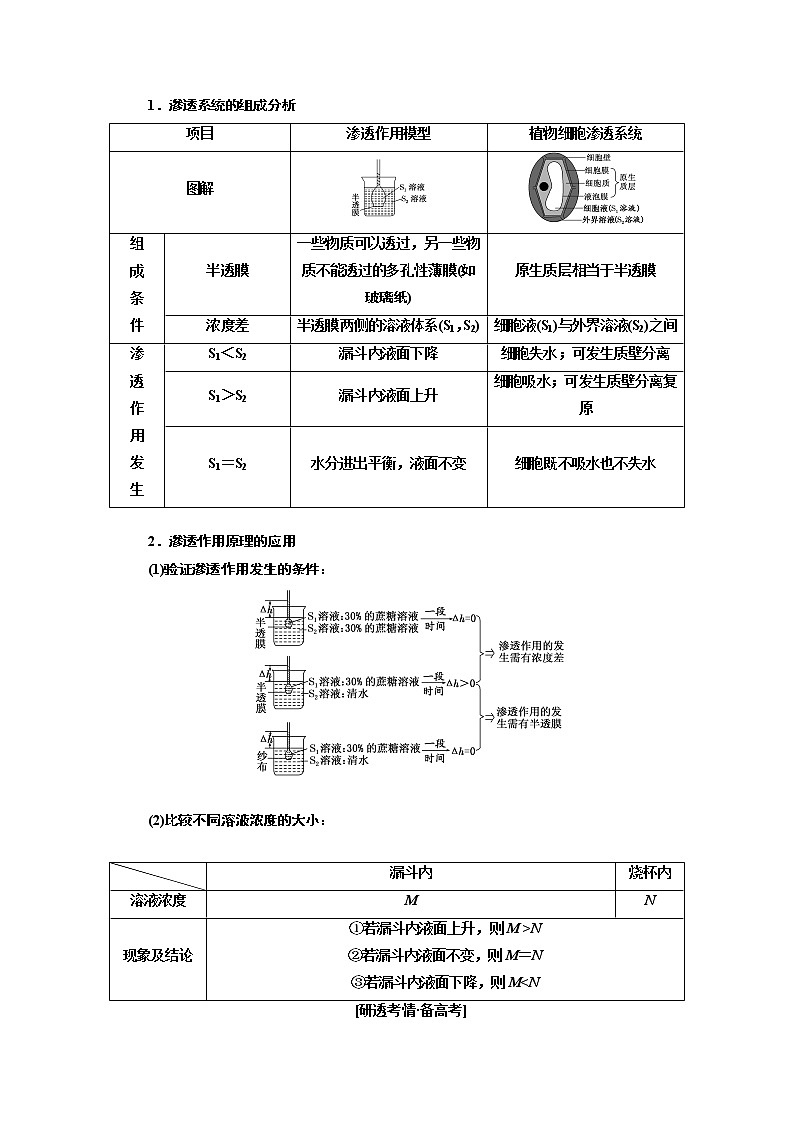
1.渗透系统的组成分析
项目
渗透作用模型
植物细胞渗透系统
图解
组
成
条
件
半透膜
一些物质可以透过,另一些物质不能透过的多孔性薄膜(如玻璃纸)
原生质层相当于半透膜
浓度差
半透膜两侧的溶液体系(S1,S2)
细胞液(S1)与外界溶液(S2)之间
渗
透
作
用
发
生
S1<S2
漏斗内液面下降
细胞失水;可发生质壁分离
S1>S2
漏斗内液面上升
细胞吸水;可发生质壁分离复原
S1=S2
水分进出平衡,液面不变
细胞既不吸水也不失水
2.渗透作用原理的应用
(1)验证渗透作用发生的条件:
(2)比较不同溶液浓度的大小:
漏斗内
烧杯内
溶液浓度
M
N
现象及结论
①若漏斗内液面上升,则M >N
②若漏斗内液面不变,则M=N
③若漏斗内液面下降,则M

