


所属成套资源:2020高考生物苏教版一轮讲义
2020版生物新导学大一轮苏教讲义:第二单元细胞的结构和功能第7讲
展开
第7讲 物质的跨膜运输
[考纲要求] 1.物质进出细胞的方式(B)。2.实验:(1)通过模拟实验探究膜的透性(b);(2)观察植物细胞的质壁分离和复原(c)。
考点一 渗透作用与细胞的吸水和失水
1.渗透作用
(1)概念:指水分子(或其他溶剂分子)通过半透膜的扩散过程。
(2)渗透作用产生的条件:一是具有半透膜,二是半透膜两侧的溶液具有浓度差。
2.动、植物细胞的吸水和失水
(1)动物细胞的吸水和失水
②现象
外界溶液浓度细胞质浓度⇒细胞失水皱缩;
外界溶液浓度=细胞质浓度⇒水分进出平衡。
(2)植物细胞的吸水和失水(以成熟植物细胞为例)
①原理
②现象
a.当外界溶液的浓度大于细胞液浓度时,细胞就通过渗透作用失水,植物细胞就发生质壁分离现象。
b.将已发生质壁分离的植物细胞放入清水中,此时细胞液的浓度高于外界清水,植物细胞就吸水,发生质壁分离复原现象。
(1)渗透作用中膜两侧溶液的浓度指的是质量百分比浓度( × )
(2)在渗透作用中,当半透膜两侧溶液浓度相等时,水分子不再通过半透膜( × )
(3)将动物细胞放入一定浓度的外界溶液中,不能发生渗透作用( × )
(4)植物细胞的原生质层包括细胞膜、细胞质和细胞核( × )
(5)无机盐离子都是逆浓度梯度跨膜运输的( × )
如图甲、乙、丙分别是细胞在不同浓度溶液中水分子的跨膜运输示意图(箭头大小代表水分子数的多少)。请回答下列问题:
(1)若将人的成熟红细胞放入清水中,会出现如图所示哪种现象?分析原因。
提示 会出现如图甲所示现象。将人的成熟红细胞放入清水中,由于发生渗透作用,从细胞外进入细胞内的水分子多于从细胞内到细胞外的水分子,因此细胞吸水。
(2)若将洋葱表皮细胞放在质量浓度为0.3 g/mL的蔗糖溶液中,会出现如图所示哪种现象?达到平衡时,水分子进出细胞的状况是图中哪一种?
提示 将洋葱表皮细胞放在质量浓度为0.3 g/mL的蔗糖溶液中,细胞外界溶液浓度较大,细胞失水,如图丙所示;达到平衡状态时,水分子进出细胞的速率相等,如图乙所示。
(3)若某叶肉细胞正处于图甲所示状态,一段时间内细胞体积增大,最终会不会涨破?为什么?
提示 细胞不会涨破,因为植物细胞有细胞壁的保护。
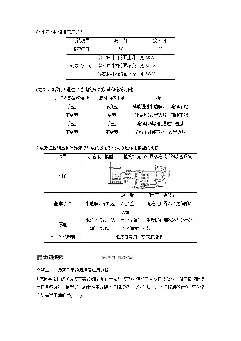
1.渗透作用原理的应用
(1)验证渗透作用发生的条件
(2)比较不同溶液浓度的大小
比较项目
漏斗内
烧杯内
溶液浓度
M
N
现象及结论
①若漏斗内液面上升,则M>N
②若漏斗内液面不变,则M=N
③若漏斗内液面下降,则M