2020版高考化学大一轮复习课时规范练《24化学反应的方向化学平衡常数》鲁科版(含解析)
展开课时规范练24 化学反应的方向 化学平衡常数
一、选择题(本题共8小题,每小题7分,共56分。每小题只有一个选项符合题目要求)
1.下列有关化学反应方向及其判据的说法中正确的是 ( )
A.非自发反应就是不可能发生的反应,自发反应就是能较快进行的反应
B.高温高压下可以使石墨转化为金刚石是自发的化学反应
C.由能量判据和熵判据组合而成的复合判据,将更适合于所有的过程
D.反应NH3(g)+HCl(g)NH4Cl(s)在低温下能自发进行,说明该反应的ΔH>0
2.常温下,某反应达到平衡,平衡常数K=,恒容时,温度升高,H2的浓度减小,下列说法正确的是( )
A.该反应的焓变为正值
B.恒温恒容下,增大压强,H2的浓度一定减小
C.升高温度,逆反应速率减小
D.该反应的化学方程式为CO+H2OCO2+H2
3.(2018河南南阳一中高三检测)已知NO和O2转化为NO2的反应机理如下:
①2NO(g)N2O2(g)(快) ΔH1<0 平衡常数K1
②N2O2(g)+O2(g)2NO2(慢) ΔH2<0 平衡常数K2
下列说法正确的是( )
A.2NO(g)+O2(g)2NO2(g)的ΔH=-(ΔH1+ΔH2)
B.2NO(g)+O2(g)2NO2(g)的平衡常数K=K1/K2
C.反应②的速率大小决定2NO(g)+O2(g)2NO2(g)的反应速率
D.反应过程中的能量变化可用下图表示
4.在一定条件下发生反应4NO2(g)+O2(g)2N2O5(g)
ΔH<0,温度为T1时,向体积为2 L的恒容密闭容器中通入NO2和O2,部分实验数据如表所示。下列说法不正确的是( )
时间/s | 0 | 5 | 10 | 15 |
c(NO2)/(mol·L-1) | 4.00 | 2.52 | 2.00 | c3 |
c(O2)/(mol·L-1) | 1.00 | c1 | c2 | 0.50 |
A.0~5 s内N2O5的平均反应速率为0.148 mol·L-1·s-1
B.其他条件不变,将容器体积压缩一半,则重新达到平衡时c(N2O5)<2 mol·L-1
C.设T1时平衡常数为K1,T2时平衡常数为K2,若T1<T2,则K1>K2
D.T1时平衡常数为0.125(mol·L-1)-3,平衡时NO2和O2的转化率均为50%
5.(2019宁夏银川一中高三月考)将一定量纯净的氨基甲酸铵固体置于密闭容器中,发生反应:NH2COONH4(s)2NH3(g)+CO2(g)。该反应的平衡常数的负对数(-lgK)值随温度(T)的变化曲线如图所示,下列说法不正确的是( )
A.该反应的ΔH>0
B.A点对应状态的平衡常数K(A)=10-2.294(mol·L-1)3
C.NH3的体积分数不变时,该反应一定达到平衡状态
D.30 ℃时,B点对应状态的v(正)<v(逆)
6.一定条件下,将3 mol A和1 mol B两种气体混合置于固定容积为2 L的密闭容器中,发生如下反应:3A(g)+B(g)xC(g)+2D(s)。2 min末该反应达到平衡,生成0.8 mol D,并测得C的浓度为0.2 mol·L-1。下列判断正确的是( )
A.从开始到平衡A的平均反应速率为0.3 mol·L-1·s-1
B.从开始到平衡B的转化率为60%
C.此反应的化学平衡常数表达式K=
D.若混合气体的密度不再改变时,该反应一定达到平衡状态
7.一定条件下,向一密闭容器中充入一定量的NH3,反应2NH3(g)N2(g)+3H2(g)达到平衡时N2的体积分数与温度、压强的关系如图所示。下列说法正确的是( )
A.压强:p1>p2
B.b、c两点对应的平衡常数:Kc>Kb
C.a点:2v(NH3)正=3v(H2)逆
D.a点:NH3的转化率为
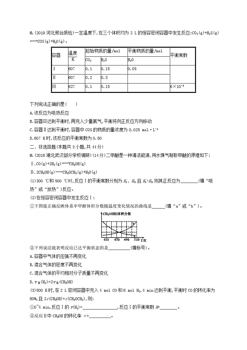
8.(2019河北邢台质检)一定温度下,在三个体积均为2 L的恒容密闭容器中发生反应:CO2(g)+H2S(g)COS(g)+H2O(g)。
容器 | 起始物质的量/mol | 平衡物质的量/mol | 平衡常数 | ||
CO2 | H2S | H2O | |||
Ⅰ | 607 | 0.1 | 0.15 | 0.05 |
|
Ⅱ | 607 | 0.2 | 0.3 |
| |
Ⅲ | 627 | 0.1 | 0.15 |
| 6×10-3 |
下列说法正确的是( )
A.该反应为吸热反应
B.容器Ⅲ达到平衡时,再充入少量氦气,平衡将向正反应方向移动
C.容器Ⅱ达到平衡时,容器中COS的物质的量浓度为0.025 mol·L-1
D.607 K时,该反应的平衡常数为0.50
二、非选择题(本题共3小题,共44分)
9.(2018湖北武汉部分学校调研)(14分)二甲醚是一种清洁能源,用水煤气制取甲醚的原理如下:
Ⅰ.CO(g)+2H2(g)CH3OH(g)
Ⅱ.2CH3OH(g)CH3OCH3(g)+H2O(g)
(1)300 ℃和500 ℃时,反应Ⅰ的平衡常数分别为K1、K2,且K1>K2,则其正反应为 (填“吸热”或“放热”)反应。
(2)在恒容密闭容器中发生反应Ⅰ:
①下图能正确反映体系中甲醇体积分数随温度变化情况的曲线是 (填“a”或“b”)。
②下列说法能表明反应已达平衡状态的是 (填标号)。
A.容器中气体的压强不再变化
B.混合气体的密度不再变化
C.混合气体的平均相对分子质量不再变化
D.v正(H2)=2v正(CH3OH)
(3)500 K时,在2 L密闭容器中充入4 mol CO和8 mol H2,4 min达到平衡,平衡时CO的转化率为80%,且2c(CH3OH)=c(CH3OCH3),则:
①0~4 min,反应Ⅰ的v(H2)= ,反应Ⅰ的平衡常数K= 。
②反应Ⅱ中CH3OH的转化率α= 。
10.(15分)在工业上常用CO与H2合成甲醇,热化学方程式为CO(g)+2H2(g)CH3OH(g) ΔH=-574.4 kJ·mol-1。
(1)在温度为T1时,向体积为2 L的恒容容器中充入物质的量之和为3 mol的CO和H2,发生反应CO(g)+2H2(g)CH3OH(g),反应达到平衡时CH3OH(g)的体积分数[φ(CH3OH)]与起始时的关系如图1所示。
图1
①当起始=2时,经过5 min反应达到平衡,CO的转化率为0.6,则0~5 min内平均反应速率v(H2)= 。若此时再向容器中加入CO(g)和CH3OH(g)各0.4 mol,达到新平衡时H2的转化率将 (填“增大”“减小”或“不变”)。
②当=3.5时,反应达到平衡后,CH3OH的体积分数可能是图1中的 (填“D”“E”或“F”)点。
(2)在一容积可变的密闭容器中充有10 mol CO和20 mol H2。CO的平衡转化率[α(CO)]与温度(T)、压强(p)的关系如图2所示。
图2
①A、B、C三点对应的平衡常数KA、KB、KC的大小关系为 。
②若达到平衡状态A时,容器的体积为10 L,则在平衡状态B时容器的体积为 L。
11.(2018课标全国Ⅰ,28节选)(15分)采用N2O5为硝化剂是一种新型的绿色硝化技术,在含能材料、医药等工业中得到广泛应用。回答下列问题:
(1)F.Daniels等曾利用测压法在刚性反应器中研究了25 ℃时N2O5(g)分解反应:
2N2O5(g)4NO2(g)+O2(g)
2N2O4(g)
其中NO2二聚为N2O4的反应可以迅速达到平衡。体系的总压强p随时间t的变化如下表所示[t=∞时,N2O5(g)完全分解]:
t/min | 0 | 40 | 80 | 160 | 260 | 1 300 | 1 700 | ∞ |
p/kPa | 35.8 | 40.3 | 42.5 | 45.9 | 49.2 | 61.2 | 62.3 | 63.1 |
①研究表明,N2O5(g)分解的反应速率v=2×10-3×(kPa·min-1),t=62 min时,测得体系中=2.9 kPa,则此时的= kPa,v= kPa·min-1。
②若提高反应温度至35 ℃,则N2O5(g)完全分解后体系压强p∞(35 ℃) 63.1 kPa(填“大于”“等于”或“小于”),原因是
。
③25 ℃时N2O4(g)2NO2(g)反应的平衡常数Kp= kPa(Kp为以分压表示的平衡常数,计算结果保留1位小数)。
(2)对于反应2N2O5(g)4NO2(g)+O2(g),R.A.Ogg提出如下反应历程:
第一步 N2O5NO2+NO3 快速平衡
第二步 NO2+NO3NO+NO2+O2 慢反应
第三步 NO+NO32NO2 快反应
其中可近似认为第二步反应不影响第一步的平衡。下列表述正确的是 (填标号)。
A.v(第一步的逆反应)>v(第二步反应)
B.反应的中间产物只有NO3
C.第二步中NO2与NO3的碰撞仅部分有效
D.第三步反应活化能较高
课时规范练24 化学反应的方向 化学平衡常数
1.C 非自发反应在一定条件下也能发生,自发反应进行的也不一定较快,A项错误;石墨转化为金刚石,ΔH>0,该反应是非自发进行的化学反应,B项错误;能量判据和熵判据组合而成的复合判据,只要ΔH-TΔS<0,反应就可以自发进行,若ΔH-TΔS>0,反应就不能自发进行,C项正确;反应NH3(s)+HCl(g)NH4Cl(s)在低温下能自发进行,ΔH-TΔS<0,从方程式知TΔS<0,说明ΔH<0,D项错误。
2.A 根据平衡常数K的表达式可知该反应中CO、H2O为生成物,CO2、H2是反应物,则化学方程式为CO2+H2CO+H2O。恒容时,温度升高,反应物H2浓度减小,说明平衡正向移动,说明该反应的正反应为吸热反应,A项正确;该反应前后气体物质的量不变,若加入不反应气体使压强增大,则平衡不移动,氢气的浓度不变,B项错误;升高温度,无论正反应速率还是逆反应速率都会增大,C项错误;平衡常数等于生成物浓度的化学计量数次幂之积除以反应物浓度化学计量数次幂之积,根据题中的K的表达式可知,CO和H2O是生成物,D项错误。
3.C 根据盖斯定律分析,①+②即可得到反应2NO(g)+O2(g)2NO2(g),故反应热为ΔH=ΔH1+ΔH2,A项错误;因为反应2NO(g)+O2(g)2NO2(g)为①+②的结果,所以其平衡常数K=K1·K2,B项错误;反应慢的速率决定总反应速率,所以反应②的速率大小决定2NO(g)+O2(g)2NO2(g)的反应速率,C项正确;图中表示反应①为吸热反应,与题中信息不符合,D项错误。
4.B 0~5 s内,v(N2O5)= v(NO2)==0.148 mol·L-1·s-1,A项正确;根据反应物转化的物质的量之比等于化学计量数之比,可得c1=0.63,c2=0.50,c3=2.00,由此可知10 s时反应达到平衡,达平衡时[N2O5]=1.00 mol·L-1,将容器体积压缩一半,若平衡不移动,此时[N2O5]=2.00 mol·L-1,由于平衡正向移动,则[N2O5]>2.00 mol·L-1,B项错误;对于放热反应,温度越高,平衡常数越小,C项正确;达平衡时[NO2]=2.00 mol·L-1,[O2]=0.50 mol·L-1,[N2O5]=1.00 mol·L-1,则K==0.125(mol·L-1)-3,平衡时NO2的转化率为×100%=50%,O2的转化率为×100%=50%,D项正确。
5.C -lgK越大,平衡常数K值越小,由图可知,随着温度升高,平衡常数K值增大,则升高温度平衡正向移动,正反应为吸热反应,ΔH>0,故A项正确;A点对应的-lgK=2.294,则平衡常数K(A)=10-2.294(mol·L-1)3,故B项正确;因反应物氨基甲酸铵为固体,则反应体系中气体只有NH3和CO2,反应得到NH3和CO2的物质的量之比为2∶1,反应开始后NH3的体积分数始终不变,所以NH3的体积分数不变时不能说明反应达到了平衡状态,故C项错误;30 ℃时,B点的浓度商Q大于平衡常数K,反应向逆反应方向进行,则B点对应状态的v(正)<v(逆),故D项正确。
6.D 2 min末该反应达到平衡,生成0.8 mol D,并测得C的浓度为0.2 mol·L-1,生成C为0.2 mol·L-1×2 L=0.4 mol,则,解得x=1,则根据三段式有:
3A(g)+B(g)C(g)+2D(s)
开始/mol 3 1 0 0
转化/mol 1.2 0.4 0.4 0.8
平衡/mol 1.8 0.6 0.4 0.8
从开始到平衡A的平均反应速率为=0.3 mol·L-1·min-1,故A项错误;从开始到平衡B的转化率为×100%=40%,故B项错误;D为固体,此反应的化学平衡常数表达式应为K=,故C项错误;D为固体,混合气体的质量为变量,由ρ=可知,密度为变量,则混合气体的密度不再改变时,说明该反应一定达到平衡状态,故D项正确。
7.B 相同温度下,压强越大,N2的体积分数越小,所以p2>p1,A项错误;由图像可知该反应为吸热反应,所以温度越高,K越大,B项正确;a点为平衡点,应为3v(NH3)正=2v(H2)逆,C项错误;a点时,假设反应后气体总体积为1 L,则N2为0.1 L、H2为0.3 L,未反应的NH3为0.6 L,参加反应的NH3为0.2 L,所以氨气的转化率为×100%=25%,D项错误。
8.D 由容器Ⅰ中数据可计算出607 K时反应的平衡常数
CO2(g)+H2S(g)COS(g)+H2O(g)
开始/(mol·L-1) 0.05 0.075 0 0
转化/(mol·L-1) 0.025 0.025 0.025 0.025
平衡/(mol·L-1) 0.025 0.05 0.025 0.025
平衡常数K==0.5,D项正确;对比Ⅰ、Ⅲ可知随温度升高,平衡常数减小,平衡向逆反应方向移动,说明逆反应是吸热反应,正反应放热,A项错误;Ⅱ相对于Ⅰ,是成比例的增加投料量,相当于加压,由于题给反应是气体体积不变的反应,所以平衡不移动,[COS]Ⅱ=2[COS]Ⅰ=0.05 mol·L-1,C项错误;容器Ⅲ平衡时,再充入少量氦气,容器体积不变,各成分浓度不变,平衡不移动,B项错误。
9.答案 (1)放热 (2)①a ②AC (3)①0.8 mol·L-1·min-1 1.25 ②80%
解析 (1)升高温度平衡常数减小,所以其正反应为放热反应。(2)①正反应放热,升高温度平衡向逆反应方向进行,甲醇的体积分数减小,因此能正确反映体系中甲醇体积分数随温度变化情况的曲线是a。②正反应体积减小,容器中气体的压强不再变化能表明反应已达平衡状态,A正确;密度是混合气的质量和容器容积的比值,在反应过程中质量和容积始终是不变的,因此混合气体的密度不再变化不能说明达到平衡状态,B错误;混合气的平均相对分子质量是混合气的质量和混合气的总的物质的量的比值,质量不变,但气体物质的量是变化的,所以混合气体的平均相对分子质量不再变化可以说明达到平衡状态,C正确;v正(H2)=2v正(CH3OH)均表示正反应方向,不能说明达到平衡状态,D错误。(3)①4 min达到平衡,平衡时CO的转化率为80%,则消耗CO是3.2 mol,因此消耗氢气是6.4 mol,H2浓度变化是3.2 mol·L-1,所以0~4 min,反应Ⅰ的v(H2)=3.2 mol·L-1÷4 min=0.8 mol·L-1·min-1。剩余CO是0.4 mol·L-1,氢气是0.8 mol·L-1,最初生成甲醇是1.6 mol·L-1,设分解的甲醇是x mol·L-1,则生成二甲醚是0.5x mol·L-1,所以根据2[CH3OH]=[CH3OCH3]有0.5x=2×(1.6-x),解得x=1.28,所以根据方程式可知反应Ⅰ的平衡常数K=(mol·L-1)-2=1.25 (mol·L-1)-2。②反应Ⅱ中CH3OH的转化率α=1.28/1.6×100%=80%。
10.答案 (1)①0.12 mol·L-1·min-1 增大 ②F (2)①KA=KB>KC ②2
解析 (1)①=2,因为n(CO)+n(H2)=3 mol,则n(H2)=2 mol,n(CO)=1 mol,0~5 min内转化的n(CO)=0.6 mol,则有
CO(g)+2H2(g)CH3OH(g)
起始/(mol·L-1) 0.5 1 0
转化/(mol·L-1) 0.3 0.6 0.3
平衡/(mol·L-1) 0.2 0.4 0.3
v(H2)=0.6 mol·L-1÷5 min=0.12 mol·L-1·min-1,K=(mol·L-1)-2。再向容器中加入CO(g)和CH3OH(g)各0.4 mol时,体系的浓度商Q=(mol·L-1)-2,Q<K,所以平衡正向移动,v(正)>v(逆),H2的转化率将增大。②反应物按方程式中各物质的化学计量数比投料时产物的体积分数最大,否则都会使产物的体积分数减小,故应选F点。(2)①平衡常数只与温度有关,CO与H2反应生成CH3OH的反应为放热反应,则升高温度,平衡常数减小,则KC<KA,A点与B点的温度相同,则KA=KB,所以三者的关系是KA=KB>KC。②达到平衡状态A时,容器的体积为10 L,状态A与B的平衡常数相同,状态A时CO的转化率是0.5,则平衡时CO的物质的量是10 mol×(1-0.5)=5 mol,浓度是0.5 mol·L-1,[H2]=1 mol·L-1,生成甲醇的物质的量是5 mol,浓度是0.5 mol·L-1,所以平衡常数KA=1;设状态B时容器的体积是V L,状态B时CO的转化率是0.8,则平衡时,CO的物质的量浓度为 mol·L-1,氢气的物质的量浓度是 mol·L-1,生成甲醇的物质的量浓度是 mol·L-1,KB==1(mol·L-1)-2,解得V=2。
11.答案 (1)①30.0 6.0×10-2 ②大于 温度提高,体积不变,总压强提高;NO2二聚为放热反应,温度提高,平衡左移,体系物质的量增加,总压强提高 ③13.4 (2)AC
解析 (1)①依据反应:N2O5(g)2NO2(g)+ O2(g)及气体的物质的量与其形成的压强成正比,生成的O2的压强p(O2)=2.9 kPa,则剩余N2O5形成的压强p(N2O5)=35.8 kPa-2.9 kPa×2=30.0 kPa。则N2O5的分解速率v=2×10-3×30.0=6.0×10-2kPa·min-1。②若提高反应温度至35 ℃,由于体积不变,但温度提高,总压强增大;且2NO2(g)N2O4(g)为放热反应,温度升高,平衡左移,气体的物质的量增大,总压强提高,所以N2O5完全分解后体系压强大于63.1 kPa。③t=∞时,体系的总压强为63.1 kPa为平衡时的总压强,此时N2O5完全分解,生成的氧气的压强为:p(O2)==17.9 kPa。若NO2不生成N2O4,则此时的总压应为35.8 kPa×=89.5 kPa,而实际压强为63.1 kPa,压强差为:89.5 kPa-63.1 kPa=26.4 kPa
2NO2N2O4 压强差
2 1 1
26.4 kPa 26.4 kPa
则剩余NO2的分压为:63.1 kPa-p(O2)-p(N2O4)=18.8 kPa
由此可求反应N2O4(g)2NO2(g)的平衡常数为=13.4 kPa。
(2)第一步反应快,能够快速平衡,而第二步反应是慢反应,故第一步反应的逆反应速率大于第二步反应,A项正确;根据第二步和第三步可知中间产物有NO、NO3,B项错误;根据第二步反应是慢反应可知,说明该步的反应物有效碰撞低,C项正确;活化能越低反应越易发生,第三步反应快说明该步反应的活化能较低,D项错误。

