还剩16页未读,
继续阅读
所属成套资源:2020高考化学一轮复习教师用书学案()
成套系列资料,整套一键下载
2020版高考化学(经典版)一轮复习教师用书:选修3第1节原子结构与性质
展开
第1节 原子结构与性质
[考试说明] 1.了解原子核外电子的运动状态、能级分布和排布原理,能正确书写1~36号元素原子核外电子、价电子的电子排布式和轨道表达式。2.了解电离能的含义,并能用以说明元素的某些性质。3.了解电子在原子轨道之间的跃迁及其简单应用。4.了解电负性的概念,并能用以说明元素的某些性质。
[命题规律] 本节是高考的必考点,高考中对本节知识点的考查为:对原子结构的考查,常常指定原子或离子,然后写出其基态电子排布式或电子排布图或价层电子排布式;对元素性质的考查,通常是比较元素第一电离能的大小,并从原子结构角度解释原因。
考点1 原子结构
知识梳理
1.能层、能级与原子轨道
(1)能层(n):在多电子原子中,核外电子的能量是不同的,按照电子的能量差异将其分成不同能层。通常用K、L、M、N、O、P、Q……表示相应的第一、二、三、四、五、六、七……能层,能量依次升高。
(2)能级:同一能层里的电子的能量也可能不同,又将其分成不同的能级,通常用s、p、d、f等表示,同一能层里,各能级的能量按s、p、d、f的顺序升高,即:E(s)
(3)原子轨道:量子力学把电子在原子核外的一个空间运动状态称为一个原子轨道。
①轨道形状
②各能级上的原子轨道数目
(4)原子轨道的能量关系
(5)能层、能级与原子轨道关系
2.基态原子核外电子排布
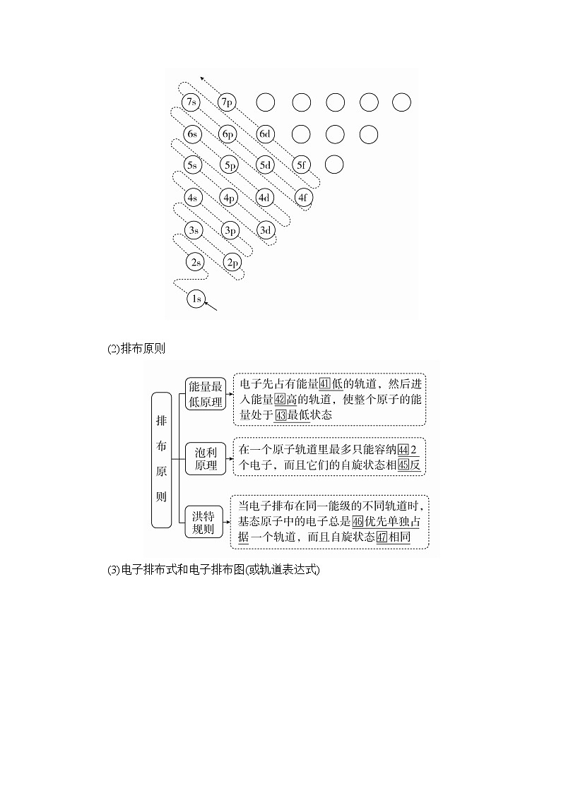
(1)填充顺序——构造原理
绝大多数元素的原子核外电子的排布遵循如图所示的排布顺序,人们把它称为构造原理。它是书写基态原子核外电子排布式的依据。
(2)排布原则
(3)电子排布式和电子排布图(或轨道表达式)
3.电子跃迁与原子光谱
(1)原子的状态
①基态原子:处于最低能量的原子。
②激发态原子:基态原子的电子吸收能量后,从低能级跃迁到较高能级状态的原子。
(2)原子光谱:不同元素的原子发生电子跃迁时会吸收或释放不同的光,用光谱仪记录下来便得到原子光谱。利用原子光谱的特征谱线可以鉴定元素,称为光谱分析。
(3)基态、激发态及光谱示意图
(1)当出现d轨道时,虽然电子按ns、(n-1)d、np的顺序填充,但在书写电子排布式时,仍把(n-1)d放在ns前,如Fe:1s22s22p63s23p63d64s2正确,
Fe:1s22s22p63s23p64s23d6错误。
(2)由于能级交错,3d轨道的能量比4s轨道的能量高,排电子时先排4s轨道再排3d轨道,而失电子时,却先失4s轨道上的电子。
(3)书写轨道表达式时,同一能级的空轨道不能省略。如C的轨道表达式为,而不是。
(4)当能量相同的原子轨道在全满(p6、d10、f14)、半满(p3、d5、f7)、全空(p0、d0、f0)时原子的能量较低,如24Cr的电子排布式为[Ar]3d54s1,29Cu的电子排布式为[Ar]3d104s1。
判断正误,正确的画“√”,错误的画“×”,错误的指明错因。
(1)p能级能量一定比s能级的能量高。(×)
错因:当s和p能级不在同一能层时,p能级能量不一定比s能级的能量高。
(2)磷元素基态原子的电子排布图为
。(×)
错因:基态磷原子的电子排布图中,3p轨道上的电子优先占据三个轨道,所以正确的应该是:
。
(3)同一原子中,2p、3p、4p能级的轨道数依次增多。(×)
错因: 2p、3p、4p能级都含有3个原子轨道。
(4)电子排布式(22Ti)1s22s22p63s23p10违反了能量最低原理。(×)
错因:3p能级最多排6个电子,所以电子排布式(22Ti)1s22s22p63s23p10违反了泡利不相容原理。
(5)某些金属及化合物在灼烧时会产生特殊的颜色,是由于电子跃迁时能量以一定频率的光释放出来。(√)
错因:__________________________________________________________
(6)1s22s12p1表示的是激发态原子的电子排布。(√)
错因:__________________________________________________________
题组训练
题组一 原子核外电子排布的表示方法
1.下列轨道表达式能表示氮原子的最低能量状态的是( )
答案 A
解析 A项,表示氮原子的最低能量状态,正确;B、C项,2p轨道的3个电子排布违背洪特规则,不是基态原子的排布,错误;D项,表示B原子的基态核外电子排布,错误。
2.下列各项叙述正确的是( )
A.镁原子由1s22s22p63s2→1s22s22p63p2时,原子释放能量,由基态转化成激发态
B.价电子排布为5s25p1的元素位于第五周期第ⅠA族,是s区元素
C.所有原子任一能层的s电子云轮廓图都是球形,但球的半径大小不同
D.24 Cr原子的电子排布式是1s22s22p63s23p63d44s2
答案 C
解析 镁原子由1s22s22p63s2→1s22s22p63p2时,原子吸收能量,由基态转化成激发态,A错误;价电子排布为5s25p1的元素,位于第五周期第ⅢA族,是p区元素,B错误;所有原子任一能层的s电子云轮廓图都是球形,能层越大,球的半径越大,C正确;24Cr原子的电子排布式是1s22s22p63s23p63d54s1,半充满轨道能量较低,D错误。
题组二 核外电子的排布规律及应用
3.下列说法错误的是( )
A.ns电子的能量不一定高于(n-1)p电子的能量
B.6C的电子排布式1s22s22p违反了洪特规则
C.电子排布式(21Sc)1s22s22p63s23p63d3违反了构造原理
D.电子排布式(22Ti)1s22s22p63s23p10违反了泡利原理
答案 A
解析 ns电子的能量一定高于(n-1)p电子的能量,A错误;对于C原子来说,2p能级有3个能量相同的原子轨道,最后2个电子应以自旋状态相同的方式分布在两个不同的2p轨道上,违反了洪特规则,B正确;根据轨道能量高低顺序可知E4s
1s22s22p63s23p63d14s2,故违反了构造原理,C正确;对于22Ti原子来说,3p能级共有3个轨道,最多可以排6个电子,如果排10个电子,则违反了泡利原理,D正确。
4.下列各组表述中,两个原子不属于同种元素原子的是( )
A.3p能级有一个空轨道的基态原子和核外电子的排布式为1s22s22p63s23p2的原子
B.2p能级无空轨道,且有一个未成对电子的基态原子和原子的最外层电子排布式为2s22p5的原子
C.M层全充满而N层为4s2的原子和核外电子排布式为1s22s22p63s23p64s2的原子
D.最外层电子数是核外电子总数1/5的原子和最外层电子排布式为4s24p5的原子
答案 C
解析 A项,3p能级有一个空轨道的基态原子,按洪特规则可得其3p轨道上只能有两个电子,所以两个原子是同种元素的原子;B项,2p能级无空轨道,且有一个未成对电子的基态原子,它的2p能级上只能是5个电子,所以两原子是同种元素的原子;C项,M层全充满而N层为4s2的原子,其M层应为18个电子,而后者的M层上只有8个电子,所以两原子不是同种元素的原子;D项,最外层电子数是核外电子总数的1/5的原子中,最外层电子数要小于或等于8个电子,且电子总数为5的倍数,所以可得该原子可能是原子序数为5、10、15、20、25、30、35、40,其中满足最外层电子数是核外电子总数的1/5且符合核外电子排布规则的只能是35号元素,该元素原子的外围电子排布式为4s24p5,所以两原子是同种元素的原子。
题组三 电子的跃迁
5.图中所发生的现象与电子的跃迁无关的是( )
答案 D
解析 燃放烟火、霓虹灯、燃烧蜡烛等获得的光能都是电子跃迁时能量以光的形式释放出来导致的,而平面镜成像则是光线反射的结果。
核外电子排布的四种表示方法
(1)电子排布式
按电子排入各电子层中各能级的先后顺序,用能级符号依次写出各能级中的电子数,同时注意特例。如Cu:1s22s22p63s23p63d104s1。
(2)简化电子排布式
用“[稀有气体]+价层电子”的形式表示。如Cu:[Ar]3d104s1。
(3)电子排布图(轨道表示式)
用方框(或圆圈)表示原子轨道,用“↑”或“↓”表示自旋状态不同的电子,按排入各电子层中各能级的先后顺序和在轨道中的排布情况书写。如S:
(4)原子结构示意图
如S的原子结构示意图为。
考点2 原子结构与元素的性质
知识梳理
1.原子结构与周期表的关系
(1)原子结构与周期的关系
每周期第一种元素的最外层电子的排布式为ns1。每周期结尾元素的最外层电子排布式除He为1s2外,其余为ns2np6。
(2)主族和0族元素的价电子排布特点
①主族
②0族:He:1s2;其他:ns2np6。
(3)元素周期表的分区
①周期表的分区
②根据元素金属性与非金属性可将元素周期表分为金属元素区和非金属元素区(如下图),处于金属与非金属交界线(又称梯形线)附近的非金属元素,又称为半金属或准金属。
2.元素周期律
(1)电离能
①第一电离能:气态电中性基态原子失去一个电子转化为气态基态正离子所需要的最低能量,符号:I1,单位:kJ·mol-1。
②规律
a.同周期:第一种元素的第一电离能最小,最后一种元素的第一电离能最大,总体呈现从左到右逐渐增大的变化趋势。第二、三、四周期的同周期主族元素,第ⅡA 族(ns2np0)和第ⅤA族(ns2np3),因p轨道处于全空或半充满状态,比较稳定,所以其第一电离能分别大于同周期相邻的ⅢA和ⅥA族元素,如第一电离能Mg>Al,P>S。
b.同族元素:从上至下第一电离能逐渐减小。
c.同种原子:随着电子的逐个失去,阳离子所带的正电荷数越来越多,再失去电子需克服的电性引力越来越大,消耗的能量越来越大,逐级电离能越来越大(即I1
(2)电负性
①含义
用来描述不同元素的原子对键合电子吸引力的大小。电负性越大的原子,对键合电子的吸引力越大。
②标准
以氟的电负性为4.0作为相对标准,得出了各元素的电负性。
③规律
金属元素的电负性一般小于1.8,非金属元素的电负性一般大于1.8,而位于非金属三角区边界的“类金属”(如锗、锑等)的电负性则在1.8左右。
一般来说同一周期,从左至右,电负性逐渐增大,同一主族,从上至下,电负性逐渐减小。
(3)对角线规则
在元素周期表中,某些主族元素与右下方的主族元素的有些性质是相似的,如:
(1)金属活动性顺序与元素相应的电离能大小顺序不完全一致,故不能根据金属活动性顺序表判断电离能的大小。
(2)不能将电负性1.8作为划分金属和非金属的绝对标准。
(3)共价化合物中,两种元素电负性差值越大,它们形成共价键的极性就越强。
(4)同周期元素,从左到右,非金属性越来越强,电负性越来越大,第一电离能总体呈增大趋势。
判断正误,正确的画“√”,错误的画“×”,错误的指明错因。
(1)1~36号元素中,原子最外层有3个未成对电子的元素为N、P、As。(√)
错因:__________________________________________________________
(2)最外层有2个未成对电子的可能是ns2np2或ns2np4。短周期元素中分别为C、Si和O、S。(√)
错因:__________________________________________________________
(3)价电子排布为5s25p1的元素位于第五周期第ⅠA族,是s区元素。(×)
错因:价电子排布为5s25p1的元素,位于第五周期第ⅢA_族,是p区元素。
(4)电负性差值大于1.7时,一般形成离子键,小于1.7时,一般形成共价键。(√)
错因:__________________________________________________________
(5)根据元素周期律,氮与氧、镁与铝相比,都是后者的第一电离能大。(×)
错因:氮元素2p轨道半充满,较稳定,第一电离能大于氧元素;镁元素3p轨道全空,较稳定,第一电离能大于铝元素。
(6)主族元素的电负性越大,元素原子的第一电离能一定越大。(×)
错因:元素的电负性大,第一电离能不一定大。如N元素的电负性小于氧元素的电负性。但N元素原子2p能级为半满稳定状态,第一电离能大于O元素。
题组训练
题组一 元素周期表的分区
1.下列有关元素周期表分区的说法正确的是( )
A.s区全部是金属元素
B.p区全部是非金属元素
C.d区内元素原子的价电子排布必为(n-1)d1~10ns2
D.除ds区外,以最后填入电子的轨道能级符号作为区的名称
答案 D
解析 A项,s区中氢属于非金属元素;B项,p区中铅、铝等属于金属元素;C项,d区内铬的价电子排布为3d54s1。
题组二 元素周期律
2.现有三种元素的基态原子的电子排布式如下:①1s22s22p63s23p4;②1s22s22p63s23p3;③1s22s22p5。
则下列有关比较中正确的是( )
A.最高正化合价:③>②>①
B.原子半径:③>②>①
C.电负性:③>②>①
D.第一电离能:③>②>①
答案 D
解析 根据核外电子排布式可知①是S,②是P,③是F。F无正价,A错误;同周期主族元素自左向右原子半径逐渐减小,同主族自上而下原子半径逐渐增大,则原子半径:②>①>③,B错误;同周期自左向右元素的电负性逐渐增大,同主族自上而下元素的电负性逐渐减小,则电负性:③>①>②,C错误;同周期主族元素自左向右第一电离能呈增大趋势,但P的3p轨道电子处于半充满状态,稳定性强,第一电离能大于S,同主族从上到下第一电离能逐渐减小,则第一电离能:③>②>①,D正确。
3.已知元素X、Y同周期,且电负性X>Y,下列说法错误的是( )
A.X的原子序数一定大于Y
B.第一电离能Y一定小于X
C.X和Y在形成化合物时,X显负价、Y显正价
D.气态氢化物的稳定性:HmX大于HnY
答案 B
解析 由电负性大小可知X在Y的右边,A、C、D均正确;如果Y、X分别是ⅤA、ⅥA族,因为第ⅤA族最外层p能级半充满,所以Y的第一电离能大于X,B错误。
4.碲化锌(ZnTe)具有宽禁带的特性,常用于制作半导体材料,在太阳能电池、太赫兹器件、波导以及绿光光电二极管等方面具有良好应用前景。
(1)碲(Te)元素在周期表中的位置:____________;核外未成对电子数有________个。
(2)原子的第一电离能是指气态电中性基态原子失去一个电子转化为气态基态正离子所需的最低能量,第一电离能Zn________Ga(填“>”“<”或“=”)。
(3)基态锌原子的核外电子排布式为[Ar]________。
答案 (1)第五周期第ⅥA族 2
(2)> (3)3d104s2
解析 (1)碲的核电荷数为52,与氧元素同主族,位于周期表中第五周期第ⅥA族;碲的基态原子电子排布式为[Kr]4d105s25p4,则根据泡利不相容原理及洪特规则可知,其核外5p轨道上有2个未成对电子。
(2)(3)Zn的核外电子排布式为[Ar]3d104s2,Ga的核外电子排布式为[Ar]3d104s24p1,Zn的4p轨道为全空结构,相对稳定,其第一电离能大于Ga。
高考真题实战
1.(2018·高考题组)(1)(全国卷Ⅰ)①下列Li原子电子排布图表示的状态中,能量最低和最高的分别是________、________(填标号)。
②Li+与H-具有相同的电子构型,r(Li+)小于r(H-),原因是
_________________________________________________________________。
(2)(全国卷Ⅲ)①Zn原子核外电子排布式为____________________。
②黄铜是人类最早使用的合金之一,主要由Zn和Cu组成,第一电离能I1(Zn)________I1(Cu)(填“大于”或“小于”)。原因是_____________________。
(3)(全国卷Ⅲ)基态Fe原子价层电子的电子排布图(轨道表达式)为____________________________,基态S原子电子占据最高能级的电子云轮廓图为________形。
答案 (1)①D C ②Li+核电荷数较大
(2)①[Ar]3d104s2或1s22s22p63s23p63d104s2
②大于 Zn核外电子排布为全满稳定结构,较难失电子
(3) 哑铃(纺锤)
解析 (1)①根据核外电子排布规律可知Li的基态核外电子排布式为1s22s1,则D中能量最低;C中有2个电子处于2p能级上,能量最高。
②由于锂的核电荷数较大,原子核对最外层电子的吸引力较大,因此Li+的半径小于H-。
(2)①Zn是第30号元素,所以核外电子排布式为[Ar]3d104s2或1s22s22p63s23p63d104s2。
②Zn的第一电离能大于Cu的第一电离能,原因是Zn的核外电子排布已经达到了每个能级都是全满的稳定结构,所以失电子比较困难。
(3)基态Fe原子的核外电子排布式为
1s22s22p63s23p63d64s2,则其价层电子的电子排布图(轨道表达式)为;基态S原子的核外电子排布式为1s22s22p63s23p4,则电子占据的最高能级是3p,其电子云轮廓图为哑铃(纺锤)形。
2.(2017·高考题组)(1)(全国卷Ⅰ)①元素K的焰色反应呈紫红色,其中紫色对应的辐射波长为________nm(填标号)。
A.404.4 B.553.5 C.589.2 D.670.8
E.766.5
②基态K原子中,核外电子占据最高能层的符号是________,占据该能层电子的电子云轮廓图形状为________________。
(2)(全国卷Ⅱ)①氮原子价层电子的轨道表达式(电子排布图)为________________________。
②元素的基态气态原子得到一个电子形成气态负一价离子时所放出的能量称作第一电子亲和能(E1)。第二周期部分元素的E1变化趋势如图所示,其中除氮元素外,其他元素的E1自左而右依次增大的原因是_______________________;氮元素的E1呈现异常的原因是______________________________。
(3)(全国卷Ⅲ)Co基态原子核外电子排布式为____________。元素Mn与O中,第一电离能较大的是________,基态原子核外未成对电子数较多的是________。
(4)(江苏高考)①Fe3+基态核外电子排布式为____________。
②C、H、O三种元素的电负性由小到大的顺序为____________。
答案 (1)①A ②N 球形
(2)① ②同周期元素随核电荷数依次增大,原子半径逐渐变小,故结合一个电子释放出的能量依次增大 N原子的2p轨道为半充满状态,具有额外稳定性,故不易结合一个电子
(3)[Ar]3d74s2 O Mn
(4)①[Ar]3d5或1s22s22p63s23p63d5 ②H
解析 (1)①紫色光对应的辐射波长范围是400~430 nm(此数据来源于物理教材 人教版 选修34)。
②基态K原子的电子占据K、L、M、N四个能层,其中能量最高的是N能层。N能层上为4s电子,电子云轮廓图形状为球形。
(2)①氮原子的核外电子排布式为1s22s22p3,所以价层电子的轨道表达式(电子排布图)为。
(3)Co是27号元素,其基态原子核外电子排布式为[Ar]3d74s2或1s22s22p63s23p63d74s2。元素Mn与O中,由于O是非金属元素而Mn是金属元素,所以O的第一电离能大于Mn的。O基态原子核外电子排布式为1s22s22p4,其核外未成对电子数是2,而Mn基态原子核外电子排布式为[Ar]3d54s2,其核外未成对电子数是5,因此Mn的基态原子核外未成对电子数比O的多。
(4)①Fe位于元素周期表的第四周期第Ⅷ族内左起第1列,基态Fe原子的价层电子排布式为3d64s2。基态原子失电子遵循“由外向内”规律,故Fe3+基态核外电子排布式为[Ar]3d5或1s22s22p63s23p63d5。
②因非金属性H<C<O,故电负性:H<C<O。
3.(2016·高考题组)(1)(全国卷Ⅰ)①基态Ge原子的核外电子排布式为[Ar]__________,有__________个未成对电子。
②光催化还原CO2制备CH4反应中,带状纳米Zn2GeO4是该反应的良好催化剂。Zn、Ge、O电负性由大至小的顺序是__________________________。
(2)(全国卷Ⅱ)镍元素基态原子的电子排布式为__________,3d能级上的未成对电子数为__________。元素铜与镍的第二电离能分别为:ICu=1958 kJ·mol-1,INi=1753 kJ·mol-1,ICu>INi的原因是____________________________。
(3)(全国卷Ⅲ)根据元素周期律,原子半径Ga________As,第一电离能Ga________As。(填“大于”或“小于”)
(4)(四川高考)M、R、X、Y为原子序数依次增大的短周期主族元素,Z是一种过渡元素。M基态原子L层中p轨道电子数是s轨道电子数的2倍,R是同周期中最活泼的金属元素,X和M形成的一种化合物是引起酸雨的主要大气污染物,Z的基态原子4s和3d轨道半充满。则R基态原子的电子排布式是________,X和Y中电负性较大的是________(填元素符号)。
答案 (1)①3d104s24p2 2 ②O>Ge>Zn
(2)1s22s22p63s23p63d84s2或[Ar]3d84s2 2
铜失去的是全充满的3d10电子,镍失去的是4s1电子
(3)大于 小于 (4)1s22s22p63s1或[Ne]3s1 Cl
解析 (1)①在元素周期表中,锗位于硅正下方,锗的原子序数为14+18=32,基态原子的核外电子排布式为1s22s22p63s23p63d104s24p2或[Ar]3d104s24p2,未成对电子数为2。②锌、锗位于同周期,同一周期从左至右元素的电负性逐渐增大(稀有气体元素除外),而氧位于元素周期表右上角,电负性仅次于氟,由此得出氧、锗、锌的电负性依次减小。
(2)Ni元素原子核外有28个电子,电子排布式为1s22s22p63s23p63d84s2或[Ar]3d84s2。3d能级上有2个未成对电子。Cu、Ni失去一个电子后电子排布式分别为[Ar]3d10、[Ar]3d84s1,铜的3d轨道全充满,达到稳定状态,所以Cu的第二电离能相对较大。
(3)同周期主族元素从左到右,原子半径逐渐减小,第一电离能呈增大趋势。
(4)由M基态原子L层中p轨道电子数是s轨道电子数的2倍,可知M为O元素;R是同周期元素中最活泼的短周期金属元素,且原子序数大于O元素,故R为Na元素;X和M形成的一种化合物是引起酸雨的主要大气污染物,故X为S元素,Y为Cl元素;Z的基态原子4s和3d轨道半充满,故其电子排布式为1s22s22p63s23p63d54s1,故Z为Cr元素。R为Na元素,其基态原子的电子排布式为1s22s22p63s1;电负性较大的是Cl元素。
第1节 原子结构与性质
[考试说明] 1.了解原子核外电子的运动状态、能级分布和排布原理,能正确书写1~36号元素原子核外电子、价电子的电子排布式和轨道表达式。2.了解电离能的含义,并能用以说明元素的某些性质。3.了解电子在原子轨道之间的跃迁及其简单应用。4.了解电负性的概念,并能用以说明元素的某些性质。
[命题规律] 本节是高考的必考点,高考中对本节知识点的考查为:对原子结构的考查,常常指定原子或离子,然后写出其基态电子排布式或电子排布图或价层电子排布式;对元素性质的考查,通常是比较元素第一电离能的大小,并从原子结构角度解释原因。
考点1 原子结构
知识梳理
1.能层、能级与原子轨道
(1)能层(n):在多电子原子中,核外电子的能量是不同的,按照电子的能量差异将其分成不同能层。通常用K、L、M、N、O、P、Q……表示相应的第一、二、三、四、五、六、七……能层,能量依次升高。
(2)能级:同一能层里的电子的能量也可能不同,又将其分成不同的能级,通常用s、p、d、f等表示,同一能层里,各能级的能量按s、p、d、f的顺序升高,即:E(s)
①轨道形状
②各能级上的原子轨道数目
(4)原子轨道的能量关系
(5)能层、能级与原子轨道关系
2.基态原子核外电子排布
(1)填充顺序——构造原理
绝大多数元素的原子核外电子的排布遵循如图所示的排布顺序,人们把它称为构造原理。它是书写基态原子核外电子排布式的依据。
(2)排布原则
(3)电子排布式和电子排布图(或轨道表达式)
3.电子跃迁与原子光谱
(1)原子的状态
①基态原子:处于最低能量的原子。
②激发态原子:基态原子的电子吸收能量后,从低能级跃迁到较高能级状态的原子。
(2)原子光谱:不同元素的原子发生电子跃迁时会吸收或释放不同的光,用光谱仪记录下来便得到原子光谱。利用原子光谱的特征谱线可以鉴定元素,称为光谱分析。
(3)基态、激发态及光谱示意图
(1)当出现d轨道时,虽然电子按ns、(n-1)d、np的顺序填充,但在书写电子排布式时,仍把(n-1)d放在ns前,如Fe:1s22s22p63s23p63d64s2正确,
Fe:1s22s22p63s23p64s23d6错误。
(2)由于能级交错,3d轨道的能量比4s轨道的能量高,排电子时先排4s轨道再排3d轨道,而失电子时,却先失4s轨道上的电子。
(3)书写轨道表达式时,同一能级的空轨道不能省略。如C的轨道表达式为,而不是。
(4)当能量相同的原子轨道在全满(p6、d10、f14)、半满(p3、d5、f7)、全空(p0、d0、f0)时原子的能量较低,如24Cr的电子排布式为[Ar]3d54s1,29Cu的电子排布式为[Ar]3d104s1。
判断正误,正确的画“√”,错误的画“×”,错误的指明错因。
(1)p能级能量一定比s能级的能量高。(×)
错因:当s和p能级不在同一能层时,p能级能量不一定比s能级的能量高。
(2)磷元素基态原子的电子排布图为
。(×)
错因:基态磷原子的电子排布图中,3p轨道上的电子优先占据三个轨道,所以正确的应该是:
。
(3)同一原子中,2p、3p、4p能级的轨道数依次增多。(×)
错因: 2p、3p、4p能级都含有3个原子轨道。
(4)电子排布式(22Ti)1s22s22p63s23p10违反了能量最低原理。(×)
错因:3p能级最多排6个电子,所以电子排布式(22Ti)1s22s22p63s23p10违反了泡利不相容原理。
(5)某些金属及化合物在灼烧时会产生特殊的颜色,是由于电子跃迁时能量以一定频率的光释放出来。(√)
错因:__________________________________________________________
(6)1s22s12p1表示的是激发态原子的电子排布。(√)
错因:__________________________________________________________
题组训练
题组一 原子核外电子排布的表示方法
1.下列轨道表达式能表示氮原子的最低能量状态的是( )
答案 A
解析 A项,表示氮原子的最低能量状态,正确;B、C项,2p轨道的3个电子排布违背洪特规则,不是基态原子的排布,错误;D项,表示B原子的基态核外电子排布,错误。
2.下列各项叙述正确的是( )
A.镁原子由1s22s22p63s2→1s22s22p63p2时,原子释放能量,由基态转化成激发态
B.价电子排布为5s25p1的元素位于第五周期第ⅠA族,是s区元素
C.所有原子任一能层的s电子云轮廓图都是球形,但球的半径大小不同
D.24 Cr原子的电子排布式是1s22s22p63s23p63d44s2
答案 C
解析 镁原子由1s22s22p63s2→1s22s22p63p2时,原子吸收能量,由基态转化成激发态,A错误;价电子排布为5s25p1的元素,位于第五周期第ⅢA族,是p区元素,B错误;所有原子任一能层的s电子云轮廓图都是球形,能层越大,球的半径越大,C正确;24Cr原子的电子排布式是1s22s22p63s23p63d54s1,半充满轨道能量较低,D错误。
题组二 核外电子的排布规律及应用
3.下列说法错误的是( )
A.ns电子的能量不一定高于(n-1)p电子的能量
B.6C的电子排布式1s22s22p违反了洪特规则
C.电子排布式(21Sc)1s22s22p63s23p63d3违反了构造原理
D.电子排布式(22Ti)1s22s22p63s23p10违反了泡利原理
答案 A
解析 ns电子的能量一定高于(n-1)p电子的能量,A错误;对于C原子来说,2p能级有3个能量相同的原子轨道,最后2个电子应以自旋状态相同的方式分布在两个不同的2p轨道上,违反了洪特规则,B正确;根据轨道能量高低顺序可知E4s
4.下列各组表述中,两个原子不属于同种元素原子的是( )
A.3p能级有一个空轨道的基态原子和核外电子的排布式为1s22s22p63s23p2的原子
B.2p能级无空轨道,且有一个未成对电子的基态原子和原子的最外层电子排布式为2s22p5的原子
C.M层全充满而N层为4s2的原子和核外电子排布式为1s22s22p63s23p64s2的原子
D.最外层电子数是核外电子总数1/5的原子和最外层电子排布式为4s24p5的原子
答案 C
解析 A项,3p能级有一个空轨道的基态原子,按洪特规则可得其3p轨道上只能有两个电子,所以两个原子是同种元素的原子;B项,2p能级无空轨道,且有一个未成对电子的基态原子,它的2p能级上只能是5个电子,所以两原子是同种元素的原子;C项,M层全充满而N层为4s2的原子,其M层应为18个电子,而后者的M层上只有8个电子,所以两原子不是同种元素的原子;D项,最外层电子数是核外电子总数的1/5的原子中,最外层电子数要小于或等于8个电子,且电子总数为5的倍数,所以可得该原子可能是原子序数为5、10、15、20、25、30、35、40,其中满足最外层电子数是核外电子总数的1/5且符合核外电子排布规则的只能是35号元素,该元素原子的外围电子排布式为4s24p5,所以两原子是同种元素的原子。
题组三 电子的跃迁
5.图中所发生的现象与电子的跃迁无关的是( )
答案 D
解析 燃放烟火、霓虹灯、燃烧蜡烛等获得的光能都是电子跃迁时能量以光的形式释放出来导致的,而平面镜成像则是光线反射的结果。
核外电子排布的四种表示方法
(1)电子排布式
按电子排入各电子层中各能级的先后顺序,用能级符号依次写出各能级中的电子数,同时注意特例。如Cu:1s22s22p63s23p63d104s1。
(2)简化电子排布式
用“[稀有气体]+价层电子”的形式表示。如Cu:[Ar]3d104s1。
(3)电子排布图(轨道表示式)
用方框(或圆圈)表示原子轨道,用“↑”或“↓”表示自旋状态不同的电子,按排入各电子层中各能级的先后顺序和在轨道中的排布情况书写。如S:
(4)原子结构示意图
如S的原子结构示意图为。
考点2 原子结构与元素的性质
知识梳理
1.原子结构与周期表的关系
(1)原子结构与周期的关系
每周期第一种元素的最外层电子的排布式为ns1。每周期结尾元素的最外层电子排布式除He为1s2外,其余为ns2np6。
(2)主族和0族元素的价电子排布特点
①主族
②0族:He:1s2;其他:ns2np6。
(3)元素周期表的分区
①周期表的分区
②根据元素金属性与非金属性可将元素周期表分为金属元素区和非金属元素区(如下图),处于金属与非金属交界线(又称梯形线)附近的非金属元素,又称为半金属或准金属。
2.元素周期律
(1)电离能
①第一电离能:气态电中性基态原子失去一个电子转化为气态基态正离子所需要的最低能量,符号:I1,单位:kJ·mol-1。
②规律
a.同周期:第一种元素的第一电离能最小,最后一种元素的第一电离能最大,总体呈现从左到右逐渐增大的变化趋势。第二、三、四周期的同周期主族元素,第ⅡA 族(ns2np0)和第ⅤA族(ns2np3),因p轨道处于全空或半充满状态,比较稳定,所以其第一电离能分别大于同周期相邻的ⅢA和ⅥA族元素,如第一电离能Mg>Al,P>S。
b.同族元素:从上至下第一电离能逐渐减小。
c.同种原子:随着电子的逐个失去,阳离子所带的正电荷数越来越多,再失去电子需克服的电性引力越来越大,消耗的能量越来越大,逐级电离能越来越大(即I1
①含义
用来描述不同元素的原子对键合电子吸引力的大小。电负性越大的原子,对键合电子的吸引力越大。
②标准
以氟的电负性为4.0作为相对标准,得出了各元素的电负性。
③规律
金属元素的电负性一般小于1.8,非金属元素的电负性一般大于1.8,而位于非金属三角区边界的“类金属”(如锗、锑等)的电负性则在1.8左右。
一般来说同一周期,从左至右,电负性逐渐增大,同一主族,从上至下,电负性逐渐减小。
(3)对角线规则
在元素周期表中,某些主族元素与右下方的主族元素的有些性质是相似的,如:
(1)金属活动性顺序与元素相应的电离能大小顺序不完全一致,故不能根据金属活动性顺序表判断电离能的大小。
(2)不能将电负性1.8作为划分金属和非金属的绝对标准。
(3)共价化合物中,两种元素电负性差值越大,它们形成共价键的极性就越强。
(4)同周期元素,从左到右,非金属性越来越强,电负性越来越大,第一电离能总体呈增大趋势。
判断正误,正确的画“√”,错误的画“×”,错误的指明错因。
(1)1~36号元素中,原子最外层有3个未成对电子的元素为N、P、As。(√)
错因:__________________________________________________________
(2)最外层有2个未成对电子的可能是ns2np2或ns2np4。短周期元素中分别为C、Si和O、S。(√)
错因:__________________________________________________________
(3)价电子排布为5s25p1的元素位于第五周期第ⅠA族,是s区元素。(×)
错因:价电子排布为5s25p1的元素,位于第五周期第ⅢA_族,是p区元素。
(4)电负性差值大于1.7时,一般形成离子键,小于1.7时,一般形成共价键。(√)
错因:__________________________________________________________
(5)根据元素周期律,氮与氧、镁与铝相比,都是后者的第一电离能大。(×)
错因:氮元素2p轨道半充满,较稳定,第一电离能大于氧元素;镁元素3p轨道全空,较稳定,第一电离能大于铝元素。
(6)主族元素的电负性越大,元素原子的第一电离能一定越大。(×)
错因:元素的电负性大,第一电离能不一定大。如N元素的电负性小于氧元素的电负性。但N元素原子2p能级为半满稳定状态,第一电离能大于O元素。
题组训练
题组一 元素周期表的分区
1.下列有关元素周期表分区的说法正确的是( )
A.s区全部是金属元素
B.p区全部是非金属元素
C.d区内元素原子的价电子排布必为(n-1)d1~10ns2
D.除ds区外,以最后填入电子的轨道能级符号作为区的名称
答案 D
解析 A项,s区中氢属于非金属元素;B项,p区中铅、铝等属于金属元素;C项,d区内铬的价电子排布为3d54s1。
题组二 元素周期律
2.现有三种元素的基态原子的电子排布式如下:①1s22s22p63s23p4;②1s22s22p63s23p3;③1s22s22p5。
则下列有关比较中正确的是( )
A.最高正化合价:③>②>①
B.原子半径:③>②>①
C.电负性:③>②>①
D.第一电离能:③>②>①
答案 D
解析 根据核外电子排布式可知①是S,②是P,③是F。F无正价,A错误;同周期主族元素自左向右原子半径逐渐减小,同主族自上而下原子半径逐渐增大,则原子半径:②>①>③,B错误;同周期自左向右元素的电负性逐渐增大,同主族自上而下元素的电负性逐渐减小,则电负性:③>①>②,C错误;同周期主族元素自左向右第一电离能呈增大趋势,但P的3p轨道电子处于半充满状态,稳定性强,第一电离能大于S,同主族从上到下第一电离能逐渐减小,则第一电离能:③>②>①,D正确。
3.已知元素X、Y同周期,且电负性X>Y,下列说法错误的是( )
A.X的原子序数一定大于Y
B.第一电离能Y一定小于X
C.X和Y在形成化合物时,X显负价、Y显正价
D.气态氢化物的稳定性:HmX大于HnY
答案 B
解析 由电负性大小可知X在Y的右边,A、C、D均正确;如果Y、X分别是ⅤA、ⅥA族,因为第ⅤA族最外层p能级半充满,所以Y的第一电离能大于X,B错误。
4.碲化锌(ZnTe)具有宽禁带的特性,常用于制作半导体材料,在太阳能电池、太赫兹器件、波导以及绿光光电二极管等方面具有良好应用前景。
(1)碲(Te)元素在周期表中的位置:____________;核外未成对电子数有________个。
(2)原子的第一电离能是指气态电中性基态原子失去一个电子转化为气态基态正离子所需的最低能量,第一电离能Zn________Ga(填“>”“<”或“=”)。
(3)基态锌原子的核外电子排布式为[Ar]________。
答案 (1)第五周期第ⅥA族 2
(2)> (3)3d104s2
解析 (1)碲的核电荷数为52,与氧元素同主族,位于周期表中第五周期第ⅥA族;碲的基态原子电子排布式为[Kr]4d105s25p4,则根据泡利不相容原理及洪特规则可知,其核外5p轨道上有2个未成对电子。
(2)(3)Zn的核外电子排布式为[Ar]3d104s2,Ga的核外电子排布式为[Ar]3d104s24p1,Zn的4p轨道为全空结构,相对稳定,其第一电离能大于Ga。
高考真题实战
1.(2018·高考题组)(1)(全国卷Ⅰ)①下列Li原子电子排布图表示的状态中,能量最低和最高的分别是________、________(填标号)。
②Li+与H-具有相同的电子构型,r(Li+)小于r(H-),原因是
_________________________________________________________________。
(2)(全国卷Ⅲ)①Zn原子核外电子排布式为____________________。
②黄铜是人类最早使用的合金之一,主要由Zn和Cu组成,第一电离能I1(Zn)________I1(Cu)(填“大于”或“小于”)。原因是_____________________。
(3)(全国卷Ⅲ)基态Fe原子价层电子的电子排布图(轨道表达式)为____________________________,基态S原子电子占据最高能级的电子云轮廓图为________形。
答案 (1)①D C ②Li+核电荷数较大
(2)①[Ar]3d104s2或1s22s22p63s23p63d104s2
②大于 Zn核外电子排布为全满稳定结构,较难失电子
(3) 哑铃(纺锤)
解析 (1)①根据核外电子排布规律可知Li的基态核外电子排布式为1s22s1,则D中能量最低;C中有2个电子处于2p能级上,能量最高。
②由于锂的核电荷数较大,原子核对最外层电子的吸引力较大,因此Li+的半径小于H-。
(2)①Zn是第30号元素,所以核外电子排布式为[Ar]3d104s2或1s22s22p63s23p63d104s2。
②Zn的第一电离能大于Cu的第一电离能,原因是Zn的核外电子排布已经达到了每个能级都是全满的稳定结构,所以失电子比较困难。
(3)基态Fe原子的核外电子排布式为
1s22s22p63s23p63d64s2,则其价层电子的电子排布图(轨道表达式)为;基态S原子的核外电子排布式为1s22s22p63s23p4,则电子占据的最高能级是3p,其电子云轮廓图为哑铃(纺锤)形。
2.(2017·高考题组)(1)(全国卷Ⅰ)①元素K的焰色反应呈紫红色,其中紫色对应的辐射波长为________nm(填标号)。
A.404.4 B.553.5 C.589.2 D.670.8
E.766.5
②基态K原子中,核外电子占据最高能层的符号是________,占据该能层电子的电子云轮廓图形状为________________。
(2)(全国卷Ⅱ)①氮原子价层电子的轨道表达式(电子排布图)为________________________。
②元素的基态气态原子得到一个电子形成气态负一价离子时所放出的能量称作第一电子亲和能(E1)。第二周期部分元素的E1变化趋势如图所示,其中除氮元素外,其他元素的E1自左而右依次增大的原因是_______________________;氮元素的E1呈现异常的原因是______________________________。
(3)(全国卷Ⅲ)Co基态原子核外电子排布式为____________。元素Mn与O中,第一电离能较大的是________,基态原子核外未成对电子数较多的是________。
(4)(江苏高考)①Fe3+基态核外电子排布式为____________。
②C、H、O三种元素的电负性由小到大的顺序为____________。
答案 (1)①A ②N 球形
(2)① ②同周期元素随核电荷数依次增大,原子半径逐渐变小,故结合一个电子释放出的能量依次增大 N原子的2p轨道为半充满状态,具有额外稳定性,故不易结合一个电子
(3)[Ar]3d74s2 O Mn
(4)①[Ar]3d5或1s22s22p63s23p63d5 ②H
②基态K原子的电子占据K、L、M、N四个能层,其中能量最高的是N能层。N能层上为4s电子,电子云轮廓图形状为球形。
(2)①氮原子的核外电子排布式为1s22s22p3,所以价层电子的轨道表达式(电子排布图)为。
(3)Co是27号元素,其基态原子核外电子排布式为[Ar]3d74s2或1s22s22p63s23p63d74s2。元素Mn与O中,由于O是非金属元素而Mn是金属元素,所以O的第一电离能大于Mn的。O基态原子核外电子排布式为1s22s22p4,其核外未成对电子数是2,而Mn基态原子核外电子排布式为[Ar]3d54s2,其核外未成对电子数是5,因此Mn的基态原子核外未成对电子数比O的多。
(4)①Fe位于元素周期表的第四周期第Ⅷ族内左起第1列,基态Fe原子的价层电子排布式为3d64s2。基态原子失电子遵循“由外向内”规律,故Fe3+基态核外电子排布式为[Ar]3d5或1s22s22p63s23p63d5。
②因非金属性H<C<O,故电负性:H<C<O。
3.(2016·高考题组)(1)(全国卷Ⅰ)①基态Ge原子的核外电子排布式为[Ar]__________,有__________个未成对电子。
②光催化还原CO2制备CH4反应中,带状纳米Zn2GeO4是该反应的良好催化剂。Zn、Ge、O电负性由大至小的顺序是__________________________。
(2)(全国卷Ⅱ)镍元素基态原子的电子排布式为__________,3d能级上的未成对电子数为__________。元素铜与镍的第二电离能分别为:ICu=1958 kJ·mol-1,INi=1753 kJ·mol-1,ICu>INi的原因是____________________________。
(3)(全国卷Ⅲ)根据元素周期律,原子半径Ga________As,第一电离能Ga________As。(填“大于”或“小于”)
(4)(四川高考)M、R、X、Y为原子序数依次增大的短周期主族元素,Z是一种过渡元素。M基态原子L层中p轨道电子数是s轨道电子数的2倍,R是同周期中最活泼的金属元素,X和M形成的一种化合物是引起酸雨的主要大气污染物,Z的基态原子4s和3d轨道半充满。则R基态原子的电子排布式是________,X和Y中电负性较大的是________(填元素符号)。
答案 (1)①3d104s24p2 2 ②O>Ge>Zn
(2)1s22s22p63s23p63d84s2或[Ar]3d84s2 2
铜失去的是全充满的3d10电子,镍失去的是4s1电子
(3)大于 小于 (4)1s22s22p63s1或[Ne]3s1 Cl
解析 (1)①在元素周期表中,锗位于硅正下方,锗的原子序数为14+18=32,基态原子的核外电子排布式为1s22s22p63s23p63d104s24p2或[Ar]3d104s24p2,未成对电子数为2。②锌、锗位于同周期,同一周期从左至右元素的电负性逐渐增大(稀有气体元素除外),而氧位于元素周期表右上角,电负性仅次于氟,由此得出氧、锗、锌的电负性依次减小。
(2)Ni元素原子核外有28个电子,电子排布式为1s22s22p63s23p63d84s2或[Ar]3d84s2。3d能级上有2个未成对电子。Cu、Ni失去一个电子后电子排布式分别为[Ar]3d10、[Ar]3d84s1,铜的3d轨道全充满,达到稳定状态,所以Cu的第二电离能相对较大。
(3)同周期主族元素从左到右,原子半径逐渐减小,第一电离能呈增大趋势。
(4)由M基态原子L层中p轨道电子数是s轨道电子数的2倍,可知M为O元素;R是同周期元素中最活泼的短周期金属元素,且原子序数大于O元素,故R为Na元素;X和M形成的一种化合物是引起酸雨的主要大气污染物,故X为S元素,Y为Cl元素;Z的基态原子4s和3d轨道半充满,故其电子排布式为1s22s22p63s23p63d54s1,故Z为Cr元素。R为Na元素,其基态原子的电子排布式为1s22s22p63s1;电负性较大的是Cl元素。
相关资料
更多

