所属成套资源:2020高考化学人教版创新设计一轮复习讲义()
2020创新设计一轮复习化学(人教版)讲义:第十章第2讲物质的分离、提纯与检验
展开
第2讲 物质的分离、提纯与检验
【2020·备考】
最新考纲:1.掌握常见物质分离与提纯的常用方法。2.掌握常见离子的检验方法。
核心素养:1.科学探究与创新意识:认识科学探究是进行科学解释和发现、创造和应用的科学实践活动;能发现和提出有探究价值的问题,从问题和假设出发,确定物质的分离和提纯以及检验探究方案,进行科学探究;善于合作,敢于质疑,勇于创新。
2.科学精神与社会责任:在物质分离与提纯的方案设计中,要具有环境保护和合理开发、利用资源的意识;能关心并积极参与和化学有关的社会热点问题的讨论,有社会责任感,敢于参与力所能及的决策和实践活动。
考点一 物质的分离和提纯
(频数:★★★ 难度:★★☆)
名师课堂导语 物质的分离与提纯是高频考点,在一卷和二卷都有所涉及,应掌握常见分离装置及使用注意事项,常见物质分离、提纯方法,能设计相关分离、提纯方案,另外一些创新型的分离、提纯装置也应加以关注。
1.分离、提纯的含义
2.物质分离与提纯的实验装置
(1)常规实验装置
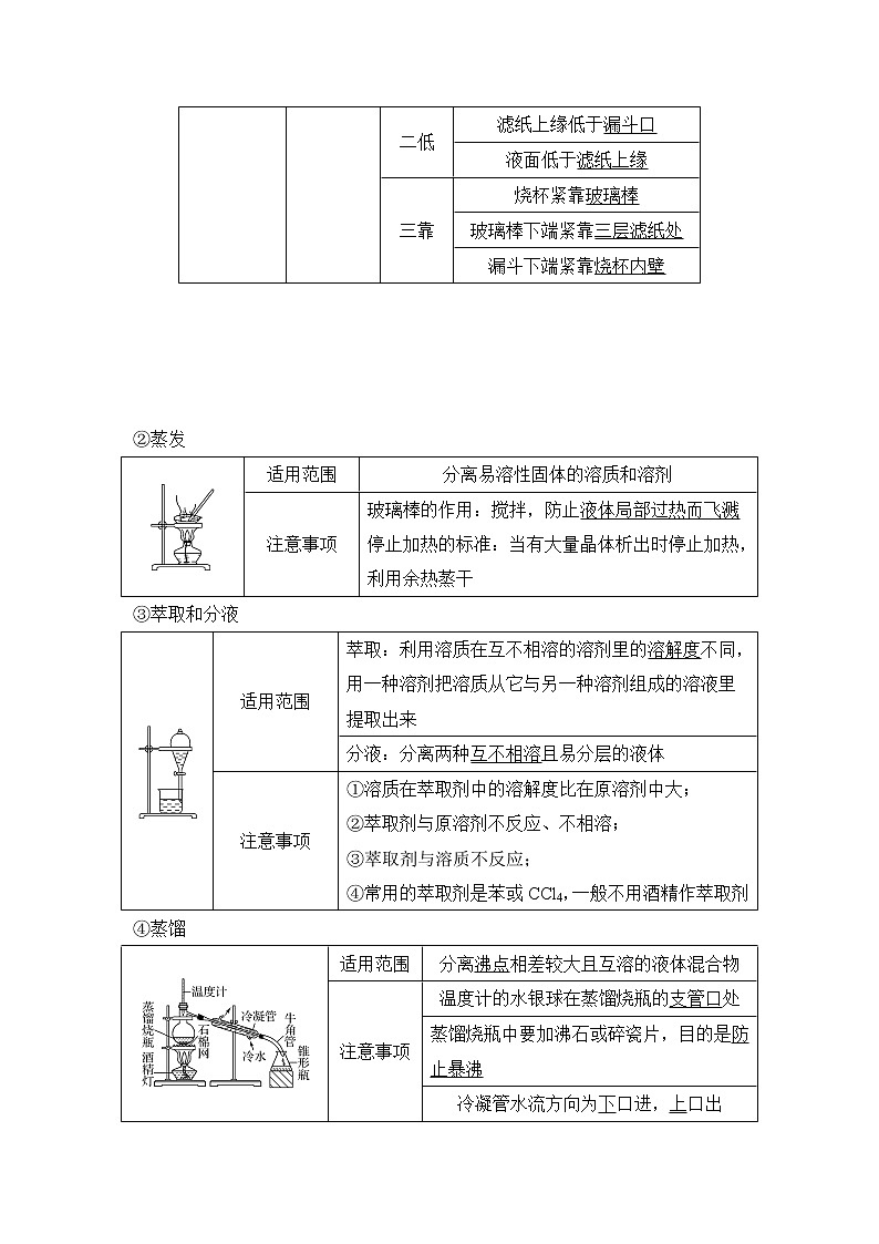
①过滤
适用范围
把不溶性固体与液体进行分离
注意事项
一贴
滤纸紧贴漏斗内壁
二低
滤纸上缘低于漏斗口
液面低于滤纸上缘
三靠
烧杯紧靠玻璃棒
玻璃棒下端紧靠三层滤纸处
漏斗下端紧靠烧杯内壁
②蒸发
适用范围
分离易溶性固体的溶质和溶剂
注意事项
玻璃棒的作用:搅拌,防止液体局部过热而飞溅
停止加热的标准:当有大量晶体析出时停止加热,利用余热蒸干
③萃取和分液
适用范围
萃取:利用溶质在互不相溶的溶剂里的溶解度不同,用一种溶剂把溶质从它与另一种溶剂组成的溶液里提取出来
分液:分离两种互不相溶且易分层的液体
注意事项
①溶质在萃取剂中的溶解度比在原溶剂中大;
②萃取剂与原溶剂不反应、不相溶;
③萃取剂与溶质不反应;
④常用的萃取剂是苯或CCl4,一般不用酒精作萃取剂
④蒸馏
适用范围
分离沸点相差较大且互溶的液体混合物
注意事项
温度计的水银球在蒸馏烧瓶的支管口处
蒸馏烧瓶中要加沸石或碎瓷片,目的是防止暴沸
冷凝管水流方向为下口进,上口出
⑤升华
适用范围
某种组分易升华的混合物,利用物质升华的性质在加热条件下分离的方法
注意事项
如NaCl固体中的I2可用该方法,但NH4Cl固体中的I2不能用升华的方法分离
(2)创新实验装置
①过滤装置的创新——抽滤
由于水流的作用,使装置a、b中气体的压强减小,故使过滤速率加快
②蒸馏装置的创新
由于冷凝管竖立,使液体混合物能冷凝回流,若以此容器做反应容器,可使反应物能循环利用,提高了反应物的转化率
3.物质分离与提纯的实验方法
①物质分离提纯的物理方法
②物质分离提纯的化学方法
方法
原理
举例
洗气法
将气体混合物通过洗气装置而除去杂质气体
让混合气体通过盛有饱和食盐水的洗气瓶除去Cl2中的少量HCl
沉淀法
将杂质离子转化为沉淀
Cl-、SO、CO及能形成弱碱的金属阳离子可加入适当的沉淀剂,使离子生成沉淀,过滤除去
气化法
将杂质离子转化为气体
CO、HCO、SO、HSO、NH等与H+或OH-反应生成气体除去
热分解法
用加热法除去固体混合物中易分解的物质
除去NaCl中的NH4Cl
酸碱溶解法
利用酸或碱将杂质溶解除去
用盐酸除去SiO2中的CaCO3
氧化还原法
利用氧化还原反应除去杂质
用酸性KMnO4溶液除去CO2中SO2
水解法
利用水解反应除去杂质
可用CuO、Cu(OH)2等除去CuCl2溶液中的FeCl3
电解法
利用电解原理分离和提纯物质
电解精炼铜,将含杂质的粗铜作阳极、精铜作阴极,电解液为含铜离子的溶液
[速查速测]
1.(易混点排查)正确的打“√”,错误的打“×”
(1)(全国新课标卷)除去Cu粉中混有CuO的实验操作是加入稀硝酸溶解、过滤、洗涤、干燥(×)
(2)(全国新课标卷)将Cl2与HCl的混合气体通过饱和食盐水可得到纯净的Cl2(×)
(3)( 全国新课标卷)用CCl4萃取碘水中的I2的实验操作是先从分液漏斗下口放出有机层,后从上口倒出水层(√)
(4)(海南化学)过滤操作中,漏斗的尖端应接触烧杯内壁(√)
(5)(天津理综)将气体通入澄清石灰水,溶液变浑浊,证明原气体是CO2(×)
2.分离提纯装置判断
(1)(天津理综)图A是蒸馏时的接收装置(×)
(2)(安徽理综)用图B完成苯萃取碘水中I2,分出水层后的操作(×)
(3)(全国新课标卷)用图C装置除去粗盐溶液中不溶物(×)
(4)( 全国新课标卷)用图D装置除去CO气体中的CO2气体(×)
(5)(江苏化学)用图E装置蒸干NH4Cl饱和溶液制备NH4Cl晶体(×)
(6)(天津化学)用图F装置从KI和I2的固体混合物中回收I2(×)
3.(教材实验探究)教材“实验1-1”探究
(1)除去粗盐中的Ca2+、Mg2+、SO杂质离子,应依次加入(写试剂化学式)__________________________________________________________________。
(2)过滤时所用到的玻璃仪器为__________________________________________。
(3)蒸发时,能否将母液蒸干后,再停止加热。_____________________________
_____________________________________________________________________。
答案 (1)BaCl2、NaOH、Na2CO3或BaCl2、Na2CO3、NaOH或NaOH、BaCl2、Na2CO3
(2)烧杯、漏斗、玻璃棒
(3)不能,如果将母液蒸干后,再停止加热,蒸发皿的余热会使析出的晶体受热不均而飞溅,造成食盐损失和实验事故
[A组 基础知识巩固]
1.(2018·山东名校联盟期末联考)《炼丹秘诀》中的“抽汞法”有如下叙述:“朱砂不计多少。入沙锅中以炭屑填平锅口,剪蛎壳板如锅大密钻小窍盖之,却将空沙锅一个与前锅二口相合,铁丝固济(包括有用铁丝缠和用盐泥固济二法),地下掘一穴安埋空锅,锻炼之后候冷取出,大概银朱一两只有真汞三钱。”文中涉及的操作方法是( )
A.蒸馏 B.升华
C.干馏 D.萃取
解析 意思为“向一沙锅中放入一定量的朱砂,用炭屑填平锅口,剪与锅一般大蛎壳板,在上面钻许多小孔,盖在锅上,再将一空沙锅与该锅的口密合,再用铁丝等固定密封,在地上挖一洞,将空锅放在洞口上,加热锻烧,冷却后可以得到汞”。即通过加热反应产生的汞蒸气冷却后得纯净汞。
答案 A
2.下列物质中杂质(括号内为杂质)的检验试剂、除杂试剂和除杂方法都正确的是( )
选项
物质及其杂质
检验试剂
除杂试剂
除杂方法
A
HCl(Cl2)
湿润的淀粉KI试纸
饱和食盐水
洗气
B
C2H5OH(H2O)
无水硫酸铜粉末
生石灰
蒸馏
C
CO2(SO2)
品红溶液
饱和碳酸钠溶液
洗气
D
NH4Cl(I2)
淀粉溶液
无
加热
解析 HCl极易溶于水,饱和食盐水能除去Cl2中的HCl气体,A错误。生石灰与水反应生成氢氧化钙,与乙醇的沸点相差较大,再通过蒸馏可得乙醇,B正确。饱和碳酸钠溶液与SO2、CO2均能反应,可以选择酸性高锰酸钾溶液除去CO2中的SO2,C错误。碘受热易升华,NH4Cl受热分解成NH3和HCl,遇冷又结合成NH4Cl固体,加热不能除去NH4Cl中的I2,D错误。
答案 B
3.从海带中提取碘要经过灼烧、浸取、过滤、氧化、萃取、分液、蒸馏等操作,下列对应的装置合理、操作规范的是( )
解析 A项,灼烧应选用坩埚,错误;B项,应用玻璃棒引流,错误;C项,碘的苯溶液应从上口倒出,错误。
答案 D
【反思归纳】
物质分离和提纯的原则与注意事项
(1)原则——“两不”和“两易”
两不:①不增(不增加新的杂质);②不减(不减少被提纯物质)。
两易:①易分离(被提纯物质与杂质易分离);②易复原(被提纯的物质易恢复原来的组成状态)。
(2)注意事项
①除杂试剂须过量。
②过量试剂须除尽。
③除去多种杂质时要考虑加入试剂的先后顺序,选择最佳的除杂途径。
[B组 考试能力过关]
4.(2018·海南化学,7)下列分离方法正确的是( )
A.回收水溶液中的I2 :加入乙酸,分液,蒸发
B.回收含有KCl的MnO2:加水溶解,过滤,干燥
C.除去氨气中的水蒸气:通过盛有P2O5的干燥管
D.除去乙醇中的水,加入无水氯化钙,蒸馏
答案 B
5.(2017·全国卷Ⅰ)《本草衍义》中对精制砒霜过程有如下叙述:“取砒之法,将生砒就置火上,以器覆之,令砒烟上飞着覆器,遂凝结累然下垂如乳,尖长者为胜,平短者次之。”文中涉及的操作方法是( )
A.蒸馏 B.升华 C.干馏 D.萃取
解析 “令砒烟上飞着覆器”“凝结”说明该操作为升华。
答案 B
6.(2015·全国卷Ⅰ)下列实验中,所采取的分离方法与对应原理都正确的是( )
选项
目的
分离方法
原理
A
分离溶于水的碘
乙醇萃取
碘在乙醇中的溶解度较大
B
分离乙酸乙酯和乙醇
分液
乙酸乙酯和乙醇的密度不同
C
除去KNO3固体中混杂的NaCl
重结晶
NaCl在水中的溶解度很大
D
除去丁醇中的乙醚
蒸馏
丁醇与乙醚的沸点相差较大
解析 乙醇与水互溶,不能用作萃取剂,A项错;乙醇和乙酸乙酯互溶,不能用分液方法分离,B项错;除去KNO3中NaCl杂质是利用二者在不同温度下溶解度变化差别很大,使用重结晶法,C项错;分离两种沸点差别较大的互溶液体,一般使用蒸馏操作,D项正确。
答案 D
7.(2014·全国卷)下列除杂方案错误的是( )
选项
被提纯的物质
杂质
除杂试剂
除杂方法
A
CO(g)
CO2(g)
NaOH溶液、浓H2SO4
洗气
B
NH4Cl(aq)
Fe3+(aq)
NaOH溶液
过滤
C
Cl2(g)
HCl(g)
饱和食盐水、浓H2SO4
洗气
D
Na2CO3(s)
NaHCO3(s)
-
灼烧
解析 A项,NaOH溶液吸收CO2,浓H2SO4除去水蒸气,且两种试剂都不与CO反应,正确;B项,NaOH溶液不仅能与Fe3+反应,还能与NH反应,且还能引入杂质,错误;C项,饱和食盐水可以除去HCl,浓H2SO4可以除去水蒸气,正确;D项,灼烧能使NaHCO3固体分解生成Na2CO3,正确。
答案 B
考点二 离子的检验与推断
(频数:★★☆ 难度:☆☆☆)
名师课堂导语 本考点在高考中主要考查:(1)常见离子(或物质)的检验方法。(2)离子推断。特别是有干扰离子时,某些离子的检验更是考查重点,复习时要加以关注。
1.离子检验的三种方法
(1)沉淀法
离子
试剂
现象
反应原理(离子方程式)
Cl-、Br-、I-
稀HNO3和AgNO3溶液
AgCl(白色)、AgBr(淡黄色)、AgI(黄色)
Ag++Cl-===AgCl↓、Ag++Br-===AgBr↓、Ag++I-===AgI↓
SO
稀盐酸和BaCl2溶液
白色沉淀
Ba2++SO==BaSO4↓
Fe2+
NaOH溶液
白色沉淀→灰绿色沉淀→红褐色沉淀
Fe2++2OH-===
Fe(OH)2↓、4Fe(OH)2+O2+2H2O===4Fe(OH)3
K3[Fe(CN)6] 溶液
蓝色沉淀
3Fe2++2[Fe(CN)6]3-=== Fe3[Fe(CN)6]2↓
Fe3+
NaOH溶液
红褐色沉淀
Fe3++3OH-===
Fe(OH)3↓
(2)气体法
离子
试剂
现象
反应原理(离子方程式)
NH
浓NaOH溶液和湿润的红色石蕊试纸
产生有刺激性气味的气体,且气体能使湿润的红色石蕊试纸变蓝
NH+OH-NH3↑+H2O
CO
稀盐酸和石灰水
石灰水变浑浊
CO+2H+===H2O+CO2↑,CO2+Ca2++2OH-=== CaCO3↓+H2O
SO
稀H2SO4和品红溶液
产生有刺激性气味的气体,且气体能使品红溶液褪色
SO+2H+===SO2↑+H2O
(3)显色法
离子
试剂
现象
反应原理(离子方程式)
I-
氯水、淀粉溶液
溶液变蓝色
2I-+Cl2===2Cl-+I2
Fe2+
KSCN溶液和氯水
先加KSCN溶液无变化,滴加氯水后变红色
2Fe2++Cl2===2Fe3++2Cl-,Fe3++3SCN-===Fe(SCN)3
Fe3+
KSCN溶液
红色
Fe3++3SCN-===Fe(SCN)3
Na+、K+
Pt(Fe)丝和稀盐酸
火焰分别呈黄色、紫色
K+要透过蓝色钴玻璃观察焰色
2.排除三种离子检验的“干扰”
(1)SO的检验
①检验方法
②排除干扰
Ag+的干扰
先用盐酸酸化,能防止Ag+干扰
CO、SO的干扰
因为BaCO3、BaSO3也是白色沉淀,与BaSO4白色沉淀不同的是这些沉淀能溶于盐酸中,因此检验SO时,必须先用盐酸酸化(不能用HNO3、H2SO4酸化)
所用的钡盐不能用Ba(NO3)2溶液,因为在酸性条件下,SO、HSO会被溶液中的NO(H+)氧化成SO,从而得出错误结论。
(2)CO的检验
①检验方法
②排除干扰
HCO的干扰
若被检液中不含CO而含有HCO,则加入CaCl2(或BaCl2)溶液时不会产生白色沉淀,故可用BaCl2(或CaCl2)不能用Ba(OH)2[或Ca(OH)2]
SO的干扰
因为CaSO3与CaCO3一样,也是白色沉淀,且CaSO3也能与盐酸反应产生使澄清石灰水变浑浊的气体(SO2),但SO2是有刺激性气味的气体,故可用无色无味来排除SO的干扰
(3)Fe2+的检验
①溶液中只含Fe2+:可用KSCN溶液和氯水检验,不考虑干扰问题。
②溶液中含Fe2+、Fe3+,不含Cl-时,可加入酸性KMnO4溶液,溶液褪色,说明溶液中含有Fe2+,不能用KSCN溶液和氯水,原因是Fe3+形成干扰。
③溶液中含有Fe2+、Fe3+、Cl-时,加入K3[Fe(CN)6](铁氰化钾)溶液,生成蓝色沉淀,不能用酸性KMnO4溶液,原因是Cl-也能使酸性KMnO4溶液褪色,Cl-能形成干扰。
3.离子推断中的基本原则
[速查速测]
1.(易混点排查)正确的打“√”,错误的打“×”
(1)加入稀盐酸酸化的BaCl2溶液,出现白色沉淀,则溶液中可能有SO或Ag+(√)
(2)加入CaCl2溶液,有白色沉淀生成,溶液中一定存在CO(×)
(3)滴入硝酸酸化的BaCl2溶液,产生白色沉淀,溶液中一定存在SO(×)
(4)加入稀硫酸,产生使品红褪色的无色有刺激性气味的气体,则溶液中一定存在SO(×)
(5)某溶液的焰色反应呈黄色,则溶液中一定有钠元素,不能确定是否有钾元素(√)
2.[教材改编题](RJ必修1·P103改编)下列鉴别方法可行的是( )
A.滴加稀NaOH溶液,将湿润红色石蕊试纸置于试管口检验溶液中是否含有NH
B.用Ba(NO3)2溶液鉴别Cl-、SO和CO
C.通入少量Cl2后,溶液变为棕黄色,再加入淀粉溶液后,溶液变蓝,说明有I-
D.加入碳酸钠溶液产生白色沉淀,再加盐酸白色沉淀消失,说明有Ca2+
答案 C
3.(思维探究)怎样检验溶液中既有Cl-,又有SO?
答案 向试液中,先加足量的Ba(NO3)2溶液,生成白色沉淀,过滤后,再向滤液中加入AgNO3溶液,仍有白色沉淀,且白色沉淀不溶于稀HNO3。
[A组 基础知识巩固]
1.(2018·安徽省“江淮十校”高三第一次联考)下列关于离子检验的说法正确的是( )
A.检验溶液中是否含有Ba2+:取少量待测液,向其中加入少量稀硫酸,若有白色沉淀产生,则溶液中含有Ba2+
B.检验用硫酸亚铁制得的硫酸铁中是否含有硫酸亚铁,可选用的试剂是酸性KMnO4溶液
C.检验溶液中是否含有CO:取少量待测液,向其中加入适量稀盐酸,观察是否有大量气泡产生
D.在未知溶液中滴加BaCl2溶液出现白色沉淀,加稀硝酸,沉淀不溶解,说明该未知溶液中存在SO或SO
解析 A.如果溶液中含有Ca2+、Ag+等,向其中加入少量稀硫酸,会有硫酸钙、硫酸银等白色沉淀产生,所以不能确定溶液中含有Ba2+,故A错误;B.硫酸亚铁可将KMnO4还原而使酸性KMnO4溶液褪色,故B正确;C.HCO、SO、HSO也可遇稀盐酸产生大量气泡,故C错误;D.也可能存在Ag+,产生氯化银白色沉淀,故D错误。
答案 B
2.(2018·郑州模拟)某化学兴趣小组在课外活动中,对某一份溶液成分(已知不含其他还原性离子)进行了检测,其中三次检测结果如下表所示:
检测序号
溶液中检测出的离子组合
第一次
KCl、K2SO4、Na2CO3、NaCl
第二次
KCl、AlCl3、Na2SO4、K2CO3
第三次
Na2SO4、KCl、K2CO3、NaCl
则下列说法合理的是( )
A.三次检测结果都正确
B.该溶液中的阳离子无法判断
C.为了检验SO,应先加过量稀硝酸后再滴加Ba(NO3)2溶液,观察是否有沉淀现象
D.为了确定是否存在CO,可以向其中滴加CaCl2溶液,观察是否有沉淀现象
解析 Al3+与CO不能大量共存于溶液中,第二次检测结果不正确,A项错误;因第一次、第三次检测中均有CO,阳离子均只有K+、Na+,故溶液中的阳离子可以确定,B项错误;CO也能与Ba2+结合形成沉淀,先加过量稀硝酸可排除CO的干扰,再加Ba(NO3)2溶液来检验SO,C项正确;CaSO4也可沉淀出来,D项错误。
答案 C
3.某同学为检验溶液中是否含有常见的几种无机离子,进行了如图所示的实验操作。其中检验过程中产生的气体能使湿润的红色石蕊试纸变蓝。由该实验能得到的正确结论是( )
A.原溶液中一定含有SO B.原溶液中一定含有NH
C.原溶液中一定含有Cl- D.原溶液中一定含有Fe3+
解析 原溶液中加入Ba(NO3)2和HCl生成白色沉淀,原溶液中可能存在SO、SO或Ag+,A错误;因检验过程中产生的气体能使湿润的红色石蕊试纸变蓝,说明原溶液中一定含有NH,B正确;加AgNO3溶液产生白色沉淀,可能是加入的HCl引起的,C错误;加入KSCN溶液得到红色溶液,Fe3+可能是由原溶液中的Fe2+被H+、NO氧化而来的,故原溶液中不一定含有Fe3+,D错误。
答案 B
【思维建模】
无色溶液中离子检验的一般思路
[B组 考试能力过关]
4.(2018·海南化学,4)下列化合物中,能与Na2CO3溶液反应生成沉淀且沉淀可溶于NaOH溶液的是( )
A.MgCl2 B.Ca(NO3)2
C.FeSO4 D.AlCl3
答案 D
5.(2016·课标全国Ⅱ,12)某白色粉末由两种物质组成,为鉴别其成分进行如下实验:
①取少量样品加入足量水仍有部分固体未溶解;再加入足量稀盐酸,有气泡产生,固体全部溶解;
②取少量样品加入足量稀硫酸有气泡产生,振荡后仍有固体存在。
该白色粉末可能为( )
A.NaHCO3、Al(OH)3 B.AgCl、NaHCO3
C.Na2SO3、BaCO3 D.Na2CO3、CuSO4
解析 A项,NaHCO3、Al(OH)3 中加入足量稀硫酸有气泡产生,生成硫酸钠、硫酸铝、二氧化碳和水,最终无固体存在,错误;B项,AgCl不溶于酸,固体不能全部溶解,错误;C项,亚硫酸钠和碳酸钡加入水,碳酸钡不溶于水使部分固体不溶解,加入稀盐酸,碳酸钡与盐酸反应生成氯化钡、二氧化碳和水,固体全部溶解,再将样品加入足量稀硫酸,稀硫酸和碳酸钡反应生成硫酸钡沉淀、二氧化碳和水,正确;D项,Na2CO3、CuSO4中加入足量稀硫酸,振荡后无固体存在,错误。
答案 C
6.(2016·四川理综,2)根据下列实验操作和现象得出的结论正确的是( )
选项
实验操作
现象
结论
A
将某溶液与稀盐酸反应产生的气体通入澄清石灰水
石灰水变浑浊
该溶液中一定含有CO
B
常温下,将铁片浸入足量浓硫酸中
铁片不溶解
常温下,铁与浓硫酸一定没有发生化学反应
C
向某食盐溶液中滴加淀粉溶液
溶液颜色不变
该食盐中一定没有添加KIO3
D
向苯酚钠溶液中滴加乙酸溶液
溶液变浑浊
相同条件下,乙酸的酸性一定比苯酚强
解析 A项,能使澄清石灰水变浑浊的气体有SO2或CO2,因此溶液中可能含有CO、HCO、HSO、SO中的一种或几种,错误;B项,发生钝化,即在铁表面生成一层致密的氧化物薄膜,阻止进一步被氧化,发生了化学变化,错误;C项,淀粉遇I2溶液才变蓝,要检验KIO3,需要先将IO转化为I2,错误;D项,苯酚钠与乙酸反应生成苯酚,说明乙酸的酸性强于苯酚,正确。
答案 D
[A级 全员必做题]
1.(2018·烟台期末)清初《泉州府志》物产条载:“初,人不知盖泥法,元时南安有黄长者为宅煮糖,宅垣忽坏,去土而糖白,后人遂效之。”文中“盖泥法”的原理与下列相同的是( )
A.活性炭净水 B.用漂白粉漂白织物
C.除去KNO3中的NaCl D.除去河水中泥沙
解析 文中“去土而糖白”是指固体土吸附糖色,所以文中“盖泥法”的原理与活性炭净水相同,故选A项。
答案 A
2.(2018·山东烟台会诊,8)中国传统文化对人类文明贡献巨大。下列各文献中所记载的古代化学研究过程或成果不涉及分离提纯操作的是( )
A.《本草纲目》:“(烧酒)自元时创始,其法用浓酒和糟入甑,蒸令气上,用器盛露滴。”
B.《齐民要术》:“凡酿酒失所味者,或初好后动未压者,皆宜廻作醋。”
C.《开宝本草》:“(消石)所在山泽,冬月地上有霜扫取,以水淋汁,后乃煎炼而成。”
D.《天工开物》:“草木之实,其中蕴藏膏液,而不能自流,假媒水火,凭藉木石,而后倾注而出焉。”
解析 A项,描述的是酒的蒸馏,涉及分离提纯操作;B项,酒精在醋酸菌的作用下氧化可以转化成醋酸和水,涉及化学反应但没有涉及分离提纯操作;C项,包含溶解、蒸发结晶,涉及分离提纯操作;D项,榨油或加热使油脂从果实中分离出来,涉及分离提纯操作。
答案 B
3.为提纯下列物质(括号内为杂质),选用的试剂或分离方法错误的是( )
选项
物质
试剂
分离方法
A
硝酸钾(氯化钠)
蒸馏水
降温结晶
B
二氧化碳(氯化氢)
饱和NaHCO3溶液
洗气
C
甲烷(乙烯)
酸性高锰酸钾溶液
洗气
D
乙醇(水)
生石灰
蒸馏
解析 KNO3的溶解度受温度影响较大,而NaCl的溶解度受温度影响较小,可加蒸馏水溶解固体,再通过蒸发浓缩、降温结晶的方法,获得纯净的KNO3固体,A项正确;HCl与饱和NaHCO3溶液反应生成二氧化碳,B项正确;乙烯被酸性KMnO4溶液氧化生成CO2,使甲烷中混入CO2气体,C项错误;加入的生石灰能与水反应生成Ca(OH)2,消耗掉部分水,再通过蒸馏获得乙醇,D项正确。
答案 C
4.下列装置所示的分离、提纯方法和物质的溶解性无关的是( )
解析 洗气法、冷却结晶、萃取及分液都与物质的溶解性有关,而蒸馏法分离液体混合物是利用各液体组分的沸点不同,与物质的溶解性无关。
答案 C
5.(2018·沈阳质量监测)下列检验方法不合理的是( )
选项
实验
检验方法
A
向沸水中滴加5~6滴饱和FeCl3溶液,继续煮沸至溶液呈红褐色,停止加热,得Fe(OH)3胶体
用激光笔照射烧杯中的液体
B
证明溶液中存在NH
滴加浓NaOH溶液,加热,将湿润的红色石蕊试纸置于试管口,试纸变蓝
C
区分AgNO3溶液和Al2(SO4)3溶液
分别取少量溶液,滴加BaCl2溶液
D
证明氯水中起漂白作用的不是Cl2
用CCl4充分萃取,将红纸条分别浸入分层后的溶液中
解析 胶体的制备和检验方法均正确,A项不符合题意;铵根离子的检验方法正确,B项不符合题意;向硝酸银溶液中加入氯化钡溶液生成氯化银白色沉淀,向硫酸铝溶液中加入氯化钡溶液生成硫酸钡白色沉淀,二者现象相同,不能区分,C项符合题意;此方法能够证明Cl2没有漂白性,D项不符合题意。
答案 C
6.下列说法不正确的是( )
A.葡萄糖溶液和乙酸可用新制氢氧化铜鉴别
B.植物油和矿物油可用热的饱和碳酸钠溶液鉴别
C.甲苯和乙醇可用酸性高锰酸钾溶液鉴别
D.乙醇、苯、四氯化碳既可用燃烧法鉴别,又可用水鉴别
解析 葡萄糖溶液与新制氢氧化铜在加热条件下反应产生砖红色沉淀,新制氢氧化铜与乙酸发生中和反应,溶液变蓝,A项正确;矿物油不溶于热的饱和碳酸钠溶液而出现分层,但热的饱和碳酸钠溶液会使植物油水解而使油层变少,B项正确;甲苯和乙醇都能使酸性高锰酸钾溶液褪色,不能鉴别,C项错误;乙醇燃烧产生淡蓝色火焰且无烟,苯燃烧时火焰明亮且有浓烟,四氯化碳不能燃烧,所以可以用燃烧法鉴别三者,由于乙醇易溶于水,苯不溶于水且密度比水小,四氯化碳不溶于水且密度比水大,所以用水也可以鉴别三者,D项正确。
答案 C
7.下表中根据实验操作和现象所得出的结论正确的是( )
选项
实验操作
实验现象
结论
A
蘸有浓氨水的玻璃棒靠近浓X溶液
有白烟产生
X一定是HCl
B
将Cl2持续通入淀粉KI溶液中
溶液先变蓝色,后褪色
氯气先表现氧化性,后表现漂白性
C
向强酸性溶液Y中加入Ba(NO3)2溶液,静置后再加入铁氰化钾溶液
只有白色沉淀产生
Y中一定含有SO,一定不含Fe2+
D
将无色气体X通入品红溶液中,然后加热
开始时品红溶液褪色,加热后又恢复红色
X中一定含有SO2
解析 能与氨气反应产生白烟的有浓盐酸、浓硝酸等,A项错误;将Cl2持续通入淀粉KI溶液中,先将I-氧化为I2,然后将I2氧化为IO,整个过程只表现出氧化性,B项错误;酸性条件下NO具有强氧化性,能把溶液Y中的Fe2+氧化成Fe3+,加入铁氰化钾溶液时不产生蓝色沉淀,故溶液Y中可能含有Fe2+,C项错误;能使品红溶液褪色,加热后又恢复红色的气体只能为SO2,D项正确。
答案 D
8.[2018·广东佛山教学质量检测(二)]超临界状态下的CO2流体溶解性与有机溶剂相似,可提取中药材的有效成份,工艺流程如下。
下列说法中错误的是( )
A.浸泡时加入乙醇有利于中草药有效成分的浸出
B.高温条件下更有利于超临界CO2流体萃取
C.升温、减压的目的是实现CO2与产品分离
D.超临界CO2流体萃取中药材具有无溶剂残留、绿色环保等优点
解析 高温条件下,二氧化碳为气态,而萃取是利用超临界状态下的CO2流体,故高温条件下不利于超临界CO2流体萃取,B项错误。
答案 B
9.某化学兴趣小组从含有KI、KNO3等成分的工业废水中回收I2和KNO3,其流程如下:
下列说法正确的是( )
A.步骤1中有机相应从分液漏斗下端放出,无机相从上口倒出
B.步骤2使用的玻璃仪器有蒸馏烧瓶、酒精灯、牛角管、球形冷凝管、锥形瓶
C.步骤3可在装置中完成
D.步骤4中,将溶液蒸发至只剩少量水时,用余热将晶体蒸干
解析 步骤1为萃取分液操作,苯的密度比水小,故有机相应从分液漏斗上口倒出,A错误;步骤2为蒸馏,应选用直形冷凝管,球形冷凝管一般用于冷凝回流,B错误;步骤3为升华,用图中装置能较好地控制温度,C正确;步骤4为蒸发结晶,由于KNO3的溶解度随温度变化比较大,应采用蒸发浓缩、冷却结晶的方法,因此加热至有少量晶体出现就可停止加热,D错误。
答案 C
10.我国青海查尔汗盐湖蕴藏着丰富的食盐资源。经分析知道,该湖水中含有高浓度的Na+、K+、Mg2+及Cl-等。利用盐湖水可得到某些物质。其主要工业流程如下:
请根据上述流程,回答下列问题:
(1)利用湖水得到晶体(A)的方法是________结晶法(填“降温”或“蒸发”)。
(2)操作Ⅰ的名称为________,此操作适用于分离_____________________________________________________________________
_____________________________________________________________________。
(3)本流程中分别采用条件1和条件2获得不同晶体,所以依据的物理量是________。
a.摩尔质量 B.溶解度
c.溶解性 D.熔、沸点
(4)检验钾肥中是否含有Na+的实验方法是________,若含有Na+,能观察到的现象是________。若需得到高纯度的钾肥,可以采用的提纯方法为________。
解析 (1)天然湖水应采用蒸发的方法使溶质结晶。(2)不溶性固体和液体混合物的分离,应用过滤的方法。(3)由流程图可知,条件1和条件2温度不同,是利用物质在不同温度下的溶解度的大小不同而进行分离的。(4)检验Na+、K+等应用焰色反应。
答案 (1)蒸发 (2)过滤 不溶性固体和液体混合物 (3)b (4)焰色反应 火焰呈黄色 重结晶法
11.(2016·海南)某废催化剂含58.2%的SiO2、21.0%的ZnO、4.5%的ZnS和12.8%的CuS。某同学用15.0 g该废催化剂为原料,回收其中的锌和铜。采用的实验方案如下:
回答下列问题:
(1)在下列装置中,第一次浸出必须用________,第二次浸出应选用________。(填标号)
(2)第二次浸出时,向盛有滤液1的反应器中加入稀硫酸,后滴入过氧化氢溶液。若顺序相反,会造成________。滤渣2的主要成分是________。
(3)浓缩硫酸锌、硫酸铜溶液使用的器皿名称是________。
(4)某同学在实验完成之后,得到1.5 g CuSO4·5H2O,则铜的回收率为________。
解析 (1)根据题给化学工艺流程知第一次浸出发生反应ZnO+H2SO4===ZnSO4+H2O、ZnS+H2SO4===ZnSO4+H2S↑,有有毒气体H2S生成,必须用氢氧化钠溶液进行尾气处理,选D装置,第二次浸出时发生反应:CuS+H2O2+H2SO4===CuSO4+S+2H2O,不产生有毒气体,可选用A装置。(2)第二次浸出时,向盛有滤液1的反应器中加入稀硫酸,后滴入过氧化氢溶液。若顺序相反,会造成H2O2与固体颗粒接触分解。滤渣2的主要成分是二氧化硅。(3)浓缩硫酸锌、硫酸铜溶液使用的器皿名称是蒸发皿。(4)15.0 g废催化剂中含有铜的物质的量为15.0 g×12.8%÷96 g/mol=0.02 mol,1.5 g CuSO4·5H2O中铜的物质的量为1.5 g÷250 g/mol=0.006 mol,则铜的回收率为0.006 mol/0.02 mol×100%=30%。
答案 (1)D A (2)H2O2与固体颗粒接触分解 SiO2
(3)蒸发皿 (4)30%
[B级 拔高选做题]
12.(2019·晋豫省际大联考,7)过碳酸钠是过氧化氢与碳酸钠通过反应得到的一种固体物质,具有双氧水的性质,主要用作漂白剂、氧化剂、去污剂、清洗剂以及杀菌剂,一种制备过碳酸钠的工艺如下。
下列说法中正确的是( )
A.过碳酸钠是混合物
B.为了加快反应速率,应该在高温下进行反应,再冷却析出更多过碳酸钠
C.稳定剂使碱性溶液转化为酸性溶液,让过碳酸钠更稳定
D.操作a应该是过滤、洗涤
解析 过碳酸钠是具有确定化学组成的化合物,A项错误。高温会使过氧化氢分解而无法得到过碳酸钠,B项错误。稳定剂是硫酸镁和硅酸钠,都不能使溶液显酸性,C项错误。反应后,经冷却结晶、过滤、洗涤、干燥就可得到产品,D项正确。
答案 D
13.(2019·广东江门高考模拟,10)实验室在500 ℃时隔绝空气加热硫酸亚铁铵[(NH4)2Fe(SO4)2]至分解完全并确定分解产物成分的装置如图所示(已知分解的固体产物可能有FeO、Fe2O3和Fe3O4,气体产物可能有NH3、N2、H2O、SO3和SO2)。下列说法中正确的是( )
A.装置②用于检验分解产物中是否有水蒸气生成,试剂X最好选用碱石灰
B.装置③用于检验分解产物中是否有SO3气体生成并除去SO3和NH3
C.取①中固体残留物与稀硫酸反应并滴加KSCN溶液,溶液变红色,则残留物一定为Fe2O3
D.装置④用于检验分解产物中是否有SO2气体生成,装置⑤用于收集生成的NH3和N2
解析 装置②的作用是检验产物中是否有水蒸气生成,故试剂X应为无水硫酸铜,A项错误;装置③用于检验产物中是否有SO3气体生成,若存在则装置③中会产生白色沉淀,并可用盐酸除去NH3,B项正确;取①中固体残留物与稀硫酸反应并滴加KSCN溶液,溶液变红色,则①中固体残留物中也可能含有Fe3O4,不一定有Fe2O3,C项错误;氨气极易溶于水,若分解产物中有NH3,则氨气被装置③吸收,装置⑤不可能收集到氨气,D项错误。
答案 B
14.(2016·全国卷Ⅲ,26)过氧化钙微溶于水,溶于酸,可用作分析试剂、医用防腐剂、消毒剂。以下是一种制备过氧化钙的实验方法。回答下列问题:
(一)碳酸钙的制备
(1)步骤①加入氨水的目的是___________________________________________。
小火煮沸的作用是使沉淀颗粒长大,有利于________。
(2)右图是某学生的过滤操作示意图,其操作不规范的是________(填标号)。
a.漏斗末端颈尖未紧靠烧杯壁
b.玻璃棒用作引流
c.将滤纸湿润,使其紧贴漏斗壁
d.滤纸边缘高出漏斗
e.用玻璃棒在漏斗中轻轻搅动以加快过滤速度
(二)过氧化钙的制备
CaCO3滤液白色结晶
(3)步骤②的具体操作为逐滴加入稀盐酸,至溶液中尚存有少量固体,此时溶液呈________性(填“酸”、“碱”或“中”)。将溶液煮沸,趁热过滤。将溶液煮沸的作用是____________________________。
(4)步骤③中反应的化学方程式为_______________________________________,
该反应需要在冰浴下进行,原因是_______________________________________。
(5)将过滤得到的白色结晶依次使用蒸馏水、乙醇洗涤,使用乙醇洗涤的目的是________。
(6)制备过氧化钙的另一种方法是:将石灰石煅烧后,直接加入双氧水反应,过滤后可得到过氧化钙产品。该工艺方法的优点是____________________________,
产品的缺点是________________________________________________________。
解析 (1)反应混合液中盐酸过量,加入氨水可以中和盐酸,调节溶液的pH使Fe3+转化为Fe(OH)3沉淀而除去。小火煮沸的作用是使沉淀颗粒长大,有利于过滤分离。(2)a项,漏斗末端颈尖未紧靠烧杯壁,容易造成溶液飞溅,错误;b项,玻璃棒用作引流,正确;c项,将滤纸湿润,使其紧贴漏斗壁,防止有气泡,正确;d项,滤纸边缘应低于漏斗口,错误;e项,用玻璃棒在漏斗中轻轻搅动容易划破滤纸,错误。(3)步骤②中逐滴加入稀盐酸,至溶液中尚存有少量固体,此时溶液中含有大量的CO2,溶液呈酸性,而CaO2溶于酸,故应将溶液煮沸以除去溶解的CO2气体。(4)根据题意可知反应物为CaCl2、H2O2、NH3·H2O,产物为CaO2、NH4Cl和H2O,则反应的化学方程式为CaCl2+2NH3·H2O+H2O2===CaO2↓+2NH4Cl+2H2O,由于H2O2在高温下易分解,所以反应应在冰浴中进行。(5)由于乙醇与水互溶且易挥发,所以使用乙醇洗涤去除晶体表面的水分。(6)制备过氧化钙的另一种方法将石灰石煅烧后,直接加入双氧水反应,过滤后可得到过氧化钙产品。该工艺方法的优点是:工艺简单,操作方便,产品的缺点是:没有除杂净化工艺,所制得产品纯度低。
答案 (1)调节溶液pH使Fe(OH)3沉淀 过滤分离 (2)ade
(3)酸 除去溶液中的CO2
(4)CaCl2+2NH3·H2O+H2O2===CaO2↓+2NH4Cl+2H2O或CaCl2+2NH3·H2O+H2O2+6H2O===CaO2·8H2O↓+2NH4Cl 温度过高时双氧水易分解
(5)去除晶体表面水分
(6)工艺简单,操作方便 纯度较低

