还剩19页未读,
继续阅读
所属成套资源:2021经典版高三全国统考化学一轮精品学案()
成套系列资料,整套一键下载
2021高三全国统考化学(经典版)一轮学案:第11章第2节 物质的分离、提纯与检验
展开
第2节 物质的分离、提纯与检验
[考试说明] 1.掌握常见离子的检验方法,能对常见的物质的组成进行检验和分析。2.掌握常见气体的检验方法。3.掌握过滤、蒸发、萃取、蒸馏等物质分离、提纯的常用方法,能对常见物质进行分离与提纯。
[命题规律] 物质的检验、分离与提纯方法属于化学实验的基础知识与技能,是高考的重点与热点内容之一。主要考点有四个:一是离子的检验,如Fe3+、NH等;二是气体的检验,如NH3、SO2等;三是物质分离与提纯的方法,如过滤、蒸馏等;四是综合运用化学知识设计实验方案对离子、气体、有机物等进行检验、分离与提纯。
考点1 物质的分离和提纯
知识梳理
1.物质分离、提纯的区别
(1)物质的分离
将混合物中的各组分分离开来,获得几种纯净物的过程。
(2)物质的提纯
将混合物中的杂质除去而得到纯净物的过程,又叫物质的净化或除杂。
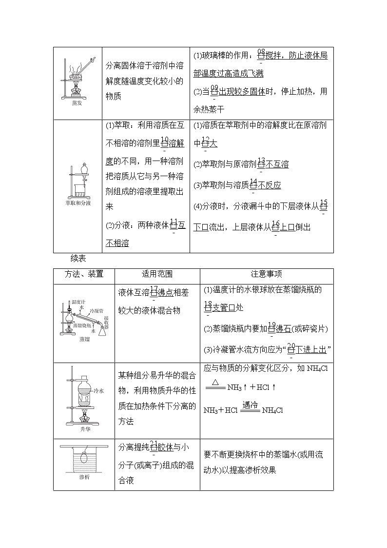
2.物质分离、提纯的常用方法
方法、装置
适用范围
注意事项
把不溶性固体和溶液进行分离
(1)一贴:滤纸紧贴漏斗内壁;
二低:滤纸低于漏斗边缘,液面低于滤纸边缘;
三靠:倾倒混合物的烧杯紧靠玻璃棒,玻璃棒轻靠三层滤纸一侧,漏斗下端紧靠烧杯内壁
(2)若滤液浑浊,需重新过滤
分离固体溶于溶剂中溶解度随温度变化较小的物质
(1)玻璃棒的作用:搅拌,防止液体局部温度过高造成飞溅
(2)当出现较多固体时,停止加热,用余热蒸干
(1)萃取:利用溶质在互不相溶的溶剂里溶解度的不同,用一种溶剂把溶质从它与另一种溶剂组成的溶液里提取出来
(2)分液:两种液体互不相溶
(1)溶质在萃取剂中的溶解度比在原溶剂中大
(2)萃取剂与原溶剂不互溶
(3)萃取剂与溶质不反应
(4)分液时,分液漏斗中的下层液体从下口流出,上层液体从上口倒出
续表
方法、装置
适用范围
注意事项
液体互溶沸点相差较大的液体混合物
(1)温度计的水银球放在蒸馏烧瓶的支管口处
(2)蒸馏烧瓶内要加沸石(或碎瓷片)
(3)冷凝管水流方向应为“下进上出”
某种组分易升华的混合物,利用物质升华的性质在加热条件下分离的方法
应与物质的分解变化区分,如NH4ClNH3↑+HCl↑
NH3+HClNH4Cl
分离提纯胶体与小分子(或离子)组成的混合液
要不断更换烧杯中的蒸馏水(或用流动水)以提高渗析效果
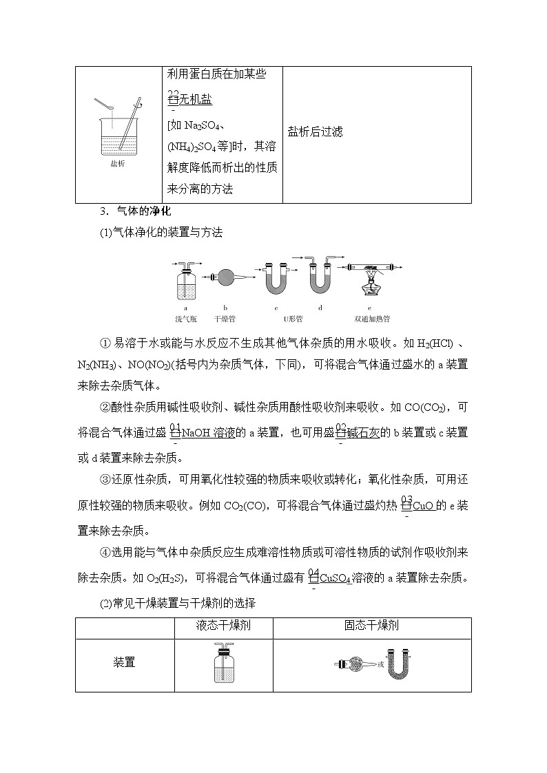
利用蛋白质在加某些无机盐
[如Na2SO4、
(NH4)2SO4等]时,其溶解度降低而析出的性质来分离的方法
盐析后过滤
3.气体的净化
(1)气体净化的装置与方法
①易溶于水或能与水反应不生成其他气体杂质的用水吸收。如H2(HCl)、N2(NH3)、NO(NO2)(括号内为杂质气体,下同),可将混合气体通过盛水的a装置来除去杂质气体。
②酸性杂质用碱性吸收剂、碱性杂质用酸性吸收剂来吸收。如CO(CO2),可将混合气体通过盛NaOH溶液的a装置,也可用盛碱石灰的b装置或c装置或d装置来除去杂质。
③还原性杂质,可用氧化性较强的物质来吸收或转化;氧化性杂质,可用还原性较强的物质来吸收。例如CO2(CO),可将混合气体通过盛灼热CuO的e装置来除去杂质。
④选用能与气体中杂质反应生成难溶性物质或可溶性物质的试剂作吸收剂来除去杂质。如O2(H2S),可将混合气体通过盛有CuSO4溶液的a装置除去杂质。
(2)常见干燥装置与干燥剂的选择
液态干燥剂
固态干燥剂
装置
常见
干燥剂
浓硫酸
(酸性、强氧化性)
无水氯化钙
(中性)
碱石灰
(碱性)
可干燥
的气体
H2、O2、Cl2、CO2、CO、CH4、N2、SO2
H2、O2、Cl2、SO2、CO2、
CH4、N2、HCl
H2、O2、CH4、NH3、N2
不可
干燥
的气体
NH3、H2S、HBr、HI等
NH3
Cl2、HCl、H2S、SO2、
CO2、NO2等
(1)物质分离、提纯的一般原则
①“四原则”:不增(提纯过程中不增加新的杂质);不减(不减少被提纯的物质);易分离(被提纯物质与杂质容易分离);易复原(被提纯物质转化后要易复原)。
②“四必须”:除杂试剂必须过量;过量试剂必须除尽(因为过量试剂带入新的杂质);选最佳除杂途径;除去多种杂质时必须考虑加入试剂的顺序。
(2)物质分离、提纯常用的化学方法
方法
原理
杂质成分
沉淀法
将杂质离子转化为沉淀
Cl-、SO、CO、Ba2+、Ca2+、Fe3+、Ag+
气化法
将杂质离子转化为气体
CO、HCO、SO、HSO、S2-、NH
杂转
纯法
将杂质转化为需要提纯的物质
杂质中含不同价态的相同元素(用氧化剂或还原剂)、同一种酸的正盐与酸式盐(用对应的酸或碱)
续表
方法
原理
杂质成分
氧化还原法
用氧化剂(还原剂)除去具有还原性(氧化性)的杂质
如用酸性KMnO4溶液除去CO2中的SO2,用热的铜粉除去N2中的O2
热分解法
加热使不稳定的物质分解除去
如除去NaCl中的NH4Cl等
酸碱溶解法
利用物质与酸或碱溶液反应的差异进行分离
如用过量的NaOH溶液可除去Fe2O3中的Al2O3
1.判断正误,正确的画“√”,错误的画“×”,错误的指明错因。
(1)SO2中混有少量SO3,可以将混合气体通过饱和Na2SO3溶液除去。(×)
错因:SO2与Na2SO3反应,可以将混合气体通过饱和NaHSO3溶液或浓硫酸除去。
(2)除去SO2中的少量HCl,可将混合气体通过饱和Na2SO3溶液。(×)
错因:SO2与HCl均可与饱和Na2SO3溶液反应,应用饱和NaHSO3溶液。
(3)乙烯中混有的SO2可以通过溴水除去。(×)
错因:乙烯与溴发生加成反应,SO2与溴水可发生氧化还原反应。
(4)除去Cu粉中混有CuO的实验操作是加入稀硝酸溶解、过滤、洗涤、干燥。(×)
错因:Cu也与稀HNO3反应,应改用稀盐酸。
(5)过滤操作中,漏斗的尖端不能接触烧杯内壁。(×)
错因:应接触内壁,让液体沿内壁流下。
(6)FeCl2溶液中混有FeCl3可加入铜粉除去。(×)
错因:由反应Cu+2FeCl3===CuCl2+2FeCl2可判断加入铜粉后,除去旧杂质FeCl3而引入新杂质CuCl2,应用Fe粉。
2.为提纯下列物质(括号内为杂质),选用的试剂或分离方法错误的是( )
选项
物质
试剂
分离方法
A
硝酸钾(氯化钠)
蒸馏水
降温结晶
B
二氧化碳(氯化氢)
饱和NaHCO3溶液
洗气
C
甲烷(乙烯)
酸性高锰酸钾溶液
洗气
D
乙醇(水)
生石灰
蒸馏
答案 C
解析 乙烯气体通入酸性高锰酸钾溶液中,最终被氧化成CO2气体,导致此操作除去旧杂质乙烯气体而引入新杂质CO2气体,故C错误。
3.(1)除去粗盐中的Ca2+、Mg2+、SO杂质离子,应依次加入(写试剂化学式)____________________________。
(2)过滤时所用到的玻璃仪器为__________________。
(3)蒸发时,能否将母液蒸干后,再停止加热。_________________________。
答案 (1)BaCl2、NaOH、Na2CO3或BaCl2、Na2CO3、NaOH或NaOH、BaCl2、Na2CO3
(2)烧杯、漏斗、玻璃棒
(3)不能,如果将母液蒸干后,再停止加热,蒸发皿的余热会使析出的晶体受热不均而飞溅,造成食盐损失和实验事故
题组训练
题组一 分离、提纯装置及操作过程
1.下列图示实验不能达到预期目的的是( )
A.分离胶体和溶液
B.蒸发海水制备粗盐
C.实验室制取少量蒸馏水
D.用CCl4提取溴水中的Br2
答案 A
解析 胶体和溶液均能透过滤纸,应该用渗析法分离胶体和溶液,A错误。
2.下列有关实验装置进行的相应实验,能达到实验目的的是( )
A.利用图1装置可从氯化铁溶液中直接蒸发结晶获得氯化铁晶体
B.利用图2装置可分离石油,得到汽油、煤油和柴油等各种馏分
C.利用图3装置可分离CH3CH2OH和CH3COOC2H5混合液
D.利用图4和图1装置可进行粗盐提纯
答案 D
解析 加热FeCl3溶液,促进盐类水解,直接蒸干得到的是Fe(OH)3,A错误;石油分馏时,温度计的水银球应放在蒸馏烧瓶的支管口处,B错误;乙醇和乙酸乙酯互溶,不能用分液法分离,C错误。
题组二 除杂试剂及方法的选择
3.除去下列物质中的杂质(括号内为杂质),所选用的除杂试剂及分离方法或操作均正确的是( )
选项
物质
除杂试剂
分离方法或操作
A
BaCO3(BaSO4)
饱和Na2CO3溶液
搅拌、过滤
B
CO(CO2)
CuO粉末
通过灼热的CuO粉末
C
SO2[SO3(g)]
饱和Na2SO3溶液
洗气
D
苯(Br2)
水
分液
答案 A
解析 加入饱和Na2CO3溶液,Qc(BaCO3)>Ksp(BaCO3),从而使BaSO4沉淀转化为BaCO3沉淀,然后过滤,A正确。
4.除去下列物质中所含的杂质,选用的试剂正确的是( )
选项
物质(杂质)
试剂
A
Al2O3(SiO2)
NaOH溶液
B
CO2(SO2)
Na2CO3溶液
C
NO(NO2)
水
D
NaHCO3(Na2CO3)
Ca(OH)2溶液
答案 C
解析 Al2O3、SiO2均可与NaOH溶液反应,A错误;CO2、SO2均能与Na2CO3溶液反应,B错误;NaHCO3、Na2CO3均可与Ca(OH)2溶液反应,D错误。
题组三 气体的净化
5.可用如图装置制取、净化、收集的气体是( )
选项
气体
①
②
③
A
NH3
浓氨水
生石灰
浓硫酸
B
Cl2
浓盐酸
MnO2
H2O
C
NO2
浓硝酸
铜屑
H2O
D
SO2
硫酸
Na2SO3
浓硫酸
答案 D
解析 NH3能被浓硫酸吸收且收集NH3应该用向下排空气法,A错误;Cl2能与H2O反应,应用饱和食盐水净化Cl2,MnO2与浓盐酸反应需加热,B错误;NO2能被水吸收,应用浓硫酸洗气,C错误。
6.利用如图装置可以进行实验并能达到实验目的的是( )
选项
实验目的
X中试剂
Y中试剂
A
用MnO2和浓盐酸制取并收集纯净干燥的Cl2
饱和食盐水
浓硫酸
B
用Cu与稀硝酸制取并收集纯净干燥的NO
水
浓硫酸
C
用CaO与浓氨水制取并收集纯净干燥的NH3
NaOH溶液
碱石灰
D
CaCO3和稀盐酸制取并收集纯净干燥的CO2
饱和NaHCO3溶液
浓硫酸
答案 D
解析 CaCO3和稀盐酸制取的CO2含有HCl和水蒸气,饱和NaHCO3溶液可以除去HCl,浓硫酸可以干燥CO2,所以可以制取并收集纯净干燥的CO2,故D正确。
物质分离提纯实验方法的选择
考点2 物质的检验与推断
知识梳理
1.常见离子的检验
(1)阳离子的检验
常见阳离子
试剂或方法
实验现象
Na+
焰色反应
黄色火焰
K+
焰色反应
紫色火焰(透过蓝色钴玻璃)
Mg2+
NaOH溶液
白色沉淀,不溶于过量的碱
Al3+
NaOH溶液
白色沉淀,溶于过量的强碱
Fe2+
NaOH溶液
白色沉淀→灰绿色→红褐色
先加KSCN溶液,再加氯水
先无明显现象,再变红色
K3[Fe(CN)6]溶液
蓝色沉淀
Fe3+
NaOH溶液
生成红褐色沉淀
KSCN溶液
溶液呈红色
苯酚溶液
溶液呈紫色
Cu2+
NaOH溶液
蓝色沉淀,加热则沉淀变黑
续表
常见阳离子
试剂或方法
实验现象
Ag+
含Cl-的溶液,稀硝酸
白色沉淀,不溶于稀硝酸
稀氨水
先生成白色沉淀,然后沉淀溶解
Ba2+
先加稀盐酸,再加可溶性的硫酸盐溶液
开始无明显现象,后产生白色沉淀
NH
NaOH溶液,加热
产生使湿润的红色石蕊试纸变蓝的气体
(2)阴离子的检验
常见阴离子
试剂或方法
现象
Cl-
硝酸银溶液与
稀HNO3
白色沉淀,不溶于稀硝酸
Br-
硝酸银溶液与稀HNO3
浅黄色沉淀,不溶于稀硝酸
氯水和四氯化碳
溶液分层,下层为橙红色
续表
常见阴离子
试剂或方法
现象
I-
硝酸银溶液与稀HNO3
黄色沉淀,不溶于稀硝酸
氯水和四氯化碳
溶液分层,下层为紫色
氯水和淀粉溶液
淀粉溶液变成蓝色
SO
先加盐酸,再加氯化钡溶液
开始无现象,后产生白色沉淀
SO
先加氯化钡溶液,再加稀盐酸,生成的气体通入品红溶液
先沉淀,后溶解,品红溶液褪色
CO
先加氯化钡溶液,再加稀盐酸,生成的气体通入澄清石灰水
先沉淀,后溶解,产生无色无味气体,澄清石灰水变浑浊
HCO
开始无现象,后产生无色无味的气体,澄清石灰水变浑浊
NO
浓硫酸、铜片
放出红棕色气体
SiO
稀HCl
产生白色胶状沉淀
AlO
稀HCl
先生成白色沉淀,后溶解
2.常见气体的检验
气体
检验方法
有关反应的方程式或说明
Cl2
使湿润的淀粉碘化钾试纸变蓝
2KI+Cl2===2KCl+I2(淀粉遇I2变蓝)
NH3
①能使湿润的红色石蕊试纸变蓝
②用蘸浓盐酸的玻璃棒靠近,产生白烟
①NH3+H2ONH3·H2ONH+OH-
②NH3+HCl===NH4Cl
SO2
使品红溶液褪色,加热,又变红色
SO2有漂白性
CO2
①能使燃着的木条熄灭
②能使澄清的石灰水变浑浊
②Ca2++2OH-+CO2===CaCO3↓+H2O
NO
无色气体,在空气中变为红棕色
2NO+O2===2NO2
续表
气体
检验方法
有关反应的方程式或说明
NO2
①红棕色、有刺激性气味的气体
②能使湿润的蓝色石蕊试纸变红
③溶于水后生成无色气体和无色溶液
③3NO2+H2O===2HNO3+NO
3.物质的鉴别方法
鉴别方法
适用范围
举例
物理方法
观察法
被鉴别物质的状态、颜色等不同
如CuCl2、FeCl3与NaCl溶液;O2与Cl2等
水溶法
被鉴别物质在水中的溶解情况不同
如Na2CO3与CaCO3
焰色反应法
某些金属或金属离子
如钾盐、钠盐的鉴别
化学方法
加热法
易分解的物质
如含HCO、NH的盐类;结晶水合物失水等
显色法
某些离子在特定试剂中显示特殊颜色
如用石蕊、酚酞、pH试纸检验H+或OH-;利用Fe3+遇SCN-呈红色等
水溶法
被鉴别物质加水后有特殊现象
如无水CuSO4加水变蓝,CaC2加水产生气体
点燃法
可燃物的燃烧现象、产物不同
如H2在Cl2中燃烧呈苍白色火焰
指定试剂法
待鉴别物质性质存在差异性
如(NH4)2SO4、Na2SO4、
NH4Cl、NaCl四种无色溶液,可选择Ba(OH)2来鉴别
(1)鉴别——对两种或两种以上的物质进行定性辨别。
方法:根据一种物质的某些性质区别于另一种或另几种物质。
(2)鉴定——对于一种物质的定性检验。
方法:根据物质的化学特性,分别检出阳离子、阴离子或组成元素,鉴定实验要比鉴别实验更全面,更复杂。
(3)不能原瓶操作:鉴别的目的是为了以后的使用,若原瓶操作,试剂污染,“别而无用”,所以要有“各取少许”字样。
(4)不能“指名道姓”:结论的得出来自实验现象,在加入试剂之前,该物质是未知的,叙述时不可出现“取某某试剂加入某某物质……”的字样。
1.判断正误,正确的画“√”,错误的画“×”,错误的指明错因。
(1)能使品红溶液褪色的气体一定是SO2。(×)
错因:Cl2、O3等也可使品红溶液褪色。
(2)使湿润的淀粉KI试纸变蓝的气体一定是Cl2。(×)
错因:氯气、溴蒸气、NO2均能使KI氧化为I2,从而使淀粉变蓝。
(3)某溶液做焰色反应时呈黄色,该溶液中一定只含Na+,不含K+。(×)
错因:观察K+颜色要通过蓝色的钴玻璃。
(4)某溶液中加入盐酸后,能产生使澄清石灰水变浑浊的气体,该溶液中一定含有CO。(×)
错因:若溶液中含有HCO,也可与盐酸反应生成CO2气体,使澄清石灰水变浑浊。
(5)某溶液中加入BaCl2溶液后生成白色沉淀,再加稀盐酸沉淀不消失,则一定含有SO。(×)
错因:若溶液中含有Ag+时,加入BaCl2溶液则产生不溶于盐酸的AgCl沉淀。
(6)加入稀H2SO4,产生使品红褪色的无色有刺激性气味的气体,则溶液中一定存在SO。(×)
错因:HSO与稀H2SO4反应也可产生SO2气体。
2.(2019·山东聊城一中高三期中)根据下列实验中的操作,对应的现象以及结论都正确的是( )
选项
操作
现象
结论
A
向NaAlO2溶液中滴加NaHCO3溶液
产生白色沉淀
AlO结合H+的能力比CO强
B
蘸有浓氨水的玻璃棒靠近X
有白烟产生
X一定是浓盐酸
C
将气体分别通入溴水和酸性高锰酸钾溶液中
两溶液均褪色
该气体一定是乙烯
D
炭粉中加入浓硫酸并加热,导出的气体通入BaCl2溶液中
有白色沉淀产生
有SO2和CO2产生
答案 A
解析 NaHCO3溶液与NaAlO2溶液混合,AlO促进HCO的电离生成氢氧化铝沉淀,则结合H+的能力:CO<AlO,A正确;生成白烟可以知道X为挥发性酸,则X为浓盐酸或浓硝酸,B错误;炭粉中加入浓硫酸并加热,导出的气体为SO2和CO2,但是由于亚硫酸、碳酸的酸性均小于盐酸,所以两种气体均与BaCl2溶液不反应,没有沉淀出现,D错误。
题组训练
题组一 离子的检验
1.某含Na+的溶液中可能含有NH、Fe3+、Br-、CO、I-、SO。取样,滴加足量氯水,有气泡产生,溶液呈橙色;向橙色溶液中加BaCl2溶液和淀粉均无现象。为确定该溶液的组成,还需进行的实验有( )
A.取样,滴加硫氰化钾溶液
B.取样,加氯水和CCl4,振荡
C.取样,加足量盐酸加热,湿润的品红试纸检验气体
D.取样,加足量的熟石灰加热,湿润的红色石蕊试纸检验气体
答案 D
解析 滴加足量氯水有气泡产生,说明有CO,根据互斥性原则,则无Fe3+;溶液呈橙色,说明有Br-;向橙色溶液中加BaCl2溶液和淀粉均无现象,说明没有SO(若有,则被氯水氧化为SO,加BaCl2溶液有白色沉淀)、I-(若有,则被氯水氧化为I2,加淀粉变蓝色);NH无法判断;NH的检验需要加碱加热,若有使湿润的红色石蕊试纸变蓝的气体产生,说明有NH。
2.某溶液只含有K+、Fe3+、Cl-、Mg2+、I-、CO、SO中的几种,限用以下试剂检验:盐酸、硫酸、硝酸银溶液、硝酸钡溶液。设计如下实验步骤,并记录相关现象,下列叙述不正确的是( )
A.该溶液中一定有I-、CO、SO、K+
B.试剂①为硝酸钡
C.通过在黄色溶液中加入硝酸银可以检验原溶液中是否存在Cl-
D.试剂②一定为盐酸
答案 C
解析 由实验可知,试剂①为硝酸钡溶液,生成白色沉淀为碳酸钡和硫酸钡,试剂②为盐酸,沉淀减少,硫酸钡不溶于盐酸,则原溶液中一定存在CO、SO,则不含Fe3+、Mg2+;加试剂①过滤后的滤液中,再加试剂②盐酸,H+、NO、I-发生氧化还原反应生成I2,溶液变黄色,由于溶液呈电中性,则溶液中一定含有的阳离子为K+。由上述分析可知,该溶液中一定有I-、CO、SO、K+,故A正确;加入足量盐酸会引入Cl-,故无法判断原溶液中是否存在Cl-,故C错误;由上述分析可知,试剂②一定为盐酸,不能为硫酸,因为碳酸钡与硫酸反应生成硫酸钡会使沉淀质量增加,不符合题意,故D正确。
题组二 气体的检验
3.某混合气体中可能含有Cl2、O2、SO2、NO、NO2中的两种或多种气体。现将此无色透明的混合气体通过品红溶液后,品红溶液褪色,把剩余气体排入空气中,很快变为红棕色。对于原混合气体成分的判断中正确的是( )
A.肯定有SO2和NO或NO2中的至少一种
B.肯定只有NO
C.可能有Cl2和O2
D.肯定没有Cl2、O2和NO2
答案 D
解析 无色透明的混合气体,说明不存在Cl2和NO2,气体通过品红溶液后,品红溶液褪色,因此气体中存在SO2,剩余气体排入空气中,很快变为红棕色,说明剩余气体中有NO,由于NO能和O2反应生成有色的NO2,因此原气体中不存在O2,则气体中肯定存在SO2和NO,一定不存在Cl2、NO2、O2。
题组三 物质的鉴别方法
4.7瓶分别含有Cu2+、Fe3+、Al3+、Mg2+、Fe2+、NH、Na+等离子的溶液,只用一种试剂即可鉴别,该试剂是( )
A.KMnO4溶液 B.KSCN溶液
C.NaOH溶液 D.NH3·H2O溶液
答案 C
解析 含Cu2+的溶液呈蓝色,含Fe3+的溶液呈黄色,含Fe2+的溶液呈绿色。分别向4种溶液中逐渐加入NaOH溶液,含Al3+的溶液先产生白色沉淀,后沉淀溶解,含Mg2+的溶液产生白色沉淀,且白色沉淀不溶解,含NH的溶液加热时产生有刺激性气味的气体,含Na+的溶液无明显现象,C正确。
5.某白色粉末由两种物质组成,为鉴别其成分进行如下实验:①取少量样品加入足量稀盐酸,固体全部溶解,再加入过量烧碱溶液,有白色沉淀产生;②取少量样品加入足量水,固体全部溶解;再加入稀硫酸,有白色沉淀产生。该白色粉末可能为( )
A.BaCl2、Al(NO3)3 B.BaCO3、MgCl2
C.MgSO4、AlCl3 D.Ba(NO3)2、Mg(NO3)2
答案 D
解析 BaCl2、Al(NO3)3都能溶于水,与稀盐酸不反应,但溶于稀盐酸后滴加过量NaOH溶液无沉淀产生,故A错误;BaCO3不溶于水,故B错误;MgSO4与AlCl3都能溶于水,但再滴加稀硫酸无沉淀产生,故C错误。
离子推断题的常用原则
高考真题实战
1.(高考集萃)判断正误,正确的画“√”,错误的画“×”。
(1)(2018·全国卷Ⅲ)用铂丝蘸取某碱金属的盐溶液灼烧,火焰呈黄色,证明其中含有Na+。( )
(2)(2018·江苏高考)向FeCl2溶液中滴加NH4SCN溶液,溶液显红色。( )
(3)(2017·天津高考)将固体加热至恒重以除去NaHCO3固体中的Na2CO3。( )
(4)(2017·天津高考)将苯甲酸粗品水溶、过滤、蒸发、结晶来提纯苯甲酸。( )
(5)(2016·全国卷Ⅰ)用长颈漏斗分离出乙酸与乙醇反应的产物。( )
(6)(2016·浙江高考)蒸馏完毕后,应先停止加热,待装置冷却后,停止通水,再拆卸蒸馏装置。( )
(7)(2015·浙江高考)提纯混有少量硝酸钾的氯化钠,应采用在较高温度下制得浓溶液再冷却结晶、过滤、干燥的方法。( )
(8)(2015·浙江高考)在未知液中滴加BaCl2溶液出现白色沉淀,加稀硝酸,沉淀不溶解,说明该未知液中存在SO或SO。( )
答案 (1)√ (2)× (3)× (4)× (5)× (6)√ (7)× (8)×
解析 (2)FeCl2溶液中含Fe2+,NH4SCN用于检验Fe3+,故溶液不会显红色。
(3)NaHCO3比Na2CO3更容易分解,加热至恒重得到的是Na2CO3,错误。
(4)苯甲酸在热水中溶解度高,主要提纯步骤应为加热溶解、趁热过滤、冷却结晶、洗涤晶体,错误。
(5)长颈漏斗不能用来分液,错误。
(7)要从含有少量KNO3的NaCl固体混合物中提纯得到NaCl,应该采用蒸发结晶的方法,而不是冷却结晶的方法,错误。
(8)由于加入了Cl-,若原溶液中无SO、SO,但存在Ag+,也能生成不溶于稀硝酸的白色沉淀,错误。
2.(2018·全国卷Ⅰ)在生成和纯化乙酸乙酯的实验过程中,下列操作未涉及的是( )
答案 D
解析 反应物均是液体,且需要加热,因此试管口要高于试管底,A正确;生成的乙酸乙酯中含有乙酸和乙醇,可以用饱和碳酸钠溶液吸收,注意导管口不能插入溶液中,以防止倒吸,B正确;乙酸乙酯不溶于水,分液即可实现分离,C正确;乙酸乙酯不能通过蒸发实现分离,D错误。
3.(2017·全国卷Ⅰ)《本草衍义》中对精制砒霜过程有如下叙述:“取砒之法,将生砒就置火上,以器覆之,令砒烟上飞着覆器,遂凝结累然下垂如乳,尖长者为胜,平短者次之。”文中涉及的操作方法是( )
A.蒸馏 B.升华
C.干馏 D.萃取
答案 B
解析 根据题中所述操作及现象可知,文中涉及的操作方法为升华。
4.(2016·上海高考)实验室提纯含少量氯化钠杂质的硝酸钾的过程如图所示。下列分析正确的是( )
A.操作Ⅰ是过滤,将固体分离除去
B.操作Ⅱ是加热浓缩,趁热过滤,除去杂质氯化钠
C.操作Ⅲ是过滤、洗涤,将硝酸钾晶体从溶液中分离出来
D.操作Ⅰ~Ⅲ总共需两次过滤
答案 C
解析 操作Ⅰ应是溶解,A错误;操作Ⅱ应是加热浓缩,冷却结晶,使KNO3晶体析出,B错误;C正确;操作Ⅰ~Ⅲ只过滤一次,D错误。
5.(2016·天津高考)下列选用的仪器和药品能达到实验目的的是( )
A
B
C
D
制乙炔的
发生装置
蒸馏时的
接收装置
除去SO2中的少量HCl
准确量取一定体积K2Cr2O7标准溶液
答案 C
解析 制备乙炔时不能用长颈漏斗而应使用分液漏斗,A错误;牛角管与锥形瓶之间不能用橡皮塞,B错误;HCl可以与NaHSO3反应放出SO2,而SO2不能与NaHSO3反应,C正确;K2Cr2O7具有强氧化性,应盛放于酸式滴定管中,D错误。
6.(2015·天津高考)下列关于物质或离子检验的叙述正确的是( )
A.在溶液中加KSCN,溶液显红色,证明原溶液中有Fe3+,无Fe2+
B.气体通过无水CuSO4,粉末变蓝,证明原气体中含有水蒸气
C.灼烧白色粉末,火焰呈黄色,证明原粉末中有Na+,无K+
D.将气体通入澄清石灰水,溶液变浑浊,证明原气体是CO2
答案 B
解析 在溶液中加KSCN,溶液显红色,证明原溶液中一定含有Fe3+,但不能确定是否含有Fe2+,A错误;白色无水硫酸铜粉末遇水蒸气生成蓝色固体胆矾,B正确;灼烧白色粉末,火焰呈黄色,证明原粉末中含有Na+,但无法确定是否含有K+,C错误;能使澄清石灰水变浑浊的气体可能是CO2,也可能是SO2,D错误。
7.(2019·全国卷Ⅰ)硫酸铁铵[NH4Fe(SO4)2·xH2O]是一种重要铁盐。为充分利用资源,变废为宝,在实验室中探究采用废铁屑来制备硫酸铁铵,具体流程如下:
回答下列问题:
(1)步骤①的目的是去除废铁屑表面的油污,方法是______________________________________。
(2)步骤②需要加热的目的是________________,温度保持80~95 ℃,采用的合适加热方式是________。铁屑中含有少量硫化物,反应产生的气体需要净化处理,合适的装置为________(填标号)。
(3)步骤③中选用足量的H2O2,理由是________________________________,分批加入H2O2,同时为了________,溶液要保持pH小于0.5。
(4)步骤⑤的具体实验操作有_______________________________________,
经干燥得到硫酸铁铵晶体样品。
(5)采用热重分析法测定硫酸铁铵晶体样品所含结晶水数,将样品加热到150 ℃时失掉1.5个结晶水,失重5.6%。硫酸铁铵晶体的化学式为________。
答案 (1)碱煮水洗 (2)加快反应 热水浴 C
(3)将Fe2+全部氧化为Fe3+;不引入杂质 防止Fe3+水解
(4)加热浓缩、冷却结晶、过滤(洗涤)
(5)NH4Fe(SO4)2·12H2O
解析 (1)铁屑表面的油污可以用热的氢氧化钠溶液洗涤,然后用蒸馏水洗净。
(2)铁与硫酸反应,加热的目的是加快反应速率,由于温度要控制在80~95 ℃,应选择水浴加热。铁中含有少量的硫化物,与酸反应后生成酸性气体H2S,应该用碱溶液吸收H2S气体,为了防止倒吸,应选用C装置。
(3)铁与硫酸反应后生成硫酸亚铁,加入足量的过氧化氢溶液将亚铁离子氧化为铁离子,离子方程式为2Fe2++H2O2+2H+===2Fe3++2H2O。Fe3+在水中易水解生成氢氧化铁沉淀,为了抑制Fe3+水解,溶液要保持较强的酸性,使用H2O2的优点是不引入新的杂质。
(5)由于样品失去1.5个结晶水,失重5.6%,即
M[NH4Fe(SO4)2·xH2O]×5.6%=1.5×18 g·mol-1,可以求得M[NH4Fe(SO4)2·xH2O]≈482 g·mol-1,利用硫酸铁铵晶体的摩尔质量减去NH4Fe(SO4)2的摩尔质量可以求出晶体中水的摩尔质量之和,为216 g·mol-1,由此可以求出x=12。
8.(2016·全国卷Ⅲ)过氧化钙微溶于水,溶于酸,可用作分析试剂、医用防腐剂、消毒剂。以下是一种制备过氧化钙的实验方法。回答下列问题:
(一)碳酸钙的制备
(1)步骤①加入氨水的目的是______________________________。小火煮沸的作用是使沉淀颗粒长大,有利于______________________。
(2)右图是某学生的过滤操作示意图,其操作不规范的是________(填标号)。
a.漏斗末端颈尖未紧靠烧杯壁
b.玻璃棒用作引流
c.将滤纸湿润,使其紧贴漏斗壁
d.滤纸边缘高出漏斗
e.用玻璃棒在漏斗中轻轻搅动以加快过滤速度
(二)过氧化钙的制备
CaCO3滤液 白色结晶
(3)步骤②的具体操作为逐滴加入稀盐酸,至溶液中尚存有少量固体,此时溶液呈________性(填“酸”“碱”或“中”)。将溶液煮沸,趁热过滤。将溶液煮沸的作用是______________________________________。
(4)步骤③中反应的化学方程式为______________________________,该反应需要在冰浴下进行,原因是_____________________________________________。
(5)将过滤得到的白色结晶依次使用蒸馏水、乙醇洗涤,使用乙醇洗涤的目的是__________________。
(6)制备过氧化钙的另一种方法是:将石灰石煅烧后,直接加入双氧水反应,过滤后可得到过氧化钙产品。该工艺方法的优点是____________,产品的缺点是__________________________。
答案 (1)调节溶液pH使Fe(OH)3沉淀 过滤分离
(2)ade (3)酸 除去溶液中的CO2
(4)CaCl2+2NH3·H2O+H2O2+6H2O===CaO2·8H2O↓+2NH4Cl(或CaCl2+2NH3·H2O+H2O2===CaO2↓+2NH4Cl+2H2O) 温度过高时双氧水易分解
(5)去除晶体表面水分
(6)工艺简单、操作方便 纯度较低
解析 (1)从制备碳酸钙的流程可以看出,加入双氧水的目的是将Fe2+氧化为Fe3+,加入氨水的目的是调节溶液pH使Fe(OH)3沉淀。
(2)过滤操作要求“一贴、二低、三靠”,漏斗末端颈尖应紧靠烧杯壁;滤纸边缘应低于漏斗边缘;玻璃棒仅起到引流的作用,不能搅动,否则易使滤纸破损。
(3)根据题干信息,若使CaO2·8H2O顺利析出,须保证溶液呈中性或碱性,所以要煮沸除去酸性氧化物CO2。
(4)H2O2受热易分解,故制备过氧化钙的反应应在冰浴下进行。
(5)醇洗可防止产品溶于水而损失,且可除去晶体表面的水。
第2节 物质的分离、提纯与检验
[考试说明] 1.掌握常见离子的检验方法,能对常见的物质的组成进行检验和分析。2.掌握常见气体的检验方法。3.掌握过滤、蒸发、萃取、蒸馏等物质分离、提纯的常用方法,能对常见物质进行分离与提纯。
[命题规律] 物质的检验、分离与提纯方法属于化学实验的基础知识与技能,是高考的重点与热点内容之一。主要考点有四个:一是离子的检验,如Fe3+、NH等;二是气体的检验,如NH3、SO2等;三是物质分离与提纯的方法,如过滤、蒸馏等;四是综合运用化学知识设计实验方案对离子、气体、有机物等进行检验、分离与提纯。
考点1 物质的分离和提纯
知识梳理
1.物质分离、提纯的区别
(1)物质的分离
将混合物中的各组分分离开来,获得几种纯净物的过程。
(2)物质的提纯
将混合物中的杂质除去而得到纯净物的过程,又叫物质的净化或除杂。
2.物质分离、提纯的常用方法
方法、装置
适用范围
注意事项
把不溶性固体和溶液进行分离
(1)一贴:滤纸紧贴漏斗内壁;
二低:滤纸低于漏斗边缘,液面低于滤纸边缘;
三靠:倾倒混合物的烧杯紧靠玻璃棒,玻璃棒轻靠三层滤纸一侧,漏斗下端紧靠烧杯内壁
(2)若滤液浑浊,需重新过滤
分离固体溶于溶剂中溶解度随温度变化较小的物质
(1)玻璃棒的作用:搅拌,防止液体局部温度过高造成飞溅
(2)当出现较多固体时,停止加热,用余热蒸干
(1)萃取:利用溶质在互不相溶的溶剂里溶解度的不同,用一种溶剂把溶质从它与另一种溶剂组成的溶液里提取出来
(2)分液:两种液体互不相溶
(1)溶质在萃取剂中的溶解度比在原溶剂中大
(2)萃取剂与原溶剂不互溶
(3)萃取剂与溶质不反应
(4)分液时,分液漏斗中的下层液体从下口流出,上层液体从上口倒出
续表
方法、装置
适用范围
注意事项
液体互溶沸点相差较大的液体混合物
(1)温度计的水银球放在蒸馏烧瓶的支管口处
(2)蒸馏烧瓶内要加沸石(或碎瓷片)
(3)冷凝管水流方向应为“下进上出”
某种组分易升华的混合物,利用物质升华的性质在加热条件下分离的方法
应与物质的分解变化区分,如NH4ClNH3↑+HCl↑
NH3+HClNH4Cl
分离提纯胶体与小分子(或离子)组成的混合液
要不断更换烧杯中的蒸馏水(或用流动水)以提高渗析效果
利用蛋白质在加某些无机盐
[如Na2SO4、
(NH4)2SO4等]时,其溶解度降低而析出的性质来分离的方法
盐析后过滤
3.气体的净化
(1)气体净化的装置与方法
①易溶于水或能与水反应不生成其他气体杂质的用水吸收。如H2(HCl)、N2(NH3)、NO(NO2)(括号内为杂质气体,下同),可将混合气体通过盛水的a装置来除去杂质气体。
②酸性杂质用碱性吸收剂、碱性杂质用酸性吸收剂来吸收。如CO(CO2),可将混合气体通过盛NaOH溶液的a装置,也可用盛碱石灰的b装置或c装置或d装置来除去杂质。
③还原性杂质,可用氧化性较强的物质来吸收或转化;氧化性杂质,可用还原性较强的物质来吸收。例如CO2(CO),可将混合气体通过盛灼热CuO的e装置来除去杂质。
④选用能与气体中杂质反应生成难溶性物质或可溶性物质的试剂作吸收剂来除去杂质。如O2(H2S),可将混合气体通过盛有CuSO4溶液的a装置除去杂质。
(2)常见干燥装置与干燥剂的选择
液态干燥剂
固态干燥剂
装置
常见
干燥剂
浓硫酸
(酸性、强氧化性)
无水氯化钙
(中性)
碱石灰
(碱性)
可干燥
的气体
H2、O2、Cl2、CO2、CO、CH4、N2、SO2
H2、O2、Cl2、SO2、CO2、
CH4、N2、HCl
H2、O2、CH4、NH3、N2
不可
干燥
的气体
NH3、H2S、HBr、HI等
NH3
Cl2、HCl、H2S、SO2、
CO2、NO2等
(1)物质分离、提纯的一般原则
①“四原则”:不增(提纯过程中不增加新的杂质);不减(不减少被提纯的物质);易分离(被提纯物质与杂质容易分离);易复原(被提纯物质转化后要易复原)。
②“四必须”:除杂试剂必须过量;过量试剂必须除尽(因为过量试剂带入新的杂质);选最佳除杂途径;除去多种杂质时必须考虑加入试剂的顺序。
(2)物质分离、提纯常用的化学方法
方法
原理
杂质成分
沉淀法
将杂质离子转化为沉淀
Cl-、SO、CO、Ba2+、Ca2+、Fe3+、Ag+
气化法
将杂质离子转化为气体
CO、HCO、SO、HSO、S2-、NH
杂转
纯法
将杂质转化为需要提纯的物质
杂质中含不同价态的相同元素(用氧化剂或还原剂)、同一种酸的正盐与酸式盐(用对应的酸或碱)
续表
方法
原理
杂质成分
氧化还原法
用氧化剂(还原剂)除去具有还原性(氧化性)的杂质
如用酸性KMnO4溶液除去CO2中的SO2,用热的铜粉除去N2中的O2
热分解法
加热使不稳定的物质分解除去
如除去NaCl中的NH4Cl等
酸碱溶解法
利用物质与酸或碱溶液反应的差异进行分离
如用过量的NaOH溶液可除去Fe2O3中的Al2O3
1.判断正误,正确的画“√”,错误的画“×”,错误的指明错因。
(1)SO2中混有少量SO3,可以将混合气体通过饱和Na2SO3溶液除去。(×)
错因:SO2与Na2SO3反应,可以将混合气体通过饱和NaHSO3溶液或浓硫酸除去。
(2)除去SO2中的少量HCl,可将混合气体通过饱和Na2SO3溶液。(×)
错因:SO2与HCl均可与饱和Na2SO3溶液反应,应用饱和NaHSO3溶液。
(3)乙烯中混有的SO2可以通过溴水除去。(×)
错因:乙烯与溴发生加成反应,SO2与溴水可发生氧化还原反应。
(4)除去Cu粉中混有CuO的实验操作是加入稀硝酸溶解、过滤、洗涤、干燥。(×)
错因:Cu也与稀HNO3反应,应改用稀盐酸。
(5)过滤操作中,漏斗的尖端不能接触烧杯内壁。(×)
错因:应接触内壁,让液体沿内壁流下。
(6)FeCl2溶液中混有FeCl3可加入铜粉除去。(×)
错因:由反应Cu+2FeCl3===CuCl2+2FeCl2可判断加入铜粉后,除去旧杂质FeCl3而引入新杂质CuCl2,应用Fe粉。
2.为提纯下列物质(括号内为杂质),选用的试剂或分离方法错误的是( )
选项
物质
试剂
分离方法
A
硝酸钾(氯化钠)
蒸馏水
降温结晶
B
二氧化碳(氯化氢)
饱和NaHCO3溶液
洗气
C
甲烷(乙烯)
酸性高锰酸钾溶液
洗气
D
乙醇(水)
生石灰
蒸馏
答案 C
解析 乙烯气体通入酸性高锰酸钾溶液中,最终被氧化成CO2气体,导致此操作除去旧杂质乙烯气体而引入新杂质CO2气体,故C错误。
3.(1)除去粗盐中的Ca2+、Mg2+、SO杂质离子,应依次加入(写试剂化学式)____________________________。
(2)过滤时所用到的玻璃仪器为__________________。
(3)蒸发时,能否将母液蒸干后,再停止加热。_________________________。
答案 (1)BaCl2、NaOH、Na2CO3或BaCl2、Na2CO3、NaOH或NaOH、BaCl2、Na2CO3
(2)烧杯、漏斗、玻璃棒
(3)不能,如果将母液蒸干后,再停止加热,蒸发皿的余热会使析出的晶体受热不均而飞溅,造成食盐损失和实验事故
题组训练
题组一 分离、提纯装置及操作过程
1.下列图示实验不能达到预期目的的是( )
A.分离胶体和溶液
B.蒸发海水制备粗盐
C.实验室制取少量蒸馏水
D.用CCl4提取溴水中的Br2
答案 A
解析 胶体和溶液均能透过滤纸,应该用渗析法分离胶体和溶液,A错误。
2.下列有关实验装置进行的相应实验,能达到实验目的的是( )
A.利用图1装置可从氯化铁溶液中直接蒸发结晶获得氯化铁晶体
B.利用图2装置可分离石油,得到汽油、煤油和柴油等各种馏分
C.利用图3装置可分离CH3CH2OH和CH3COOC2H5混合液
D.利用图4和图1装置可进行粗盐提纯
答案 D
解析 加热FeCl3溶液,促进盐类水解,直接蒸干得到的是Fe(OH)3,A错误;石油分馏时,温度计的水银球应放在蒸馏烧瓶的支管口处,B错误;乙醇和乙酸乙酯互溶,不能用分液法分离,C错误。
题组二 除杂试剂及方法的选择
3.除去下列物质中的杂质(括号内为杂质),所选用的除杂试剂及分离方法或操作均正确的是( )
选项
物质
除杂试剂
分离方法或操作
A
BaCO3(BaSO4)
饱和Na2CO3溶液
搅拌、过滤
B
CO(CO2)
CuO粉末
通过灼热的CuO粉末
C
SO2[SO3(g)]
饱和Na2SO3溶液
洗气
D
苯(Br2)
水
分液
答案 A
解析 加入饱和Na2CO3溶液,Qc(BaCO3)>Ksp(BaCO3),从而使BaSO4沉淀转化为BaCO3沉淀,然后过滤,A正确。
4.除去下列物质中所含的杂质,选用的试剂正确的是( )
选项
物质(杂质)
试剂
A
Al2O3(SiO2)
NaOH溶液
B
CO2(SO2)
Na2CO3溶液
C
NO(NO2)
水
D
NaHCO3(Na2CO3)
Ca(OH)2溶液
答案 C
解析 Al2O3、SiO2均可与NaOH溶液反应,A错误;CO2、SO2均能与Na2CO3溶液反应,B错误;NaHCO3、Na2CO3均可与Ca(OH)2溶液反应,D错误。
题组三 气体的净化
5.可用如图装置制取、净化、收集的气体是( )
选项
气体
①
②
③
A
NH3
浓氨水
生石灰
浓硫酸
B
Cl2
浓盐酸
MnO2
H2O
C
NO2
浓硝酸
铜屑
H2O
D
SO2
硫酸
Na2SO3
浓硫酸
答案 D
解析 NH3能被浓硫酸吸收且收集NH3应该用向下排空气法,A错误;Cl2能与H2O反应,应用饱和食盐水净化Cl2,MnO2与浓盐酸反应需加热,B错误;NO2能被水吸收,应用浓硫酸洗气,C错误。
6.利用如图装置可以进行实验并能达到实验目的的是( )
选项
实验目的
X中试剂
Y中试剂
A
用MnO2和浓盐酸制取并收集纯净干燥的Cl2
饱和食盐水
浓硫酸
B
用Cu与稀硝酸制取并收集纯净干燥的NO
水
浓硫酸
C
用CaO与浓氨水制取并收集纯净干燥的NH3
NaOH溶液
碱石灰
D
CaCO3和稀盐酸制取并收集纯净干燥的CO2
饱和NaHCO3溶液
浓硫酸
答案 D
解析 CaCO3和稀盐酸制取的CO2含有HCl和水蒸气,饱和NaHCO3溶液可以除去HCl,浓硫酸可以干燥CO2,所以可以制取并收集纯净干燥的CO2,故D正确。
物质分离提纯实验方法的选择
考点2 物质的检验与推断
知识梳理
1.常见离子的检验
(1)阳离子的检验
常见阳离子
试剂或方法
实验现象
Na+
焰色反应
黄色火焰
K+
焰色反应
紫色火焰(透过蓝色钴玻璃)
Mg2+
NaOH溶液
白色沉淀,不溶于过量的碱
Al3+
NaOH溶液
白色沉淀,溶于过量的强碱
Fe2+
NaOH溶液
白色沉淀→灰绿色→红褐色
先加KSCN溶液,再加氯水
先无明显现象,再变红色
K3[Fe(CN)6]溶液
蓝色沉淀
Fe3+
NaOH溶液
生成红褐色沉淀
KSCN溶液
溶液呈红色
苯酚溶液
溶液呈紫色
Cu2+
NaOH溶液
蓝色沉淀,加热则沉淀变黑
续表
常见阳离子
试剂或方法
实验现象
Ag+
含Cl-的溶液,稀硝酸
白色沉淀,不溶于稀硝酸
稀氨水
先生成白色沉淀,然后沉淀溶解
Ba2+
先加稀盐酸,再加可溶性的硫酸盐溶液
开始无明显现象,后产生白色沉淀
NH
NaOH溶液,加热
产生使湿润的红色石蕊试纸变蓝的气体
(2)阴离子的检验
常见阴离子
试剂或方法
现象
Cl-
硝酸银溶液与
稀HNO3
白色沉淀,不溶于稀硝酸
Br-
硝酸银溶液与稀HNO3
浅黄色沉淀,不溶于稀硝酸
氯水和四氯化碳
溶液分层,下层为橙红色
续表
常见阴离子
试剂或方法
现象
I-
硝酸银溶液与稀HNO3
黄色沉淀,不溶于稀硝酸
氯水和四氯化碳
溶液分层,下层为紫色
氯水和淀粉溶液
淀粉溶液变成蓝色
SO
先加盐酸,再加氯化钡溶液
开始无现象,后产生白色沉淀
SO
先加氯化钡溶液,再加稀盐酸,生成的气体通入品红溶液
先沉淀,后溶解,品红溶液褪色
CO
先加氯化钡溶液,再加稀盐酸,生成的气体通入澄清石灰水
先沉淀,后溶解,产生无色无味气体,澄清石灰水变浑浊
HCO
开始无现象,后产生无色无味的气体,澄清石灰水变浑浊
NO
浓硫酸、铜片
放出红棕色气体
SiO
稀HCl
产生白色胶状沉淀
AlO
稀HCl
先生成白色沉淀,后溶解
2.常见气体的检验
气体
检验方法
有关反应的方程式或说明
Cl2
使湿润的淀粉碘化钾试纸变蓝
2KI+Cl2===2KCl+I2(淀粉遇I2变蓝)
NH3
①能使湿润的红色石蕊试纸变蓝
②用蘸浓盐酸的玻璃棒靠近,产生白烟
①NH3+H2ONH3·H2ONH+OH-
②NH3+HCl===NH4Cl
SO2
使品红溶液褪色,加热,又变红色
SO2有漂白性
CO2
①能使燃着的木条熄灭
②能使澄清的石灰水变浑浊
②Ca2++2OH-+CO2===CaCO3↓+H2O
NO
无色气体,在空气中变为红棕色
2NO+O2===2NO2
续表
气体
检验方法
有关反应的方程式或说明
NO2
①红棕色、有刺激性气味的气体
②能使湿润的蓝色石蕊试纸变红
③溶于水后生成无色气体和无色溶液
③3NO2+H2O===2HNO3+NO
3.物质的鉴别方法
鉴别方法
适用范围
举例
物理方法
观察法
被鉴别物质的状态、颜色等不同
如CuCl2、FeCl3与NaCl溶液;O2与Cl2等
水溶法
被鉴别物质在水中的溶解情况不同
如Na2CO3与CaCO3
焰色反应法
某些金属或金属离子
如钾盐、钠盐的鉴别
化学方法
加热法
易分解的物质
如含HCO、NH的盐类;结晶水合物失水等
显色法
某些离子在特定试剂中显示特殊颜色
如用石蕊、酚酞、pH试纸检验H+或OH-;利用Fe3+遇SCN-呈红色等
水溶法
被鉴别物质加水后有特殊现象
如无水CuSO4加水变蓝,CaC2加水产生气体
点燃法
可燃物的燃烧现象、产物不同
如H2在Cl2中燃烧呈苍白色火焰
指定试剂法
待鉴别物质性质存在差异性
如(NH4)2SO4、Na2SO4、
NH4Cl、NaCl四种无色溶液,可选择Ba(OH)2来鉴别
(1)鉴别——对两种或两种以上的物质进行定性辨别。
方法:根据一种物质的某些性质区别于另一种或另几种物质。
(2)鉴定——对于一种物质的定性检验。
方法:根据物质的化学特性,分别检出阳离子、阴离子或组成元素,鉴定实验要比鉴别实验更全面,更复杂。
(3)不能原瓶操作:鉴别的目的是为了以后的使用,若原瓶操作,试剂污染,“别而无用”,所以要有“各取少许”字样。
(4)不能“指名道姓”:结论的得出来自实验现象,在加入试剂之前,该物质是未知的,叙述时不可出现“取某某试剂加入某某物质……”的字样。
1.判断正误,正确的画“√”,错误的画“×”,错误的指明错因。
(1)能使品红溶液褪色的气体一定是SO2。(×)
错因:Cl2、O3等也可使品红溶液褪色。
(2)使湿润的淀粉KI试纸变蓝的气体一定是Cl2。(×)
错因:氯气、溴蒸气、NO2均能使KI氧化为I2,从而使淀粉变蓝。
(3)某溶液做焰色反应时呈黄色,该溶液中一定只含Na+,不含K+。(×)
错因:观察K+颜色要通过蓝色的钴玻璃。
(4)某溶液中加入盐酸后,能产生使澄清石灰水变浑浊的气体,该溶液中一定含有CO。(×)
错因:若溶液中含有HCO,也可与盐酸反应生成CO2气体,使澄清石灰水变浑浊。
(5)某溶液中加入BaCl2溶液后生成白色沉淀,再加稀盐酸沉淀不消失,则一定含有SO。(×)
错因:若溶液中含有Ag+时,加入BaCl2溶液则产生不溶于盐酸的AgCl沉淀。
(6)加入稀H2SO4,产生使品红褪色的无色有刺激性气味的气体,则溶液中一定存在SO。(×)
错因:HSO与稀H2SO4反应也可产生SO2气体。
2.(2019·山东聊城一中高三期中)根据下列实验中的操作,对应的现象以及结论都正确的是( )
选项
操作
现象
结论
A
向NaAlO2溶液中滴加NaHCO3溶液
产生白色沉淀
AlO结合H+的能力比CO强
B
蘸有浓氨水的玻璃棒靠近X
有白烟产生
X一定是浓盐酸
C
将气体分别通入溴水和酸性高锰酸钾溶液中
两溶液均褪色
该气体一定是乙烯
D
炭粉中加入浓硫酸并加热,导出的气体通入BaCl2溶液中
有白色沉淀产生
有SO2和CO2产生
答案 A
解析 NaHCO3溶液与NaAlO2溶液混合,AlO促进HCO的电离生成氢氧化铝沉淀,则结合H+的能力:CO<AlO,A正确;生成白烟可以知道X为挥发性酸,则X为浓盐酸或浓硝酸,B错误;炭粉中加入浓硫酸并加热,导出的气体为SO2和CO2,但是由于亚硫酸、碳酸的酸性均小于盐酸,所以两种气体均与BaCl2溶液不反应,没有沉淀出现,D错误。
题组训练
题组一 离子的检验
1.某含Na+的溶液中可能含有NH、Fe3+、Br-、CO、I-、SO。取样,滴加足量氯水,有气泡产生,溶液呈橙色;向橙色溶液中加BaCl2溶液和淀粉均无现象。为确定该溶液的组成,还需进行的实验有( )
A.取样,滴加硫氰化钾溶液
B.取样,加氯水和CCl4,振荡
C.取样,加足量盐酸加热,湿润的品红试纸检验气体
D.取样,加足量的熟石灰加热,湿润的红色石蕊试纸检验气体
答案 D
解析 滴加足量氯水有气泡产生,说明有CO,根据互斥性原则,则无Fe3+;溶液呈橙色,说明有Br-;向橙色溶液中加BaCl2溶液和淀粉均无现象,说明没有SO(若有,则被氯水氧化为SO,加BaCl2溶液有白色沉淀)、I-(若有,则被氯水氧化为I2,加淀粉变蓝色);NH无法判断;NH的检验需要加碱加热,若有使湿润的红色石蕊试纸变蓝的气体产生,说明有NH。
2.某溶液只含有K+、Fe3+、Cl-、Mg2+、I-、CO、SO中的几种,限用以下试剂检验:盐酸、硫酸、硝酸银溶液、硝酸钡溶液。设计如下实验步骤,并记录相关现象,下列叙述不正确的是( )
A.该溶液中一定有I-、CO、SO、K+
B.试剂①为硝酸钡
C.通过在黄色溶液中加入硝酸银可以检验原溶液中是否存在Cl-
D.试剂②一定为盐酸
答案 C
解析 由实验可知,试剂①为硝酸钡溶液,生成白色沉淀为碳酸钡和硫酸钡,试剂②为盐酸,沉淀减少,硫酸钡不溶于盐酸,则原溶液中一定存在CO、SO,则不含Fe3+、Mg2+;加试剂①过滤后的滤液中,再加试剂②盐酸,H+、NO、I-发生氧化还原反应生成I2,溶液变黄色,由于溶液呈电中性,则溶液中一定含有的阳离子为K+。由上述分析可知,该溶液中一定有I-、CO、SO、K+,故A正确;加入足量盐酸会引入Cl-,故无法判断原溶液中是否存在Cl-,故C错误;由上述分析可知,试剂②一定为盐酸,不能为硫酸,因为碳酸钡与硫酸反应生成硫酸钡会使沉淀质量增加,不符合题意,故D正确。
题组二 气体的检验
3.某混合气体中可能含有Cl2、O2、SO2、NO、NO2中的两种或多种气体。现将此无色透明的混合气体通过品红溶液后,品红溶液褪色,把剩余气体排入空气中,很快变为红棕色。对于原混合气体成分的判断中正确的是( )
A.肯定有SO2和NO或NO2中的至少一种
B.肯定只有NO
C.可能有Cl2和O2
D.肯定没有Cl2、O2和NO2
答案 D
解析 无色透明的混合气体,说明不存在Cl2和NO2,气体通过品红溶液后,品红溶液褪色,因此气体中存在SO2,剩余气体排入空气中,很快变为红棕色,说明剩余气体中有NO,由于NO能和O2反应生成有色的NO2,因此原气体中不存在O2,则气体中肯定存在SO2和NO,一定不存在Cl2、NO2、O2。
题组三 物质的鉴别方法
4.7瓶分别含有Cu2+、Fe3+、Al3+、Mg2+、Fe2+、NH、Na+等离子的溶液,只用一种试剂即可鉴别,该试剂是( )
A.KMnO4溶液 B.KSCN溶液
C.NaOH溶液 D.NH3·H2O溶液
答案 C
解析 含Cu2+的溶液呈蓝色,含Fe3+的溶液呈黄色,含Fe2+的溶液呈绿色。分别向4种溶液中逐渐加入NaOH溶液,含Al3+的溶液先产生白色沉淀,后沉淀溶解,含Mg2+的溶液产生白色沉淀,且白色沉淀不溶解,含NH的溶液加热时产生有刺激性气味的气体,含Na+的溶液无明显现象,C正确。
5.某白色粉末由两种物质组成,为鉴别其成分进行如下实验:①取少量样品加入足量稀盐酸,固体全部溶解,再加入过量烧碱溶液,有白色沉淀产生;②取少量样品加入足量水,固体全部溶解;再加入稀硫酸,有白色沉淀产生。该白色粉末可能为( )
A.BaCl2、Al(NO3)3 B.BaCO3、MgCl2
C.MgSO4、AlCl3 D.Ba(NO3)2、Mg(NO3)2
答案 D
解析 BaCl2、Al(NO3)3都能溶于水,与稀盐酸不反应,但溶于稀盐酸后滴加过量NaOH溶液无沉淀产生,故A错误;BaCO3不溶于水,故B错误;MgSO4与AlCl3都能溶于水,但再滴加稀硫酸无沉淀产生,故C错误。
离子推断题的常用原则
高考真题实战
1.(高考集萃)判断正误,正确的画“√”,错误的画“×”。
(1)(2018·全国卷Ⅲ)用铂丝蘸取某碱金属的盐溶液灼烧,火焰呈黄色,证明其中含有Na+。( )
(2)(2018·江苏高考)向FeCl2溶液中滴加NH4SCN溶液,溶液显红色。( )
(3)(2017·天津高考)将固体加热至恒重以除去NaHCO3固体中的Na2CO3。( )
(4)(2017·天津高考)将苯甲酸粗品水溶、过滤、蒸发、结晶来提纯苯甲酸。( )
(5)(2016·全国卷Ⅰ)用长颈漏斗分离出乙酸与乙醇反应的产物。( )
(6)(2016·浙江高考)蒸馏完毕后,应先停止加热,待装置冷却后,停止通水,再拆卸蒸馏装置。( )
(7)(2015·浙江高考)提纯混有少量硝酸钾的氯化钠,应采用在较高温度下制得浓溶液再冷却结晶、过滤、干燥的方法。( )
(8)(2015·浙江高考)在未知液中滴加BaCl2溶液出现白色沉淀,加稀硝酸,沉淀不溶解,说明该未知液中存在SO或SO。( )
答案 (1)√ (2)× (3)× (4)× (5)× (6)√ (7)× (8)×
解析 (2)FeCl2溶液中含Fe2+,NH4SCN用于检验Fe3+,故溶液不会显红色。
(3)NaHCO3比Na2CO3更容易分解,加热至恒重得到的是Na2CO3,错误。
(4)苯甲酸在热水中溶解度高,主要提纯步骤应为加热溶解、趁热过滤、冷却结晶、洗涤晶体,错误。
(5)长颈漏斗不能用来分液,错误。
(7)要从含有少量KNO3的NaCl固体混合物中提纯得到NaCl,应该采用蒸发结晶的方法,而不是冷却结晶的方法,错误。
(8)由于加入了Cl-,若原溶液中无SO、SO,但存在Ag+,也能生成不溶于稀硝酸的白色沉淀,错误。
2.(2018·全国卷Ⅰ)在生成和纯化乙酸乙酯的实验过程中,下列操作未涉及的是( )
答案 D
解析 反应物均是液体,且需要加热,因此试管口要高于试管底,A正确;生成的乙酸乙酯中含有乙酸和乙醇,可以用饱和碳酸钠溶液吸收,注意导管口不能插入溶液中,以防止倒吸,B正确;乙酸乙酯不溶于水,分液即可实现分离,C正确;乙酸乙酯不能通过蒸发实现分离,D错误。
3.(2017·全国卷Ⅰ)《本草衍义》中对精制砒霜过程有如下叙述:“取砒之法,将生砒就置火上,以器覆之,令砒烟上飞着覆器,遂凝结累然下垂如乳,尖长者为胜,平短者次之。”文中涉及的操作方法是( )
A.蒸馏 B.升华
C.干馏 D.萃取
答案 B
解析 根据题中所述操作及现象可知,文中涉及的操作方法为升华。
4.(2016·上海高考)实验室提纯含少量氯化钠杂质的硝酸钾的过程如图所示。下列分析正确的是( )
A.操作Ⅰ是过滤,将固体分离除去
B.操作Ⅱ是加热浓缩,趁热过滤,除去杂质氯化钠
C.操作Ⅲ是过滤、洗涤,将硝酸钾晶体从溶液中分离出来
D.操作Ⅰ~Ⅲ总共需两次过滤
答案 C
解析 操作Ⅰ应是溶解,A错误;操作Ⅱ应是加热浓缩,冷却结晶,使KNO3晶体析出,B错误;C正确;操作Ⅰ~Ⅲ只过滤一次,D错误。
5.(2016·天津高考)下列选用的仪器和药品能达到实验目的的是( )
A
B
C
D
制乙炔的
发生装置
蒸馏时的
接收装置
除去SO2中的少量HCl
准确量取一定体积K2Cr2O7标准溶液
答案 C
解析 制备乙炔时不能用长颈漏斗而应使用分液漏斗,A错误;牛角管与锥形瓶之间不能用橡皮塞,B错误;HCl可以与NaHSO3反应放出SO2,而SO2不能与NaHSO3反应,C正确;K2Cr2O7具有强氧化性,应盛放于酸式滴定管中,D错误。
6.(2015·天津高考)下列关于物质或离子检验的叙述正确的是( )
A.在溶液中加KSCN,溶液显红色,证明原溶液中有Fe3+,无Fe2+
B.气体通过无水CuSO4,粉末变蓝,证明原气体中含有水蒸气
C.灼烧白色粉末,火焰呈黄色,证明原粉末中有Na+,无K+
D.将气体通入澄清石灰水,溶液变浑浊,证明原气体是CO2
答案 B
解析 在溶液中加KSCN,溶液显红色,证明原溶液中一定含有Fe3+,但不能确定是否含有Fe2+,A错误;白色无水硫酸铜粉末遇水蒸气生成蓝色固体胆矾,B正确;灼烧白色粉末,火焰呈黄色,证明原粉末中含有Na+,但无法确定是否含有K+,C错误;能使澄清石灰水变浑浊的气体可能是CO2,也可能是SO2,D错误。
7.(2019·全国卷Ⅰ)硫酸铁铵[NH4Fe(SO4)2·xH2O]是一种重要铁盐。为充分利用资源,变废为宝,在实验室中探究采用废铁屑来制备硫酸铁铵,具体流程如下:
回答下列问题:
(1)步骤①的目的是去除废铁屑表面的油污,方法是______________________________________。
(2)步骤②需要加热的目的是________________,温度保持80~95 ℃,采用的合适加热方式是________。铁屑中含有少量硫化物,反应产生的气体需要净化处理,合适的装置为________(填标号)。
(3)步骤③中选用足量的H2O2,理由是________________________________,分批加入H2O2,同时为了________,溶液要保持pH小于0.5。
(4)步骤⑤的具体实验操作有_______________________________________,
经干燥得到硫酸铁铵晶体样品。
(5)采用热重分析法测定硫酸铁铵晶体样品所含结晶水数,将样品加热到150 ℃时失掉1.5个结晶水,失重5.6%。硫酸铁铵晶体的化学式为________。
答案 (1)碱煮水洗 (2)加快反应 热水浴 C
(3)将Fe2+全部氧化为Fe3+;不引入杂质 防止Fe3+水解
(4)加热浓缩、冷却结晶、过滤(洗涤)
(5)NH4Fe(SO4)2·12H2O
解析 (1)铁屑表面的油污可以用热的氢氧化钠溶液洗涤,然后用蒸馏水洗净。
(2)铁与硫酸反应,加热的目的是加快反应速率,由于温度要控制在80~95 ℃,应选择水浴加热。铁中含有少量的硫化物,与酸反应后生成酸性气体H2S,应该用碱溶液吸收H2S气体,为了防止倒吸,应选用C装置。
(3)铁与硫酸反应后生成硫酸亚铁,加入足量的过氧化氢溶液将亚铁离子氧化为铁离子,离子方程式为2Fe2++H2O2+2H+===2Fe3++2H2O。Fe3+在水中易水解生成氢氧化铁沉淀,为了抑制Fe3+水解,溶液要保持较强的酸性,使用H2O2的优点是不引入新的杂质。
(5)由于样品失去1.5个结晶水,失重5.6%,即
M[NH4Fe(SO4)2·xH2O]×5.6%=1.5×18 g·mol-1,可以求得M[NH4Fe(SO4)2·xH2O]≈482 g·mol-1,利用硫酸铁铵晶体的摩尔质量减去NH4Fe(SO4)2的摩尔质量可以求出晶体中水的摩尔质量之和,为216 g·mol-1,由此可以求出x=12。
8.(2016·全国卷Ⅲ)过氧化钙微溶于水,溶于酸,可用作分析试剂、医用防腐剂、消毒剂。以下是一种制备过氧化钙的实验方法。回答下列问题:
(一)碳酸钙的制备
(1)步骤①加入氨水的目的是______________________________。小火煮沸的作用是使沉淀颗粒长大,有利于______________________。
(2)右图是某学生的过滤操作示意图,其操作不规范的是________(填标号)。
a.漏斗末端颈尖未紧靠烧杯壁
b.玻璃棒用作引流
c.将滤纸湿润,使其紧贴漏斗壁
d.滤纸边缘高出漏斗
e.用玻璃棒在漏斗中轻轻搅动以加快过滤速度
(二)过氧化钙的制备
CaCO3滤液 白色结晶
(3)步骤②的具体操作为逐滴加入稀盐酸,至溶液中尚存有少量固体,此时溶液呈________性(填“酸”“碱”或“中”)。将溶液煮沸,趁热过滤。将溶液煮沸的作用是______________________________________。
(4)步骤③中反应的化学方程式为______________________________,该反应需要在冰浴下进行,原因是_____________________________________________。
(5)将过滤得到的白色结晶依次使用蒸馏水、乙醇洗涤,使用乙醇洗涤的目的是__________________。
(6)制备过氧化钙的另一种方法是:将石灰石煅烧后,直接加入双氧水反应,过滤后可得到过氧化钙产品。该工艺方法的优点是____________,产品的缺点是__________________________。
答案 (1)调节溶液pH使Fe(OH)3沉淀 过滤分离
(2)ade (3)酸 除去溶液中的CO2
(4)CaCl2+2NH3·H2O+H2O2+6H2O===CaO2·8H2O↓+2NH4Cl(或CaCl2+2NH3·H2O+H2O2===CaO2↓+2NH4Cl+2H2O) 温度过高时双氧水易分解
(5)去除晶体表面水分
(6)工艺简单、操作方便 纯度较低
解析 (1)从制备碳酸钙的流程可以看出,加入双氧水的目的是将Fe2+氧化为Fe3+,加入氨水的目的是调节溶液pH使Fe(OH)3沉淀。
(2)过滤操作要求“一贴、二低、三靠”,漏斗末端颈尖应紧靠烧杯壁;滤纸边缘应低于漏斗边缘;玻璃棒仅起到引流的作用,不能搅动,否则易使滤纸破损。
(3)根据题干信息,若使CaO2·8H2O顺利析出,须保证溶液呈中性或碱性,所以要煮沸除去酸性氧化物CO2。
(4)H2O2受热易分解,故制备过氧化钙的反应应在冰浴下进行。
(5)醇洗可防止产品溶于水而损失,且可除去晶体表面的水。
相关资料
更多

