


尖子生专用2020中考物理挑战压轴题专题09电和磁含解析
展开
压轴题09 电和磁
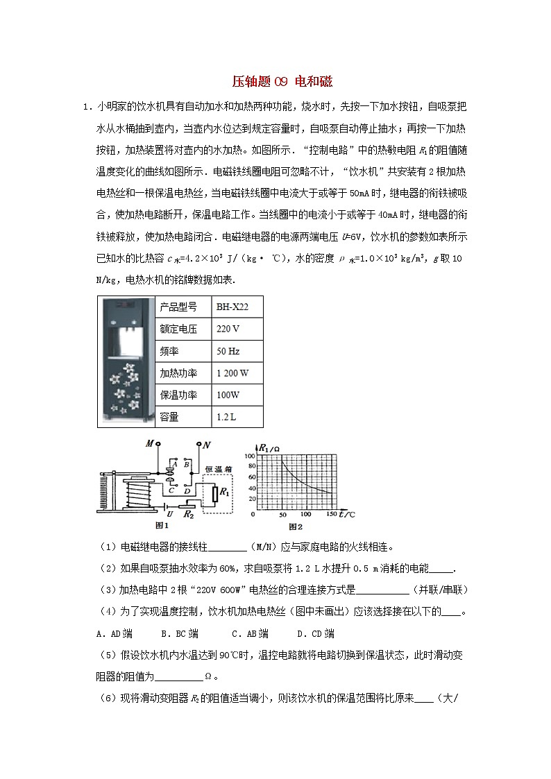
1.小明家的饮水机具有自动加水和加热两种功能,烧水时,先按一下加水按钮,自吸泵把水从水桶抽到壶内,当壶内水位达到规定容量时,自吸泵自动停止抽水;再按一下加热按钮,加热装置将对壶内的水加热。如图所示.“控制电路”中的热敏电阻R1的阻值随温度变化的曲线如图所示.电磁铁线圈电阻可忽略不计,“饮水机”共安装有2根加热电热丝和一根保温电热丝,当电磁铁线圈中电流大于或等于50mA时,继电器的衔铁被吸合,使加热电路断开,保温电路工作。当线圈中的电流小于或等于40mA时,继电器的衔铁被释放,使加热电路闭合.电磁继电器的电源两端电压U=6V,饮水机的参数如表所示已知水的比热容c水=4.2×103 J/(kg· ℃),水的密度ρ水=1.0×103 kg/m3,g取10 N/kg,电热水机的铭牌数据如表.
(1)电磁继电器的接线柱________(M/N)应与家庭电路的火线相连。
(2)如果自吸泵抽水效率为60%,求自吸泵将1.2 L水提升0.5 m消耗的电能_____.
(3)加热电路中2根“220V 600W”电热丝的合理连接方式是___________(并联/串联)
(4)为了实现温度控制,饮水机加热电热丝(图中未画出)应该选择接在以下的____。
A.AD端 B.BC端 C.AB端 D.CD端
(5)假设饮水机内水温达到90℃时,温控电路就将电路切换到保温状态,此时滑动变阻器的阻值为__________Ω。
(6)现将滑动变阻器R2的阻值适当调小,则该饮水机的保温范围将比原来____(大/小).
【答案】M10J并联C70小
【解析】
【详解】
(1)由于开关控制火线,而电磁继电器衔铁相当于开关,所以,电磁继电器的接线柱M应与家庭电路的火线相连;
(2)由知道,1.2L水的质量是:m=ρ水V=1.0×103 kg/m3×1.2×10-3m3 =1.2kg,
如果自吸泵抽水效率为60%,则η=,
所以,自吸泵将1.2L水提升0.5m消耗的电能是:=10J;
(3)根据题意知道,当继电器的衔铁被吸合,使加热电路断开,保温电路工作;当继电器的衔铁被释放,使加热电路闭合,所以,加热电路与保温电路是并联关系,而安装的2根加热电热丝工作时为了互不影响,也应是并联关系。
(4)当电磁铁线圈中电流大于或等于50mA时,继电器的衔铁被吸合,使加热电路断开,保温电路工作,由图1知道CD端接保温电热丝;当线圈中的电流小于或等于40mA时,继电器的衔铁被释放,使加热电路闭合,由图1知道AB端应接2根“220V 600W”的电热丝(表示其额定电压为220V),又由表中数据知道,加热功率为1200W,故每根电热丝正常工作的功率为600W;
(5)由图2知道,当饮水机内水温达到90℃时,热敏电阻R1 =50Ω,由于当电磁铁线圈中电流大于或等于50mA时,继电器的衔铁被吸合,使加热电路断开,保温电路工作,由电阻的串联和欧姆定律知道,此时电路的电流是:=0.05A,解得此时滑动变阻器的阻值是:R滑 =70Ω;
(6)现将滑动变阻器R2的阻值适当调小,由于加热和保温切换时的电流大小均不变,由欧姆定律知道,总阻值R不变,由串联电路的电阻规律知道,R=R2 +R1,所以,当R2增小时,加热和保温切换时的R1均增大,但两状态之间R1的变化量相等,由图2知道保温范围变小了。
2.图甲是电梯结构的示意图,它主要是由轿厢、滑轮、配重、缆绳及电动机等部件组成,小明家住21楼,他乘电梯从1楼匀速上升到21楼用时60s,已知每层楼的高度为3 m.小明重500 N,轿厢重4500 N,动滑轮和细绳的重力以及摩擦力均忽略不计,针对此过程,解答下列问题.
(1)拉力F的功率为多大____?(g取10 N/kg)
(2)动滑轮A提升小明的机械效率为多少_____?
(3)图乙是该电梯超载报警系统工作原理图,在工作电路中,当电梯没有超载时,触点K与触点A接触,闭合开关S,电动机正常工作;当电梯超载时,触点K与触点B接触,电铃发出报警铃声,即使闭合开关S,电动机也不工作.在控制电路中,已知电源电压为8 V,保护电阻R2= 100Ω,电阻式压力传感器R1的阻值随乘客压力(F压)大小变化如图丙所示,电磁铁线圈的阻值忽略不计,当电磁铁线圈电流超过0.02 A时,电铃就会发出警报声.
①由图丙可知,电梯承载的人越多,电阻式压力传感器R1受到的压力越大,电阻___________,当电流达到0.02A时,衔铁被吸下,电铃发出警报声;
②若乘客人均重为600 N,该电梯最多可以乘载多少人______?
③在安全的前提下,如果想增大该电梯的载重量,可以怎样改变控制电路_____?
【答案】5000W10%越小13增大R2或减小电源电压
【解析】
【详解】
(1)他乘电梯从1楼匀速升到21楼时,上升的高度:
h=(21-1)×3m=60m,因动滑轮和细绳的重力以及摩擦力均忽略不计,克服小明重力和轿厢重力做的功为总功,所以,拉力F做的总功:
W总=(G+G轿厢)h=(500N+4500N)×60m=3×105J,
拉力F的功率:
(2)动滑轮A提升小明时做的有用功:
W有=Gh=500N×60m=3×104J,
动滑轮A提升小明的机械效率:
(3)①电梯承载的人越多,电阻式压力传感器R1受到的压力越大,由丙图可知,电阻越小,电路中的总电阻越小,由可知,电路中电流越大,当电流达到0.02A时,衔铁被吸下,电铃发出警报声;
②当电流达到0.02A时,电路的总电阻:
因串联电路中总电阻等于各分电阻之和,
所以,此时压力传感器的电阻值:
R1=R-R2=400Ω-100Ω=300Ω,
由图丙可知,此时的最大压力为8000N,
电梯承载的人数=(人),即13人.
③在安全的前提下,只要电流小于0.02A, 电铃就不会发出警报声,此时就可以增大该电梯的载重量;所以可以增大电路的总电阻或者减小电源电压,从而达到减小电路电流的目的,增大该电梯的载重量.
3.如图,一质量为40g。体积为50cm3的铁制小球放入盛水的薄玻璃容器中,在玻璃容器下方有一已经接入电路的螺线管,小灯泡标有“6V3W“字样,通过螺线管的电流I与螺线管对铁制小球的作用力F的关系如表,假设灯丝电阻保持不变,不考虑小球与螺线管距离的远近对力F的影响。
I/A
0.1
0.2
0.3
0.4
0.5
F/N
0.05
0.1
0.15
0.2
0.25
(1)闭合开关后,通电螺线管A端是______极,调节滑动变阻器,滑片向右移动,则通电螺线管的_____会增强。
(2)闭合开关,调节滑动变阻器使铁制小球能够悬浮在水中,此时,小灯泡消耗的功率是多少W____?
(3)闭合开关,调节滑动变阻器使小灯泡正常发光,当铁制小球静止时,小球对容器底的压力是多少N__?
【答案】N磁性0.48W0.15N
【解析】
【详解】
(1)根据安培定则,螺线管中电流从B端流入、A端流出,则螺线管的A端为N极;滑动变阻器P向右移动时,接入电路中的电阻变小,电路中电流变大,再线圈匝数一定时,螺线管中电流越大,磁性越强。
(2)小球受到的重力G=mg=40×10-3kg×10N/kg=0.4N。S闭合后,小球悬浮,此时F浮=G+F。此时小球所受浮力F浮=ρ水gV排=ρ水gV=1.0×103kg/m3×10N/kg×50×10-6m3=0.5N,则F= F浮-G=0.5N-0.4N=0.1N。查表可知,此时电路中的电流I=0.2A。根据灯的铭牌可知RL===12Ω,此时灯泡消耗的功率是PL=I2RL=(0.2A)2×12Ω=0.48W。
(3)当小灯泡正常发光时,电路中电流为I=IL===0.5A,查表可知此时通电螺线管对小球的吸引力F=0.25N,此时小球受到向下的力为F+G=0.25N+0.4N=0.65N,而受到向上的力为F浮= 0.5N,0.65N>0.5N,所以小球将沉底。当小球沉底静止时,除了受到F、G、F浮之外,还受到容器底的支持力F支,由受力分析可知:F+G=F浮+F支,则F支=F+G-F浮=0.25N+0.4N-0.5N=0.15N。因容器底对小球的支持力与小球对容器底的压力为一对相互作用力,所以小球对容器底的压力F压= F支=0.15N。
4.智能家居为我们的生活提供了很多便利.香茗家新购置了一台mini智能空气加湿器,如图甲所示,R1、R2为发热电阻,且R2=3R1,U1=U2=5V,S为旋转型开关,1、2、3、4为触点,通过旋转开关S可实现“关”、“低挡”和“高挡”之间的转换,其高挡发热功率为2W.
(1)香茗与mini“对话”,即可实现对其功能的操作.Mini将香茗的声音的声信号转化为电信号,这与_____的原理相同(选填“发电机”或“电动机”).
(2)低挡模式时,mini工作电路中的电流是多少________?
(3)Mini具有智能断电功能,当水量偏低时会自动切断电源,防止干烧.控制电路中,R0=60Ω,R为压敏电阻,其阻值随压力的变化关系如图所示.当控制电路中的电流达到50mA时,衔铁才会吸合,工作电路接通.请通过计算说明,mini工作时至少需要加水多少千克____________?(g=10N/kg)
【答案】发电机0.1A0.02kg
【解析】
【分析】
电磁感应:闭合电路的部分导体在磁场中做切割磁感线运动时,导体中就会产生电流,发电机就是根据这一原理制成的;当开关S接3、4时,电路为R1的简单电路,加湿器处于高档,根据P=UI=U2R求出R1的阻值;当开关S接2、3时,R1、R2串联,加湿器处于低档,根据电阻的串联和欧姆定律求出mini工作电路中的电流;由题意可知,当电流为50mA时,根据欧姆定律求出此时控制电路的总电阻,根据电阻的串联求出压敏电阻的阻值,由图象可知压敏电阻受到的压力,压敏电阻受到的压力是由水的重力产生的,则可求出水的重力,根据F=G=mg求出所加水的最小质量.
【详解】
(1)香茗与mini“对话”,声音使膜片振动,使线圈在磁场中做切割磁感线运动,产生感应电流,即将人的声音信号转化为电流信号,这是电磁感应现象,与发电机的原理相同;
(2)当开关S接3、4时,电路为R1的简单电路,加湿器处于高档,由P=UI=U2R可得,R1的阻值:R1=U2P高=12.5Ω,当开关S接2、3时,R1、R2串联,加湿器处于低档,因串联电路中总电阻等于各分电阻之和,所以mini工作电路中的电流:
I=U2R1+R2=U2R1+3R1=5V4×12.5Ω=0.1A;
(3)由题意可知,当电流为50mA时,此时控制电路的总电阻:R总=U1I'=5V50×10-3A=100Ω,
则压敏电阻的阻值:R=R总﹣R0=100Ω﹣60Ω=40Ω,
由图可知,当R=40Ω时,压敏电阻受到的压力F=0.2N,压敏电阻受到的压力是由水的重力产生的,则水的重力:G=F=0.2N,
由F=G=mg可得所加水的最少质量:m=Gg=Fg=0.2N10N/kg=0.02kg .
5.如图是“探究导体在磁场中运动时产生感应电流的条件”的实验装置.
(1)闭合开关后,当导体ab向左或向右运动时,电流表指针偏转,当导体ab向上或向下运动时,电流表指针不偏转,说明闭合电路中的部分导体在磁场中做________运动时导体中会产生感应电流.
(2)在此实验过程中,能量转化情况是________.
(3)实验中发现,当导体ab向左运动时,电流表指针向右偏转,当导体ab向右运动时,电流表指针向左偏转,说明________.
(4)小明猜想“感应电流大小可能与导体运动速度大小有关”,他验证猜想的过程是:让导体在第一次实验中运动较慢,在第二次实验中运动较快,观察两次实验中的________,然后进行分析与判断.
【答案】切割磁感线机械能转化为电能感应电流的方向跟导体运动方向有关电流表指针偏转情况
【解析】
【分析】
要产生感应电流,则电路是闭合的,且导体做切割磁感线运动;产生感应电流的过程中机械能转化为电能.
导体运动的方向不同,指针偏转的方向不同,即感应电流的方向不同;
要验证感应电流的大小和导体运动快慢的关系,就要控制其它因素一定,而导体的运动快慢不同,据此解答.
【详解】
(1)在此次操作中,使导体ab向上或向下运动时,没有切割磁感线,所以不会产生感应电流,因此要产生感应电流,必须同时满足两个条件:电路是闭合的;导体做切割磁感线运动;
(2)导体在磁场中运动,消耗了机械能,产生了电能,所以产生感应电流的过程是机械能转化为电能的过程.
(3)由于感应电流是导体在磁场中做切割磁感线运动而产生的,当导体运动的方向改变时,电流表指针偏转方向也改变,由此可以联想到感应电流的方向跟导体运动方向有关;
(4)要验证感应电流的大小和导体运动快慢的关系,就要控制其它因素一定,而导体的运动快慢不同,让导体在第一次实验中运动较慢,在第二次实验中运动较快,观察到两次电流表的指针偏转情况不同,由此可以联想到感应电流的大小跟导体运动速度有关.
6.阅读下面短文,回答问题.
善变的软磁铁
图甲所示为中国科技馆探索与发现展厅的一个名为“善变的软磁铁”的展品,体验者推动如图乙所示的软磁铁A缓慢地向永磁铁B移动(永磁铁的右端是N极),会感觉到同性的软磁铁和固定的永磁铁之间的斥力越来越大,推动越来越吃力.但是,当软磁铁继续靠近永磁铁,两者接近到一定距离时,两块磁铁之间的排斥力又忽然变成了吸引力.这件展品让观众们体验了软磁铁与永磁铁之间同性相吸的奇妙特性.
磁铁一般分为软磁铁和硬磁铁.所谓软,是指这些材料容易磁化,在磁性上表现“软”.在一般情况下,软磁铁同样也表现出硬磁铁中的一类﹣﹣永磁铁的正常属性,但当普通永磁铁非常接近软磁铁的尖端时,软磁材料的磁矩方向发生了变化,两者的斥力会突然转变为吸引力.软磁材料,易被磁化,被磁化后,磁性也容易消失,也易于通过敲打和加热退磁,它广泛用于电工设备和电子设备,如应用在电磁铁、变压器和电机的铁芯中,以便在断电后磁性消失.
根据上述内容回答:
(1)开始体验时,体验者缓慢用力推软磁铁时,永磁铁B与软磁铁A之间相互排斥,此时,下列说法正确的是:_____(选填选项前的字母)
A.B对A的斥力与体验者对A的推力,是一对相互作用力
B.B对A的斥力与A对体验者的推力,是一对相互作用力
C.B对A的斥力与体验者对A的推力,是一对平衡力
D.B对A的斥力与A对B的斥力,是一对平衡力
(2)图乙中,当永磁铁B和软磁铁A间相互排斥时,此时软磁铁的左端是_____极;当它们接近到一定距离时,两磁铁间相互作用变为吸引时,此时软磁铁A的左端是_____极.(N/S)
(3)写出一条与硬磁铁相比,软磁铁的突出特点_____.如果一个软磁铁还留有磁性,把它的磁性消除或减弱的办法是:_____.(写出一条即可)
【答案】BNS易被磁化高温或敲击
【解析】
(1)A.永磁铁B对软磁铁A的斥力与体验者对软磁体的推力,作用在同一个物体上,所以两个力不是一对相互作用力.
B.因为力的作用是相互的,永磁铁B对软磁铁A的斥力与软磁体对永磁铁的斥力,是相互作用力,故B正确为答案.
C.永磁铁B对软磁铁A的斥力与体验者对软磁体的推力,两个力大小不相等,不是一对平衡力,故C错误.
D.永磁铁B对软磁铁A的斥力与软磁体对永磁铁的斥力,是一对相互作用力,故D错误.
(2)同名磁极相互排斥,异名磁极相互吸引,当永磁铁B和软磁铁A间相互排斥时,因为永磁体B的右端是N极,所以此时软磁铁的左端是N极.当它们接近到一定距离时,两磁铁间相互作用变为吸引时,则此时软磁铁A的左端是S极.
(3)与硬磁铁相比,软磁铁的突出特点是易被磁化.
如果一个软磁铁还留有磁性,把它的磁性消除或减弱的办法是:敲打和加热.
7.阅读下面短文,回答问题
电饭锅的温控开关
19世纪末,著名物理学家皮埃尔·居里在自己的实验室里发现磁石的一个物理特性,就是当磁石加热到一定温度时,原来的磁性就会消失.后来,人们把这个温度叫“居里点”.磁芯温度一旦超过其居里温度,磁芯的电磁效应已无法起到作用.不同材质的磁芯所承受的居里温度不固定.
在电饭锅的底部中央装了一块永久磁环和一块居里点为103℃的磁性材料.当锅里的水分干了以后,食品的温度将从100℃上升.当温度到达大约103℃时,由于被磁铁吸住的磁性材料的磁性____,磁环的吸引力____(小于/大于/等于)其上的弹簧的弹力,电源开关被____.
【答案】消失小于断开
【解析】
由题意可知,当温度到达大约103℃时,由于被磁铁吸住的磁性材料达到其“居里点”,磁性消失,磁环的吸引力小于其上的弹簧的弹力,电源开关被断开,电饭锅不再工作.
8.阅读下面的短文,回答问题
双触点干簧管
双触点干簧管是一种磁控开关,结构如图所示,其外壳是一只密封的玻璃管,管内充有某种惰性气体,并装有A、B和C三块簧片,其中B和C是用铁或镍等材料制成,A是用铜或铝等非磁性材料制成,A的端点与C的端点是固定端点,B的端点是自由端点,正常时B的端点在自身弹力作用下与A的端点接触,当绕在干簧管上的线圈通电时,如图所示,B的端点与C的端点分别被磁化而相互吸引,当吸引力大于B的弹力时,B与A的端点分开,并与C的端点接触.而当B与C的吸引力减小到一定程度时,B在弹力的作用下与C的端点分开,重新恢复与A的端点接触.
请问答下列问题:
⑴在图中,若要使螺线管的左端为N极,则电源左端是极.
⑵簧片A、B和C所对应的材料可能是.(填写序号)
①铁、铁、铜②铜、铝、铁③铜、铁、铁④镍、铁、铝
⑶当B的端点与C的端点接触时,簧片B具有势能.
⑷如图所示,请将电路连接完整,要求闭合开关后,红灯先通电,然后绿灯与红灯能交替通电.
【答案】(1)正(+)(2)3 (3)弹性(4)如图
或
【解析】
试题分析:(1)用右手握住螺线管,让四指弯向螺线管中电流的方向,则大拇指所指的那端就是螺线管的北极.根据安培定则判断电源的极性;
(2)根据物体被磁化后可以吸引铁类物质,进行分析;
(3)弹性势能是由于物体发生弹性形变而具有的能;
(4)闭合开关后,红灯先通电,然后绿灯与红灯能交替通电,由此根据双触点干簧管特点分析连接电路.
解:
(1)螺线管的左端为N极,右手握住螺线管,大拇指朝左,电流从左侧流进,右侧流出,所以电源的左端是正极;
(2)由题磁铁能够磁化干簧管的B、C两个簧片,所以制作材料可能是铁;不能吸引A,制作材料可能是铜;故选③;
(3)正常时B的端点在自身弹力作用下与A的端点接触,当B的端点与C的端点接触时,簧片B发生弹性形变,所以它具有弹性势能;
(4)当开关S闭合后,电路接通红灯亮,故红灯与螺线管相连且与簧处A组成一条支路;
通电后螺线管产生磁性,B的端点与C的端点分别被磁化而相互吸引,把簧片吸下来,绿灯电路接通灯亮.所以绿灯与C相连.这样交替进行.如图所示:
故答案为(1)正;(2)③;(3)弹性;(4)如上图所示.
【点评】干簧管实际是一种继电器控制电路,其作用相当于一个开关,解答中主要用到了安培定则的应用,磁化的特点,以及电路的设计等,有一定的难度,但也给我们很多的启示,是一个很好的应用,也是一道不错的题目.
9.如图电磁继电器和热敏电阻R1等组成了恒温箱控制电路,R1处于恒温箱内.电源电压U=6v,继电器线圈的电阻可不计.如图为热敏电阻的R1-t图象,且已知在50~150℃范围内,热敏电阻的阻值随温度的变化规律是:R1•t=常数;电阻R2是可变电阻.当线圈中的电流达到20mA时,继电器的衔铁被吸合.已知此时可变电阻R2=225Ω,恒温箱保持60℃恒温.图中的“交流电源”是恒温箱加热器的电源.
(1)60℃时,热敏电阻R1的阻值是多少?
(2)应该把恒温箱的加热器接在A、B端还是C、D端?
(3)如果要使恒温箱内的温度保持100℃,可变电阻R2的阻值应调为多少?
【答案】75Ω由图2可知,当恒温箱内的温度升高时,热敏电阻的阻值随之减小,电路中的电流增大,当电流达到20mA时,电磁铁能够吸引下衔铁,使动触点与C、D所在的电路接通.若把加热器接在此电路中,会使恒温箱内的温度持续升高.相应的,热敏电阻的阻值继续减小,电流持续增大,电磁铁的磁性继续增强,使CD这个电路始终接通,加热器永远工作.达不到控制温度的目的.所以,要把恒温箱的加热器应接在A、B端.255Ω
【解析】
(1)60℃时,控制电路I=20mA=0.02A,R总=UI=6V0.02A=300Ω,R1=R总−R2=300Ω−225Ω=75Ω;(2)由图2可知,当恒温箱内的温度升高时,热敏电阻的阻值随之减小,电路中的电流增大,当电流达到20mA时,电磁铁能够吸引下衔铁,使动触点与C. D所在的电路接通.若把加热器接在此电路中,会使恒温箱内的温度持续升高.相应的,热敏电阻的阻值继续减小,电流持续增大,电磁铁的磁性继续增强,使CD这个电路始终接通,加热器永远工作.达不到控制温度的目的.所以,要把恒温箱的加热器应接在A. B端.(3)设100℃热敏电阻的阻值为R1',∵R1⋅t=常数,∴75×60=R1'×100,解得R1'=45Ω,R总=UI=6V0.02A=300Ω,R2'=R总'−R1'=300Ω−45Ω=255Ω.
点睛:(1)要求R1的阻值,由电路图可知,R1、R2串联后接在6V的电源上,电源电压已知,此时电路中的电流也知道,可用电源电压与电流求出总电阻,然后减去R2,即可解得R1.(2)恒温箱的加热器接在A、B端还是C、D端,主要是由热敏电阻随温度的变化趋势来决定的.(3)要求电阻R2此时的阻值应调为多少,首先要知道此时热敏电阻R1的阻值是多少,而R1•t=常数是一个非常关键的突破口.
10.“汽车共享”在丽水市推出来受到市民的青睐,它属于公共交通的补充,可以满足人们自驾出行的需求.如图是我市一款按租用时间收费的电动共享汽车.五一期间,小科一家三口租用该款电动共享汽车去旅游,从租车点一路不停行驶105千米到达目的地,若全程的速度为70千米/时.回答下列问题:
(1)如图所示,租车时,租赁者只要将租车卡靠近电动汽车上的感应器,感应器即能读取卡中的信息,将车解锁.下列哪一副图与刷卡所用的原理相同是_____.
(2)租用该电动汽车的价格为0.5元/分钟,小科从租车点到目的地的租车费用为____元;
(3)该车质量为1.6×103 kg,小科一家三人总质量为是160 kg,每个轮胎和地面的接触面积为2×10-2 m2,g取10 N/kg.求该车对地面的压强____.
(4)某品牌电动汽车的部分参数如下表所示.根据表中的数据电动汽车充满电后,在水平地面上匀速行驶的最大距离为 140 千米,则行驶时该车受到的阻力为多少_____.
【答案】B452.2×105 Pa 396N
【解析】
(1)刷卡时能产生感应电流,根据磁卡中的信息可以解锁,故刷卡所用的原理是电磁感应.A图是电流的磁效应,B图是研究感应电流产生的,C图是研究通电螺线管的磁场强弱与线圈匝数关系的,D图磁场对电流的作用,故与刷卡所用的原理相同是B;(2)电动共享汽车行驶的距离s=105km,全程的速度v=70km/h,根据v=可得,电动共享汽车行驶的时间:t==1.5h=90min,因为租用该电动汽车的价格为0.5元/分钟,所以小科一家从租车点到目的地的租车费用为:0.5元/min×90min=45元;(3)车和人的总重力G=mg=(1.6103kg160kg)10N/kg=17600N,该车对地面的压强p== 2.2105Pa;(4)转化的机械能为:W′=W×η=22kW⋅h×70%=1.54kW⋅h=5.544×107J;汽车做匀速直线运动,则f=F;则阻力大小为:f=F==396N.
11.小强利用压力传感器、电磁继电器、阻值可调的电阻R等元件,设计了一个汽车超载自动报警电路,如图所示.他了解到这种压力传感器所受压力越大时,输出的电压U就越大,二者的关系如图所示.闭合开关S,当继电器线圈中电流大于或等于20mA时,衔铁被吸合.已知传感器的输出电压U即为继电器控制电路的电源电压,线圈的电阻为20Ω.
(1)车辆不超载时,工作电路中绿灯亮;当传感器所受压力增大到一定程度时,红灯亮,说明汽车超载.请你判断灯__________________(选填“L1”或“L2”)是红灯
(2)某水平公路桥禁止质量大于或等于20t的车辆通行,要用小强设计的装置为此桥报警,R的阻值应调节为多少?(g取10N/kg).
(3)在水平路面上,要使该装置报警,通过车辆的最小重力为多少?
(4)请你运用所学物理知识,说明超载的一项危害.
【答案】(1)(2)(3)(4)超载即压力大,压强大,易于压坏路面,
【解析】
【分析】
(1)分析超载和不超载时,衔铁的位置及两盏灯的亮暗情况得出结论.
(2)车对水平地面的压力等于它的重力,由图象求出压力传感器的阻值,然后由串联电路特点与欧姆定律求出R阻值.
(3)当R为零时,由欧姆定律求出线圈两端电压,然后由图象求出此时压力传感器受到的压力,即车轮的最小重力.
(4)可从惯性、压强两方面分析超载的危害.
【详解】
(1)由图示可知,车辆不超载时,控制电路中电流较小,电磁铁磁性较弱,衔铁被弹簧拉起,L1亮;车辆超载时,控制电路中电流增大,衔铁被吸下,衔铁接下端,L2亮,由题意知,L2是红灯.
(2)车对水平地面的压力:
F=G=mg=20×103kg×10N/kg=2×105N,
由图象可知,此时的输出电压U=1V,
由欧姆定律可知电路总电阻:
R总===50Ω,
电阻R的阻值:
R=R总﹣R线圈=50Ω﹣20Ω=30Ω;
(3)当R=0Ω,输出电压最小,
由欧姆定律可知输出最小电压:
U0=IR线圈=0.02A×20Ω=0.4V,
由图象可知,此时压力传感器受到的压力:
F′=0.8×105N=8×104N;
通过车辆的最小重力为8×104N;
(4)超载的汽车质量大,惯性大,急刹车后滑行距离大,容易出交通事故;超载的汽车质量大,对地面的压强大,易损坏路面;
答:(1)L2;
(2)R的阻值应调节为30Ω;
(3)在水平路面上,要使该装置报警,通过车辆的最小重力为8×104N;
(4)超载的汽车质量大,惯性大,急刹车后滑行距离大,容易出交通事故.
12.如图为小颖同学设计的电热水器的原理图,该电热水器具有加热、保温功能.如图中电磁继电器(线圈电阻不计)、热敏电阻R、保护电阻R0、电压恒为6V的电源U1、导线等组成控制电路.当电磁铁线圈中的电流I
