


【化学】四川省泸州市泸县第二中学2018-2019学年高一下学期期末模拟试题
展开
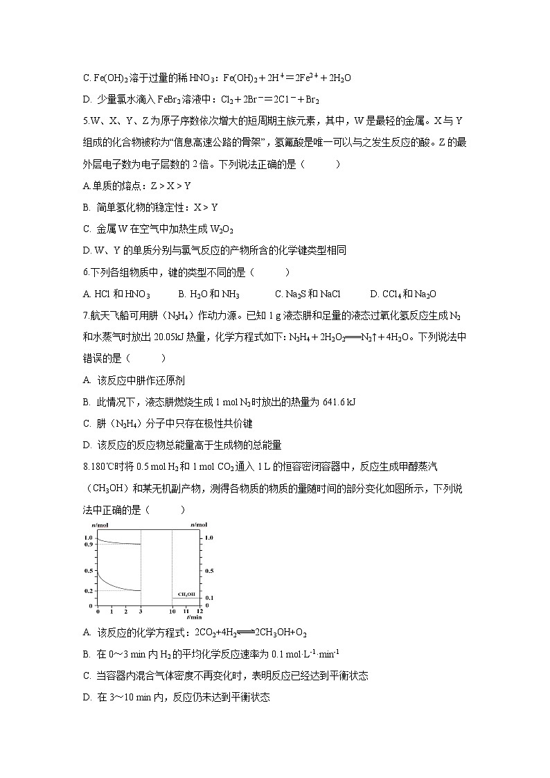
四川省泸州市泸县第二中学2018-2019学年高一下学期期末模拟试题物理化学生物同堂分卷考试,考试时间共150分,满分300分试卷分为第Ⅰ卷(选择题)和第Ⅱ卷(非选择题)一.选择题(本题共13小题,每小题4分;共52分,在每小题给出的四个选项中只有一项符合题目要求)1.已知X+、Y2+、Z-、W2-四种离子均具有相同的电子层结构。下列关于X、Y、Z、W四种元素的描述,正确的是( ) A. 原子半径:X>Y>Z>W B. 原子序数:Y>X>Z>WC. 原子最外层电子数:Y>X>Z>W D. 金属性:X<Y,还原性:W2->Z-2.下列实验操作不能达到实验目的的是( )选项实验操作实验目的A某溶液做焰色反应,为黄色证明此溶液一定为钠盐B将二氧化碳通入硅酸钠溶液中,产生白色沉淀 证明碳酸的酸性强于硅酸C把铝箔在酒精灯上加热到熔化,熔化后的液态铝不会滴落下来证明Al2O3的熔点比Al高D将Fe(OH)3胶体过滤后所得滤液置于暗处,再用激光笔照射滤液,产生丁达尔现象证明胶体的分散质能透过滤纸3.设NA为阿伏加德罗常数的值,下列说法正确的是( )A. 17 g OH- 含有的质子数为9NA B. 2 L 0.5 mol·L-1 CH3COOH溶液中,CH3COO- 的数目为NAC. 标准状况下,22.4 L HF含有的共价键数为NA D. 2.0 g H218O与D2O的混合物中所含中子数为0.1NA4.下列离子方程式书写正确的是( ) A. 铁粉加入稀硫酸中:2Fe+6H+=2Fe3++3H2↑B. SO2通入氯水中:SO2+Cl2+2H2O=SO42-+2Cl-+4H+C. Fe(OH)2溶于过量的稀HNO3:Fe(OH)2+2H+=2Fe2++2H2OD. 少量氯水滴入FeBr2溶液中:Cl2+2Br-=2C1-+Br25.W、X、Y、Z为原子序数依次增大的短周期主族元素,其中,W是最轻的金属。X与Y组成的化合物被称为“信息高速公路的骨架”,氢氟酸是唯一可以与之发生反应的酸。Z的最外层电子数为电子层数的2倍。下列说法正确的是( ) A.单质的熔点:Z > X > Y B. 简单氢化物的稳定性:X > YC. 金属W在空气中加热生成W2O2 D. W、Y的单质分别与氯气反应的产物所含的化学键类型相同6.下列各组物质中,键的类型不同的是( )A. HCl和HNO3 B. H2O和NH3 C. Na2S和NaCl D. CCl4和Na2O7.航天飞船可用肼(N2H4)作动力源。已知1 g液态肼和足量的液态过氧化氢反应生成N2和水蒸气时放出20.05kJ热量,化学方程式如下:N2H4+2H2O2===N2↑+4H2O。下列说法中错误的是( ) A. 该反应中肼作还原剂 B. 此情况下,液态肼燃烧生成1 mol N2时放出的热量为641.6 kJC. 肼(N2H4)分子中只存在极性共价键 D. 该反应的反应物总能量高于生成物的总能量8.180℃时将0.5 mol H2和1 mol CO2通入1 L的恒容密闭容器中,反应生成甲醇蒸汽(CH3OH)和某无机副产物,测得各物质的物质的量随时间的部分变化如图所示,下列说法中正确的是( )A. 该反应的化学方程式:2CO2+4H22CH3OH+O2B. 在0~3 min内H2的平均化学反应速率为0.1 mol·L-1·min-1C. 当容器内混合气体密度不再变化时,表明反应已经达到平衡状态D. 在3~10 min内,反应仍未达到平衡状态9.下列解释事实的离子方程式正确的 A. 氯化钙溶液中通入CO2气体:Ca2++H2O+CO2═CaCO3↓+2H+B. 明矾溶液中滴入Ba(OH)2溶液使SO42﹣恰好完全沉淀:2Ba2++3OH﹣+Al3++2SO42﹣═2BaSO4↓+Al(OH)3↓C. NaClO溶液中通入少量的SO2:ClO﹣+H2O+SO2═Cl﹣+SO42﹣+2H+D. 用三氯化铁溶液回收印刷电路板上的金属铜:Fe3++Cu═Cu2++Fe2+10.将12.8g铜片加入到100mL一定浓度的硝酸溶液中,铜片完全溶解,产生NO和NO2的混合气体4.48L(标准状况下);若向反应后的溶液中加入400mL2mol/LNaOH溶液,能使溶液中的Cu2+恰好完全沉淀.下列说法不正确的是( ) A. 混合气体中NO和NO2的体积之比为1:1 B. 原硝酸溶液的物质的量浓度为10mol/LC. 铜片与硝酸反应过程中转移电子0.4mol D. 反应后溶液中剩余NO3﹣的物质的量为0.4mol11.已知氧化性强弱顺序:Cl2>Br2>Fe3+>I2,则下列说法正确的是( ) A. Fe可以和I2在加热条件下生成FeI3B. 向FeBr2溶液中通入少量Cl2,发生反应的离子方程式为:2Br-+Cl2=Br2+2Cl-C. 某溶液中含有Fe2+、Cl-、I-,为了除去I-而不减少其他离子,可加入适量Fe3+D. 向含有NaBr、NaI的溶液中通入适量氯气,充分作用后,将溶液蒸干、灼烧,可能得到NaCl和NaI的固体混合物12.在1L浓度为0.2mol·L-1 Fe(NO3)3和1.5 mol·L-1 H2SO4组成的混合溶液中,加入39.2g铁粉使其充分反应。下列有关说法正确的是( )A. 反应后产生标准状况下的氢气11.2 L B. 反应后的溶液中c(Fe2+)∶c(Fe3+)=2∶1C. 反应后的溶液还可以溶解19.2g铜 D. 反应后的溶液还可以溶解16.8 g铁粉13.浓硫酸与下列物质作用时,既表现氧化性又表现酸性的是( ) A. 红热的木炭 B. 硫化氢气体 C. 氧化亚铁 D. 使蔗糖变黑二.综合题(本大题共4个小题,共48分)14.(12分)Ⅰ.现有下列基本粒子:1H、2H、3H、1H+、230Th、232Th、24Na、24Mg、O2、O3、14N、14C,请回答下列问题:(1)这些粒子分属________种元素,有________种不同的核素。互为同素异形体的粒子为__________。(2)质量数相等的粒子为____________________________(可写多组)。(3)碳的同位素12C、13C、14C与氧的同位素16O、17O、18O可化合生成二氧化碳,可得二氧化碳分子的种数为__________;可得相对分子质量不同的二氧化碳分子种数为______。Ⅱ.现有下列10中物质:①CaCl2 ②NH4Cl ③K2O2 ④Ba(OH)2 ⑤N2 ⑥HBr ⑦AlCl3⑧MgO⑨HNO3⑩CH4。试用以上编号填空:(1)只有非极性键的是___________________。(2)既有离子键又有极性键的是____________________。(3)属于共价化合物的是__________________。15.(14分)氮元素可形成多种化合物,在工业生产中具有重要价值。 请回答下列问题:(1)已知拆开1mol H-H 键,1mol N-H键, 1mol N≡N键分别需要的能量是436 kJ、391 kJ、946 kJ,且该反应为可逆反应,则N2与H2反应合成NH3的热化学方程式为_________。(2)一定温度下,将一定量的N2和H2充入固定体积的密闭容器中进行合成氨反应,①下列描述能说明该可逆反应达到化学平衡状态的有___________A.容器内气体的密度不变 B.c(N2)∶c(H2)∶c(NH3)=1∶3∶2 C.容器内的压强不变 D.3v正(H2) =2v逆(NH3)E. 容器内气体的平均相对分子质量不变F. 相同时间内有3molH-H键断裂,有6mol N-H键形成 ②恒温恒压条件下,为提高合成氨反应中N2和H2的利用率,可以采用的方法有________________。(3)一定温度下,2L密闭容器中充入0.40 mol N2O4,发生反应:N2O4(g)2NO2(g),一段时间后达到平衡,测得数据如下:时间/s 20 40 60 80100c(NO2)/(mol/L) 0.12 0.20 0.26 0.30 0.30①20s内,v(NO2)=___________,该温度下反应的化学平衡常数数值为_________。②升高温度时,气体颜色加深,则正反应是_________(填“放热”或“吸热”)反应。③相同温度下,若开始向该容器中充入0.40 mol NO2,则达到平衡后: c(NO2)_____0.15 mol·L-1(填“>”、 “=”或“<”)16.(8分)根据下列变化进行推断:且已知A为正盐。(1)推断A、B、C、D的化学式:A________,B________,C________,D________。(2)写出①②变化的离子方程式:①________________,②__________________。17.(14分)下图是元素周期表的一部分,根据元素在周期表中的位置回答下列问题, ①②③ ④ ⑤ ⑥ ⑦ ⑧ ⑨ ⑩ (1)元素⑤在周期表中的位置描述为____________,元素⑧的元素符号__________________。(2)元素①~⑩的最高价氧化物的水化物中,碱性最强的是________________(填化学式)。(3)元素②的单质的电子式______________,元素②的简单氢化物与其最高价氧化物的水化物反应,生成物中含有的化学键________________(填“离子键”、“极性键”或“非极性键”),元素①、②、③的简单氢化物的沸点由高到低的顺序是__________________(用化学式表示)。(4)非金属性比较a.装置1可用于比较元素①、②、⑤的非金属性强弱,则B中发生反应的离子方程式为:_______。b.打开装置2中玻璃塞F和活塞K1,使液体滴入烧瓶中,待E中溶液颜色不再变化后,打开活塞K2,将E中溶液滴入小试管中,关闭活塞K2,取下小试管振荡,静置,下层液体呈现紫红色。上述实验_______(填“能”或“不能”)证明非金属性⑥>⑨>⑩。
【参考答案】1.B 2.A 3.A 4.B 5.B 6.D 7.C 8.B 9.C 10.D 11.C 12.C 13.C14.7 9 O2和O3 1H和1H+、24Na和24Mg、14N和14C 18种 7种 ⑤ ②④ ⑥⑦⑨⑩ 15.N2(g)+3H2(g)2NH3(g) ΔH=-92 kJ·mol-1CE及时将NH3冷却液化分离出去,及时将氮气和氢气进行循环利用0.006 mol·L-1·s-11.8吸热>16. (NH4)2CO3 NH3 BaCO3 CO2 2NH4++2OH−+Ba2++CO32—BaCO3↓+2NH3↑+2H2O BaCO3+2H+=Ba2++CO2↑+H2O17.第三周期第ⅣA族 KOHFe离子键、极性键H2O>NH3>CH4H++HCO3-=CO2↑+H2O不能