安徽省定远县民族中学2020届高三5月模拟检测理科综合化学试题
展开7.化学与人类生活、生产和社会可持续发展密切相关,下列说法不正确的是
A. 为方便运输可用钢瓶储存液氯和浓硫酸
B. 食盐可作调味剂,也可用作食品防腐剂
C. 用淀粉溶液可以直接检验海水中是否含有碘元素
D. 化石燃料的脱硫脱氮、SO2的回收利用和NOX的催化转化都是减少酸雨产生的措施
8.NA为阿伏加德罗常数的值,下列叙述正确的是
A. 1.0L1.0molL—1的H2SO4水溶液中含有的氧原子数为4NA
B. 273K、101kPa下,22.4L甲烷和氧气的混合气体燃烧后,产物的分子总数一定为NA
C. 25℃时pH=13的NaOH溶液中含有OH—的数目为0.1NA
D. 1 mol Na与氧气完全反应得到Na2O与Na2O2的混合物时失去的电子数一定为NA
9.短周期主族元素W、X、Y和Z的原子序数依次增大,W的气态氢化物的水溶液可使酚酞变红,并且可与X的氢化物形成一种共价化合物。 Y是地壳中含量最多的金属元素,Z原子最外层电子数是其内层电子总数的3/5。下列说法中一定正确的是
A. X的简单气态氢化物稳定性比Z的强
B. 原子半径大小顺序:W<X<Y<Z
C. W的氧化物对应水化物为强酸,具有强氧化性
D. 工业上一般采取电解Y的熔融氯化物来生产Y的单质
10.Y是合成药物查尔酮类抑制剂的中间体,可由X在一定条件下反应制得:
下列叙述正确的是
A. 反应过程中加入NaI,能提高X的转化率
B. Y与Br2的加成产物分子中不含手性碳原子
C. X和Y均能与新制的Cu(OH)2在加热条件下反应生成砖红色沉淀
D. 等物质的量的X、Y分别与H2反应,最多消耗H2的物质的量之比为3∶4
11.下列对有关实验操作及现象的结论或解释正确的是
选项 | 实验操作 | 实验现象 | 结论或解释 |
A | 向H2O2溶液中滴加FeCl3溶液 | 产生大量气泡 | FeCl3催化 H2O2的分解 |
B | 将酸性KMnO4溶液滴入丙烯醛中 | 溶液的紫红色褪去 | 丙烯醛中含有碳碳双键 |
C | 向某溶液中滴加稀H2SO4溶液 | 产生有刺激性气味的气味 | 原溶液中一定含有SO32- |
D | 向某溶液中滴加几滴NaOH稀溶液,用湿润的红色石蕊试纸靠近试管口检验 | 试纸不变蓝 | 原溶液中一定不含有NH4+ |
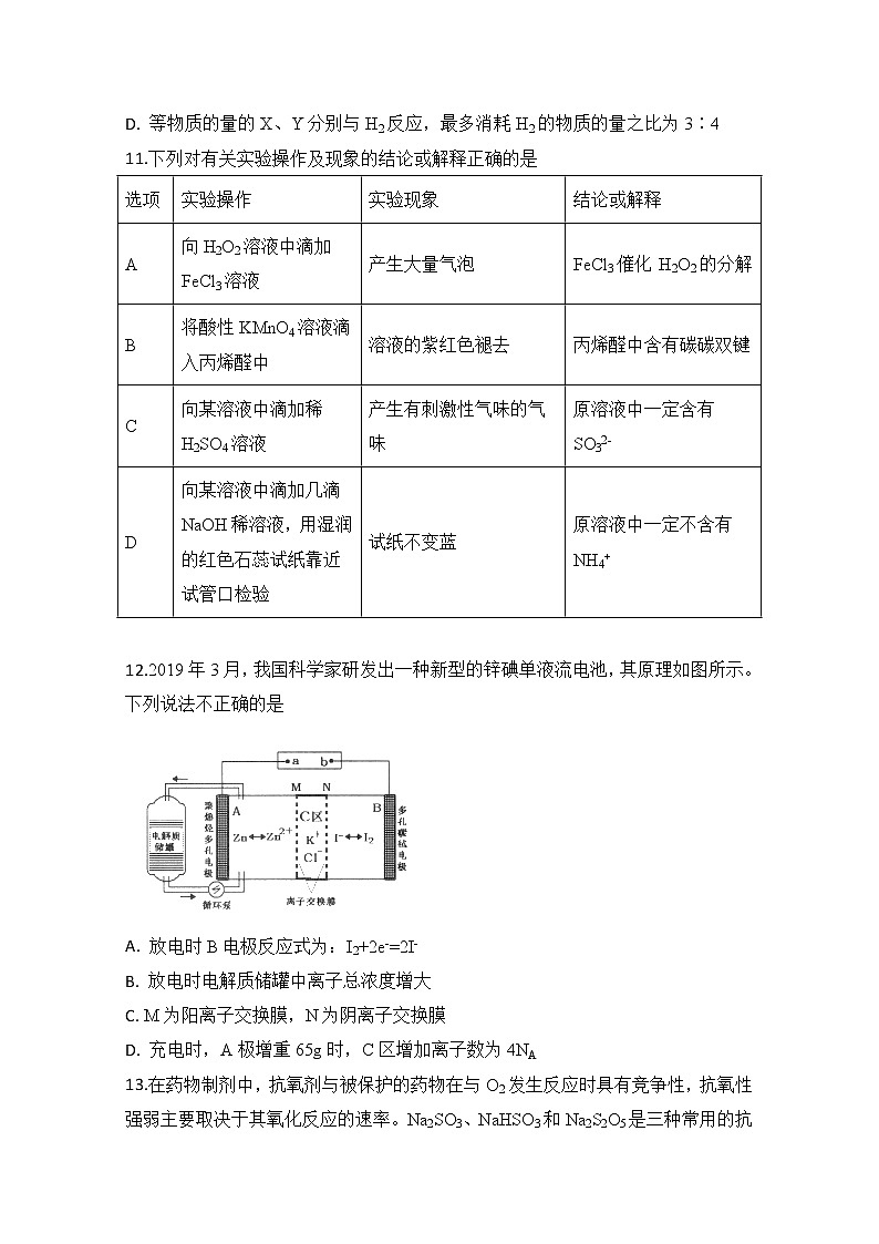
12.2019年3月,我国科学家研发出一种新型的锌碘单液流电池,其原理如图所示。下列说法不正确的是
A. 放电时B电极反应式为:I2+2e-=2I-
B. 放电时电解质储罐中离子总浓度增大
C. M为阳离子交换膜,N为阴离子交换膜
D. 充电时,A极增重65g时,C区增加离子数为4NA
13.在药物制剂中,抗氧剂与被保护的药物在与O2发生反应时具有竞争性,抗氧性强弱主要取决于其氧化反应的速率。Na2SO3、NaHSO3和Na2S2O5是三种常用的抗氧剂。
已知:Na2S2O5 溶于水发生反应:S2O52−+H2O=2HSO3−
实验用品 | 实验操作和现象 |
①1.00×10-2mol/L Na2SO3溶液 ②1.00×10-2mol/L NaHSO3溶液 ③5.00×10-3mol/L Na2S2O5溶液 | 实验1:溶液①使紫色石蕊溶液变蓝,溶液②使之变红。 实验2:溶液①与O2反应,保持体系中O2浓度不变,不同pH条件下,c(SO32−) 随反应时间变化如下图所示。 实验3:调溶液①②③的pH相同,保持体系中O2浓度不变,测得三者与O2的反应速率相同。 |
下列说法中,不正确的是
A. Na2SO3溶液显碱性,原因是:SO32−+H2OHSO3−+OH−
B. NaHSO3溶液中HSO3−的电离程度大于水解程度
C. 实验2说明,Na2SO3在pH=4.0时抗氧性最强
D. 实验3中,三种溶液在pH相同时起抗氧作用的微粒种类和浓度相同,因此反应速率相同
26. (14分)黄铜灰渣(含有Cu、Zn、CuO、ZnO及少量的FeO、Fe2O3)生产氯化铜晶体的流程如下:
(1)反应Ⅰ中所加Zn粉不能过量的原因是______________________
(2)滤液Ⅱ中含有的主要金属阳离子是___________________
(3)写出反应Ⅱ的化学方程式____________________________________________________
(4)“系列操作”包括蒸发浓缩、冷却结晶、过滤、__________、___________。
(5)在空气中直接加热CuCl2·xH2O晶体得不到纯的无水CuCl2,原因是___________________________________________________(用化学方程式表示)
(6)CuCl2·xH2O晶体中x值的测定:称取3.420g产品溶解于适量水中,向其中加入含AgNO3 4.400×10-2mol的AgNO3溶液(溶液中除Cl- 外,不含其它与Ag+反应的离子),待Cl- 完全沉淀后,用含Fe3+的溶液作指示剂,用0.2000 mol·L-1的KSCN标准溶液滴定剩余的AgNO3。使剩余的Ag+以AgSCN白色沉淀的形式析出。
①滴定终点的现象是_______________________________________。
②若滴定过程用去上述浓度的KSCN标准溶液20.00mL,则CuCl2·xH2O 中x值为________。
27. (14分)用纳米Fe/Ni复合材料能去除污染水体的NO3−,Ni不参与反应。离子在材料表面的活性位点吸附后发生反应,活性位点被其他附着物占据会导致速率减慢(NH4+无法占据活性位点)。反应过程如图所示:
(1)酸性环境中,纳米Fe/Ni去除NO3−分两步,将步骤ii补充完整:
ⅰ.NO3−+Fe+2H+=NO2−+Fe2++H2O
ⅱ.□ +□ +□H+=□Fe2++□ +□ ______
(2)初始pH=2.0的废液反应15min后,出现大量白色絮状物,过滤后很快变成红褐色,结合化学用语解释整个变化过程的原因_________。
(3)水体初始pH会影响反应速率,不同pH的硝酸盐溶液与纳米Fe/Ni反应时,溶液中随时间的变化如图1所示。(注:c0(NO3−)为初始时NO3−的浓度。)
①为达到最高去除率,应调水体的初始pH=______。
②t<15min,pH=2.0的溶液反应速率最快,t>15min,其反应速率迅速降低,原因分别是_______。
(4)总氮量指溶液中自由移动的所有含氮微粒浓度之和,纳米Fe/Ni处理某浓度硝酸盐溶液时,随时间的变化如图2所示。40min时总氮量较初始时下降,可能的原因是_____。
(5)利用电解无害化处理水体中的NO3−,最终生成N2逸出。其装置及转化图如图所示:
①阴极的电极反应式为___________。
②生成N2的离子方程式为_________。
28 (15分).Cl2O为国际公认的高效安全灭菌消毒剂之一,实验室可利用氧气和空气(氯气与空气体积比为1∶3,空气不参与反应)的混合气与含水8%的碳酸钠反应制备,所用实验装置和Cl2O的性质如下:
颜色 | 棕黄色 |
状态 | 气体 |
气味 | 强刺激性 |
熔点 | -116℃ |
沸点 | 3.8℃ |
水溶性 | 极易溶于水,与水反应生成次氯酸 |
热稳定性 | 42℃以上,分解为Cl2和O2 |
回答下列问题:
(1)仪器a的名称为_______________,所盛放的药品是_____________________。
(2)写出装置A 中发生的离子方程式:_____________________________。
(3)装置C的主要作用是_______________________________________。
(4)装置D、E 中都用到多孔球泡,其作用是____________________________。
(5)写出装置D生成Cl2O的化学方程式:___________________________。
(6)Cl2O是一种更为理想的饮用水消毒剂,ClO2和Cl2O在消毒时自身均被还原为Cl-,ClO2的消毒能力是等质量Cl2O的______________ (结果保留两位小数)倍。
(7)装置E中所得溶液呈黄绿色,可能的原因是D中的氯气过量进入E中,设计实验证明:_______________________。
(8)制备Cl2O装置中存在缺陷,请提出改进措施:_________________。
35. [化学-选修3:物质结构与性质] (15分)
钛镍形状记忆合金(TiNi)被广泛用于人造卫星和宇宙飞船的天线,在临床医疗领域内也具有广泛的应用。回答下列问题:
(1)写出基态Ti原子的电子排布式:_________,Ni在元素周期表中的位置是_________。
(2)钛镍合金能溶于热的硫酸生成Ti(SO4)2、NiSO4,二者阴离子的立体构型为______,中心原子的轨道杂化类型是_______。
(3)工业上将金红石(主要成分TiO2)转化为液态TiCl4,再用金属镁在高温下还原得到金属钛,同时生成MgCl2。
①MgCl2的熔沸点比TiCl4高得多,其原因是______。
②原子半径r(Cl)_____r(Mg),离子半径r(O2-)______r(Mg2+)(填“>”、“<”或“=”)。
(4)金属镍能与CO反应生成一种配合物Ni(CO)4(常温下为无色液体)。Ni(CO)4的固体属于_____晶体,Ni与CO之间的化学键称为__________,提供孤对电子的成键原子是_________。(填元素符号)
(5)一种钛镍合金的立方晶胞结构如图所示:
①该合金中Ti的配位数为________。
②若合金的密度为d g/cm3,晶胞边长a=________pm。(用含d的计算式表示)
36. [化学-选修5:有机化学基础] (15分)
姜黄素是植物界中很稀少的二酮色素,在食品生产中主要用于罐头、酱卤制品等的着色,还可以抑制肿瘤生长.其化学合成路线如下(部分产物和条件略去)请回答:
已知:①
②Claisen缩合:(R1、R2、R3和R4表示烃基或氢),
(1)H分子的核磁共振氢谱峰面积之比为_____;C的化学名称为_____;D的结构简式为_____.
(2)由A到B的反应类型为_____;由D和E生成F的化学方程式为_____,该反应的反应类型为_____
(3)同时满足如下条件的E的同分异构体共有_____种,写出任意一种结构简式_____.
①遇FeCl3溶液显紫色②苯环上的一氯代物有两种.
(4)已知姜黄素具有称结构.写出姜黄素的结构简式_____.
(5)聚丙烯醛可用于合成有机高分子色素,根据Claisen缩合反应,设计以甲醛和乙醛为原料合成聚丙烯醛的路线.合成路线流程图示例如下:H2C═CH2CH3CH2BrCH3CH2OH._____.
化学参考答案
7.C 8.D 9.A 10. C 11.A 12.C 13.C
26. 加入过量的Zn会使产品中含有杂质。 Zn2+、Fe2+ Cu+H2O2+2HCl=CuCl2+2H2O 洗涤 干燥 2CuCl2·xH2OCu(OH)2·CuCl2+2HCl+(2x-2)H2O 溶液变为血红色,且30s不褪色 2
27.1NO3-+3Fe+8H+=3Fe2++1NH4++2H2O Fe2+在水中发生水解,Fe2++2H2OFe(OH)2+2H+,随着反应进行,c(H+)减小,平衡右移,产生Fe(OH)2沉淀,之后发生反应4Fe(OH)2+O2+2H2O=4Fe(OH)3,变成红褐色的Fe(OH)3。 6.5 pH=2的溶液中,t<15min时,溶液中H+浓度较高,因此反应速率较快,溶液中产生Fe2+和pH上升速率较快,t>15min时,产生大量Fe(OH)2,附着在活性位点上,减小接触面积,因此反应速率迅速下降 反应过程中H+被消耗,溶液pH升高,t=40min时,溶液中含N物质主要以NH4+的形式存在,一部分NH4+生成NH3逸出。(反应过程中NO2−被Fe还原产生N2逸出。) NO3−+8e−+10H+=NH4++3H2O 2NH4++3HClO=N2↑+3Cl−+5H++3H2O
28. 球形干燥管 碱石灰 MnO2+4H++2C1-Mn2++Cl2↑+2H2O 控制氯气和空气的体积比 增大接触面积,使反应充分进行 2Cl2+ 2Na2CO3+H2O=2NaCl+Cl2O+2NaHCO3 1.61 取样,滴加硝酸酸化的硝酸银溶液,若有白色沉淀生成,则说明是氯气过量所致 将装置D放在冰水浴中,以控制三颈烧瓶内的温度不超过42℃
35. 1s22s22p63s23d24s2或[Ar] 3d24s2 第4周期第VIII族 正四面体 sp3 MgCl2是离子晶体,TiCl4是分子晶体,离子晶体键能比分子间作用力大得很多 < > 分子 配位键 6
36. 1:3或3:1 乙二醛 OHCCOOH 取代反应(水解反应) 加成反应 4 HCHO+CH3CHOCH2═CHCHO

