还剩57页未读,
继续阅读
所属成套资源:上海市2020年中考物理备考复习专题讲解与练习
成套系列资料,整套一键下载
上海市2020年中考物理备考复习资料汇编专题18用电流表电压表测电阻
展开
专题18 用电流表、电压表测电阻2
第四部分判断电路元件连接及使用问题
这类题目考察下列几种情况:滑动变阻器的使用;电流表与电压表的使用(量程及正、负接线柱的选择);待测电阻或滑动变阻器出现的故障;待测电阻与滑动变阻器即其他元件的连接等。
1.(2019普陀一模)小华在做“用电流表、电压表测电阻”实验的过程中,电源电压保持不变,实验器材齐全且完好。
①他将待测电阻和滑动变阻器串联接在电路中,闭合电键时,发现电流表、电压表的示数分别如图15所示,移动滑片P,电流表、电压表示数均不变。请指出他电路连接中可能存在的问题。(写出一种情况即可)
实验
序号
电压Ux
(伏)
电流Ix
(安)
电阻Rx
(欧)
电阻x
(欧)
1
0.12
2
3
0.58
图15
②发现问题后,他重新正确连接电路,实验步骤正确。闭合电键时,电压表示数为0.6伏;在移动变阻器滑片的过程中,电流表示数的变化范围为0.12~0.58安。当移动变阻器滑片到某个位置时,电流表和电压表的指针恰好同时指向刻度盘的正中央。小华实验所用滑动变阻器的最大阻值为欧。
③请根据小华的实验情况,完成表格中的实验数据记录和计算。(注意:请填写在答题纸上的表格中,电阻计算精确到0.1欧)。
【答案】①电压表串联在了电路中(电压表并联在了电源两端,电流表并联在了导线两端。)答案合理即可;20欧。
【解析】①根据电流表的示数为0、电压表有示数且不变,可以判断有以下几种情况:电压表串联在了电路中;电压表并联在了电源两端,电流表并联在了导线两端等。可以得出电源电压为3伏,15伏不存在(见下分析)。
②他重新正确连接电路,实验步骤正确。闭合电键时,电压表示数为待测电阻两端的电压0.6伏;电流表示数的为0.12安,则待测电阻Rx1=Ux1/I=0.6伏/0.12安=5欧;根据电流表示数最大0.58安,滑动变阻器连入电路的阻值为0,根据Rx1 =5欧可以判断电源电压约为U=IR=0.58A×5Ω=2.9V,取3伏,15伏不存在。
实验步骤正确,刚闭合电键时,滑动变阻器接入电路的阻值最大,此时电路中的电流为0.12A,则滑动变阻器两端电压:UR=U- UX=3V-0.6V=2.4V则变阻器的最大阻值R=UR/I=2.4伏/0.12安=20欧
③当移动变阻器滑片到某个位置时,电流表和电压表的指针恰好同时指向刻度盘的正中央。即Ux =1.5伏,I=0.3安,待测电阻Rx2=Ux2/I=1.5伏/0.3安=5欧;
根据电流表示数最大0.58安,可以判断滑动变阻器连入电路的阻值为0,
则待测电阻Rx3=Ux3/I=3伏/0.58安=5.2欧;
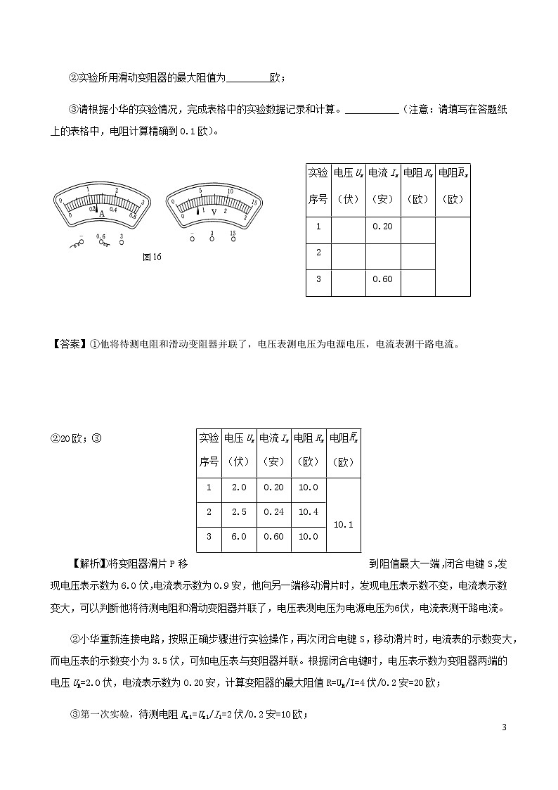
2.(2019长宁一模)小华做“用电流表、电压表测电阻”的实验,所用电源电压保持不变,滑动变阻器标有“2A”字样清晰可见,电压表0~3伏量程已坏,其他实验器材均完好。
他连接好电路后,将滑片P移到阻值最大一端,闭合电键S,发现电压表示数为6.0伏,电流表示数为0.9安,他向另一端移动滑片时,发现电压表示数不变,电流表示数变大。经过思考后,小华重新连接电路,按照正确步骤进行实验操作,再次闭合电键S时,电压表示数为4.0伏,电流表示数为0.20安;当移动滑片到某位置时,电流表和电压表的示数如图16所示;当滑片移到另一端时,电流表示数为0.60安。则
请判断小华第一次的电路连接情况___________;
实验所用滑动变阻器的最大阻值为_________欧;
实验
序号
电压Ux
(伏)
电流Ix
(安)
电阻Rx
(欧)
电阻Rx
(欧)
1
0.20
2
3
0.60
请根据小华的实验情况,完成表格中的实验数据记录和计算。___________(注意:请填写在答题纸上的表格中,电阻计算精确到0.1欧)。
图16
【答案】①他将待测电阻和滑动变阻器并联了,电压表测电压为电源电压,电流表测干路电流。
实验
序号
电压Ux
(伏)
电流Ix
(安)
电阻Rx
(欧)
电阻x
(欧)
1
2.0
0.20
10.0
10.1
2
2.5
0.24
10.4
3
6.0
0.60
10.0
②20欧;③
【解析】①将变阻器滑片P移到阻值最大一端,闭合电键S,发现电压表示数为6.0伏,电流表示数为0.9安,他向另一端移动滑片时,发现电压表示数不变,电流表示数变大,可以判断他将待测电阻和滑动变阻器并联了,电压表测电压为电源电压为6伏,电流表测干路电流。
②小华重新连接电路,按照正确步骤进行实验操作,再次闭合电键S,移动滑片时,电流表的示数变大,而电压表的示数变小为3.5伏,可知电压表与变阻器并联。根据闭合电键时,电压表示数为变阻器两端的电压UR=2.0伏,电流表示数为0.20安,计算变阻器的最大阻值R=UR/I=4伏/0.2安=20欧;
③第一次实验,待测电阻Rx1=Ux1/I1=2伏/0.2安=10欧;
第二次实验,待测电阻Rx2=Ux2/I2=2.5伏/0.24安=10.4欧;
第三次实验,待测电阻Rx3=Ux3/I3=6伏/0.6安=10欧。
3.(2020静安一模)小华同学做“用电流表、电压表测电阻”实验,实验所用电源电压保持不变,其他器材齐全且完好。他正确串联电源、待测电阻、电流表、开关后,将电压表并联在电路中,然后闭合开关,观察到电压表的指针位置如图11(a)所示,当他记录示数后准备继续实验时,却发现无法再次实验。经过思考后,小华调整电路重新测电阻。他移动变阻器的滑片,依次进行了三次实验,其操作、步骤以及数据观察、记录均正确。第1次实验为闭合开关时,所观察到两电表的示数如图11(b)所示;第2次实验时观察到两电表的示数为5.5伏、0.36安;第3次实验时,所观察到电压表的示数跟图11(a)所示一致。
请根据相关信息完成下列各题:
①小华第2次实验时,所测得的待测电阻为欧。(保留一位小数)
②小华第3次实验时所观察到电压表的示数,跟图11(a)所示一致,原因是。
③求本实验所用滑动变阻器的最大电阻值。(第③小题需写出简要的计算过程及理由)
【答案】①15.3;②滑动变阻器连入电路的阻值为零;③图11(a)所示电压表的示数为电源电压,U=7.5伏;图11(b)所示电表的示数为4.5伏和0.3安。
R变= = =10欧
【解析】①小华第2次实验时,所测得的待测电阻为Rx2=Ux2/I2=5.5伏/0.36安=15.3欧;
②小华原来把电压表与电源并联的,所以电源电压为7.5伏。第3次实验时所观察到电压表的示数,跟图11(a)所示一致,原因是滑动变阻器连入电路的阻值为零。
③图11(a)所示电压表的示数为电源电压,U=7.5伏;图11(b)所示电表的示数为4.5伏和0.3安。则变阻器的最大阻值为R变= = =10欧。
4.(2020松江一模)小王做“用电流表、电压表测电阻”实验,现有电源、待测电阻Rx、电流表、电压表、滑动变阻器(标有“20W 2A”字样)、开关以及导线若干,实验器材完好。
①他连接电路,将滑片放在阻值最大处,闭合开关时,发现电流表的示数为0.3安、电压表无示数,移动滑片,电流表示数发生改变,电压表始终无示数。经检查后发现仅有一只电表连接错误,请指出电表连接中存在的问题。(14)
②接着他重新正确连接电路,实验步骤正确。闭合开关时,电压表示数为1.2伏;在移动变阻器滑片的过程中,电流表示数的变化范围为0.24安~1.2安;当移动变阻器滑片到某个位置时,电流表、电压表的示数如图16(a)(b)所示。请根据相关信息将下表填写完整。(计算电阻时,精确到0.1欧)(15)
物理量
实验序号
电压Ux
(伏)
电流Ix
(安)
电阻Rx(欧)
电阻Rx平均值
(欧)
1
2
3
【答案】(14)将电流表并联在待测电阻两端;
物理量
实验序号
电压Ux
(伏)
电流Ix
(安)
电阻Rx
(欧)
电阻Rx平均值(欧)
1
1.2
0.24
5.0
5.1
2
3.0
0.58
5.2
3
6.0
1.2
5.0
【解析】①他连接电路,将滑片放在阻值最大处,闭合开关时,发现电流表的示数为0.3安、电压表无示数,移动滑片,电流表示数发生改变,电压表始终无示数,原因是将电流表并联在待测电阻两端。
②接着他重新正确连接电路,实验步骤正确。闭合开关时,电压表示数为1.2伏,电流为0.24安;
则滑动变阻器两端电压:UR=IR=0.24A×20Ω=4.8V;
又因为被测电阻与滑动变阻器串联,而串联电路两端电压等于各部分电压之和,故电源电压:
U= UR+UX=4.8V+1.2V=6V;
③第一次实验,待测电阻Rx1=Ux1/I1=1.2伏/0.24安=5欧;
第二次实验,待测电阻Rx2=Ux2/I2=3伏/0.58安=5.2欧;
第三次实验,待测电阻Rx3=Ux3/I3=6伏/1.2安=5欧。
电阻的平均值为x =(Rx1+ Rx2+ Rx3)/3=(5Ω+5.2Ω+5Ω)/3=5.1Ω.
5.根据“用电流表、电压表测电阻”的实验,完成下列要求。
①实验原理_____________。
②小沈同学依照图1电路图正确连接器材,闭合电键后,两电表示数如图2所示,则记录的数据是Ix=_____安,Ux=_____伏,计算出Rx=_____欧;为了减小误差进行多次测量,因此接下去小沈同学要进行的主要操作是:___________________________。
③小陈同学依照图3电路图连接器材,且将滑片移到变阻器一端,闭合电键S后,两电表都有示数;但移动滑片时,两电表示数都不变化。产生这一现象的原因可能是: ___________________________。
【答案】①R=U/I;②0.5,5,10,增减串联电池的节数,改变加在导体两端的电压。③第一种可能是:滑动变阻器金属棒两端的接线柱同时连入电路;第二种可能是:滑动变阻器电阻线圈上的两接线柱同时连入电路。
【解析】①实验原理R=U/I。
②依照图1电路图正确连接器材,闭合电键后,电流表用小量程,电压表用大量程,则记录的数据是Ix=0.5安,Ux=5伏,计算出Rx=10欧;为了减小误差应该进行多次测量,因为没有滑动变阻器,因此接下去小沈同学要进行的主要操作是:增减串联电池的节数,改变加在导体两端的电压,进行多次测量。
③小陈同学依照图3电路图连接器材,且将滑片移到变阻器一端,闭合电键S后,两电表都有示数,但移动滑片时,两电表示数都不变化。产生这一现象的原因可能是:把滑动变阻器金属棒两端的接线柱同时连入电路(电阻为零)或把滑动变阻器电阻线圈的两接线柱同时连入电路,相对于一个定值电阻。
6.小明同学在做“用电流表、电压表测电阻”的实验中,电源电压保持不变.所用电压表“0~15伏”量程损坏,但“0~3伏”量程完好。所用滑动变阻器上标有“20Ω 2A”字样。
(1)他实验步骤正确,闭合电键,观察到电压表、电流表的示数都为0,若电路中只有一处故障且只发生在电阻Rx或滑动变阻器R上,这一处故障原因可能是 。换用同样规格的器材排除这处故障后,再闭合电键,观察到电压表、电流表的示数分别为2.4伏和0.18安,则所用的电源电压为 伏.
(2)小明继续减小变阻器连入电路中的阻值,同时在不更改器材的情况下,解决了实验中遇到的困难.当滑动变阻器的滑片在某点时,电压表的示数如图2所示,则此时待测电阻RX两端的电压为 伏.
(3)接着,他移动滑动变阻器的滑片到中点位置(即滑动变阻器接入电路的电阻为10欧),观察到电流表示数为0.24安,则此次RX的阻值为 欧.
【答案】(1)滑动变阻器R断路,6;(2)4;(3)15。
【解析】(1)由图知,电压表与待测电阻并联,当滑片向左移时,电压表示数变大,待测电阻两端的电压变大,根据串联电路电压的特点可知,滑动变阻器两端的电压减小,则滑动变阻器的连入电路的阻值应变小,所以将电键的右接线柱与滑动变阻器的左下接线柱相连。
(2)电流表示数为零,说明电路发生断路,电压表示数为零,说明电压表的正负接线柱不能与电源正负极相通,因此电路故障为滑动变阻器R断路;
换用同样规格的器材排除这处故障后,实验步骤正确,刚闭合电键时,滑动变阻器接入电路的阻值最大,此时电路中的电流为0.18A,则滑动变阻器两端电压:UR=IR=0.18A×20Ω=3.6V;
又因为被测电阻与滑动变阻器串联,而串联电路两端电压等于各部分电压之和,故电源电压:
U= UR+UX=3.6V+2.4V=6V;
(3)小明继续减小变阻器连入电路中的阻值,若电压表并在待测电阻两端,此时电压表的示数应该大于2.4伏,而现在只有2伏,应与滑动变阻器并联,故RX两端的电压为Ux= U-UR=6V﹣2V=4V;
(4)∵I=U/R,∴当滑片位于中点时,滑动变阻器两端电压:UR中=I1R/2=0.24A×10Ω=2.4V;
因为串联电路两端电压等于各部分电压之和,所以待测电阻两端电压:Ux=6V﹣2.4V=3.6V,则此次RX的阻值:Rx=Ux/I=3.6伏/0.24安=15欧。
7.(2015•嘉定区一模)小林用电源、电流表、电压表、滑动变阻器(标有“20Ω 1A”字样)、电键、导线等器材来测定电阻RX的值。闭合电键S,无论怎么移动变阻器滑片,电压表的示数始终为1.0伏,电流表示数始终为0.10安。产生这种现象的原因可能是。
接着,小林经过思考、分析后,重新进行正确的实验。若电源电压保持不变,在移动滑动变阻器滑片P的过程中,他发现电流表的示数最大示数为0.28安。当他把变阻器的滑片移到某一位置,电压表、电流表的示数如图5(a)、(b)所示,此时它们的读数分别为、。
图5
根据实验过程中记录的数据,则待测电阻的电阻平均值是欧。(计算电阻时,精确到0.1欧)
【答案】滑动变阻器下端两个接线柱连接在电路中;2.3V;0.24A;10.1。
【解析】①闭合电键S,无论怎么移动变阻器滑片,电压表的示数始终为1.0伏,电流表示数始终为0.10安,说明电路是通路,滑动变阻器不起作用;因为电流表和电压表的示数都比较小(比后来的要小),所以是把滑动变阻器下端两个接线柱连接在电路中;
②滑动变阻器两端的电压UR=IR=0.1安×20欧=2伏,
电源电压U=UR+UX=2伏+1伏= 3伏,被测电阻的阻值:
Rx1=U1/I1=1伏/0.1安=10欧;
③重新进行正确的实验时,因为电流表的最大值为0.28A,被测电阻两端的最大电压U最大=3V,被测电阻
Rx2=U2/I2=3伏/0.28安=10.7Ω;
把变阻器的滑片移到某一位置时,根据图(a)可知,电压表的量程为0~3V,分度值为0.1V,示数为2.3V;根据图(b)可知,电流表的示数为0.24A,被测电阻的阻值:
Rx3=U3/I3=2.3伏/0.24安≈9.6Ω;
电阻的平均值为x =(Rx1+ Rx2+ Rx3)/3=(10Ω+10.7Ω+9.6Ω)/3=10.1Ω.
8.(2015徐汇一模)小明做“用电流表、电压表测电阻”实验,实验器材如图16中所示,请完成下列要求。
①小明连接的电路如图16所示,图中尚有一根导线未连接,请用笔线代替导线在图中按规范的实验操作要求连线。
②小明正确连接电路,实验步骤正确,闭合电键,移动滑动变阻器滑片过程中,发现电流表始终无示数,电压表示数始终为6伏,产生这种现象的原因是。
③小明排除故障后按正确的步骤继续实验。闭合电键,观察到电压表、电流表示数如图17所示。将滑片移到中点时,电流表示数为0.58安,在移动滑片过程中,观察到电流表示数的最大值为1.2安。
请将实验数据记录表填写完整。(计算电阻时,精确到0.1欧)
物理量
实验序号
电压Ux
(伏)
电流Ix
(安)
电阻Rx
(欧)
电阻Rx
平均值(欧)
1
2
3
【答案】①图如下16a;②Rx断路;③见下图。
物理量
实验序号
电压Ux
(伏)
电流Ix
(安)
电阻Rx
(欧)
电阻Rx
平均值(欧)
1
2.0
0.4
5
5.1
2
3.1
0.58
5.3
3
6.0
1.2
5
【解析】①滑动变阻器与待测电阻串联,且使连入电路中的电阻最大,所以将A接线柱与待测电阻右接线柱相连即可;
②闭合电键,移动滑动变阻器滑片过程中,发现电流表始终无示数,电路发生断路,电压表示数始终为6伏,说明Rx断路,电压表的示数为电源电压6伏;
③滑动变阻器阻值为0时,电流表示数的最大值为1.2安,此时,Rx两端的电压为电源电压6伏,待测电阻的阻值:Rx1=U大/I=6伏/1.2安=5欧;
④按正确的步骤继续实验,闭合电键,根据图17可知,滑动变阻器阻值最大时,U2=2.0伏时,I=0.4安,
待测电阻的阻值:Rx2= U2/I2=2.0伏/0.4安=5欧,
滑动变阻器的最大电阻Rmax= Rmax =U/I=(6伏-2伏)/0.4安=10欧;
将滑片移到中点时,R中=1/2R大=5欧,电流表示数为0.58安,所以UR中=IR中=0.58安×5欧=2.9伏,
U3= U-UR中=6伏-2.9伏=3.1伏,
待测电阻的阻值:Rx3= U3/I3=3.1伏/0.58安=5.3欧;
待测电阻阻值取三次的平均值为x =(Rx1+ Rx2+ Rx3)/3=5.1欧。
9.小华同学做“用电流表电压表测电阻实验”,实验器材齐全且完好。
①他连接电路并将变阻器的滑片放置于一端,闭合电键,观察到电流表电压表示数如图9(a)与(b)所示,接着他将滑片移动到另一端,观察到电流表示数减小到0.12安,而电压表示数则增大到6伏,由上述现象判断他的实验过程中可能存在的问题是:
(1)。(2)。
②他经过分析,重新调整电路进行实验,且步骤正确。闭合电键观察到电压表的示数如图9(c)所示。移动滑片到中点位置时,电流表的示数为0.2安。请帮小华完成实验数据表格的填写(电阻精确到0.1欧)。
物理量
实验序号
电压(V)
电流(A)
电阻(W )
电阻平均值
(W)
1
0.12
2
0.20
3
【答案】①电压表并联在滑动变阻器两端;闭合电键时滑片位于阻值最小处;②如图表:
物理量
实验序号
电压(伏)
电流(安)
电阻(欧)
电阻平均值
(欧)
1
1.5
12.5
12.6
2
2.5
12.5
3
7.5
0.58
12.9
【解析】①由题连接电路并将变阻器的滑片放置于一端,闭合电键,观察到电流表比较大,说明电路中电阻比较小,电压表示数为0,应该是电压表并联在滑动变阻器两端且连入电路的阻值为0;他将滑片移动到另一端,即滑动变阻器的电阻最大时,电流最小为0.12安,变阻器两端的电压为6伏;
由此说明实验中存在的问题:(1)闭合电键时滑片位于变阻器最小阻值处;(2)电压表不是测被测电阻两端电压,而是测滑动变阻器两端电压;
②重新调整电路进行实验,且步骤正确。滑动变阻器两端且连入电路的阻值为最大,电路中的电流还是0.12安,变阻器两端的电压仍为6伏;此时电压表与待测电阻并联,待测电阻两端的电压为1.5V,所以电源电压U=UR+UX=6伏+1.5伏= 7.5伏,滑动变阻器的最大阻值为Rmax =U/I=6伏/0.12安=50欧,
③当变阻器的滑片在中点时,电流表示数I2=0.2A,滑动变阻器两端的电压UR=IR=0.2安×25欧=5伏,
待测电阻两端的电压U2x= U-UR=7.5伏-5伏= 2.5伏,
Rx2=U2x/I2=2.5伏/0.2安=12.5Ω;
变阻器的滑片在阻值最大处时:Rx1=U1/I1=1.5伏/0.12安=12.5欧;
变阻器的滑片在阻值最小处时:Rx3=U3/I3=7.5伏/0.58安=12.9欧;
电阻的平均值为x =(Rx1+ Rx2+ Rx3)/3=12.6欧。
10.小华做“用电流表、电压表测电阻”的实验,所用电源电压保持不变,滑动变阻器标有“2A”字样清晰可见,电压表0~3伏量程已坏,其他实验器材均完好。
他连接好电路后,将滑片P移到阻值最大一端,闭合电键S,发现电压表示数为6.0伏,电流表示数为0.9安,他向另一端移动滑片时,发现电压表示数不变,电流表示数变大。经过思考后,小华重新连接电路,按照正确步骤进行实验操作,再次闭合电键S时,电压表示数为4.0伏,电流表示数为0.20安;当移动滑片到某位置时,电流表和电压表的示数如图28所示;当滑片移到另一端时,电流表示数为0.60安。则
请判断小华第一次的电路连接情况___________;
实验所用滑动变阻器的最大阻值为_________欧;
请根据小华的实验情况,完成表格中的实验数据记录和计算。___(注意:请填写在答题纸上的表格中,电阻计算精确到0.1欧)。
实验
序号
电压Ux
(伏)
电流Ix
(安)
电阻Rx
(欧)
电阻x
(欧)
1
0.20
2
3
0.60
图28
【答案】①他将待测电阻和滑动变阻器并联,电压表测的是电源电压,电流表测干路电流;②20欧;③见表:
实验
序号
电压Ux
(伏)
电流Ix
(安)
电阻Rx
(欧)
电阻x
(欧)
1
2.0
0.20
10.0
10.1
2
2.5
0.24
10.4
3
6.0
0.60
10.0
【解析】①他连接好电路后,将滑片P移到阻值最大一端,闭合电键S,发现电压表示数为6.0伏,电流表示数为0.9安,他向另一端移动滑片时,发现电压表示数不变,电流表示数变大。由此可以判断:他将待测电阻和滑动变阻器并联了,电压表的示数为电源电压6伏,电流表测干路电流。
②重新连接电路,按照正确步骤进行实验操作时,滑动变阻器连入电路的电阻变小,电压表示数从4.0伏变为3.5伏也变小,说明电压表并联在变阻器两端,电流表示数最小为为0.20安;由此可求变阻器的最大电阻值:Rmax=U/I=4伏/0.2安=20欧;
③对三次测量数据分别进行计算Rx的阻值:
按照正确步骤进行实验操作,再次闭合电键S时,待测电阻两端的电压U1= U-UR=6伏-4伏= 2伏,
Rx1=U1/I1=(6伏-4伏)/0.2安=10欧;
当移动滑片到某位置时,待测电阻两端的电压U2= U-UR=6伏-3.5伏=2.5伏,
Rx2=U2/I2=2.5伏/0.24安=10.4欧;
当滑片移到另一端时,待测电阻两端的电压U3=6伏,
Rx3=U3/I3=6伏/0.6安=10.0欧;
电阻的平均值为x =(Rx1+ Rx2+ Rx3)/3=10.1欧
11.某小组同学做“用电流表、电压表测电阻”的实验,实验器材齐全且完好,电源电压保持不变。
①他们正确串联实验器材,将电压表并联在电路中,并将滑片移至变阻器的一端。闭合电键时,观察到电压表、电流表的示数如图17所示。移动滑片,观察到电压表示数不变,电流表示数逐渐变大,产生这种现象的原因是。
②小组同学经过认真思考,重新正确连接电路,操作步骤正确。闭合电键时,观察到两电表的指针所指刻度仍与图17所示一致。则电源电压是伏,滑动变阻器的最大阻值是欧。
③移动变阻器的滑片,又测得一组数据为“1.6伏,0.30安”,则此时变阻器接入电路的阻值(选填“大于”、“等于”或“小于”)变阻器最大阻值的二分之一。继续移动变阻器的滑片,观察到两电表的指针同时都达到了小量程的满刻度。
④根据该组同学实验过程中观察和记录的三组数据,计算待测电阻的平均值是欧。(精确到0.1欧)
【答案】①电压表并联在电源两端;② 6,20;③大于;④ 5.1。
【解析】①正确串联实验器材,将电压表并联在电路中,移动滑片,观察到电压表示数不变,电流表示数逐渐变大,产生这种现象的原因是电压表并联在电源两端,则电源电压为6伏;
②小组同学重新正确连接电路,操作步骤正确。闭合电键时,观察到两电表的指针所指刻度仍与图17所示一致,则待测电阻两端的电压为1.2伏(小于电源电压6伏),电流为0.2安(小于后来的电流0.3安),滑动变阻器的最大阻值R=UR/I=(6伏-1.2伏)/0.24安=20欧。
③根据测得一组数据为“1.6伏,0.30安”,此时滑动变阻器的阻值R滑=U滑/I=4.4伏/ 0.3安=14.7欧,大于变阻器最大阻值的二分之一。
④重新正确连接电路,第一次实验时:
Rx1=U1/I1=1.2伏/0.24安=5.0欧;
又测得一组数据为“1.6伏,0.30安”时:
Rx2=U2/I2=1.6伏/0.3安=5.3欧;
继续移动变阻器的滑片,观察到两电表的指针同时都达到了小量程的满刻度时:
Rx3=U3/I3=3伏/0.6安=5欧;
电阻的平均值为x =(Rx1+ Rx2+ Rx3)/3=5.1欧。
12.小华在做“用电流表、电压表测电阻”实验的过程中,电源电压保持不变,实验器材齐全且完好。
①他将待测电阻和滑动变阻器串联接在电路中,闭合电键时,发现电流表、电压表的示数分别如图15所示,移动滑片P,电流表、电压表示数均不变。请指出他电路连接中可能存在的问题。(写出一种情况即可)
②发现问题后,他重新正确连接电路,实验步骤正确。闭合电键时,电压表示数为0.6伏;在移动变阻器滑片的过程中,电流表示数的变化范围为0.12~0.58安。当移动变阻器滑片到某个位置时,电流表和电压表的指针恰好同时指向刻度盘的正中央。小华实验所用滑动变阻器的最大阻值为欧。
③请根据小华的实验情况,完成表格中的实验数据记录和计算。(注意:请填写在答题纸上的表格中,电阻计算精确到0.1欧)。
【答案】①电压表串联在了电路中(或电压表并联在了电源两端,电流表并联在了导线两端);②20欧;③见下表:
【解析】①发现电流表、电压表有示数,移动滑片P,电流表、电压表示数均不变。他在电路连接中可能存在的问题:电压表串联在了电路中(或电压表并联在了电源两端,电流表并联在了导线两端),此时电压表的示数为电源电压3伏;
②重新正确连接电路,实验步骤正确。闭合电键时,电压表示数为0.6伏;在移动变阻器滑片的过程中,电流表示数的变化范围为0.12~0.58安,当I小=0.12安,滑片在最大值的一端时,
U滑= U- Ux=3伏-0.6伏=2.4伏,
R滑=U滑/I小=2.4伏/0.12安=20欧,即小华实验所用滑动变阻器的最大阻值为20欧。
③当移动变阻器滑片到某个位置时,电流表和电压表的指针恰好同时指向刻度盘的正中央时:
Rx2=U2/I2=1.5伏/0.3安=5欧;
实验序号1:Rx1=U1/I1=(3伏-2.4伏)/0.12安=5欧;
电流表示数最大0.58安时:Rx3=U3/I3=3伏/0.58安=5.2欧;
电阻的平均值为x =(Rx1+ Rx2+ Rx3)/3=5.1欧.
13.学习了“伏安法”测电阻,小张决定自主实验。首先依照图17(a)所示电路图正确连接器材,闭合电键后,他观察到电压表、电流表示数分别为6伏和0.58安;为了减小误差进行多次测量,他又从“10Ω 1A”、“20Ω 1A”两个变阻器中选择一个接入电路,当滑片置于一端时,电流表示数如图17(b)所示,在滑片向另一端移动过程中,他发现两电表示数始终不变。思考后他重新连接并进行实验,将正确测得的两组实验数据记录在草稿纸上,如图17(c)所示。
①实验过程中出现两电表示数始终不变的原因可能是:。
②小张选用的滑动变阻器规格是:。
③请根据图17及相关信息,将下表填写完整。(计算电阻时,精确到0.1欧)
【答案】①滑动变阻器相当于定值电阻接入电路中;②“20Ω 1A”;③如下:
【解析】①根据图17(a)所示电路图,电压表示数即电源电压为U=6伏,待测电阻约为
Rx=Ux/I=6伏/0.58安=10.3欧;
②在滑片向另一端移动过程中,他发现两电表示数始终不变且比后来的电流小,所以是把滑动变阻器下面的两个接线柱接入电路中,相当于定值电阻接入电路中;
③从“10Ω 1A”、“20Ω 1A”两个变阻器中选择一个接入电路,当滑片置于一端,电路中的电流为0.2A时,则待测电阻两端的电压约为UX=IRX=0.2安×10.3欧=2.06伏,变阻器两端的电压约为UR=6伏-2伏=4伏,
R=UR/I=4伏/0.2安=20欧,所以选用的是“20Ω 1A”变阻器;
④重新连接并进行实验时,因为电压表并联在待测电阻两端,所以电流与电压同时变大或同时变小,
Rx2=U2/I2=3.5伏/0.34安=10.3欧;
Rx3=U3/I3=2.8伏/028安=10.0欧;
电阻的平均值为x =(Rx1+ Rx2+ Rx3)/3=10.2欧。
14.(2017长宁一模)小王同学在做“用电流表电压表测电阻”的实验时,实验器材齐全且完好。
①他连接电路,闭合电键,观察到电压表、电流表示数如图17(a)所示,接着他将滑片移到另一端,观察到电压表示数为6伏,电流表示数为0.12安,请根据上述现象判断实验过程中可能存在的问题是
。(写出其中一个问题即可)
②经过分析后小王调整电路重新实验,且步骤正确。闭合电键,观察到电压表的示数如图17(b)所示。移动滑片到中点位置时,电流表的示数为0.2安。请画出他调整后的实验电路图。(请画在答题卡的方框内)
③请帮小王完成实验数据表格的填写(电阻精确到0.1欧)。
【答案】①电压表接在滑动变阻器两端,滑片没有移到阻值最大处(写出其中之一即可)。②③见图。
【解析】①连接电路并将变阻器的滑片放置于一端,闭合电键时,观察到电压表的示数为0,电流表的示数为0.58安,将滑片移到另一端,观察到电压表示数为6伏,电流表示数为0.12安,电流减小,由此说明实验中闭合电键时,变阻器的滑片位于变阻器最小阻值处,电压表的示数为变阻器两端电压;当他将滑片移到另一端时,观察到电压表示数为6伏,电流表示数为0.12安,可得出变阻器的最大阻值R=U/I=6伏/0.12安=50欧;
②调整电路重新实验,且步骤正确,是将电流表和滑动变阻器串联在电路中,将电压表与被测电阻并联,变阻器连入电路的阻值最大,电压表的示数如图17(b)所示为Ux=1.5伏,因为此时电流不变还是0.12安,所以变阻器两端的电压仍为UR=6伏,电源电压为U=UR+UX=6伏+1.5伏=7.5伏;
Rx1=U1/I1=1.5伏/0.12安=12.5欧;
③移动滑片到中点位置时,电流表的示数为0.2安,此时变阻器两端的电压UR=IR=0.2安×25欧=5伏。
待测电阻两端的电压Ux=U-UR=7.5V-5V=2.5V,
Rx2=U2/I2=2.5伏/0.2安=12.5欧;
④最先连接的电路,电压表是与变阻器并联的,闭合电键,变阻器的滑片位于变阻器最小阻值处,观察到电压表的示数为0、电流表示数为0.58安,则待测电阻两端的电压Ux=7.5V,
待测电阻Rx3=U3/I3=7.5伏/0.58安=12.9欧。
15.小李同学用电源、电流表、电压表、滑动变阻器(标有“20Ω 2A”字样)等完好器材,测定电阻RX的值。他按图17的电路图连接电路,并将变阻器的滑片放置于一端,然后闭合电键,发现无论怎样移动滑片P,电流表和电压表示数都为零。接着他将电路中的电压表先后并联到滑动变阻器两端b、c上,观察到电压表的示数变为9伏、电流表示数仍为零。经思考,小李排除故障,再次按图17电路图正确连接电路,操作步骤正确。闭合电键,他在将滑片P从滑动变阻器一端移动到另一端的过程中,发现电流表示数从0.30安增大到0.9安;当滑片P在中点附近某个位置时,电压表、电流表的示数如图18(a)、(b)所示,请根据小李同学实验过程中观察到的现象填写实验表格__________(注意:请填写在答题纸上的表格中,电阻计算精确到0.1欧)。
【答案】
物理量
实验序号
电压(伏)
电流(安)
电阻(欧)
电阻平均值
(欧)
1
3
10.0
10.1
2
4.5
0.44
10.2
3
9
10.0
【解析】(1)按图17的电路图连接电路,无论怎样移动滑片P,电流表和电压表示数都为零,电路出现断路;将电路中的电压表先后并联到滑动变阻器两端b、c上,观察到电压表的示数变为9伏、电流表示数仍为零,判断电路故障为滑动变阻器断路,由此可知道电源电压为9伏;
(2)再次按图17电路图正确连接电路,操作步骤正确。
对三次测量数据分别进行计算Rx的阻值:
第一次实验,滑动变阻器两端的电压UR=IR=0.3安╳20欧=6伏,Ux= U-UR=9伏-6伏= 3伏,
Rx1=U1/I1=3伏/0.3安=10.0Ω;
当滑片P在中点附近某个位置时,
Rx2=U2/I2=4.5伏/0.44安=10.2Ω;
当变阻器连入电路的电阻为0时,电流表示数为0.9安,
Rx3=U3/I3=9伏/0.9安=10.0Ω;
电阻的平均值为x =(Rx1+ Rx2+ Rx3)/3=10.1欧
16.小沈做“用电流表、电压表测电阻”的实验,先将待测电阻Rx、标有“20W2A”字样的滑动变阻器、电流表、电源、电键用导线串联起来,然后将电压表并接在Rx两端。
①在闭合电键S后,他发现电压表无示数、电流表有示数但指针偏转较小,且移动变阻器滑片过程中,电流表示数始终不变,产生上述现象的原因可能是。
②她找到问题后,按正确步骤重新实验,闭合电键后再度移动变阻器的滑片,发现电压表示数变化范围为2~6伏,则电源电压为伏;当变阻器滑片移到中点时,电流表示数为0.28安,此时电压表示数为
伏,待测电阻的阻值为欧。(精确到0.1欧)
【答案】①Rx短路,滑动变阻器都接在下接线柱相当于定值电阻;(正确写出一种情况得1分),本小题只要回答合理均可以得分;② 6,3.2,11.4。
【解析】①在闭合电键S后,发现电压表无示数、电流表有示数但指针偏转较小,且移动变阻器滑片过程中,电流表示数始终不变,产生上述现象的原因可能是Rx短路或滑动变阻器都接在下接线柱相当于定值电阻;
②按正确步骤重新实验,闭合电键后再移动变阻器的滑片,当变阻器连入电路的电阻为0时,电压表示数最大6伏,则电源电压为6伏;
③当变阻器滑片移到中点时,电流表示数为0.28安,此时滑动变阻器两端的电压UR=IR=0.28安×10欧=2.8伏,待测电阻两端的电压Ux=U-UR=6伏-2.8伏=3.2伏,即电压表示数为3.2伏,待测电阻的阻值为
Rx1=U1/I1=3.2伏/0.28安=11.4欧。
第五部分判断电源电压问题
1.(2016上海中考题)小华同学做“用电流表、电压表测电阻”实验,现有电源(电压为2伏的整数倍且保持不变)、待测电阻R、电流表、电压表(只有0-3伏档完好)、滑动变阻器(标有“20Ω 2A”字样)、电键以及导线若干。实验中,小华正确连接电路,且使变阻器接入电路中的电阻最大,闭合电键时电表示数如图12(a)、(b)所示。
①通过计算说明实验所用电源的电压。
②小华移动变阻器的滑片,观察到电表示数变化范围较小。然后他调整了电表的接入位置重新实验:
(a)根据图12中电表的示数等信息判断,在闭合电键时能否使变阻器接入电路中的电阻最大,并简述理由。
(b)根据小华重新实验中所记录的一组数据(见上表),计算待测电阻Rx的阻值(精确到0.1欧)。
【答案】①6伏;②(a)不能,(b)15.3欧。
【解析】①小华正确连接电路,电压表与待测电阻并联,由图12可知:电压表示数约为2.5伏,即Ux=2.5伏;变阻器接入电路中的电阻最大时,电流表示数约为0.16安,变阻器两端的电压约为UR=IR=0.16安×20欧=3.2伏,电源电压U=Ux+UR=2.5伏+3.2伏=5.7伏,由题意知,电源电压为2伏的整数倍,所以电源电压为6伏。
②(a)当变阻器接入电路中的电阻最大时,U2=IR2=0.16安×20欧=3.2伏>3伏,超出电压表0-3伏档的量程,所以不能使变阻器接入电路中的电阻最大;
(b)待测电阻两端的电压UX=U-UR=6伏-1.4伏=4.6伏,
待测电阻的大小RX=UX/IX=4.6伏/0.3安=15.3欧。
2.小华同学做“用电流表、电压表测电阻”的实验,所用器材齐全且完好,电源电压不变(1.5伏的整数倍),所用滑动变阻器上标有“50Ω 2A”字样。小华正确连接电路,实验步骤正确,闭合电键,电流表、电压表的示数如图16(a)、(b)所示。
①该实验的原理是。
②“小华正确连接电路,实验步骤正确”表明电压表并联在两端,闭合电键时,滑动变阻器连入电路的阻值,本实验所用的电源电压为伏。
③接着小华移动滑片到中点位置时,电流表的示数为0.18安,此时所测的电阻为欧。(电阻精确到0.1欧)
【答案】①R=U/I;②待测电阻;最大;9;③25.0。
【解析】①该实验的原理是R=U/I。
②“小华正确连接电路,实验步骤正确”表明电压表并联在待测电阻两端,闭合电键时,滑动变阻器连入电路的阻值最大,即Rmax=50欧,此时电流为0.12安(因为后来小华移动滑片到中点位置时,电流表的示数变大为0.18安),滑动变阻器两端的电压:UR=IR=0.12安×50欧=6伏,待测电阻两端的电压UX=3伏(大量程)或U'X=0.6伏(小量程);
本实验所用的电源电压为:
U=UX+UR=3伏+6伏=9伏或U'=U'X+UR=0.6伏+6伏=6.6伏(舍去),
因为电源电压为1.5伏的整数倍,所以U =9伏;
③小华移动滑片到中点位置时,电流表的示数为0.18安,此时UR=IR=0.18安×25欧=4.5伏,待测电阻两端的电压Ux= U-UR=9伏-4.5伏= 4.5伏,
所测的电阻为Rx=Ux/I=(9伏- 4.5伏)/0.18安=25欧。
3.某同学做“用电流表、电压表测电阻”的实验,可供选择的器材有:电源2个(电压分别为6伏、4.5伏),滑动变阻器2个(分别标有“l0Ω3A”和“20Ω1A”的字样),待测电阻Rx(估计阻值约为19欧),电压表、电流表、电键各1个和导线若干。他选用器材,按图15连接电路,且步骤正确。闭合电键,发现电流表的示数为0.2安。则
(1)该同学在实验中所选用的电源电压为伏,所选用的滑动变阻器的最大电阻为欧。
(2)当该同学移动滑动变阻器的滑片到中点时(即连入电路中的电阻为变阻器最大值的一半),电流表的示数为0.24安,此时电压表V的示数为伏。他继续移动滑动变阻器的滑片,发现电路中的最大电流为0.3安,此时电压表V的示数为伏,则测得Rx的阻值为欧。
【答案】(1)6,10;(2)4.8,6,20。
【解析】(1)闭合电键,电流表的示数为0.2安,电源电压可能为:
使用“l0Ω3A”的滑动变阻器时: U1=I(Rx+R1)=0.2A×(19Ω+10Ω)=5.8V;
使用“20Ω3A”的滑动变阻器时:U2=I(Rx+R2)=0.2A×(19Ω+20Ω)=7.8V;
因此所选用的电源电压为6V,所选用的滑动变阻器的最大阻值为10Ω;
(2)当滑片到中点时,滑动变阻器两端电压:UR=I′×1/2R=0.24安×5欧=1.2伏,
∵串联电路两端电压等于各部分电压之和,∴待测电阻两端的电压Ux= U-UR=6伏-1.2伏= 4.8伏,
即电压表V的示数为4.8V;
当电流表示数最大值时,滑动变阻器接入电路的电阻为零,则待测电阻两端的电压等于电源电压,即6V;
待测电阻的阻值Rx=Ux/I=6伏/0.3安=20欧。
4.小华同学做“用电流表、电压表测电阻”实验,现有电源(电压为2伏的整数倍且保持不变)、待测电阻Rx、电流表、电压表(只有0~3伏档完好)、滑动变阻器(标有“20W 2A”字样)、电键以及导线若干。实验中,小华正确连接电路,闭合电键并移动变阻器的滑片到一端时,观察到电流表示数为0.56安,电压表指针偏转如图13所示,他立刻断开电键。经过思考后,他按照正确步骤进行实验,闭合电键时观察到电流表示数为0.2安;他移动变阻器的滑片,观察到电压表示数为2.6伏时,电流表示数如图14所示。请根据相关信息将下表填写完整。(计算电阻时,精确到0.1欧)
【答案】下表:
【解析】①小华第一次正确连接电路,闭合电键并移动变阻器的滑片到一端时,观察到电流表示数为0.56安,是把滑动变阻器连入电路的电阻为0,此时待测电阻两端的电压大于3伏;
②后来按照正确步骤进行实验,他移动变阻器的滑片,观察到电压表示数为2.6伏时,电流为0.24安,所以待测电阻的大小约为Rx2=U2/I2=2.6伏/0.24安=10.8欧;
③按正确步骤进行实验,闭合电键时R=20欧,电流I=0.2安,变阻器两端的电压UR=IR=0.2安×20欧=4伏;待测电阻两端的电压约为UR=IR=0.2安×10.8欧=2.16伏。
电源电压U=UR+UX=4伏+2.16伏= 6.16伏,根据电源电压为2伏的整数倍,所以取6伏。
④计算Rx的阻值:
原来的电路,当闭合电键并移动变阻器的滑片到一端时,即变阻器连入电路的阻值为0,电流表示数为最大电流0.56安,待测电阻两端的电压为6伏,
Rx1=U1/I1=6伏/0.56安=10.7欧;
他按照正确步骤进行实验,闭合电键时观察到电流表示数为0.2安,滑动变阻器两端的电压UR=IR=0.2安×20欧=4伏,待测电阻两端的电压Ux= U-UR=6伏-4伏=2伏,
Rx2=U2/I2=2伏/0.2安=10.0Ω;
他移动变阻器的滑片,电压表示数为2.6伏时,电流0.24安,
Rx2=U2/I2=2.6伏/0.24安=10.8Ω;
电阻的平均值为x =( Rx1+ Rx2+ Rx3)/3=10.5欧。
5.小陆同学做“用电流表、电压表测电阻”实验,现有电源(电压为1.5伏的整数倍且保持不变)、一个待测电阻Rx、电流表、电压表、滑动变阻器、电键及导线若干。小陆连接电路,使变阻器接入电路中的电阻最大,闭合电键时观察到电压表示数为6伏、电流表示数为0.3安。小陆移动滑片P到某一位置,发现电压表和电流表示数如图23(a)、(b)所示。他继续移动滑片P至另一端时发现电流表示数为1.4安。
请根据相关信息
①求出滑动变阻器的最大电阻。
②通过计算说明实验所用电源的电压。
③计算待测电阻Rx的阻值(精确到0.1欧)。
【答案】①20欧;②7.5伏;③5.1欧。
【解析】①小陆连接电路,使变阻器接入电路中的电阻最大,闭合电键时观察到电压表示数为6伏、电流表示数为0.3安。小陆移动滑片P到某一位置根据电压表和电流表示数如图23(a)、(b)所示的位置可以判断:电流表的示数变大,电压表的示数变小,所以电压表与变阻器并联。
当变阻器接入电路中的电阻最大时,R滑大=U滑大/I=6伏/ 0.3安=20欧;
②闭合电键时观察到电压表示数为6伏、电流表示数为0.3安时,电源电压U=6伏+Ux……①
小陆移动滑片P到某一位置时,电压表示数为4.5伏、电流表示数为0.6安,则待测电阻两端的电压为原来的2倍,即2Ux,电源电压为U=4.5伏+2Ux……②
由①与②得出Ux=1.5伏
U =Ux+6伏=7.5伏
③第一次实验,变阻器接入电路中的电阻最大时:
Rx1=Ux1/I1=1.5伏/0.3安=5欧
第二次实验,移动滑片P到某一位置时:
Rx2=Ux2/I2=3伏/0.6安=5欧
第三次实验,继续移动滑片P至另一端时发现电流表示数为1.4安时:
Rx3=Ux3/I3=7.5伏/1.4安=5.4欧
平均值x =(Rx1+ Rx2+ Rx3)/3=5.1欧。
6.(2018浦东新区一模)小王在“用电流表、电压表测电阻”的实验中,元件均完好,电源电压为2伏的整数倍,滑动变阻器上标有“20Ω 2A”字样。他正确连接电路,实验步骤正确,闭合电键后,电流表的示数如图14(a)所示;当把滑动变阻器的滑片P恰好移到中点时,电压表示数如图14(b)所示;小王继续移动滑片P,在确保安全的情况下,又测得电路中的最大电流为0.42安。
根据以上信息,小张经思考后认为,小王所用的电源电压为6伏。请你通过计算说明,小张的判断是正确的。
请将下表填写完整。(计算电阻时,精确到0.1欧)
【答案】如下:
【解析】①电路最大电流为0.42安,因此电流表选用0~0.6安量程;正确连接电路,实验步骤正确,刚闭合电键时,I=0.22安,R滑大=20欧;
U滑大=IR滑大=0.22安×20欧=4.4伏,所以电源电压U>4.4伏;
滑片移到中点时,Ux=2.5伏,U滑应于小4.4伏,
∴电源电压U<6.9伏,
∵电源电压为2伏的整数倍,∴U=6伏,小张的判断正确;
②对三次测量分别进行计算:
闭合电键后,U滑大=IR滑大=0.22安×20欧=4.4伏,待测电阻两端的电压Ux= U-UR=6伏-4.4伏= 1.6伏;
Rx1=U1/I1=(6伏-0.22安×20欧)/0.22安=7.3欧;
滑动变阻器的滑片P恰好移到中点时,
Rx2=U2/I2=2.5伏/0.35安=7.1欧;
测得电路中的最大电流为0.42安时,
Rx3=U3/I3=3伏/0.42安=7.1欧;
电阻的平均值为x =(Rx1+ Rx2+ Rx3)/3=7.2欧。
注意:在确保安全的情况下,测得电路中的最大电流为0.42安,应该指此时电压表量程没有更换,待测电阻两端的电压为3伏,不能用6伏。
7.小王做“用电流表、电压表测电阻”实验,现有电源(电源电压为1.5伏的整数倍)、待测电阻、电流表、电压表、滑动变阻器、电键及导线若干,所有元件均完好。他连接电路后,按照正确的实验步骤操作,刚闭合电键时电流表示数为0.2安,电压表示数为4伏;他移动变阻器的滑片,观察到电流表示数变大而电压表示数变小。经过思考后他重新连接电路,闭合电键,移动变阻器滑片到某个位置时,发现电流表示数为0.26安,电压表的示数如图7所示;他继续移动变阻器滑片,发现电流表示数最大为0.58安。
请将下表填写完整。(计算电阻时,精确到0.1欧)________
【答案】见表:
【解析】①第一次连接时,移动变阻器的滑片,观察到电流表示数变大而电压表示数变小,说明电压表并联在滑动变阻器两端;第二次连接才是正确的电路。
②第二次实验中电压表的示数即为待测电阻两端的电压,即Ux2=2.8V,通过电阻的电流Ix2=0.26A,所以待测电阻阻值Rx2=Ux2/Ix2=2.8伏/0.26安=10.8Ω;
③第三次实验时发现电流最大为0.58A,此时滑动变阻器阻值为0,则电源电压大约为U=IR=0.58A×10Ω=5.8V,又因为电源电压为1.5V的整数倍,故电源电压为6V;
在第三次实验中,Ux3=U=6.0V,通过电阻的电流Ix3=0.58A,所以待测电阻的阻值
Rx3=Ux3/Ix3=6伏/0.58安=10.3Ω;
第一次实验时,待测电阻两端电压U1=6.0V-4.0V=2.0V,所以待测电阻的阻值
Rx1=Ux1/Ix1=2.0V/0.2A=10Ω;
待测电阻的平均值为x =(Rx1+ Rx2+ Rx3)/3=10.4欧.
8.小佳同学做“用电流表、电压表测电阻”实验,现有电源(电压为2伏的整数倍且保持不变)、电流表、电压表、滑动变阻器、待测电阻Rx、电键及导线若干,所有元件均完好。
他连接电路进行实验,闭合电键后,将变阻器滑片从一端移动到另一端的过程中,发现电流表示数的变化范围为0.2安~0.58安,电压表示数相应的变化范围为4.0伏~0伏。
他思考分析后重新正确连接电路,且实验步骤正确。当变阻器滑片移动到中点附近位置时,电流表示数0.28安,电压表的示数如图14所示。
①小佳同学在实验中使用的滑动变阻器的最大电阻为欧,电源电压为伏。
②请将下面表格填写完整。(计算电阻时,精确到0.1欧)。
【答案】①20;6;②
物理量
实验序号
电压(伏)
电流(安)
电阻(欧)
电阻平均值(欧)
1
2.0
10.0
10.2
2
2.9
10.4
3
6.0
10.3
【解析】①将变阻器滑片从一端移动到另一端的过程中,发现电流表示数的变化范围为0.2安~0.58安,电压表示数相应的变化范围为4.0伏~0伏,根据电流表的示数变大,电压表的示数变小且为0可以判断:电压表是与变阻器并联,滑动变阻器的最大电阻R大=U/I=4伏/0.2安=20欧。
②重新正确连接电路,电压表是与待测电阻并联,当变阻器滑片移动到中点附近位置时,电流表示数0.28安,变阻器两端的电压UR=IR=0.28安×10欧=2.8伏。电源电压U=UR+UX=2.8伏+2.9伏=5.7伏,取6伏。
③对三次测量分别进行计算:
原来的电路电流为0.2安时,R=20欧,滑动变阻器两端的电压UR=IR=0.2安×20欧=4伏,待测电阻两端的电压Ux= U-UR=6伏-4伏= 2伏,
Rx1=U1/I1=2伏/0.2安=10欧;
重新正确连接电路,且实验步骤正确,变阻器滑片移动到中点附近位置时,
Rx2=U2/I2=2.9伏/0.28安=10.4欧;
电路中电流最大时,R=0,Rx3=U3/I3=6伏/0.58安=10.3欧;
电阻的平均值为x =(Rx1+ Rx2+ Rx3)/3=10.2欧
9.在做“用电流表、电压表测电阻”的实验中,甲、乙两同学所用器材完全相同且齐全,测定同一规格的电阻。他们均正确串联电路,闭合电键前都将滑动变阻器的滑片置于一端,并将电压表并联在电路中。闭合电键,观察到甲、乙两同学的电压表示数之差为2伏,然后乙同学将滑片移至变阻器另一端时,观察到电压表示数与甲最初的电压表示数之差仍为2伏。下表为乙同学的实验数据。
(1)请画出乙同学的实验电路图。
(2)根据相关信息,计算说明电源电压为伏。
(3)根据相关信息,计算出待测电阻的阻值。(写出解题过程)
【答案】(1)下图;(2)6伏;(3)10.7欧。
【解析】(1)由表格数据可以判断乙同学电压表的示数与电流表的示数变化是“一大一小”,说明电压表与滑动变阻器并联,电路如图1;
(2)①闭合电键,甲、乙两同学的电压表示数有差值,乙同学将滑片移至变阻器另一端时,甲、乙两位同学电压表的示数始终有差值,说明两位同学的电压表不可能都并在同一个原件上;乙同学“当R2=0欧时,U2=0伏”,说明乙同学电压表与变阻器并联,所以甲同学电压表与待测电阻并联,且电压表的示数“U甲=2伏”;②当闭合电键,乙同学将滑片移至变阻器阻值最大的一端时,乙同学电压表的示数比甲的高于2伏,即U2=2伏+2伏=4伏,而待测电阻两端的电压都相同为Ux=2伏,所以电源电压U=Ux+U2=6伏。
(3)待测电阻两端的电压Ux= U-UR,
Rx1=U1/I1=(6伏-2.5伏)/0.32安=10.9Ω;
Rx2=U2/I2=(6伏-3伏)/0.28安=10.9Ω;
Rx3=U3/I3=(6伏-3.5伏)/0.18安=10.4ΩΩ;
电阻的平均值为x =(Rx1+ Rx2+ Rx3)/3=10.7欧
10.小王、小张分别做“用电流表、电压表测电阻”的实验,实验器材齐全并完好,其中:电源电压相等保持不变,待用滑动变阻器有两种规格(分别标有“10Ω 2A”、“20Ω 2A”的字样),待测电阻Rx规格相同。实验中,两位同学所用的变阻器不同,但他们在连接电路时都将滑片置于变阻器的一端。闭合电键,他们所观察到电流表、电压表的示数均为图16(a)、(b)所示,接着在向变阻器另一端移动滑片的过程中,小王发现电路中两电表的示数均变小,而小张却发现电路中两电表的示数均变大。在思考并解决实验问题后,两位同学均完成实验,而其中一位同学将他所正确测得的两组实验数据记录在草稿纸上,如图17所示。
①两位同学实验所用的电源电压为伏。
②小王所用滑动变阻器的规格为“”。
③为完成其中一位同学的记录和处理,请根据图16和图17及相关信息,将表填写完整。(计算电阻时,精确到0.1欧)
【答案】①6;②“10Ω 2A”;③如下表:
【解析】①实验中,两位同学所用的变阻器不同,但他们在连接电路时都将滑片置于变阻器的一端。闭合电键,在向变阻器另一端移动滑片的过程中,小王发现电路中两电表的示数均变小,说明小王在闭合开关前,把滑动变阻器滑片移到最小值处,小张却发现电路中两电表的示数均变大,说明小张在闭合开关前,把滑动变阻器滑片移到最大阻值处,两位同学电压表都并联在待测电阻的两端;闭合开关时,他们所观察到电流表、电压表的示数均为图(a)、(b)所示,说明两人所选的量程不同;
②小王闭合开关时滑动变阻器接入电路的电阻为0,电压表测电源电压用的是大量程,小张用的是小量程,所以电源电压为大量程读数:U=6V;
小张电压表用的是小量程,闭合电键时,变阻器两端的电压UR= U-UX=6伏-1.2伏=4.8伏,电流I=0.24安,
滑动变阻器的最大电阻Rmax =U/I=4.8伏/0.24安=20欧,则小王所用滑动变阻器的规格为“10Ω 2A”;
③因为电流表和电压表示数都逐渐增大,所以电流和对应的电压值为:
I1=0.24A,U1=1.2V;I2=0.3A,U2=1.6V;I3=0.4A,U2=2.2V;
Rx1=U1/I1=1.2伏/0.24安=5Ω;
Rx2=U2/I2=1.6伏/0.3安=5.3Ω;
Rx3=U3/I3=2.2伏/0.4安=5.5Ω;
电阻的平均值x =(Rx1+ Rx2+ Rx3)/3=(5Ω+5.3Ω+5.5Ω)/3≈5.3Ω。
第六部分用其他特殊方法测电阻
1.小陆做“用电流表、电压表测电阻”实验,器材有电压恒定的电源、待测电阻Rx、电流表、电压表、电键及导线若干。为了实现多次测量,他从实验室找来了20欧和10欧的电阻各一个,并设计了如图2(a)所示的电路图进行实验。实验步骤如下:
(1)按图2(a)正确连接器材,并在MN两点之间不接入任何器材的情况下,闭合电键S,此时电压表的示数为4.5伏。
(2)断开电键,把10欧的电阻接入MN两点之间。重新闭合电键S后,电压表示数如图2(b)所示。
(3)把10欧的电阻换成20欧的电阻,重新实验,电压表示数相比步骤②变化了0.8伏。
(4)用一根导线接在MN之间,此时电流表示数为0.36安。
请根据上述实验过程,填写表中编号处的数据。
物理量
实验序号
电压Ux
(伏)
电流Ix
(安)
电阻Rx
(欧)
电阻Rx的
平均值(欧)
1
0
0
2
(8)
(9)
3
(10)
(11)
4
(12)
0.36
【答案】(8) 2.5;(9)0.2;(10)1.7;(11)0.14;(12)4.5。
【解析】(1)由图2(a),正确连接器材,在MN两点之间不接入任何器材,闭合电键S,电压表与Rx串联在电路中,由于电压表自身电阻非常大,所以电压表相当于测电源电压,即电源电压U=4.5V,此时电路中电流非常小,几乎为0;
(2)把10欧的电阻接入MN两点之间,因为电源电压4.5V,由图2(b)可知:电压表此时应使用的0-3V量程,示数为2V,此时Ux2=U-UMN=4.5V-2V=2.5V,由串联电路特点和欧姆定律可得:Ix2=IMN=UMN/RMN=2伏/10欧=0.2安;
(3)把10Ω的电阻换成20Ω的电阻,由串联电路的分压原理可知此时MN两点间电压增大,所以UMN′=2V+0.8V=2.8V,此时Ux3=U-UMN′=4.5V-2.8V=1.7V,Ix3=IMN′= UMN′/ RMN′=2.8伏/20欧=0.14安;
(4)由图当用一根导线接在MN之间,电路中只有Rx连入电路,所以Ux4=U=4.5V。
2.小陆同学做“用电流表、电压表测电阻”实验,现只有电源(电压大于3伏且保持不变)、待测电阻Rx、电压表(0~15伏量程档损坏)、阻值为10欧的定值电阻R1、阻值为30欧的定值电阻R2、电键及导线若干。他经过思考,进行了三次实验,电路图及闭合电键S后对应的电压表的示数分别如图3(a)、(b)、(c)所示。请根据相关信息计算(需写出计算过程):
①小路同学所用电源的电压U。
②待测电阻Rx的阻值。(计算电阻时,精确到0.1欧)
【答案】①6V;②5.9Ω。
【解析】(1)由图(a)可知R1两端电压为U1=1.5V,因为R1=10Ω,所以电路中的电流为:I=U 1/R1
=1.5伏/10欧=0.15安,即R2中的电流为I2=0.15A,又因为R2=30Ω,所以R2两端的电压为
U2=I2R2=0.15A×30Ω=4.5V,
电源电压为U=U1+U2=1.5V+4.5V=6V;
(2)由图(b)可知电压表示数为1V,则R2两端的电压为U2= U-Ux=6伏-1伏= 5伏,
根据串联电路的分压规律:U1:U2= R1: R2,1伏/ Rx=5伏/30Ω,则此时Rx为6Ω;
(3)由图(c)可知电压表示数为2.2V,则R1两端的电压为U1= U-Ux=6伏-2.2伏= 3.8伏
根据串联电路的分压规律:U1:U2= R1: R2,2.2伏/ Rx=3.8伏/10欧,则此时Rx为5.8Ω;
因此待测电阻为Rx=(6欧+5.8欧)/2≈5.9Ω。
3.(2018宝山一模)如图1所示为“用电流表、电压表测电阻”的实验电路,请填写空格处的内容。
①实验目的:伏安法测电阻,要求 ,求电阻的平均值。
② :R=。
③若某次实验时,滑动变阻器和电流表出现了故障不能使用,为了测出电阻Rx的阻值,该同学选添了一个阻值已知的定值电阻R0,进行实验。
a.请根据上述条件设计实验电路图(画在方框内)。
b.利用测得的数据,写出待测电阻Rx的表达式:Rx= 。(简要说明式中物理量的含义)
S
【答案】①多次测量;②实验原理;③ a. 见下图;b.Rx=(U-U0)R0/ U0,U为电源电压,U0为R0两端电压。
【解析】①在伏安法测电阻的实验中,要多次测量求平均值,以减小误差;
②实验原理: R=U/I;
③a.设计实验电路图,Rx与R0串联,开关与Rx并联;b.开关闭合时,电阻Rx被短路,电压表示数为电源电压U;开关断开时,两电阻串联,电压表测R0两端电压U0,则Rx两端电压为:Ux=U-U0,串联电路的电流为:I=U0 /R0 ;
所以电阻Rx的阻值为: Rx=Ux/I=(U-U0)/ U0 /R0=(U-U0)R0/ U0 ,U为电源电压,U0为R0两端电压。
4.在做“用电流表、电压表测电阻”的实验中,连接电路时电键必须处于状态(选填“断开”或“闭合”)。现有待测电阻Rx、滑动变阻器、电压表、电流表、电键、若干导线和多节干电池,小李按照图4(a)所示的电路正确连接电路,在闭合电键前,他应将滑动变阻器的滑片P移到(选填“A”或“B”)端,闭合电键后测得Rx两端的电压是4伏,电流表示数如图4(c)所示是安,计算此时电阻Rx的阻值是欧。实验时要测量多组数据,以便将计算结果取平均值来减小误差,下列做法可行的是。
A.按照图4(a)所示的电路,移动滑动变阻器的滑片P的位置;
B.按照图4(b)所示的电路,多更换几个相同的待测电阻Rx;
C.按照图4(b)所示的电路,改变串联干电池的节数;
【答案】断开;B; 0.2A;20欧;A、C。
【解析】①在做“用电流表、电压表测电阻”的实验中,连接电路时电键必须处于断开状态,避免连接电路时连接完最后一根导线,电路中就有电流,万一连接的电路有错误,可能会损坏电路元件;
②滑动变阻器的滑片应该处于B 端,连入电路的阻值最大,电流最小,对电路起到保护作用;由图c可知,电流表的量程为0~06A,分度值为0.02A,通过电阻的电流为0.2A,由I=U/R,此电阻的大小Rx=Ux/I=4伏/0.2安=20欧;
③实验时要测量多组数据,多次改变待测电阻两端的电压和电流;
A.按照图4(a)所示的电路,移动滑动变阻器的滑片P的位置可以进行多次测量;
B.按照图4(b)所示的电路,多更换几个相同的待测电阻Rx,不符合实验的目的,因为测的是同一个导体的电阻,没有多次改变待测电阻两端的电压和电流;
C.按照图4(b)所示的电路,改变串联干电池的节数,也可以多次改变待测电阻两端的电压和电流,方法可行。故选A、C 。
5.小明同学做“用电流表、电压表测电阻”实验,现只有电源(电压保持不变)、待测电阻Rx、电流表、标有“20Ω 1A”字样的滑动变阻器、两个电键及导线若干。他经过思考,设计了如图5(a)所示电路进行实验。
(1)他按图(a)所示电路连接实验器材,闭合电键S1,发现电流表示数如图5(b),其错误原因可能是。
(2)他找到问题所在后,按如图6方法进行了三次实验,电路图及闭合电键后对应的电流表的示数分别如图6(a)、(b)、(c)所示(a、b中滑片位于最右端,c中滑片位于最左端)。请根据相关信息计算(需写出计算过程):
①小明同学所用电源的电压U。
②待测电阻Rx的阻值。(计算电阻时,精确到0.1欧)
【答案】(1)电流表正负接线柱接反了;(2)①8伏;②13.6Ω。
【解析】(1)他按图(a)所示电路连接实验器材,闭合电键S1,发现电流表示数如图5(b),其错误原因是电流表正负接线柱接反了;
(2)①由图6(a)可知:电流表用的是小量程0—0.6安,电流为0.4A(不可能2A,会超过变阻器的最大电流2A),所以电源电压U=IR2=0.4A×20Ω=8V
②由图6(b)可知:滑片位于最右端时,R2两端电压U2'=I'R2=0.24A×20Ω=4.8V
待测电阻两端的电压UX=U-U2'=8V-4.8V=3.2V
RX= UX/I'=3.2V/0.24A=13.3Ω
由图6(c)可知:滑片位于最左端时,UX'=U=8V
RX'= U/I''=8V/0.58A=13.8Ω
x = (RX+ RX')/2=(13.3Ω+13.8Ω)/2=13.6Ω
6.(2018崇明一模)某小组同学做“用电流表、电压表测电阻”实验时,实验器材有:有电源(电压为1.5伏整数倍且保持不变)、待测电阻Rx、电流表、电压表、电键及导线若干。但发现电流表已坏,电压表的0~15伏量程档损坏.现只能用非常规方法测量电阻.给予阻值为10欧的定值电阻R1、阻值为20欧的定值电阻R2.他经过思考,进行了两次实验,电路图及闭合电键S后对应的电压表的示数分别如图6(a)、(b)所示.请根据相关信息完成下列问题:
(1)图6(a)中电表示数是 V;
(2)该小组同学所用电源的电压是 V;
(3)待测电阻Rx的阻值是 Ω(计算电阻时,精确到0.1Ω);
(4)你认为该实验中不足之处主要是 。
【答案】(1)1.5;(2)4.5;(3)9.6;(4)只对被测电阻进行了一次测量,结果不够准确。
【解析】做“用电流表、电压表测电阻”实验时,由于没有电流表,故采取特殊的方法进行测量也可以,本题用已知阻值的电阻与待测电阻串联即可。
(1)因为电压表的0~15伏量程档损坏,所以图6(a)中电表示数是1.5V。
(2)由图6(a)知定值电阻R1与阻值为20欧的定值电阻R2串联,电流为I1= U1/R1=1.5伏/10欧=0.15安,U2=I1×R2=0.15安×20欧=3伏
电源电压 U= U1 + U2=1.5伏+3伏=4.5伏
(3)由图6(b)可知:定值电阻R1与待测电阻Rx串联,
Ux=2.2伏U1= U- U2=4.5伏-2.2伏=2.3伏I= U1/R1=2.3伏/10欧=0.23安
Rx=Ux/I=2.2伏/0.23安=9.6欧
(4)实验只对被测电阻进行了一次测量,没有进行多次测量取平均值减小误差,结果不够准确。
7.(2018徐汇一模)小汇同学做“用电流表、电压表测电阻”实验,现只有电源(电压大于6伏且保持不变)、待测电阻Rx、电流表(0-3安量程档损坏)、定值电阻R1=10欧、R1=30欧、电键、若干导线等器材。他经过思考,进行了三次实验,实验电路图及闭合电键S后对应的电流表的示数分别如图7(a)、(b)、(c)所示。请根据相关信息将下表空格填写完整。________。
物理量
实验序号
电流I
(安)
电压U1
(伏)
电压U2
(伏)
电压Ux
(伏)
电阻Rx
(欧)
电压U
(伏)
1
2
3
分析表格中的数据可得:待测电阻Rx的阻值为_________欧。
【答案】见下表;Rx=20欧。
【解析】因为电流表0~3A量程档损坏,所以电流表使用0~0.6A量程。
(1)(a)中电流表示数为0.3A,定值电阻R1=10Ω,根据欧姆定律可得R1两端的电压
U1=IR1=0.3A×10Ω=3V,同理可得R2两端的电压U2=IR2=0.3A×30Ω=9V,
电源电压U=U1+U2=3V+9V=12V;
(2)(b)中电流表示数为0.24A,则R2两端的电压U2=IR2=0.24A×30Ω=7.2V;
根据串联电路电源电压等于串联各部分的电压之和,则待测电阻两端的电压
Ux=U-U2=12V -7.2V =4.8V;
Rx的阻值Rx=Ux/I=4.8伏/0.24安=20欧。
(3)(c)中电流表示数为0.4A,则R1两端的电压U1=IR1=0.4A×10Ω=4V;
根据串联电路电源电压等于串联各部分的电压之和,则待测电阻两端的电压
Ux'=U-U'2=12V -4V =8V;
Rx的阻值Rx=Ux/I=8伏/0.4安=20欧。
(4)待测电阻Rx的阻值为20Ω。
8.(2017静安一模)某小组同学做“用电流表、电压表测电阻”实验。
①该实验的目的是:。
②为进行多次实验,三位同学各自设计了三个不同的实验方案,简述如下表所示。
方案序号
Ⅰ
Ⅱ
Ⅲ
实验
电路
A
Rx
S
V
A
R定
Rx
S
V
A
Rx
P
R滑
S
V
设计
要点
通过改变串联电池的节数改变电源两端的电压
电源电压保持不变,待测电阻与已知阻值的定值电阻串联,并换用阻值不同的定值电阻。
电源电压保持不变,待测电阻与滑动变阻器串联,移动变阻器的滑片。
(a)上述三个方案中,能实现“多次实验,减小误差”的方案有(填序号);方案Ⅲ与另两个方案相比,优点有:(写出两点即可)。
(b)小明同学根据方案Ⅲ,准备测量阻值约为20欧的电阻,实验所提供的器材齐全完好,其中:电源电压为6伏且保持不变,电流表、电压表规格如图8所示,滑动变阻器有两种规格(分别标有“5欧 3安”和“50欧 1.5安”字样)。
小明对所提供两种规格的滑动变阻器,提出了问题:实验中,两种变阻器是可以随意用一个变阻器,还是其中一个更适合实验?请你根据实验的相关条件,帮助小明解决问题并简要说明理由。
【答案】①会用电流表、电压表测电阻;②(a)Ⅰ、Ⅱ、Ⅲ,多次实验时,电路不需要重新连接,操作简便;待测电阻两端的电压及通过的电流,可以在一段范围内连续变化,记录数据简便;变阻器连入电路处于电阻的最大值,可保护电路元件。(b)应选择标有“50欧 1.5安”的滑动变阻器。理由:可使待测电阻两端的电压及通过的电流的变化范围更大,方便读数;电压表的读取取0-3伏,读数更准确。
【解析】①该实验的目的是:会用电流表、电压表测电阻;
②该实验要进行多次测量减小误差;Ⅰ、Ⅱ、Ⅲ方案均可以,方案Ⅲ由于使用了滑动变阻器,与另两个方案相比,优点有:多次实验时,电路不需要重新连接,操作简便;待测电阻两端的电压及通过的电流,可以在一段范围内连续变化,记录数据简便;变阻器连入电路处于电阻的最大值,可保护电路元件。
(b)该实验需要改变待测电阻两端的电压,且变化范围大一些更好,选择标有“50欧 1.5安”的滑动变阻器可以达到以上目的,另外可以使电压表两端的电压小于3伏,电压表用0-3伏量程,读数更准确。
9.在“用电流表、电压表测电阻”的实验中,小明和小华使用同一套实验器材先后进行实验。该套实验器材包括电源(电压保持不变)、一个待测电阻Rx、电流表、电压表、滑动变阻器、电键及导线若干。
①小明连接了如图9(a)所示的电路,闭合电键,发现电流表的示数为0.34安,电压表的示数为6.0伏。
②接着小华进行实验,连接了如图9(b)所示的电路,闭合电键,发现电流表示数为0.30安。在老师帮助下,小华发现了问题,立刻断开电键,重新正确连接了实验电路,并且实验步骤操作正确,闭合电键时,电流表的示数为0.16安;接着小华将滑片P移动到某位置时,电流表、电压表的示数如图9(c)所示。
请综合小明和小华的实验情况,完成表格中的实验数据记录和计算。(计算电阻时,精确到0.1欧)
序号
电压(伏)
电流(安)
电阻(欧)
电阻平均(欧)
1
2
3
【答案】如表:
序号
电压(伏)
电流(安)
电阻(欧)
电阻平均(欧)
1
6.0
0.34
17.6
17.4
2
2.8
0.16
17.5
3
5.5
0.32
17.2
【解析】①如图9(a)所示的电路,闭合电键,发现电流表的示数为0.34安,电压表的示数为6.0伏,即电源电压为6伏。
②接着小华进行实验,连接了如图9(b)所示的电路,闭合电键,待测电阻被短路,电流表示数为0.30安,滑动变阻器的最大电阻Rmax =U/I=6伏/0.3安=20欧;
③重新正确连接了实验电路,并且实验步骤操作正确,滑动变阻器两端的电压UR=IR=0.16安×20欧=3.2伏,待测电阻两端的电压Ux= U-UR=6伏-3.2伏= 2.8伏;
④接着小华将滑片P移动到某位置时,电流表、电压表的示数如图9(c)所示,则电流为I3=0.32安,电压为U3=5.5伏。
⑤对三次测量数据分别进行计算Rx的阻值:
Rx1=U1/I1=6伏/0.34安=17.6Ω;
Rx2=U2/I2=2.8伏/0.16安=17.5Ω;
Rx3=U3/I3=5.5伏/0.32安=17.2Ω;
电阻的平均值为x =(Rx1+ Rx2+ Rx3)/3=17.4欧。
第七部分判断滑动变阻器或其他电路元件的选择
【典型例题】(2019上海中考题)小华同学做“用电流表、电压表测电阻”实验,现有电源(电压为3伏且保持不变)、待测电阻Rx、电流表、电压表、电健各一个,滑动变阻器有A、B、C三个(分别标有“5Ω 2A”字样、“10Ω 2A”字样、“50Ω 1A”字样),以及导线若干。小华实验时选取其中一个滑动变阻器,正确连接电路,且使滑动变阻器的滑片在中点附近,闭合电键时各电表示数如图10(a)、(b)所示,并记录第一组数据。继续移动滑片,当电压表示数在如图(a)的基础上偏转两格后,记录第二组数据,此时小华发现电压表、电流表偏转角度相同。求:
①电压表的量程是 伏。
②计算说明实验中电流表的量程。
③根据记录的第二组数据,计算出此时待测电阻Rx的阻值。
【答案】①0﹣3V;②0﹣0.6A;③5Ω,5Ω。
【解析】①正确连接电路,即待测电阻与变阻器串联,电流表串联在电路中,电压表与待测电阻并联,因电源电压为3V,故电压表选用小量程0﹣3V;
②(a)图中,电压表选用小量程,分度值为0.1V,电压表示数为1.4V;(b)图中,若电流表选用大量程,电流为1.4A;若选用小量程,电流为0.28A;
根据串联电路电压的规律,变阻器两端的电压为:UR=U-UX=3V﹣1.4V=1.6V,若电流表选用大量程,电流为1.4A,电路的总电阻为R=U/I=3伏/1.4安=2.1欧,即待测电阻与变阻器的电阻之和为2.1欧,是不可能的,所以电流表选用的是小量程,电流为0.28A;滑动变阻器的滑片在中点附近时,变阻器连入电路的电阻:R滑中=U滑/I小=1.6伏/0.28安≈5.71Ω,变阻器最大电阻为2×5.71Ω=11.4Ω,与题中所给的“10Ω 2A”变阻器的比较接近,故电流表选用小量程0﹣0.6A;
③电流表示数为0.28A,继续移动滑片,当电压表示数在如图(a)的基础上偏转两格后,电压表示数可能为1.6V或1.2V;
若电压表示数为Ux=1.4V+2×0.1V=1.6V,即电压表示数变大,根据U=IR,则电路中电流也应变大,电流为:I=0.28A+2×0.02A=0.32A;由欧姆定律得:
Rx=Ux/Ix=1.6伏/0.32安=5Ω;
若电压表示数为Ux'=1.4V﹣2×0.1V=1.2V,即电压表示数变小,根据U=IR,则电路中的电流也应变小,电流为:I'=0.28A﹣2×0.02A=0.24A;由欧姆定律得:
Rx'=Ux'/I'x=1.2伏/0.24安=5Ω。
“正确连接电路”指待测电阻与变阻器串联,电流表串联在电路中,电压表与待测电阻并联。移动变阻器的滑片时,电压表与电流表示数的变化相同(同时变大或同时变小)。
继续移动滑片,电压表示数在如图(a)的基础上偏转两格,应该注意有两种情况:可能是电压表的示数变大两格,也可能是电压表的示数变小两格。
2.某同学做“用电流表、电压表测电阻”的实验,可供选择的器材有:电源2个(电压分别为6伏、4.5伏),滑动变阻器2个(分别标有“10Ω3A”和“20Ω1A”的字样),待测电阻Rx(估计阻值约为19欧),电压表、电流表、电键各1个和导线若干。他选用器材,按图15连接电路,且步骤正确。闭合电键,发现电流表的示数为0.2安。则
图15
(1)该同学所选用的电源电压为伏,所选用的滑动变阻器的最大电阻为欧。
(2)当该同学移动滑动变阻器的滑片到中点时(即连入电路中的电阻为变阻器最大值的一半),电流表的示数为0.24安,此时电压表V的示数为伏。他继续移动滑动变阻器的滑片,发现电路中的最大电流为0.3安,此时电压表V的示数为伏,则测得Rx的阻值为欧。
【答案】(1)6, 10;(2)4.8,6, 20。
【解析】(1)闭合电键,电流表的示数为0.2安,电源电压可能为:
使用“l0Ω3A”的滑动变阻器时: U1=I(Rx+R1)=0.2A×(19Ω+10Ω)=5.8V;
使用“20Ω3A”的滑动变阻器时:U2=I(Rx+R2)=0.2A×(19Ω+20Ω)=7.8V;
因此所选用的电源电压为6V,所选用的滑动变阻器的最大阻值为10Ω;
(2)当滑片到中点时,滑动变阻器两端电压:UR=I′×1/2R=0.24安×5欧=1.2伏,
根据串联电路两端电压等于各部分电压之和,得出待测电阻两端的电压
Ux= U-UR=6伏-1.2伏= 4.8伏,即电压表V的示数为4.8V;
(3)当电流表示数最大值时,滑动变阻器接入电路的电阻为零,则待测电阻两端的电压等于电源电压,即6V;
待测电阻的阻值Rx=Ux/I=6伏/0.3安=20欧。
3.小王、小张分别做“用电流表、电压表测电阻”的实验,实验器材齐全并完好,其中:电源电压相等保持不变,待用滑动变阻器有两种规格(分别标有“10Ω 2A”、“20Ω 2A”的字样),待测电阻Rx规格相同。实验中,两位同学所用的变阻器不同,但他们在连接电路时都将滑片置于变阻器的一端。闭合电键,他们所观察到电流表、电压表的示数均为图16(a)、(b)所示,接着在向变阻器另一端移动滑片的过程中,小王发现电路中两电表的示数均变小,而小张却发现电路中两电表的示数均变大。在思考并解决实验问题后,两位同学均完成实验,而其中一位同学将他所正确测得的两组实验数据记录在草稿纸上,如图17所示。
①两位同学实验所用的电源电压为伏。
②小王所用滑动变阻器的规格为“”。
③为完成其中一位同学的记录和处理,请根据图16和图17及相关信息,将表填写完整。(计算电阻时,精确到0.1欧)
物理量
实验序号
电压Ux
(伏)
电流Ix
(安)
电阻Rx
(欧)
电阻Rx
平均值(欧)
1
2
3
【答案】①6;②“10Ω 2A”;③下表:
【解析】①实验中,两位同学所用的变阻器不同,但他们在连接电路时都将滑片置于变阻器的一端。闭合电键,在向变阻器另一端移动滑片的过程中,小王发现电路中两电表的示数均变小,说明小王在闭合开关前,把滑动变阻器移到最小值处,小张却发现电路中两电表的示数均变大,说明小张在闭合开关前,把滑动变阻器移到最大阻值处,闭合开关时,他们所观察到电流表、电压表的示数均为图(a)、(b)所示,说明两人所选的量程不同,电压表都并联在待测电阻的两端;
小王闭合开关时滑动变阻器接入电路的电阻为0,电压表示数为电源电压,用的是大量程,小张用的是小量程。由以上分析可以判断:电源电压为大量程读数:6V;
小张电压表用的是小量程,闭合电键时,滑动变阻器连入电路的阻值最大,变阻器两端的电压UR= U-UX=6伏-1.2伏=4.8伏,电流I=0.24安,滑动变阻器的最大电阻Rmax=U/I=4.8伏/0.24安=20欧,则小王所用滑动变阻器的规格为“10Ω2A”。
②因为电流表和电压表示数都逐渐增大,所以电流和对应的电压值为:I1=0.24A,U1=1.2V;I2=0.3A,U2=1.6V;I3=0.4A,U2=2.2V;
Rx1=U1/I1=1.2伏/0.24安=5Ω;
Rx2=U2/I2=1.6伏/0.3安=5.3Ω;
Rx3=U3/I3=2.2伏/0.4安=5.5Ω;
电阻的平均值x =(Rx1+ Rx2+ Rx3)/3=(5Ω+5.3Ω+5.5Ω)/3≈5.3Ω.
4.某小组同学做“用电流表、电压表测电阻”的实验,现有电源(电压保持不变)、待测电阻RX、电流表、电压表(只有0~3伏档完好)、滑动变阻器A、B两个待选(A标有“20Ω 2Α”字样、B标有“5Ω 1Α”字样)、电键及导线若干。该小组同学将待测电阻RX、电流表、电键、滑动变阻器等串联接入电路后,再将电压表并联在RX两端。闭合电键后,在移动滑片的过程中发现两电表的示数如序号1所示,且始终不变。该小组同学经过思考后重新调整电路并实验,记录下另外两次实验的数据如序号2和3所示。
(1)该小组同学重新调整电路前使用的滑动变阻器规格是。(选填“A”或“B” )
(2)实验所用电源的电压为伏。
(3)请将下表填写完整(计算电阻时,精确到0.1欧)。
物理量
序号
电流(安)
电压(伏)
电阻RX(欧)
电阻RX平均值(欧)
1
0.20
3.0
…
(12)
2
0.22
0.6
…
3
0.24
0.3
(11)
【答案】(1)B; (2) 4; (3) 15.4; 15.3;
【解析】(1)将电压表并联在Rx两端,闭合电键后,在移动滑片的过程中发现两电表的示数如序号1所示,由欧姆定律可得,这次测出的待测电阻阻值:
Rx1=U1/I1=3伏/0.2安=15欧;
移动滑片时两表示数始终不变,则说明变阻器没有了变阻的作用,若变阻器连入电路中的电阻为0,则电源电压为3V,由表中第2次数据,根据欧姆定律可得,此时待测电阻的电压为:U′=I2Rx=0.22A×15Ω=3.3V>3V,所以不可能是变阻器连入电路中的电阻为0,只能是将变阻器下面的电阻线两个接线柱连入了电路中;
(2)若将“20Ω 2Α”字样的变阻器连入电阻中,在重新调整电路前,滑动变阻器两端的电压UR=IR=0.2安×20欧=4伏,电源电压U=UR+UX=4伏+3伏= 7伏;
若将标有“5Ω 1Α”字样的变阻器连入电阻中,在重新调整电路前,滑动变阻器两端的电压UR'=IR'=0.2安×5欧=1伏,电源电压U'=UR'+UX=1伏+3伏= 4伏;
(3)重新调整电路后,移动滑片时,电压表与电流表示数的变化相反,故电压表并联在变阻器两端;根据实验序号2,电流为I=0.22安时,待测电阻两端的电压约为Ux=IR=0.22安×15欧=3.1V,此时变阻器两端的电压UR= 0.6伏,电源电压为3.7伏,取4伏;使用的滑动变阻器规格是“5Ω 1A”的B;
或如下分析:在第2次实验中(即调整电路后),若电源电压为7V,待测电阻两端的电压Ux=U-UR=7V-0.6V=6.4V,此时的电流为0.22A,由欧姆定律可求出待测电阻值约为Rx=Ux/I=6.4伏/0.22安=29Ω,大于15Ω;综上可知,电源电压不是7V,也不是选用“20Ω2Α”的变阻器,故只能是选用“5Ω 1A”的B滑动变阻器,电源电压为4伏;
(4)由串联电路的特点和欧姆定律可得,第2次实验待测电阻的阻值:
Rx2=U2/I2=(4伏-0.6伏)/0.22安=15.5欧;
第3次实验待测电阻的阻值:
Rx3=U3/I3=(4伏-0.3伏)/0.24安=15.4欧;
三次测量电阻的平均值:x =(Rx1+ Rx2+ Rx3)/3=15.3欧。
5.小华同学做“用电流表、电压表测电阻”实验,现有电源(电压为1.5伏的整数倍且保持不变)、滑动变阻器A、B两个待选(A标有“10Ω 1Α”字样、B标有“20Ω 2Α”字样),电流表、电压表(只有0~3伏档完好)、待测电阻RX、电键以及导线若干。小华正确连接电路,实验步骤正确,闭合电键时电表的示数如图19(a)、(b)所示。
图20
小华略微移动变阻器的滑片,发现电压表的指针就满偏了。经过思考,小华仅调整电压表接入电路的位置并重新实验,当滑片移至某点时,电流表的示数为0.36安,电压表的示数如图20所示。当滑片移至某端点时,电流表的示数为0.42安。
①实验中所用电源的电压为伏,选用的滑动变阻器为(选填“A”或“B”)。
②请将下表填写完整。(计算电阻时,精确到0.1欧)(请填到答题卡上的表格中)
物理量
实验序号
电压Ux
(伏)
电流Ix
(安)
电阻Rx
(欧)
1
2
3
【答案】①4.5,A;②见下表:
【解析】①电压表、电流表均选用小量程,分度值分别为0.1V、0.02A,电压表示数为2.3V,电流表示数I=0.22A,因电路连接正确,实验步骤正确,电压表测待测电阻的电压,Ux=2.3V,滑动变阻器连入电器中的电阻最大;
若选用A标有“10Ω 1Α”字样的变阻器,闭合电键时,R=10Ω,变阻器两端的电压
UR=IR=0.22安×10欧=2.2伏,电源电压U=UR+UX=2.3伏+2.2伏=4.5伏;
若选用B标有“20Ω 2Α”字样的变阻器,闭合电键时,R'=20Ω,变阻器两端的电压
UR'=IR'=0.22安×10欧=4.4伏,电源电压U'=UR'+UX=4.4伏+2.3伏=6.7伏,不是1.5
伏的整数倍,舍去;
所以电源电压为4.5伏,选用的滑动变阻器为A。
②第一次正确连接电路实验:Rx1=U1/I1=2.3伏/0.22安=10.5欧;
③小华略微移动变阻器的滑片,发现电压表的指针就满偏了。所以小华把电压表接在滑动变阻器的两端并重新实验:
当滑片移至某点时,电流表的示数为0.36安时,
Rx2=U2/I2=(4.5伏-0.7伏)/0.36安=10.6欧 ;
当滑片移至某端点时,电流表的示数为0.42安时(变阻器连入电路的电阻为0):
Rx3=U3/I3=4.5伏/0.42安=10.7欧;
电阻的平均值为 x =(Rx1+ Rx2+ Rx3)/3=10.6欧。
6.(2017虹口一模)小华和小明做“用电流表、电压表测电阻”实验,现有电源(电压为2伏的整数倍且保持不变)、一个待测电阻Rx、电流表、电压表、滑动变阻器两个(甲:“20W2A”,乙:“50W2A”)、电键以及导线若干。小华首先选择一个变阻器进行实验,他正确连接电路,使变阻器接入电路中的电阻最大,闭合电键时电表示数如表一中实验序号1所示。小明用另一个变阻器实验,正确连接电路且使变阻器接入电路中的电阻最大,闭合电键时电表示数如表二中实验序号1所示。
①若小华选择的变阻器为________,他实验所用电源的电压为________。
②实验中他们分别移动变阻器的滑片P到某一位置时,观察到电流表示数均如图12所示。他们继续移动滑片P,发现当电压表示数最大时,电流表指针在图12的位置上恰好都偏转了8格。请将他们的实验数据填写在表一、表二的实验序号2中。________
③小华和小明都只测量了两组数据,不符合实验要求,两位同学讨论后找到了解决问题的办法。请简要说明他们的解决办法,并通过计算求出Rx的阻值(计算电阻时精确到0.1欧)。
【答案】①甲;(乙),6伏,(12伏);②(注:②题答案随①题而变);③他们进行合作,共三组数据,符合实验要求,10.2欧。
表一:小华的实验记录
实验
序号
电压表示数
(伏)
电流表示数
(安)
1
2
6.0
0.56
3
表二:小明的实验记录
实验
序号
电压表示数
(伏)
电流表示数
(安)
1
2
12.0
1.20
3
【解析】①正确连接电路,使变阻器连入电路中的电阻最大,电压表并联在测电阻的两端;由表中数据知U1=2V,I1=0.2A;
若小华选择的变阻器规格为“20W 2A”,则根据欧姆定律,变阻器两端的电压
UR=IR=0.2A×20W=4V,电源电压U=U滑+U1=4V +2V=6V;
若小华所用的变阻器的规格为“50W 2A”,变阻器两端的电压为UR'=IR'=0.2A×50W=10V,小华用的电源电压U'= U'+U1=10V+2V=12V;
②题目都正确连接电路,使变阻器接入电路中的电阻最大,电流为0.2安,实验中他们分别移动变阻器的滑片P到某一位置时,观察到电流表示数均如图12所示,图中电流表应该选用的是小量程,电流表示数为0.4A,(因为若选用电流表大量程,示数为2A,继续移动滑片P时,电流继续变大,会超过变阻器的最大电流);
③当电压表示数最大时,即达到电源电压;若同学选择的变阻器规格为“20W 2A”,则待测电阻两端的最大电压为6伏,电路中最大的电流小于另外一位同学的最大电流,电流表只能选用小量程,因电流表指针在图示的位置上恰好偏转了8格,电流表的示数为I1=0.4A+8×0.02A=0.56A;
若同学选择的变阻器规格为“50W 2A”,则待测电阻两端的最大电压为12伏,电路中最大的电流大于另外一位同学的最大电流,故电流表是选用了大量程,因电流表指针在图示的位置上恰好偏转了8格,电流表的示数为I2=0.4A+8×0.1A=1.2A;
④他们进行合作,共得出三组数据,符合实验要求。
Rx1=U1/I1=2.0伏/0.2安=10.0欧
Rx2=U2/I2=6.0伏/0.56安=10.7欧
Rx3=U3/I3=12.0伏/1.2安=10.0欧
Rx=(Rx1+Rx2+Rx3)/3@10.2欧
①因电路连接正确,所以电压表并联在待测电阻的两端;这题有两种情况:小华选用甲或乙变阻器都可以,若选甲变阻器,则电源电压为6伏;小明用的是B变阻器,电源电压就是12伏;②当电压表示数最大时,电路中的电流最大,但是电流不可能相等,故电源电压为6伏的同学使用的是小量程测电流,而电源电压为12伏的同学改变了电流表量程,从原来的小量程改为大量程。
7.小红同学做“用电流表、电压表测电阻”实验,电源电压保持不变,实验所用器材齐全且完好。滑动变阻器所标的字样仅有“1.5安”清晰可见,其最大阻值可能是50欧或者20欧。小红正确串联电源、待测电阻、变阻器、电流表、电键等电路元件,并将变阻器的滑片移至其一端,在闭合电键时,观察到电流表的示数为0.2安,此时发现电压表未接入电路,于是将电压表并联在待测电阻的两端,继续移动变阻器的滑片,当滑片移到中点位置附近时,观察到两电表的指针位置如图11(a)(b)所示。她经过分析思考,调整电表的量程后继续实验,在移动变阻器滑片的过程中,发现当电压表示数最大时其指针位置如图11(c)所示。
请根据相关信息完成下列各题:
①图11(a)所示电压表的量程是,图11(b)所示电流表的量程是。
②图11(c)所示电压表的示数为伏。
③求实验中闭合电键,观察到电流表的示数为0.2安时,所测得待测电阻。(第③小题需写出简要的计算过程或理由)
【答案】①0 ~3伏; 0 ~0.6安;②12;③10欧。
【解析】①电压表的量程是0 ~3伏,图11(b)所示电流表的量程是0 ~0.6安,因为滑动变阻器所标的字样为“1.5安”;
②电压表用的是大量程(若小量程的话,最大电压是2.4伏,不存在的),所以电源电压为12伏,闭合电键时电流表的示数I为0.2安,变阻器接入电路电阻为最大值,此时电路中总电阻为
R = U/I=12伏/0.2安=60欧;
滑片在中点附近时电流表的示数I´为0.32安,此时电路中总电阻约为R´= U/I=12伏/0.32安=37.5欧;
两次电路总电阻的差值∆R = 22.5欧,约为变阻器最大值的一半,所以本实验所用变阻器的最大阻值为50欧,
③闭合电键时,滑动变阻器两端的电压UR=IR=0.2安×50欧=10伏,待测电阻两端的电压
Ux= U-UR=12伏-10伏= 2伏,待测电阻的阻值:
Rx=U/I=2伏/0.2安=10Ω。
1
专题18 用电流表、电压表测电阻2
第四部分判断电路元件连接及使用问题
这类题目考察下列几种情况:滑动变阻器的使用;电流表与电压表的使用(量程及正、负接线柱的选择);待测电阻或滑动变阻器出现的故障;待测电阻与滑动变阻器即其他元件的连接等。
1.(2019普陀一模)小华在做“用电流表、电压表测电阻”实验的过程中,电源电压保持不变,实验器材齐全且完好。
①他将待测电阻和滑动变阻器串联接在电路中,闭合电键时,发现电流表、电压表的示数分别如图15所示,移动滑片P,电流表、电压表示数均不变。请指出他电路连接中可能存在的问题。(写出一种情况即可)
实验
序号
电压Ux
(伏)
电流Ix
(安)
电阻Rx
(欧)
电阻x
(欧)
1
0.12
2
3
0.58
图15
②发现问题后,他重新正确连接电路,实验步骤正确。闭合电键时,电压表示数为0.6伏;在移动变阻器滑片的过程中,电流表示数的变化范围为0.12~0.58安。当移动变阻器滑片到某个位置时,电流表和电压表的指针恰好同时指向刻度盘的正中央。小华实验所用滑动变阻器的最大阻值为欧。
③请根据小华的实验情况,完成表格中的实验数据记录和计算。(注意:请填写在答题纸上的表格中,电阻计算精确到0.1欧)。
【答案】①电压表串联在了电路中(电压表并联在了电源两端,电流表并联在了导线两端。)答案合理即可;20欧。
【解析】①根据电流表的示数为0、电压表有示数且不变,可以判断有以下几种情况:电压表串联在了电路中;电压表并联在了电源两端,电流表并联在了导线两端等。可以得出电源电压为3伏,15伏不存在(见下分析)。
②他重新正确连接电路,实验步骤正确。闭合电键时,电压表示数为待测电阻两端的电压0.6伏;电流表示数的为0.12安,则待测电阻Rx1=Ux1/I=0.6伏/0.12安=5欧;根据电流表示数最大0.58安,滑动变阻器连入电路的阻值为0,根据Rx1 =5欧可以判断电源电压约为U=IR=0.58A×5Ω=2.9V,取3伏,15伏不存在。
实验步骤正确,刚闭合电键时,滑动变阻器接入电路的阻值最大,此时电路中的电流为0.12A,则滑动变阻器两端电压:UR=U- UX=3V-0.6V=2.4V则变阻器的最大阻值R=UR/I=2.4伏/0.12安=20欧
③当移动变阻器滑片到某个位置时,电流表和电压表的指针恰好同时指向刻度盘的正中央。即Ux =1.5伏,I=0.3安,待测电阻Rx2=Ux2/I=1.5伏/0.3安=5欧;
根据电流表示数最大0.58安,可以判断滑动变阻器连入电路的阻值为0,
则待测电阻Rx3=Ux3/I=3伏/0.58安=5.2欧;
2.(2019长宁一模)小华做“用电流表、电压表测电阻”的实验,所用电源电压保持不变,滑动变阻器标有“2A”字样清晰可见,电压表0~3伏量程已坏,其他实验器材均完好。
他连接好电路后,将滑片P移到阻值最大一端,闭合电键S,发现电压表示数为6.0伏,电流表示数为0.9安,他向另一端移动滑片时,发现电压表示数不变,电流表示数变大。经过思考后,小华重新连接电路,按照正确步骤进行实验操作,再次闭合电键S时,电压表示数为4.0伏,电流表示数为0.20安;当移动滑片到某位置时,电流表和电压表的示数如图16所示;当滑片移到另一端时,电流表示数为0.60安。则
请判断小华第一次的电路连接情况___________;
实验所用滑动变阻器的最大阻值为_________欧;
实验
序号
电压Ux
(伏)
电流Ix
(安)
电阻Rx
(欧)
电阻Rx
(欧)
1
0.20
2
3
0.60
请根据小华的实验情况,完成表格中的实验数据记录和计算。___________(注意:请填写在答题纸上的表格中,电阻计算精确到0.1欧)。
图16
【答案】①他将待测电阻和滑动变阻器并联了,电压表测电压为电源电压,电流表测干路电流。
实验
序号
电压Ux
(伏)
电流Ix
(安)
电阻Rx
(欧)
电阻x
(欧)
1
2.0
0.20
10.0
10.1
2
2.5
0.24
10.4
3
6.0
0.60
10.0
②20欧;③
【解析】①将变阻器滑片P移到阻值最大一端,闭合电键S,发现电压表示数为6.0伏,电流表示数为0.9安,他向另一端移动滑片时,发现电压表示数不变,电流表示数变大,可以判断他将待测电阻和滑动变阻器并联了,电压表测电压为电源电压为6伏,电流表测干路电流。
②小华重新连接电路,按照正确步骤进行实验操作,再次闭合电键S,移动滑片时,电流表的示数变大,而电压表的示数变小为3.5伏,可知电压表与变阻器并联。根据闭合电键时,电压表示数为变阻器两端的电压UR=2.0伏,电流表示数为0.20安,计算变阻器的最大阻值R=UR/I=4伏/0.2安=20欧;
③第一次实验,待测电阻Rx1=Ux1/I1=2伏/0.2安=10欧;
第二次实验,待测电阻Rx2=Ux2/I2=2.5伏/0.24安=10.4欧;
第三次实验,待测电阻Rx3=Ux3/I3=6伏/0.6安=10欧。
3.(2020静安一模)小华同学做“用电流表、电压表测电阻”实验,实验所用电源电压保持不变,其他器材齐全且完好。他正确串联电源、待测电阻、电流表、开关后,将电压表并联在电路中,然后闭合开关,观察到电压表的指针位置如图11(a)所示,当他记录示数后准备继续实验时,却发现无法再次实验。经过思考后,小华调整电路重新测电阻。他移动变阻器的滑片,依次进行了三次实验,其操作、步骤以及数据观察、记录均正确。第1次实验为闭合开关时,所观察到两电表的示数如图11(b)所示;第2次实验时观察到两电表的示数为5.5伏、0.36安;第3次实验时,所观察到电压表的示数跟图11(a)所示一致。
请根据相关信息完成下列各题:
①小华第2次实验时,所测得的待测电阻为欧。(保留一位小数)
②小华第3次实验时所观察到电压表的示数,跟图11(a)所示一致,原因是。
③求本实验所用滑动变阻器的最大电阻值。(第③小题需写出简要的计算过程及理由)
【答案】①15.3;②滑动变阻器连入电路的阻值为零;③图11(a)所示电压表的示数为电源电压,U=7.5伏;图11(b)所示电表的示数为4.5伏和0.3安。
R变= = =10欧
【解析】①小华第2次实验时,所测得的待测电阻为Rx2=Ux2/I2=5.5伏/0.36安=15.3欧;
②小华原来把电压表与电源并联的,所以电源电压为7.5伏。第3次实验时所观察到电压表的示数,跟图11(a)所示一致,原因是滑动变阻器连入电路的阻值为零。
③图11(a)所示电压表的示数为电源电压,U=7.5伏;图11(b)所示电表的示数为4.5伏和0.3安。则变阻器的最大阻值为R变= = =10欧。
4.(2020松江一模)小王做“用电流表、电压表测电阻”实验,现有电源、待测电阻Rx、电流表、电压表、滑动变阻器(标有“20W 2A”字样)、开关以及导线若干,实验器材完好。
①他连接电路,将滑片放在阻值最大处,闭合开关时,发现电流表的示数为0.3安、电压表无示数,移动滑片,电流表示数发生改变,电压表始终无示数。经检查后发现仅有一只电表连接错误,请指出电表连接中存在的问题。(14)
②接着他重新正确连接电路,实验步骤正确。闭合开关时,电压表示数为1.2伏;在移动变阻器滑片的过程中,电流表示数的变化范围为0.24安~1.2安;当移动变阻器滑片到某个位置时,电流表、电压表的示数如图16(a)(b)所示。请根据相关信息将下表填写完整。(计算电阻时,精确到0.1欧)(15)
物理量
实验序号
电压Ux
(伏)
电流Ix
(安)
电阻Rx(欧)
电阻Rx平均值
(欧)
1
2
3
【答案】(14)将电流表并联在待测电阻两端;
物理量
实验序号
电压Ux
(伏)
电流Ix
(安)
电阻Rx
(欧)
电阻Rx平均值(欧)
1
1.2
0.24
5.0
5.1
2
3.0
0.58
5.2
3
6.0
1.2
5.0
【解析】①他连接电路,将滑片放在阻值最大处,闭合开关时,发现电流表的示数为0.3安、电压表无示数,移动滑片,电流表示数发生改变,电压表始终无示数,原因是将电流表并联在待测电阻两端。
②接着他重新正确连接电路,实验步骤正确。闭合开关时,电压表示数为1.2伏,电流为0.24安;
则滑动变阻器两端电压:UR=IR=0.24A×20Ω=4.8V;
又因为被测电阻与滑动变阻器串联,而串联电路两端电压等于各部分电压之和,故电源电压:
U= UR+UX=4.8V+1.2V=6V;
③第一次实验,待测电阻Rx1=Ux1/I1=1.2伏/0.24安=5欧;
第二次实验,待测电阻Rx2=Ux2/I2=3伏/0.58安=5.2欧;
第三次实验,待测电阻Rx3=Ux3/I3=6伏/1.2安=5欧。
电阻的平均值为x =(Rx1+ Rx2+ Rx3)/3=(5Ω+5.2Ω+5Ω)/3=5.1Ω.
5.根据“用电流表、电压表测电阻”的实验,完成下列要求。
①实验原理_____________。
②小沈同学依照图1电路图正确连接器材,闭合电键后,两电表示数如图2所示,则记录的数据是Ix=_____安,Ux=_____伏,计算出Rx=_____欧;为了减小误差进行多次测量,因此接下去小沈同学要进行的主要操作是:___________________________。
③小陈同学依照图3电路图连接器材,且将滑片移到变阻器一端,闭合电键S后,两电表都有示数;但移动滑片时,两电表示数都不变化。产生这一现象的原因可能是: ___________________________。
【答案】①R=U/I;②0.5,5,10,增减串联电池的节数,改变加在导体两端的电压。③第一种可能是:滑动变阻器金属棒两端的接线柱同时连入电路;第二种可能是:滑动变阻器电阻线圈上的两接线柱同时连入电路。
【解析】①实验原理R=U/I。
②依照图1电路图正确连接器材,闭合电键后,电流表用小量程,电压表用大量程,则记录的数据是Ix=0.5安,Ux=5伏,计算出Rx=10欧;为了减小误差应该进行多次测量,因为没有滑动变阻器,因此接下去小沈同学要进行的主要操作是:增减串联电池的节数,改变加在导体两端的电压,进行多次测量。
③小陈同学依照图3电路图连接器材,且将滑片移到变阻器一端,闭合电键S后,两电表都有示数,但移动滑片时,两电表示数都不变化。产生这一现象的原因可能是:把滑动变阻器金属棒两端的接线柱同时连入电路(电阻为零)或把滑动变阻器电阻线圈的两接线柱同时连入电路,相对于一个定值电阻。
6.小明同学在做“用电流表、电压表测电阻”的实验中,电源电压保持不变.所用电压表“0~15伏”量程损坏,但“0~3伏”量程完好。所用滑动变阻器上标有“20Ω 2A”字样。
(1)他实验步骤正确,闭合电键,观察到电压表、电流表的示数都为0,若电路中只有一处故障且只发生在电阻Rx或滑动变阻器R上,这一处故障原因可能是 。换用同样规格的器材排除这处故障后,再闭合电键,观察到电压表、电流表的示数分别为2.4伏和0.18安,则所用的电源电压为 伏.
(2)小明继续减小变阻器连入电路中的阻值,同时在不更改器材的情况下,解决了实验中遇到的困难.当滑动变阻器的滑片在某点时,电压表的示数如图2所示,则此时待测电阻RX两端的电压为 伏.
(3)接着,他移动滑动变阻器的滑片到中点位置(即滑动变阻器接入电路的电阻为10欧),观察到电流表示数为0.24安,则此次RX的阻值为 欧.
【答案】(1)滑动变阻器R断路,6;(2)4;(3)15。
【解析】(1)由图知,电压表与待测电阻并联,当滑片向左移时,电压表示数变大,待测电阻两端的电压变大,根据串联电路电压的特点可知,滑动变阻器两端的电压减小,则滑动变阻器的连入电路的阻值应变小,所以将电键的右接线柱与滑动变阻器的左下接线柱相连。
(2)电流表示数为零,说明电路发生断路,电压表示数为零,说明电压表的正负接线柱不能与电源正负极相通,因此电路故障为滑动变阻器R断路;
换用同样规格的器材排除这处故障后,实验步骤正确,刚闭合电键时,滑动变阻器接入电路的阻值最大,此时电路中的电流为0.18A,则滑动变阻器两端电压:UR=IR=0.18A×20Ω=3.6V;
又因为被测电阻与滑动变阻器串联,而串联电路两端电压等于各部分电压之和,故电源电压:
U= UR+UX=3.6V+2.4V=6V;
(3)小明继续减小变阻器连入电路中的阻值,若电压表并在待测电阻两端,此时电压表的示数应该大于2.4伏,而现在只有2伏,应与滑动变阻器并联,故RX两端的电压为Ux= U-UR=6V﹣2V=4V;
(4)∵I=U/R,∴当滑片位于中点时,滑动变阻器两端电压:UR中=I1R/2=0.24A×10Ω=2.4V;
因为串联电路两端电压等于各部分电压之和,所以待测电阻两端电压:Ux=6V﹣2.4V=3.6V,则此次RX的阻值:Rx=Ux/I=3.6伏/0.24安=15欧。
7.(2015•嘉定区一模)小林用电源、电流表、电压表、滑动变阻器(标有“20Ω 1A”字样)、电键、导线等器材来测定电阻RX的值。闭合电键S,无论怎么移动变阻器滑片,电压表的示数始终为1.0伏,电流表示数始终为0.10安。产生这种现象的原因可能是。
接着,小林经过思考、分析后,重新进行正确的实验。若电源电压保持不变,在移动滑动变阻器滑片P的过程中,他发现电流表的示数最大示数为0.28安。当他把变阻器的滑片移到某一位置,电压表、电流表的示数如图5(a)、(b)所示,此时它们的读数分别为、。
图5
根据实验过程中记录的数据,则待测电阻的电阻平均值是欧。(计算电阻时,精确到0.1欧)
【答案】滑动变阻器下端两个接线柱连接在电路中;2.3V;0.24A;10.1。
【解析】①闭合电键S,无论怎么移动变阻器滑片,电压表的示数始终为1.0伏,电流表示数始终为0.10安,说明电路是通路,滑动变阻器不起作用;因为电流表和电压表的示数都比较小(比后来的要小),所以是把滑动变阻器下端两个接线柱连接在电路中;
②滑动变阻器两端的电压UR=IR=0.1安×20欧=2伏,
电源电压U=UR+UX=2伏+1伏= 3伏,被测电阻的阻值:
Rx1=U1/I1=1伏/0.1安=10欧;
③重新进行正确的实验时,因为电流表的最大值为0.28A,被测电阻两端的最大电压U最大=3V,被测电阻
Rx2=U2/I2=3伏/0.28安=10.7Ω;
把变阻器的滑片移到某一位置时,根据图(a)可知,电压表的量程为0~3V,分度值为0.1V,示数为2.3V;根据图(b)可知,电流表的示数为0.24A,被测电阻的阻值:
Rx3=U3/I3=2.3伏/0.24安≈9.6Ω;
电阻的平均值为x =(Rx1+ Rx2+ Rx3)/3=(10Ω+10.7Ω+9.6Ω)/3=10.1Ω.
8.(2015徐汇一模)小明做“用电流表、电压表测电阻”实验,实验器材如图16中所示,请完成下列要求。
①小明连接的电路如图16所示,图中尚有一根导线未连接,请用笔线代替导线在图中按规范的实验操作要求连线。
②小明正确连接电路,实验步骤正确,闭合电键,移动滑动变阻器滑片过程中,发现电流表始终无示数,电压表示数始终为6伏,产生这种现象的原因是。
③小明排除故障后按正确的步骤继续实验。闭合电键,观察到电压表、电流表示数如图17所示。将滑片移到中点时,电流表示数为0.58安,在移动滑片过程中,观察到电流表示数的最大值为1.2安。
请将实验数据记录表填写完整。(计算电阻时,精确到0.1欧)
物理量
实验序号
电压Ux
(伏)
电流Ix
(安)
电阻Rx
(欧)
电阻Rx
平均值(欧)
1
2
3
【答案】①图如下16a;②Rx断路;③见下图。
物理量
实验序号
电压Ux
(伏)
电流Ix
(安)
电阻Rx
(欧)
电阻Rx
平均值(欧)
1
2.0
0.4
5
5.1
2
3.1
0.58
5.3
3
6.0
1.2
5
【解析】①滑动变阻器与待测电阻串联,且使连入电路中的电阻最大,所以将A接线柱与待测电阻右接线柱相连即可;
②闭合电键,移动滑动变阻器滑片过程中,发现电流表始终无示数,电路发生断路,电压表示数始终为6伏,说明Rx断路,电压表的示数为电源电压6伏;
③滑动变阻器阻值为0时,电流表示数的最大值为1.2安,此时,Rx两端的电压为电源电压6伏,待测电阻的阻值:Rx1=U大/I=6伏/1.2安=5欧;
④按正确的步骤继续实验,闭合电键,根据图17可知,滑动变阻器阻值最大时,U2=2.0伏时,I=0.4安,
待测电阻的阻值:Rx2= U2/I2=2.0伏/0.4安=5欧,
滑动变阻器的最大电阻Rmax= Rmax =U/I=(6伏-2伏)/0.4安=10欧;
将滑片移到中点时,R中=1/2R大=5欧,电流表示数为0.58安,所以UR中=IR中=0.58安×5欧=2.9伏,
U3= U-UR中=6伏-2.9伏=3.1伏,
待测电阻的阻值:Rx3= U3/I3=3.1伏/0.58安=5.3欧;
待测电阻阻值取三次的平均值为x =(Rx1+ Rx2+ Rx3)/3=5.1欧。
9.小华同学做“用电流表电压表测电阻实验”,实验器材齐全且完好。
①他连接电路并将变阻器的滑片放置于一端,闭合电键,观察到电流表电压表示数如图9(a)与(b)所示,接着他将滑片移动到另一端,观察到电流表示数减小到0.12安,而电压表示数则增大到6伏,由上述现象判断他的实验过程中可能存在的问题是:
(1)。(2)。
②他经过分析,重新调整电路进行实验,且步骤正确。闭合电键观察到电压表的示数如图9(c)所示。移动滑片到中点位置时,电流表的示数为0.2安。请帮小华完成实验数据表格的填写(电阻精确到0.1欧)。
物理量
实验序号
电压(V)
电流(A)
电阻(W )
电阻平均值
(W)
1
0.12
2
0.20
3
【答案】①电压表并联在滑动变阻器两端;闭合电键时滑片位于阻值最小处;②如图表:
物理量
实验序号
电压(伏)
电流(安)
电阻(欧)
电阻平均值
(欧)
1
1.5
12.5
12.6
2
2.5
12.5
3
7.5
0.58
12.9
【解析】①由题连接电路并将变阻器的滑片放置于一端,闭合电键,观察到电流表比较大,说明电路中电阻比较小,电压表示数为0,应该是电压表并联在滑动变阻器两端且连入电路的阻值为0;他将滑片移动到另一端,即滑动变阻器的电阻最大时,电流最小为0.12安,变阻器两端的电压为6伏;
由此说明实验中存在的问题:(1)闭合电键时滑片位于变阻器最小阻值处;(2)电压表不是测被测电阻两端电压,而是测滑动变阻器两端电压;
②重新调整电路进行实验,且步骤正确。滑动变阻器两端且连入电路的阻值为最大,电路中的电流还是0.12安,变阻器两端的电压仍为6伏;此时电压表与待测电阻并联,待测电阻两端的电压为1.5V,所以电源电压U=UR+UX=6伏+1.5伏= 7.5伏,滑动变阻器的最大阻值为Rmax =U/I=6伏/0.12安=50欧,
③当变阻器的滑片在中点时,电流表示数I2=0.2A,滑动变阻器两端的电压UR=IR=0.2安×25欧=5伏,
待测电阻两端的电压U2x= U-UR=7.5伏-5伏= 2.5伏,
Rx2=U2x/I2=2.5伏/0.2安=12.5Ω;
变阻器的滑片在阻值最大处时:Rx1=U1/I1=1.5伏/0.12安=12.5欧;
变阻器的滑片在阻值最小处时:Rx3=U3/I3=7.5伏/0.58安=12.9欧;
电阻的平均值为x =(Rx1+ Rx2+ Rx3)/3=12.6欧。
10.小华做“用电流表、电压表测电阻”的实验,所用电源电压保持不变,滑动变阻器标有“2A”字样清晰可见,电压表0~3伏量程已坏,其他实验器材均完好。
他连接好电路后,将滑片P移到阻值最大一端,闭合电键S,发现电压表示数为6.0伏,电流表示数为0.9安,他向另一端移动滑片时,发现电压表示数不变,电流表示数变大。经过思考后,小华重新连接电路,按照正确步骤进行实验操作,再次闭合电键S时,电压表示数为4.0伏,电流表示数为0.20安;当移动滑片到某位置时,电流表和电压表的示数如图28所示;当滑片移到另一端时,电流表示数为0.60安。则
请判断小华第一次的电路连接情况___________;
实验所用滑动变阻器的最大阻值为_________欧;
请根据小华的实验情况,完成表格中的实验数据记录和计算。___(注意:请填写在答题纸上的表格中,电阻计算精确到0.1欧)。
实验
序号
电压Ux
(伏)
电流Ix
(安)
电阻Rx
(欧)
电阻x
(欧)
1
0.20
2
3
0.60
图28
【答案】①他将待测电阻和滑动变阻器并联,电压表测的是电源电压,电流表测干路电流;②20欧;③见表:
实验
序号
电压Ux
(伏)
电流Ix
(安)
电阻Rx
(欧)
电阻x
(欧)
1
2.0
0.20
10.0
10.1
2
2.5
0.24
10.4
3
6.0
0.60
10.0
【解析】①他连接好电路后,将滑片P移到阻值最大一端,闭合电键S,发现电压表示数为6.0伏,电流表示数为0.9安,他向另一端移动滑片时,发现电压表示数不变,电流表示数变大。由此可以判断:他将待测电阻和滑动变阻器并联了,电压表的示数为电源电压6伏,电流表测干路电流。
②重新连接电路,按照正确步骤进行实验操作时,滑动变阻器连入电路的电阻变小,电压表示数从4.0伏变为3.5伏也变小,说明电压表并联在变阻器两端,电流表示数最小为为0.20安;由此可求变阻器的最大电阻值:Rmax=U/I=4伏/0.2安=20欧;
③对三次测量数据分别进行计算Rx的阻值:
按照正确步骤进行实验操作,再次闭合电键S时,待测电阻两端的电压U1= U-UR=6伏-4伏= 2伏,
Rx1=U1/I1=(6伏-4伏)/0.2安=10欧;
当移动滑片到某位置时,待测电阻两端的电压U2= U-UR=6伏-3.5伏=2.5伏,
Rx2=U2/I2=2.5伏/0.24安=10.4欧;
当滑片移到另一端时,待测电阻两端的电压U3=6伏,
Rx3=U3/I3=6伏/0.6安=10.0欧;
电阻的平均值为x =(Rx1+ Rx2+ Rx3)/3=10.1欧
11.某小组同学做“用电流表、电压表测电阻”的实验,实验器材齐全且完好,电源电压保持不变。
①他们正确串联实验器材,将电压表并联在电路中,并将滑片移至变阻器的一端。闭合电键时,观察到电压表、电流表的示数如图17所示。移动滑片,观察到电压表示数不变,电流表示数逐渐变大,产生这种现象的原因是。
②小组同学经过认真思考,重新正确连接电路,操作步骤正确。闭合电键时,观察到两电表的指针所指刻度仍与图17所示一致。则电源电压是伏,滑动变阻器的最大阻值是欧。
③移动变阻器的滑片,又测得一组数据为“1.6伏,0.30安”,则此时变阻器接入电路的阻值(选填“大于”、“等于”或“小于”)变阻器最大阻值的二分之一。继续移动变阻器的滑片,观察到两电表的指针同时都达到了小量程的满刻度。
④根据该组同学实验过程中观察和记录的三组数据,计算待测电阻的平均值是欧。(精确到0.1欧)
【答案】①电压表并联在电源两端;② 6,20;③大于;④ 5.1。
【解析】①正确串联实验器材,将电压表并联在电路中,移动滑片,观察到电压表示数不变,电流表示数逐渐变大,产生这种现象的原因是电压表并联在电源两端,则电源电压为6伏;
②小组同学重新正确连接电路,操作步骤正确。闭合电键时,观察到两电表的指针所指刻度仍与图17所示一致,则待测电阻两端的电压为1.2伏(小于电源电压6伏),电流为0.2安(小于后来的电流0.3安),滑动变阻器的最大阻值R=UR/I=(6伏-1.2伏)/0.24安=20欧。
③根据测得一组数据为“1.6伏,0.30安”,此时滑动变阻器的阻值R滑=U滑/I=4.4伏/ 0.3安=14.7欧,大于变阻器最大阻值的二分之一。
④重新正确连接电路,第一次实验时:
Rx1=U1/I1=1.2伏/0.24安=5.0欧;
又测得一组数据为“1.6伏,0.30安”时:
Rx2=U2/I2=1.6伏/0.3安=5.3欧;
继续移动变阻器的滑片,观察到两电表的指针同时都达到了小量程的满刻度时:
Rx3=U3/I3=3伏/0.6安=5欧;
电阻的平均值为x =(Rx1+ Rx2+ Rx3)/3=5.1欧。
12.小华在做“用电流表、电压表测电阻”实验的过程中,电源电压保持不变,实验器材齐全且完好。
①他将待测电阻和滑动变阻器串联接在电路中,闭合电键时,发现电流表、电压表的示数分别如图15所示,移动滑片P,电流表、电压表示数均不变。请指出他电路连接中可能存在的问题。(写出一种情况即可)
②发现问题后,他重新正确连接电路,实验步骤正确。闭合电键时,电压表示数为0.6伏;在移动变阻器滑片的过程中,电流表示数的变化范围为0.12~0.58安。当移动变阻器滑片到某个位置时,电流表和电压表的指针恰好同时指向刻度盘的正中央。小华实验所用滑动变阻器的最大阻值为欧。
③请根据小华的实验情况,完成表格中的实验数据记录和计算。(注意:请填写在答题纸上的表格中,电阻计算精确到0.1欧)。
【答案】①电压表串联在了电路中(或电压表并联在了电源两端,电流表并联在了导线两端);②20欧;③见下表:
【解析】①发现电流表、电压表有示数,移动滑片P,电流表、电压表示数均不变。他在电路连接中可能存在的问题:电压表串联在了电路中(或电压表并联在了电源两端,电流表并联在了导线两端),此时电压表的示数为电源电压3伏;
②重新正确连接电路,实验步骤正确。闭合电键时,电压表示数为0.6伏;在移动变阻器滑片的过程中,电流表示数的变化范围为0.12~0.58安,当I小=0.12安,滑片在最大值的一端时,
U滑= U- Ux=3伏-0.6伏=2.4伏,
R滑=U滑/I小=2.4伏/0.12安=20欧,即小华实验所用滑动变阻器的最大阻值为20欧。
③当移动变阻器滑片到某个位置时,电流表和电压表的指针恰好同时指向刻度盘的正中央时:
Rx2=U2/I2=1.5伏/0.3安=5欧;
实验序号1:Rx1=U1/I1=(3伏-2.4伏)/0.12安=5欧;
电流表示数最大0.58安时:Rx3=U3/I3=3伏/0.58安=5.2欧;
电阻的平均值为x =(Rx1+ Rx2+ Rx3)/3=5.1欧.
13.学习了“伏安法”测电阻,小张决定自主实验。首先依照图17(a)所示电路图正确连接器材,闭合电键后,他观察到电压表、电流表示数分别为6伏和0.58安;为了减小误差进行多次测量,他又从“10Ω 1A”、“20Ω 1A”两个变阻器中选择一个接入电路,当滑片置于一端时,电流表示数如图17(b)所示,在滑片向另一端移动过程中,他发现两电表示数始终不变。思考后他重新连接并进行实验,将正确测得的两组实验数据记录在草稿纸上,如图17(c)所示。
①实验过程中出现两电表示数始终不变的原因可能是:。
②小张选用的滑动变阻器规格是:。
③请根据图17及相关信息,将下表填写完整。(计算电阻时,精确到0.1欧)
【答案】①滑动变阻器相当于定值电阻接入电路中;②“20Ω 1A”;③如下:
【解析】①根据图17(a)所示电路图,电压表示数即电源电压为U=6伏,待测电阻约为
Rx=Ux/I=6伏/0.58安=10.3欧;
②在滑片向另一端移动过程中,他发现两电表示数始终不变且比后来的电流小,所以是把滑动变阻器下面的两个接线柱接入电路中,相当于定值电阻接入电路中;
③从“10Ω 1A”、“20Ω 1A”两个变阻器中选择一个接入电路,当滑片置于一端,电路中的电流为0.2A时,则待测电阻两端的电压约为UX=IRX=0.2安×10.3欧=2.06伏,变阻器两端的电压约为UR=6伏-2伏=4伏,
R=UR/I=4伏/0.2安=20欧,所以选用的是“20Ω 1A”变阻器;
④重新连接并进行实验时,因为电压表并联在待测电阻两端,所以电流与电压同时变大或同时变小,
Rx2=U2/I2=3.5伏/0.34安=10.3欧;
Rx3=U3/I3=2.8伏/028安=10.0欧;
电阻的平均值为x =(Rx1+ Rx2+ Rx3)/3=10.2欧。
14.(2017长宁一模)小王同学在做“用电流表电压表测电阻”的实验时,实验器材齐全且完好。
①他连接电路,闭合电键,观察到电压表、电流表示数如图17(a)所示,接着他将滑片移到另一端,观察到电压表示数为6伏,电流表示数为0.12安,请根据上述现象判断实验过程中可能存在的问题是
。(写出其中一个问题即可)
②经过分析后小王调整电路重新实验,且步骤正确。闭合电键,观察到电压表的示数如图17(b)所示。移动滑片到中点位置时,电流表的示数为0.2安。请画出他调整后的实验电路图。(请画在答题卡的方框内)
③请帮小王完成实验数据表格的填写(电阻精确到0.1欧)。
【答案】①电压表接在滑动变阻器两端,滑片没有移到阻值最大处(写出其中之一即可)。②③见图。
【解析】①连接电路并将变阻器的滑片放置于一端,闭合电键时,观察到电压表的示数为0,电流表的示数为0.58安,将滑片移到另一端,观察到电压表示数为6伏,电流表示数为0.12安,电流减小,由此说明实验中闭合电键时,变阻器的滑片位于变阻器最小阻值处,电压表的示数为变阻器两端电压;当他将滑片移到另一端时,观察到电压表示数为6伏,电流表示数为0.12安,可得出变阻器的最大阻值R=U/I=6伏/0.12安=50欧;
②调整电路重新实验,且步骤正确,是将电流表和滑动变阻器串联在电路中,将电压表与被测电阻并联,变阻器连入电路的阻值最大,电压表的示数如图17(b)所示为Ux=1.5伏,因为此时电流不变还是0.12安,所以变阻器两端的电压仍为UR=6伏,电源电压为U=UR+UX=6伏+1.5伏=7.5伏;
Rx1=U1/I1=1.5伏/0.12安=12.5欧;
③移动滑片到中点位置时,电流表的示数为0.2安,此时变阻器两端的电压UR=IR=0.2安×25欧=5伏。
待测电阻两端的电压Ux=U-UR=7.5V-5V=2.5V,
Rx2=U2/I2=2.5伏/0.2安=12.5欧;
④最先连接的电路,电压表是与变阻器并联的,闭合电键,变阻器的滑片位于变阻器最小阻值处,观察到电压表的示数为0、电流表示数为0.58安,则待测电阻两端的电压Ux=7.5V,
待测电阻Rx3=U3/I3=7.5伏/0.58安=12.9欧。
15.小李同学用电源、电流表、电压表、滑动变阻器(标有“20Ω 2A”字样)等完好器材,测定电阻RX的值。他按图17的电路图连接电路,并将变阻器的滑片放置于一端,然后闭合电键,发现无论怎样移动滑片P,电流表和电压表示数都为零。接着他将电路中的电压表先后并联到滑动变阻器两端b、c上,观察到电压表的示数变为9伏、电流表示数仍为零。经思考,小李排除故障,再次按图17电路图正确连接电路,操作步骤正确。闭合电键,他在将滑片P从滑动变阻器一端移动到另一端的过程中,发现电流表示数从0.30安增大到0.9安;当滑片P在中点附近某个位置时,电压表、电流表的示数如图18(a)、(b)所示,请根据小李同学实验过程中观察到的现象填写实验表格__________(注意:请填写在答题纸上的表格中,电阻计算精确到0.1欧)。
【答案】
物理量
实验序号
电压(伏)
电流(安)
电阻(欧)
电阻平均值
(欧)
1
3
10.0
10.1
2
4.5
0.44
10.2
3
9
10.0
【解析】(1)按图17的电路图连接电路,无论怎样移动滑片P,电流表和电压表示数都为零,电路出现断路;将电路中的电压表先后并联到滑动变阻器两端b、c上,观察到电压表的示数变为9伏、电流表示数仍为零,判断电路故障为滑动变阻器断路,由此可知道电源电压为9伏;
(2)再次按图17电路图正确连接电路,操作步骤正确。
对三次测量数据分别进行计算Rx的阻值:
第一次实验,滑动变阻器两端的电压UR=IR=0.3安╳20欧=6伏,Ux= U-UR=9伏-6伏= 3伏,
Rx1=U1/I1=3伏/0.3安=10.0Ω;
当滑片P在中点附近某个位置时,
Rx2=U2/I2=4.5伏/0.44安=10.2Ω;
当变阻器连入电路的电阻为0时,电流表示数为0.9安,
Rx3=U3/I3=9伏/0.9安=10.0Ω;
电阻的平均值为x =(Rx1+ Rx2+ Rx3)/3=10.1欧
16.小沈做“用电流表、电压表测电阻”的实验,先将待测电阻Rx、标有“20W2A”字样的滑动变阻器、电流表、电源、电键用导线串联起来,然后将电压表并接在Rx两端。
①在闭合电键S后,他发现电压表无示数、电流表有示数但指针偏转较小,且移动变阻器滑片过程中,电流表示数始终不变,产生上述现象的原因可能是。
②她找到问题后,按正确步骤重新实验,闭合电键后再度移动变阻器的滑片,发现电压表示数变化范围为2~6伏,则电源电压为伏;当变阻器滑片移到中点时,电流表示数为0.28安,此时电压表示数为
伏,待测电阻的阻值为欧。(精确到0.1欧)
【答案】①Rx短路,滑动变阻器都接在下接线柱相当于定值电阻;(正确写出一种情况得1分),本小题只要回答合理均可以得分;② 6,3.2,11.4。
【解析】①在闭合电键S后,发现电压表无示数、电流表有示数但指针偏转较小,且移动变阻器滑片过程中,电流表示数始终不变,产生上述现象的原因可能是Rx短路或滑动变阻器都接在下接线柱相当于定值电阻;
②按正确步骤重新实验,闭合电键后再移动变阻器的滑片,当变阻器连入电路的电阻为0时,电压表示数最大6伏,则电源电压为6伏;
③当变阻器滑片移到中点时,电流表示数为0.28安,此时滑动变阻器两端的电压UR=IR=0.28安×10欧=2.8伏,待测电阻两端的电压Ux=U-UR=6伏-2.8伏=3.2伏,即电压表示数为3.2伏,待测电阻的阻值为
Rx1=U1/I1=3.2伏/0.28安=11.4欧。
第五部分判断电源电压问题
1.(2016上海中考题)小华同学做“用电流表、电压表测电阻”实验,现有电源(电压为2伏的整数倍且保持不变)、待测电阻R、电流表、电压表(只有0-3伏档完好)、滑动变阻器(标有“20Ω 2A”字样)、电键以及导线若干。实验中,小华正确连接电路,且使变阻器接入电路中的电阻最大,闭合电键时电表示数如图12(a)、(b)所示。
①通过计算说明实验所用电源的电压。
②小华移动变阻器的滑片,观察到电表示数变化范围较小。然后他调整了电表的接入位置重新实验:
(a)根据图12中电表的示数等信息判断,在闭合电键时能否使变阻器接入电路中的电阻最大,并简述理由。
(b)根据小华重新实验中所记录的一组数据(见上表),计算待测电阻Rx的阻值(精确到0.1欧)。
【答案】①6伏;②(a)不能,(b)15.3欧。
【解析】①小华正确连接电路,电压表与待测电阻并联,由图12可知:电压表示数约为2.5伏,即Ux=2.5伏;变阻器接入电路中的电阻最大时,电流表示数约为0.16安,变阻器两端的电压约为UR=IR=0.16安×20欧=3.2伏,电源电压U=Ux+UR=2.5伏+3.2伏=5.7伏,由题意知,电源电压为2伏的整数倍,所以电源电压为6伏。
②(a)当变阻器接入电路中的电阻最大时,U2=IR2=0.16安×20欧=3.2伏>3伏,超出电压表0-3伏档的量程,所以不能使变阻器接入电路中的电阻最大;
(b)待测电阻两端的电压UX=U-UR=6伏-1.4伏=4.6伏,
待测电阻的大小RX=UX/IX=4.6伏/0.3安=15.3欧。
2.小华同学做“用电流表、电压表测电阻”的实验,所用器材齐全且完好,电源电压不变(1.5伏的整数倍),所用滑动变阻器上标有“50Ω 2A”字样。小华正确连接电路,实验步骤正确,闭合电键,电流表、电压表的示数如图16(a)、(b)所示。
①该实验的原理是。
②“小华正确连接电路,实验步骤正确”表明电压表并联在两端,闭合电键时,滑动变阻器连入电路的阻值,本实验所用的电源电压为伏。
③接着小华移动滑片到中点位置时,电流表的示数为0.18安,此时所测的电阻为欧。(电阻精确到0.1欧)
【答案】①R=U/I;②待测电阻;最大;9;③25.0。
【解析】①该实验的原理是R=U/I。
②“小华正确连接电路,实验步骤正确”表明电压表并联在待测电阻两端,闭合电键时,滑动变阻器连入电路的阻值最大,即Rmax=50欧,此时电流为0.12安(因为后来小华移动滑片到中点位置时,电流表的示数变大为0.18安),滑动变阻器两端的电压:UR=IR=0.12安×50欧=6伏,待测电阻两端的电压UX=3伏(大量程)或U'X=0.6伏(小量程);
本实验所用的电源电压为:
U=UX+UR=3伏+6伏=9伏或U'=U'X+UR=0.6伏+6伏=6.6伏(舍去),
因为电源电压为1.5伏的整数倍,所以U =9伏;
③小华移动滑片到中点位置时,电流表的示数为0.18安,此时UR=IR=0.18安×25欧=4.5伏,待测电阻两端的电压Ux= U-UR=9伏-4.5伏= 4.5伏,
所测的电阻为Rx=Ux/I=(9伏- 4.5伏)/0.18安=25欧。
3.某同学做“用电流表、电压表测电阻”的实验,可供选择的器材有:电源2个(电压分别为6伏、4.5伏),滑动变阻器2个(分别标有“l0Ω3A”和“20Ω1A”的字样),待测电阻Rx(估计阻值约为19欧),电压表、电流表、电键各1个和导线若干。他选用器材,按图15连接电路,且步骤正确。闭合电键,发现电流表的示数为0.2安。则
(1)该同学在实验中所选用的电源电压为伏,所选用的滑动变阻器的最大电阻为欧。
(2)当该同学移动滑动变阻器的滑片到中点时(即连入电路中的电阻为变阻器最大值的一半),电流表的示数为0.24安,此时电压表V的示数为伏。他继续移动滑动变阻器的滑片,发现电路中的最大电流为0.3安,此时电压表V的示数为伏,则测得Rx的阻值为欧。
【答案】(1)6,10;(2)4.8,6,20。
【解析】(1)闭合电键,电流表的示数为0.2安,电源电压可能为:
使用“l0Ω3A”的滑动变阻器时: U1=I(Rx+R1)=0.2A×(19Ω+10Ω)=5.8V;
使用“20Ω3A”的滑动变阻器时:U2=I(Rx+R2)=0.2A×(19Ω+20Ω)=7.8V;
因此所选用的电源电压为6V,所选用的滑动变阻器的最大阻值为10Ω;
(2)当滑片到中点时,滑动变阻器两端电压:UR=I′×1/2R=0.24安×5欧=1.2伏,
∵串联电路两端电压等于各部分电压之和,∴待测电阻两端的电压Ux= U-UR=6伏-1.2伏= 4.8伏,
即电压表V的示数为4.8V;
当电流表示数最大值时,滑动变阻器接入电路的电阻为零,则待测电阻两端的电压等于电源电压,即6V;
待测电阻的阻值Rx=Ux/I=6伏/0.3安=20欧。
4.小华同学做“用电流表、电压表测电阻”实验,现有电源(电压为2伏的整数倍且保持不变)、待测电阻Rx、电流表、电压表(只有0~3伏档完好)、滑动变阻器(标有“20W 2A”字样)、电键以及导线若干。实验中,小华正确连接电路,闭合电键并移动变阻器的滑片到一端时,观察到电流表示数为0.56安,电压表指针偏转如图13所示,他立刻断开电键。经过思考后,他按照正确步骤进行实验,闭合电键时观察到电流表示数为0.2安;他移动变阻器的滑片,观察到电压表示数为2.6伏时,电流表示数如图14所示。请根据相关信息将下表填写完整。(计算电阻时,精确到0.1欧)
【答案】下表:
【解析】①小华第一次正确连接电路,闭合电键并移动变阻器的滑片到一端时,观察到电流表示数为0.56安,是把滑动变阻器连入电路的电阻为0,此时待测电阻两端的电压大于3伏;
②后来按照正确步骤进行实验,他移动变阻器的滑片,观察到电压表示数为2.6伏时,电流为0.24安,所以待测电阻的大小约为Rx2=U2/I2=2.6伏/0.24安=10.8欧;
③按正确步骤进行实验,闭合电键时R=20欧,电流I=0.2安,变阻器两端的电压UR=IR=0.2安×20欧=4伏;待测电阻两端的电压约为UR=IR=0.2安×10.8欧=2.16伏。
电源电压U=UR+UX=4伏+2.16伏= 6.16伏,根据电源电压为2伏的整数倍,所以取6伏。
④计算Rx的阻值:
原来的电路,当闭合电键并移动变阻器的滑片到一端时,即变阻器连入电路的阻值为0,电流表示数为最大电流0.56安,待测电阻两端的电压为6伏,
Rx1=U1/I1=6伏/0.56安=10.7欧;
他按照正确步骤进行实验,闭合电键时观察到电流表示数为0.2安,滑动变阻器两端的电压UR=IR=0.2安×20欧=4伏,待测电阻两端的电压Ux= U-UR=6伏-4伏=2伏,
Rx2=U2/I2=2伏/0.2安=10.0Ω;
他移动变阻器的滑片,电压表示数为2.6伏时,电流0.24安,
Rx2=U2/I2=2.6伏/0.24安=10.8Ω;
电阻的平均值为x =( Rx1+ Rx2+ Rx3)/3=10.5欧。
5.小陆同学做“用电流表、电压表测电阻”实验,现有电源(电压为1.5伏的整数倍且保持不变)、一个待测电阻Rx、电流表、电压表、滑动变阻器、电键及导线若干。小陆连接电路,使变阻器接入电路中的电阻最大,闭合电键时观察到电压表示数为6伏、电流表示数为0.3安。小陆移动滑片P到某一位置,发现电压表和电流表示数如图23(a)、(b)所示。他继续移动滑片P至另一端时发现电流表示数为1.4安。
请根据相关信息
①求出滑动变阻器的最大电阻。
②通过计算说明实验所用电源的电压。
③计算待测电阻Rx的阻值(精确到0.1欧)。
【答案】①20欧;②7.5伏;③5.1欧。
【解析】①小陆连接电路,使变阻器接入电路中的电阻最大,闭合电键时观察到电压表示数为6伏、电流表示数为0.3安。小陆移动滑片P到某一位置根据电压表和电流表示数如图23(a)、(b)所示的位置可以判断:电流表的示数变大,电压表的示数变小,所以电压表与变阻器并联。
当变阻器接入电路中的电阻最大时,R滑大=U滑大/I=6伏/ 0.3安=20欧;
②闭合电键时观察到电压表示数为6伏、电流表示数为0.3安时,电源电压U=6伏+Ux……①
小陆移动滑片P到某一位置时,电压表示数为4.5伏、电流表示数为0.6安,则待测电阻两端的电压为原来的2倍,即2Ux,电源电压为U=4.5伏+2Ux……②
由①与②得出Ux=1.5伏
U =Ux+6伏=7.5伏
③第一次实验,变阻器接入电路中的电阻最大时:
Rx1=Ux1/I1=1.5伏/0.3安=5欧
第二次实验,移动滑片P到某一位置时:
Rx2=Ux2/I2=3伏/0.6安=5欧
第三次实验,继续移动滑片P至另一端时发现电流表示数为1.4安时:
Rx3=Ux3/I3=7.5伏/1.4安=5.4欧
平均值x =(Rx1+ Rx2+ Rx3)/3=5.1欧。
6.(2018浦东新区一模)小王在“用电流表、电压表测电阻”的实验中,元件均完好,电源电压为2伏的整数倍,滑动变阻器上标有“20Ω 2A”字样。他正确连接电路,实验步骤正确,闭合电键后,电流表的示数如图14(a)所示;当把滑动变阻器的滑片P恰好移到中点时,电压表示数如图14(b)所示;小王继续移动滑片P,在确保安全的情况下,又测得电路中的最大电流为0.42安。
根据以上信息,小张经思考后认为,小王所用的电源电压为6伏。请你通过计算说明,小张的判断是正确的。
请将下表填写完整。(计算电阻时,精确到0.1欧)
【答案】如下:
【解析】①电路最大电流为0.42安,因此电流表选用0~0.6安量程;正确连接电路,实验步骤正确,刚闭合电键时,I=0.22安,R滑大=20欧;
U滑大=IR滑大=0.22安×20欧=4.4伏,所以电源电压U>4.4伏;
滑片移到中点时,Ux=2.5伏,U滑应于小4.4伏,
∴电源电压U<6.9伏,
∵电源电压为2伏的整数倍,∴U=6伏,小张的判断正确;
②对三次测量分别进行计算:
闭合电键后,U滑大=IR滑大=0.22安×20欧=4.4伏,待测电阻两端的电压Ux= U-UR=6伏-4.4伏= 1.6伏;
Rx1=U1/I1=(6伏-0.22安×20欧)/0.22安=7.3欧;
滑动变阻器的滑片P恰好移到中点时,
Rx2=U2/I2=2.5伏/0.35安=7.1欧;
测得电路中的最大电流为0.42安时,
Rx3=U3/I3=3伏/0.42安=7.1欧;
电阻的平均值为x =(Rx1+ Rx2+ Rx3)/3=7.2欧。
注意:在确保安全的情况下,测得电路中的最大电流为0.42安,应该指此时电压表量程没有更换,待测电阻两端的电压为3伏,不能用6伏。
7.小王做“用电流表、电压表测电阻”实验,现有电源(电源电压为1.5伏的整数倍)、待测电阻、电流表、电压表、滑动变阻器、电键及导线若干,所有元件均完好。他连接电路后,按照正确的实验步骤操作,刚闭合电键时电流表示数为0.2安,电压表示数为4伏;他移动变阻器的滑片,观察到电流表示数变大而电压表示数变小。经过思考后他重新连接电路,闭合电键,移动变阻器滑片到某个位置时,发现电流表示数为0.26安,电压表的示数如图7所示;他继续移动变阻器滑片,发现电流表示数最大为0.58安。
请将下表填写完整。(计算电阻时,精确到0.1欧)________
【答案】见表:
【解析】①第一次连接时,移动变阻器的滑片,观察到电流表示数变大而电压表示数变小,说明电压表并联在滑动变阻器两端;第二次连接才是正确的电路。
②第二次实验中电压表的示数即为待测电阻两端的电压,即Ux2=2.8V,通过电阻的电流Ix2=0.26A,所以待测电阻阻值Rx2=Ux2/Ix2=2.8伏/0.26安=10.8Ω;
③第三次实验时发现电流最大为0.58A,此时滑动变阻器阻值为0,则电源电压大约为U=IR=0.58A×10Ω=5.8V,又因为电源电压为1.5V的整数倍,故电源电压为6V;
在第三次实验中,Ux3=U=6.0V,通过电阻的电流Ix3=0.58A,所以待测电阻的阻值
Rx3=Ux3/Ix3=6伏/0.58安=10.3Ω;
第一次实验时,待测电阻两端电压U1=6.0V-4.0V=2.0V,所以待测电阻的阻值
Rx1=Ux1/Ix1=2.0V/0.2A=10Ω;
待测电阻的平均值为x =(Rx1+ Rx2+ Rx3)/3=10.4欧.
8.小佳同学做“用电流表、电压表测电阻”实验,现有电源(电压为2伏的整数倍且保持不变)、电流表、电压表、滑动变阻器、待测电阻Rx、电键及导线若干,所有元件均完好。
他连接电路进行实验,闭合电键后,将变阻器滑片从一端移动到另一端的过程中,发现电流表示数的变化范围为0.2安~0.58安,电压表示数相应的变化范围为4.0伏~0伏。
他思考分析后重新正确连接电路,且实验步骤正确。当变阻器滑片移动到中点附近位置时,电流表示数0.28安,电压表的示数如图14所示。
①小佳同学在实验中使用的滑动变阻器的最大电阻为欧,电源电压为伏。
②请将下面表格填写完整。(计算电阻时,精确到0.1欧)。
【答案】①20;6;②
物理量
实验序号
电压(伏)
电流(安)
电阻(欧)
电阻平均值(欧)
1
2.0
10.0
10.2
2
2.9
10.4
3
6.0
10.3
【解析】①将变阻器滑片从一端移动到另一端的过程中,发现电流表示数的变化范围为0.2安~0.58安,电压表示数相应的变化范围为4.0伏~0伏,根据电流表的示数变大,电压表的示数变小且为0可以判断:电压表是与变阻器并联,滑动变阻器的最大电阻R大=U/I=4伏/0.2安=20欧。
②重新正确连接电路,电压表是与待测电阻并联,当变阻器滑片移动到中点附近位置时,电流表示数0.28安,变阻器两端的电压UR=IR=0.28安×10欧=2.8伏。电源电压U=UR+UX=2.8伏+2.9伏=5.7伏,取6伏。
③对三次测量分别进行计算:
原来的电路电流为0.2安时,R=20欧,滑动变阻器两端的电压UR=IR=0.2安×20欧=4伏,待测电阻两端的电压Ux= U-UR=6伏-4伏= 2伏,
Rx1=U1/I1=2伏/0.2安=10欧;
重新正确连接电路,且实验步骤正确,变阻器滑片移动到中点附近位置时,
Rx2=U2/I2=2.9伏/0.28安=10.4欧;
电路中电流最大时,R=0,Rx3=U3/I3=6伏/0.58安=10.3欧;
电阻的平均值为x =(Rx1+ Rx2+ Rx3)/3=10.2欧
9.在做“用电流表、电压表测电阻”的实验中,甲、乙两同学所用器材完全相同且齐全,测定同一规格的电阻。他们均正确串联电路,闭合电键前都将滑动变阻器的滑片置于一端,并将电压表并联在电路中。闭合电键,观察到甲、乙两同学的电压表示数之差为2伏,然后乙同学将滑片移至变阻器另一端时,观察到电压表示数与甲最初的电压表示数之差仍为2伏。下表为乙同学的实验数据。
(1)请画出乙同学的实验电路图。
(2)根据相关信息,计算说明电源电压为伏。
(3)根据相关信息,计算出待测电阻的阻值。(写出解题过程)
【答案】(1)下图;(2)6伏;(3)10.7欧。
【解析】(1)由表格数据可以判断乙同学电压表的示数与电流表的示数变化是“一大一小”,说明电压表与滑动变阻器并联,电路如图1;
(2)①闭合电键,甲、乙两同学的电压表示数有差值,乙同学将滑片移至变阻器另一端时,甲、乙两位同学电压表的示数始终有差值,说明两位同学的电压表不可能都并在同一个原件上;乙同学“当R2=0欧时,U2=0伏”,说明乙同学电压表与变阻器并联,所以甲同学电压表与待测电阻并联,且电压表的示数“U甲=2伏”;②当闭合电键,乙同学将滑片移至变阻器阻值最大的一端时,乙同学电压表的示数比甲的高于2伏,即U2=2伏+2伏=4伏,而待测电阻两端的电压都相同为Ux=2伏,所以电源电压U=Ux+U2=6伏。
(3)待测电阻两端的电压Ux= U-UR,
Rx1=U1/I1=(6伏-2.5伏)/0.32安=10.9Ω;
Rx2=U2/I2=(6伏-3伏)/0.28安=10.9Ω;
Rx3=U3/I3=(6伏-3.5伏)/0.18安=10.4ΩΩ;
电阻的平均值为x =(Rx1+ Rx2+ Rx3)/3=10.7欧
10.小王、小张分别做“用电流表、电压表测电阻”的实验,实验器材齐全并完好,其中:电源电压相等保持不变,待用滑动变阻器有两种规格(分别标有“10Ω 2A”、“20Ω 2A”的字样),待测电阻Rx规格相同。实验中,两位同学所用的变阻器不同,但他们在连接电路时都将滑片置于变阻器的一端。闭合电键,他们所观察到电流表、电压表的示数均为图16(a)、(b)所示,接着在向变阻器另一端移动滑片的过程中,小王发现电路中两电表的示数均变小,而小张却发现电路中两电表的示数均变大。在思考并解决实验问题后,两位同学均完成实验,而其中一位同学将他所正确测得的两组实验数据记录在草稿纸上,如图17所示。
①两位同学实验所用的电源电压为伏。
②小王所用滑动变阻器的规格为“”。
③为完成其中一位同学的记录和处理,请根据图16和图17及相关信息,将表填写完整。(计算电阻时,精确到0.1欧)
【答案】①6;②“10Ω 2A”;③如下表:
【解析】①实验中,两位同学所用的变阻器不同,但他们在连接电路时都将滑片置于变阻器的一端。闭合电键,在向变阻器另一端移动滑片的过程中,小王发现电路中两电表的示数均变小,说明小王在闭合开关前,把滑动变阻器滑片移到最小值处,小张却发现电路中两电表的示数均变大,说明小张在闭合开关前,把滑动变阻器滑片移到最大阻值处,两位同学电压表都并联在待测电阻的两端;闭合开关时,他们所观察到电流表、电压表的示数均为图(a)、(b)所示,说明两人所选的量程不同;
②小王闭合开关时滑动变阻器接入电路的电阻为0,电压表测电源电压用的是大量程,小张用的是小量程,所以电源电压为大量程读数:U=6V;
小张电压表用的是小量程,闭合电键时,变阻器两端的电压UR= U-UX=6伏-1.2伏=4.8伏,电流I=0.24安,
滑动变阻器的最大电阻Rmax =U/I=4.8伏/0.24安=20欧,则小王所用滑动变阻器的规格为“10Ω 2A”;
③因为电流表和电压表示数都逐渐增大,所以电流和对应的电压值为:
I1=0.24A,U1=1.2V;I2=0.3A,U2=1.6V;I3=0.4A,U2=2.2V;
Rx1=U1/I1=1.2伏/0.24安=5Ω;
Rx2=U2/I2=1.6伏/0.3安=5.3Ω;
Rx3=U3/I3=2.2伏/0.4安=5.5Ω;
电阻的平均值x =(Rx1+ Rx2+ Rx3)/3=(5Ω+5.3Ω+5.5Ω)/3≈5.3Ω。
第六部分用其他特殊方法测电阻
1.小陆做“用电流表、电压表测电阻”实验,器材有电压恒定的电源、待测电阻Rx、电流表、电压表、电键及导线若干。为了实现多次测量,他从实验室找来了20欧和10欧的电阻各一个,并设计了如图2(a)所示的电路图进行实验。实验步骤如下:
(1)按图2(a)正确连接器材,并在MN两点之间不接入任何器材的情况下,闭合电键S,此时电压表的示数为4.5伏。
(2)断开电键,把10欧的电阻接入MN两点之间。重新闭合电键S后,电压表示数如图2(b)所示。
(3)把10欧的电阻换成20欧的电阻,重新实验,电压表示数相比步骤②变化了0.8伏。
(4)用一根导线接在MN之间,此时电流表示数为0.36安。
请根据上述实验过程,填写表中编号处的数据。
物理量
实验序号
电压Ux
(伏)
电流Ix
(安)
电阻Rx
(欧)
电阻Rx的
平均值(欧)
1
0
0
2
(8)
(9)
3
(10)
(11)
4
(12)
0.36
【答案】(8) 2.5;(9)0.2;(10)1.7;(11)0.14;(12)4.5。
【解析】(1)由图2(a),正确连接器材,在MN两点之间不接入任何器材,闭合电键S,电压表与Rx串联在电路中,由于电压表自身电阻非常大,所以电压表相当于测电源电压,即电源电压U=4.5V,此时电路中电流非常小,几乎为0;
(2)把10欧的电阻接入MN两点之间,因为电源电压4.5V,由图2(b)可知:电压表此时应使用的0-3V量程,示数为2V,此时Ux2=U-UMN=4.5V-2V=2.5V,由串联电路特点和欧姆定律可得:Ix2=IMN=UMN/RMN=2伏/10欧=0.2安;
(3)把10Ω的电阻换成20Ω的电阻,由串联电路的分压原理可知此时MN两点间电压增大,所以UMN′=2V+0.8V=2.8V,此时Ux3=U-UMN′=4.5V-2.8V=1.7V,Ix3=IMN′= UMN′/ RMN′=2.8伏/20欧=0.14安;
(4)由图当用一根导线接在MN之间,电路中只有Rx连入电路,所以Ux4=U=4.5V。
2.小陆同学做“用电流表、电压表测电阻”实验,现只有电源(电压大于3伏且保持不变)、待测电阻Rx、电压表(0~15伏量程档损坏)、阻值为10欧的定值电阻R1、阻值为30欧的定值电阻R2、电键及导线若干。他经过思考,进行了三次实验,电路图及闭合电键S后对应的电压表的示数分别如图3(a)、(b)、(c)所示。请根据相关信息计算(需写出计算过程):
①小路同学所用电源的电压U。
②待测电阻Rx的阻值。(计算电阻时,精确到0.1欧)
【答案】①6V;②5.9Ω。
【解析】(1)由图(a)可知R1两端电压为U1=1.5V,因为R1=10Ω,所以电路中的电流为:I=U 1/R1
=1.5伏/10欧=0.15安,即R2中的电流为I2=0.15A,又因为R2=30Ω,所以R2两端的电压为
U2=I2R2=0.15A×30Ω=4.5V,
电源电压为U=U1+U2=1.5V+4.5V=6V;
(2)由图(b)可知电压表示数为1V,则R2两端的电压为U2= U-Ux=6伏-1伏= 5伏,
根据串联电路的分压规律:U1:U2= R1: R2,1伏/ Rx=5伏/30Ω,则此时Rx为6Ω;
(3)由图(c)可知电压表示数为2.2V,则R1两端的电压为U1= U-Ux=6伏-2.2伏= 3.8伏
根据串联电路的分压规律:U1:U2= R1: R2,2.2伏/ Rx=3.8伏/10欧,则此时Rx为5.8Ω;
因此待测电阻为Rx=(6欧+5.8欧)/2≈5.9Ω。
3.(2018宝山一模)如图1所示为“用电流表、电压表测电阻”的实验电路,请填写空格处的内容。
①实验目的:伏安法测电阻,要求 ,求电阻的平均值。
② :R=。
③若某次实验时,滑动变阻器和电流表出现了故障不能使用,为了测出电阻Rx的阻值,该同学选添了一个阻值已知的定值电阻R0,进行实验。
a.请根据上述条件设计实验电路图(画在方框内)。
b.利用测得的数据,写出待测电阻Rx的表达式:Rx= 。(简要说明式中物理量的含义)
S
【答案】①多次测量;②实验原理;③ a. 见下图;b.Rx=(U-U0)R0/ U0,U为电源电压,U0为R0两端电压。
【解析】①在伏安法测电阻的实验中,要多次测量求平均值,以减小误差;
②实验原理: R=U/I;
③a.设计实验电路图,Rx与R0串联,开关与Rx并联;b.开关闭合时,电阻Rx被短路,电压表示数为电源电压U;开关断开时,两电阻串联,电压表测R0两端电压U0,则Rx两端电压为:Ux=U-U0,串联电路的电流为:I=U0 /R0 ;
所以电阻Rx的阻值为: Rx=Ux/I=(U-U0)/ U0 /R0=(U-U0)R0/ U0 ,U为电源电压,U0为R0两端电压。
4.在做“用电流表、电压表测电阻”的实验中,连接电路时电键必须处于状态(选填“断开”或“闭合”)。现有待测电阻Rx、滑动变阻器、电压表、电流表、电键、若干导线和多节干电池,小李按照图4(a)所示的电路正确连接电路,在闭合电键前,他应将滑动变阻器的滑片P移到(选填“A”或“B”)端,闭合电键后测得Rx两端的电压是4伏,电流表示数如图4(c)所示是安,计算此时电阻Rx的阻值是欧。实验时要测量多组数据,以便将计算结果取平均值来减小误差,下列做法可行的是。
A.按照图4(a)所示的电路,移动滑动变阻器的滑片P的位置;
B.按照图4(b)所示的电路,多更换几个相同的待测电阻Rx;
C.按照图4(b)所示的电路,改变串联干电池的节数;
【答案】断开;B; 0.2A;20欧;A、C。
【解析】①在做“用电流表、电压表测电阻”的实验中,连接电路时电键必须处于断开状态,避免连接电路时连接完最后一根导线,电路中就有电流,万一连接的电路有错误,可能会损坏电路元件;
②滑动变阻器的滑片应该处于B 端,连入电路的阻值最大,电流最小,对电路起到保护作用;由图c可知,电流表的量程为0~06A,分度值为0.02A,通过电阻的电流为0.2A,由I=U/R,此电阻的大小Rx=Ux/I=4伏/0.2安=20欧;
③实验时要测量多组数据,多次改变待测电阻两端的电压和电流;
A.按照图4(a)所示的电路,移动滑动变阻器的滑片P的位置可以进行多次测量;
B.按照图4(b)所示的电路,多更换几个相同的待测电阻Rx,不符合实验的目的,因为测的是同一个导体的电阻,没有多次改变待测电阻两端的电压和电流;
C.按照图4(b)所示的电路,改变串联干电池的节数,也可以多次改变待测电阻两端的电压和电流,方法可行。故选A、C 。
5.小明同学做“用电流表、电压表测电阻”实验,现只有电源(电压保持不变)、待测电阻Rx、电流表、标有“20Ω 1A”字样的滑动变阻器、两个电键及导线若干。他经过思考,设计了如图5(a)所示电路进行实验。
(1)他按图(a)所示电路连接实验器材,闭合电键S1,发现电流表示数如图5(b),其错误原因可能是。
(2)他找到问题所在后,按如图6方法进行了三次实验,电路图及闭合电键后对应的电流表的示数分别如图6(a)、(b)、(c)所示(a、b中滑片位于最右端,c中滑片位于最左端)。请根据相关信息计算(需写出计算过程):
①小明同学所用电源的电压U。
②待测电阻Rx的阻值。(计算电阻时,精确到0.1欧)
【答案】(1)电流表正负接线柱接反了;(2)①8伏;②13.6Ω。
【解析】(1)他按图(a)所示电路连接实验器材,闭合电键S1,发现电流表示数如图5(b),其错误原因是电流表正负接线柱接反了;
(2)①由图6(a)可知:电流表用的是小量程0—0.6安,电流为0.4A(不可能2A,会超过变阻器的最大电流2A),所以电源电压U=IR2=0.4A×20Ω=8V
②由图6(b)可知:滑片位于最右端时,R2两端电压U2'=I'R2=0.24A×20Ω=4.8V
待测电阻两端的电压UX=U-U2'=8V-4.8V=3.2V
RX= UX/I'=3.2V/0.24A=13.3Ω
由图6(c)可知:滑片位于最左端时,UX'=U=8V
RX'= U/I''=8V/0.58A=13.8Ω
x = (RX+ RX')/2=(13.3Ω+13.8Ω)/2=13.6Ω
6.(2018崇明一模)某小组同学做“用电流表、电压表测电阻”实验时,实验器材有:有电源(电压为1.5伏整数倍且保持不变)、待测电阻Rx、电流表、电压表、电键及导线若干。但发现电流表已坏,电压表的0~15伏量程档损坏.现只能用非常规方法测量电阻.给予阻值为10欧的定值电阻R1、阻值为20欧的定值电阻R2.他经过思考,进行了两次实验,电路图及闭合电键S后对应的电压表的示数分别如图6(a)、(b)所示.请根据相关信息完成下列问题:
(1)图6(a)中电表示数是 V;
(2)该小组同学所用电源的电压是 V;
(3)待测电阻Rx的阻值是 Ω(计算电阻时,精确到0.1Ω);
(4)你认为该实验中不足之处主要是 。
【答案】(1)1.5;(2)4.5;(3)9.6;(4)只对被测电阻进行了一次测量,结果不够准确。
【解析】做“用电流表、电压表测电阻”实验时,由于没有电流表,故采取特殊的方法进行测量也可以,本题用已知阻值的电阻与待测电阻串联即可。
(1)因为电压表的0~15伏量程档损坏,所以图6(a)中电表示数是1.5V。
(2)由图6(a)知定值电阻R1与阻值为20欧的定值电阻R2串联,电流为I1= U1/R1=1.5伏/10欧=0.15安,U2=I1×R2=0.15安×20欧=3伏
电源电压 U= U1 + U2=1.5伏+3伏=4.5伏
(3)由图6(b)可知:定值电阻R1与待测电阻Rx串联,
Ux=2.2伏U1= U- U2=4.5伏-2.2伏=2.3伏I= U1/R1=2.3伏/10欧=0.23安
Rx=Ux/I=2.2伏/0.23安=9.6欧
(4)实验只对被测电阻进行了一次测量,没有进行多次测量取平均值减小误差,结果不够准确。
7.(2018徐汇一模)小汇同学做“用电流表、电压表测电阻”实验,现只有电源(电压大于6伏且保持不变)、待测电阻Rx、电流表(0-3安量程档损坏)、定值电阻R1=10欧、R1=30欧、电键、若干导线等器材。他经过思考,进行了三次实验,实验电路图及闭合电键S后对应的电流表的示数分别如图7(a)、(b)、(c)所示。请根据相关信息将下表空格填写完整。________。
物理量
实验序号
电流I
(安)
电压U1
(伏)
电压U2
(伏)
电压Ux
(伏)
电阻Rx
(欧)
电压U
(伏)
1
2
3
分析表格中的数据可得:待测电阻Rx的阻值为_________欧。
【答案】见下表;Rx=20欧。
【解析】因为电流表0~3A量程档损坏,所以电流表使用0~0.6A量程。
(1)(a)中电流表示数为0.3A,定值电阻R1=10Ω,根据欧姆定律可得R1两端的电压
U1=IR1=0.3A×10Ω=3V,同理可得R2两端的电压U2=IR2=0.3A×30Ω=9V,
电源电压U=U1+U2=3V+9V=12V;
(2)(b)中电流表示数为0.24A,则R2两端的电压U2=IR2=0.24A×30Ω=7.2V;
根据串联电路电源电压等于串联各部分的电压之和,则待测电阻两端的电压
Ux=U-U2=12V -7.2V =4.8V;
Rx的阻值Rx=Ux/I=4.8伏/0.24安=20欧。
(3)(c)中电流表示数为0.4A,则R1两端的电压U1=IR1=0.4A×10Ω=4V;
根据串联电路电源电压等于串联各部分的电压之和,则待测电阻两端的电压
Ux'=U-U'2=12V -4V =8V;
Rx的阻值Rx=Ux/I=8伏/0.4安=20欧。
(4)待测电阻Rx的阻值为20Ω。
8.(2017静安一模)某小组同学做“用电流表、电压表测电阻”实验。
①该实验的目的是:。
②为进行多次实验,三位同学各自设计了三个不同的实验方案,简述如下表所示。
方案序号
Ⅰ
Ⅱ
Ⅲ
实验
电路
A
Rx
S
V
A
R定
Rx
S
V
A
Rx
P
R滑
S
V
设计
要点
通过改变串联电池的节数改变电源两端的电压
电源电压保持不变,待测电阻与已知阻值的定值电阻串联,并换用阻值不同的定值电阻。
电源电压保持不变,待测电阻与滑动变阻器串联,移动变阻器的滑片。
(a)上述三个方案中,能实现“多次实验,减小误差”的方案有(填序号);方案Ⅲ与另两个方案相比,优点有:(写出两点即可)。
(b)小明同学根据方案Ⅲ,准备测量阻值约为20欧的电阻,实验所提供的器材齐全完好,其中:电源电压为6伏且保持不变,电流表、电压表规格如图8所示,滑动变阻器有两种规格(分别标有“5欧 3安”和“50欧 1.5安”字样)。
小明对所提供两种规格的滑动变阻器,提出了问题:实验中,两种变阻器是可以随意用一个变阻器,还是其中一个更适合实验?请你根据实验的相关条件,帮助小明解决问题并简要说明理由。
【答案】①会用电流表、电压表测电阻;②(a)Ⅰ、Ⅱ、Ⅲ,多次实验时,电路不需要重新连接,操作简便;待测电阻两端的电压及通过的电流,可以在一段范围内连续变化,记录数据简便;变阻器连入电路处于电阻的最大值,可保护电路元件。(b)应选择标有“50欧 1.5安”的滑动变阻器。理由:可使待测电阻两端的电压及通过的电流的变化范围更大,方便读数;电压表的读取取0-3伏,读数更准确。
【解析】①该实验的目的是:会用电流表、电压表测电阻;
②该实验要进行多次测量减小误差;Ⅰ、Ⅱ、Ⅲ方案均可以,方案Ⅲ由于使用了滑动变阻器,与另两个方案相比,优点有:多次实验时,电路不需要重新连接,操作简便;待测电阻两端的电压及通过的电流,可以在一段范围内连续变化,记录数据简便;变阻器连入电路处于电阻的最大值,可保护电路元件。
(b)该实验需要改变待测电阻两端的电压,且变化范围大一些更好,选择标有“50欧 1.5安”的滑动变阻器可以达到以上目的,另外可以使电压表两端的电压小于3伏,电压表用0-3伏量程,读数更准确。
9.在“用电流表、电压表测电阻”的实验中,小明和小华使用同一套实验器材先后进行实验。该套实验器材包括电源(电压保持不变)、一个待测电阻Rx、电流表、电压表、滑动变阻器、电键及导线若干。
①小明连接了如图9(a)所示的电路,闭合电键,发现电流表的示数为0.34安,电压表的示数为6.0伏。
②接着小华进行实验,连接了如图9(b)所示的电路,闭合电键,发现电流表示数为0.30安。在老师帮助下,小华发现了问题,立刻断开电键,重新正确连接了实验电路,并且实验步骤操作正确,闭合电键时,电流表的示数为0.16安;接着小华将滑片P移动到某位置时,电流表、电压表的示数如图9(c)所示。
请综合小明和小华的实验情况,完成表格中的实验数据记录和计算。(计算电阻时,精确到0.1欧)
序号
电压(伏)
电流(安)
电阻(欧)
电阻平均(欧)
1
2
3
【答案】如表:
序号
电压(伏)
电流(安)
电阻(欧)
电阻平均(欧)
1
6.0
0.34
17.6
17.4
2
2.8
0.16
17.5
3
5.5
0.32
17.2
【解析】①如图9(a)所示的电路,闭合电键,发现电流表的示数为0.34安,电压表的示数为6.0伏,即电源电压为6伏。
②接着小华进行实验,连接了如图9(b)所示的电路,闭合电键,待测电阻被短路,电流表示数为0.30安,滑动变阻器的最大电阻Rmax =U/I=6伏/0.3安=20欧;
③重新正确连接了实验电路,并且实验步骤操作正确,滑动变阻器两端的电压UR=IR=0.16安×20欧=3.2伏,待测电阻两端的电压Ux= U-UR=6伏-3.2伏= 2.8伏;
④接着小华将滑片P移动到某位置时,电流表、电压表的示数如图9(c)所示,则电流为I3=0.32安,电压为U3=5.5伏。
⑤对三次测量数据分别进行计算Rx的阻值:
Rx1=U1/I1=6伏/0.34安=17.6Ω;
Rx2=U2/I2=2.8伏/0.16安=17.5Ω;
Rx3=U3/I3=5.5伏/0.32安=17.2Ω;
电阻的平均值为x =(Rx1+ Rx2+ Rx3)/3=17.4欧。
第七部分判断滑动变阻器或其他电路元件的选择
【典型例题】(2019上海中考题)小华同学做“用电流表、电压表测电阻”实验,现有电源(电压为3伏且保持不变)、待测电阻Rx、电流表、电压表、电健各一个,滑动变阻器有A、B、C三个(分别标有“5Ω 2A”字样、“10Ω 2A”字样、“50Ω 1A”字样),以及导线若干。小华实验时选取其中一个滑动变阻器,正确连接电路,且使滑动变阻器的滑片在中点附近,闭合电键时各电表示数如图10(a)、(b)所示,并记录第一组数据。继续移动滑片,当电压表示数在如图(a)的基础上偏转两格后,记录第二组数据,此时小华发现电压表、电流表偏转角度相同。求:
①电压表的量程是 伏。
②计算说明实验中电流表的量程。
③根据记录的第二组数据,计算出此时待测电阻Rx的阻值。
【答案】①0﹣3V;②0﹣0.6A;③5Ω,5Ω。
【解析】①正确连接电路,即待测电阻与变阻器串联,电流表串联在电路中,电压表与待测电阻并联,因电源电压为3V,故电压表选用小量程0﹣3V;
②(a)图中,电压表选用小量程,分度值为0.1V,电压表示数为1.4V;(b)图中,若电流表选用大量程,电流为1.4A;若选用小量程,电流为0.28A;
根据串联电路电压的规律,变阻器两端的电压为:UR=U-UX=3V﹣1.4V=1.6V,若电流表选用大量程,电流为1.4A,电路的总电阻为R=U/I=3伏/1.4安=2.1欧,即待测电阻与变阻器的电阻之和为2.1欧,是不可能的,所以电流表选用的是小量程,电流为0.28A;滑动变阻器的滑片在中点附近时,变阻器连入电路的电阻:R滑中=U滑/I小=1.6伏/0.28安≈5.71Ω,变阻器最大电阻为2×5.71Ω=11.4Ω,与题中所给的“10Ω 2A”变阻器的比较接近,故电流表选用小量程0﹣0.6A;
③电流表示数为0.28A,继续移动滑片,当电压表示数在如图(a)的基础上偏转两格后,电压表示数可能为1.6V或1.2V;
若电压表示数为Ux=1.4V+2×0.1V=1.6V,即电压表示数变大,根据U=IR,则电路中电流也应变大,电流为:I=0.28A+2×0.02A=0.32A;由欧姆定律得:
Rx=Ux/Ix=1.6伏/0.32安=5Ω;
若电压表示数为Ux'=1.4V﹣2×0.1V=1.2V,即电压表示数变小,根据U=IR,则电路中的电流也应变小,电流为:I'=0.28A﹣2×0.02A=0.24A;由欧姆定律得:
Rx'=Ux'/I'x=1.2伏/0.24安=5Ω。
“正确连接电路”指待测电阻与变阻器串联,电流表串联在电路中,电压表与待测电阻并联。移动变阻器的滑片时,电压表与电流表示数的变化相同(同时变大或同时变小)。
继续移动滑片,电压表示数在如图(a)的基础上偏转两格,应该注意有两种情况:可能是电压表的示数变大两格,也可能是电压表的示数变小两格。
2.某同学做“用电流表、电压表测电阻”的实验,可供选择的器材有:电源2个(电压分别为6伏、4.5伏),滑动变阻器2个(分别标有“10Ω3A”和“20Ω1A”的字样),待测电阻Rx(估计阻值约为19欧),电压表、电流表、电键各1个和导线若干。他选用器材,按图15连接电路,且步骤正确。闭合电键,发现电流表的示数为0.2安。则
图15
(1)该同学所选用的电源电压为伏,所选用的滑动变阻器的最大电阻为欧。
(2)当该同学移动滑动变阻器的滑片到中点时(即连入电路中的电阻为变阻器最大值的一半),电流表的示数为0.24安,此时电压表V的示数为伏。他继续移动滑动变阻器的滑片,发现电路中的最大电流为0.3安,此时电压表V的示数为伏,则测得Rx的阻值为欧。
【答案】(1)6, 10;(2)4.8,6, 20。
【解析】(1)闭合电键,电流表的示数为0.2安,电源电压可能为:
使用“l0Ω3A”的滑动变阻器时: U1=I(Rx+R1)=0.2A×(19Ω+10Ω)=5.8V;
使用“20Ω3A”的滑动变阻器时:U2=I(Rx+R2)=0.2A×(19Ω+20Ω)=7.8V;
因此所选用的电源电压为6V,所选用的滑动变阻器的最大阻值为10Ω;
(2)当滑片到中点时,滑动变阻器两端电压:UR=I′×1/2R=0.24安×5欧=1.2伏,
根据串联电路两端电压等于各部分电压之和,得出待测电阻两端的电压
Ux= U-UR=6伏-1.2伏= 4.8伏,即电压表V的示数为4.8V;
(3)当电流表示数最大值时,滑动变阻器接入电路的电阻为零,则待测电阻两端的电压等于电源电压,即6V;
待测电阻的阻值Rx=Ux/I=6伏/0.3安=20欧。
3.小王、小张分别做“用电流表、电压表测电阻”的实验,实验器材齐全并完好,其中:电源电压相等保持不变,待用滑动变阻器有两种规格(分别标有“10Ω 2A”、“20Ω 2A”的字样),待测电阻Rx规格相同。实验中,两位同学所用的变阻器不同,但他们在连接电路时都将滑片置于变阻器的一端。闭合电键,他们所观察到电流表、电压表的示数均为图16(a)、(b)所示,接着在向变阻器另一端移动滑片的过程中,小王发现电路中两电表的示数均变小,而小张却发现电路中两电表的示数均变大。在思考并解决实验问题后,两位同学均完成实验,而其中一位同学将他所正确测得的两组实验数据记录在草稿纸上,如图17所示。
①两位同学实验所用的电源电压为伏。
②小王所用滑动变阻器的规格为“”。
③为完成其中一位同学的记录和处理,请根据图16和图17及相关信息,将表填写完整。(计算电阻时,精确到0.1欧)
物理量
实验序号
电压Ux
(伏)
电流Ix
(安)
电阻Rx
(欧)
电阻Rx
平均值(欧)
1
2
3
【答案】①6;②“10Ω 2A”;③下表:
【解析】①实验中,两位同学所用的变阻器不同,但他们在连接电路时都将滑片置于变阻器的一端。闭合电键,在向变阻器另一端移动滑片的过程中,小王发现电路中两电表的示数均变小,说明小王在闭合开关前,把滑动变阻器移到最小值处,小张却发现电路中两电表的示数均变大,说明小张在闭合开关前,把滑动变阻器移到最大阻值处,闭合开关时,他们所观察到电流表、电压表的示数均为图(a)、(b)所示,说明两人所选的量程不同,电压表都并联在待测电阻的两端;
小王闭合开关时滑动变阻器接入电路的电阻为0,电压表示数为电源电压,用的是大量程,小张用的是小量程。由以上分析可以判断:电源电压为大量程读数:6V;
小张电压表用的是小量程,闭合电键时,滑动变阻器连入电路的阻值最大,变阻器两端的电压UR= U-UX=6伏-1.2伏=4.8伏,电流I=0.24安,滑动变阻器的最大电阻Rmax=U/I=4.8伏/0.24安=20欧,则小王所用滑动变阻器的规格为“10Ω2A”。
②因为电流表和电压表示数都逐渐增大,所以电流和对应的电压值为:I1=0.24A,U1=1.2V;I2=0.3A,U2=1.6V;I3=0.4A,U2=2.2V;
Rx1=U1/I1=1.2伏/0.24安=5Ω;
Rx2=U2/I2=1.6伏/0.3安=5.3Ω;
Rx3=U3/I3=2.2伏/0.4安=5.5Ω;
电阻的平均值x =(Rx1+ Rx2+ Rx3)/3=(5Ω+5.3Ω+5.5Ω)/3≈5.3Ω.
4.某小组同学做“用电流表、电压表测电阻”的实验,现有电源(电压保持不变)、待测电阻RX、电流表、电压表(只有0~3伏档完好)、滑动变阻器A、B两个待选(A标有“20Ω 2Α”字样、B标有“5Ω 1Α”字样)、电键及导线若干。该小组同学将待测电阻RX、电流表、电键、滑动变阻器等串联接入电路后,再将电压表并联在RX两端。闭合电键后,在移动滑片的过程中发现两电表的示数如序号1所示,且始终不变。该小组同学经过思考后重新调整电路并实验,记录下另外两次实验的数据如序号2和3所示。
(1)该小组同学重新调整电路前使用的滑动变阻器规格是。(选填“A”或“B” )
(2)实验所用电源的电压为伏。
(3)请将下表填写完整(计算电阻时,精确到0.1欧)。
物理量
序号
电流(安)
电压(伏)
电阻RX(欧)
电阻RX平均值(欧)
1
0.20
3.0
…
(12)
2
0.22
0.6
…
3
0.24
0.3
(11)
【答案】(1)B; (2) 4; (3) 15.4; 15.3;
【解析】(1)将电压表并联在Rx两端,闭合电键后,在移动滑片的过程中发现两电表的示数如序号1所示,由欧姆定律可得,这次测出的待测电阻阻值:
Rx1=U1/I1=3伏/0.2安=15欧;
移动滑片时两表示数始终不变,则说明变阻器没有了变阻的作用,若变阻器连入电路中的电阻为0,则电源电压为3V,由表中第2次数据,根据欧姆定律可得,此时待测电阻的电压为:U′=I2Rx=0.22A×15Ω=3.3V>3V,所以不可能是变阻器连入电路中的电阻为0,只能是将变阻器下面的电阻线两个接线柱连入了电路中;
(2)若将“20Ω 2Α”字样的变阻器连入电阻中,在重新调整电路前,滑动变阻器两端的电压UR=IR=0.2安×20欧=4伏,电源电压U=UR+UX=4伏+3伏= 7伏;
若将标有“5Ω 1Α”字样的变阻器连入电阻中,在重新调整电路前,滑动变阻器两端的电压UR'=IR'=0.2安×5欧=1伏,电源电压U'=UR'+UX=1伏+3伏= 4伏;
(3)重新调整电路后,移动滑片时,电压表与电流表示数的变化相反,故电压表并联在变阻器两端;根据实验序号2,电流为I=0.22安时,待测电阻两端的电压约为Ux=IR=0.22安×15欧=3.1V,此时变阻器两端的电压UR= 0.6伏,电源电压为3.7伏,取4伏;使用的滑动变阻器规格是“5Ω 1A”的B;
或如下分析:在第2次实验中(即调整电路后),若电源电压为7V,待测电阻两端的电压Ux=U-UR=7V-0.6V=6.4V,此时的电流为0.22A,由欧姆定律可求出待测电阻值约为Rx=Ux/I=6.4伏/0.22安=29Ω,大于15Ω;综上可知,电源电压不是7V,也不是选用“20Ω2Α”的变阻器,故只能是选用“5Ω 1A”的B滑动变阻器,电源电压为4伏;
(4)由串联电路的特点和欧姆定律可得,第2次实验待测电阻的阻值:
Rx2=U2/I2=(4伏-0.6伏)/0.22安=15.5欧;
第3次实验待测电阻的阻值:
Rx3=U3/I3=(4伏-0.3伏)/0.24安=15.4欧;
三次测量电阻的平均值:x =(Rx1+ Rx2+ Rx3)/3=15.3欧。
5.小华同学做“用电流表、电压表测电阻”实验,现有电源(电压为1.5伏的整数倍且保持不变)、滑动变阻器A、B两个待选(A标有“10Ω 1Α”字样、B标有“20Ω 2Α”字样),电流表、电压表(只有0~3伏档完好)、待测电阻RX、电键以及导线若干。小华正确连接电路,实验步骤正确,闭合电键时电表的示数如图19(a)、(b)所示。
图20
小华略微移动变阻器的滑片,发现电压表的指针就满偏了。经过思考,小华仅调整电压表接入电路的位置并重新实验,当滑片移至某点时,电流表的示数为0.36安,电压表的示数如图20所示。当滑片移至某端点时,电流表的示数为0.42安。
①实验中所用电源的电压为伏,选用的滑动变阻器为(选填“A”或“B”)。
②请将下表填写完整。(计算电阻时,精确到0.1欧)(请填到答题卡上的表格中)
物理量
实验序号
电压Ux
(伏)
电流Ix
(安)
电阻Rx
(欧)
1
2
3
【答案】①4.5,A;②见下表:
【解析】①电压表、电流表均选用小量程,分度值分别为0.1V、0.02A,电压表示数为2.3V,电流表示数I=0.22A,因电路连接正确,实验步骤正确,电压表测待测电阻的电压,Ux=2.3V,滑动变阻器连入电器中的电阻最大;
若选用A标有“10Ω 1Α”字样的变阻器,闭合电键时,R=10Ω,变阻器两端的电压
UR=IR=0.22安×10欧=2.2伏,电源电压U=UR+UX=2.3伏+2.2伏=4.5伏;
若选用B标有“20Ω 2Α”字样的变阻器,闭合电键时,R'=20Ω,变阻器两端的电压
UR'=IR'=0.22安×10欧=4.4伏,电源电压U'=UR'+UX=4.4伏+2.3伏=6.7伏,不是1.5
伏的整数倍,舍去;
所以电源电压为4.5伏,选用的滑动变阻器为A。
②第一次正确连接电路实验:Rx1=U1/I1=2.3伏/0.22安=10.5欧;
③小华略微移动变阻器的滑片,发现电压表的指针就满偏了。所以小华把电压表接在滑动变阻器的两端并重新实验:
当滑片移至某点时,电流表的示数为0.36安时,
Rx2=U2/I2=(4.5伏-0.7伏)/0.36安=10.6欧 ;
当滑片移至某端点时,电流表的示数为0.42安时(变阻器连入电路的电阻为0):
Rx3=U3/I3=4.5伏/0.42安=10.7欧;
电阻的平均值为 x =(Rx1+ Rx2+ Rx3)/3=10.6欧。
6.(2017虹口一模)小华和小明做“用电流表、电压表测电阻”实验,现有电源(电压为2伏的整数倍且保持不变)、一个待测电阻Rx、电流表、电压表、滑动变阻器两个(甲:“20W2A”,乙:“50W2A”)、电键以及导线若干。小华首先选择一个变阻器进行实验,他正确连接电路,使变阻器接入电路中的电阻最大,闭合电键时电表示数如表一中实验序号1所示。小明用另一个变阻器实验,正确连接电路且使变阻器接入电路中的电阻最大,闭合电键时电表示数如表二中实验序号1所示。
①若小华选择的变阻器为________,他实验所用电源的电压为________。
②实验中他们分别移动变阻器的滑片P到某一位置时,观察到电流表示数均如图12所示。他们继续移动滑片P,发现当电压表示数最大时,电流表指针在图12的位置上恰好都偏转了8格。请将他们的实验数据填写在表一、表二的实验序号2中。________
③小华和小明都只测量了两组数据,不符合实验要求,两位同学讨论后找到了解决问题的办法。请简要说明他们的解决办法,并通过计算求出Rx的阻值(计算电阻时精确到0.1欧)。
【答案】①甲;(乙),6伏,(12伏);②(注:②题答案随①题而变);③他们进行合作,共三组数据,符合实验要求,10.2欧。
表一:小华的实验记录
实验
序号
电压表示数
(伏)
电流表示数
(安)
1
2
6.0
0.56
3
表二:小明的实验记录
实验
序号
电压表示数
(伏)
电流表示数
(安)
1
2
12.0
1.20
3
【解析】①正确连接电路,使变阻器连入电路中的电阻最大,电压表并联在测电阻的两端;由表中数据知U1=2V,I1=0.2A;
若小华选择的变阻器规格为“20W 2A”,则根据欧姆定律,变阻器两端的电压
UR=IR=0.2A×20W=4V,电源电压U=U滑+U1=4V +2V=6V;
若小华所用的变阻器的规格为“50W 2A”,变阻器两端的电压为UR'=IR'=0.2A×50W=10V,小华用的电源电压U'= U'+U1=10V+2V=12V;
②题目都正确连接电路,使变阻器接入电路中的电阻最大,电流为0.2安,实验中他们分别移动变阻器的滑片P到某一位置时,观察到电流表示数均如图12所示,图中电流表应该选用的是小量程,电流表示数为0.4A,(因为若选用电流表大量程,示数为2A,继续移动滑片P时,电流继续变大,会超过变阻器的最大电流);
③当电压表示数最大时,即达到电源电压;若同学选择的变阻器规格为“20W 2A”,则待测电阻两端的最大电压为6伏,电路中最大的电流小于另外一位同学的最大电流,电流表只能选用小量程,因电流表指针在图示的位置上恰好偏转了8格,电流表的示数为I1=0.4A+8×0.02A=0.56A;
若同学选择的变阻器规格为“50W 2A”,则待测电阻两端的最大电压为12伏,电路中最大的电流大于另外一位同学的最大电流,故电流表是选用了大量程,因电流表指针在图示的位置上恰好偏转了8格,电流表的示数为I2=0.4A+8×0.1A=1.2A;
④他们进行合作,共得出三组数据,符合实验要求。
Rx1=U1/I1=2.0伏/0.2安=10.0欧
Rx2=U2/I2=6.0伏/0.56安=10.7欧
Rx3=U3/I3=12.0伏/1.2安=10.0欧
Rx=(Rx1+Rx2+Rx3)/3@10.2欧
①因电路连接正确,所以电压表并联在待测电阻的两端;这题有两种情况:小华选用甲或乙变阻器都可以,若选甲变阻器,则电源电压为6伏;小明用的是B变阻器,电源电压就是12伏;②当电压表示数最大时,电路中的电流最大,但是电流不可能相等,故电源电压为6伏的同学使用的是小量程测电流,而电源电压为12伏的同学改变了电流表量程,从原来的小量程改为大量程。
7.小红同学做“用电流表、电压表测电阻”实验,电源电压保持不变,实验所用器材齐全且完好。滑动变阻器所标的字样仅有“1.5安”清晰可见,其最大阻值可能是50欧或者20欧。小红正确串联电源、待测电阻、变阻器、电流表、电键等电路元件,并将变阻器的滑片移至其一端,在闭合电键时,观察到电流表的示数为0.2安,此时发现电压表未接入电路,于是将电压表并联在待测电阻的两端,继续移动变阻器的滑片,当滑片移到中点位置附近时,观察到两电表的指针位置如图11(a)(b)所示。她经过分析思考,调整电表的量程后继续实验,在移动变阻器滑片的过程中,发现当电压表示数最大时其指针位置如图11(c)所示。
请根据相关信息完成下列各题:
①图11(a)所示电压表的量程是,图11(b)所示电流表的量程是。
②图11(c)所示电压表的示数为伏。
③求实验中闭合电键,观察到电流表的示数为0.2安时,所测得待测电阻。(第③小题需写出简要的计算过程或理由)
【答案】①0 ~3伏; 0 ~0.6安;②12;③10欧。
【解析】①电压表的量程是0 ~3伏,图11(b)所示电流表的量程是0 ~0.6安,因为滑动变阻器所标的字样为“1.5安”;
②电压表用的是大量程(若小量程的话,最大电压是2.4伏,不存在的),所以电源电压为12伏,闭合电键时电流表的示数I为0.2安,变阻器接入电路电阻为最大值,此时电路中总电阻为
R = U/I=12伏/0.2安=60欧;
滑片在中点附近时电流表的示数I´为0.32安,此时电路中总电阻约为R´= U/I=12伏/0.32安=37.5欧;
两次电路总电阻的差值∆R = 22.5欧,约为变阻器最大值的一半,所以本实验所用变阻器的最大阻值为50欧,
③闭合电键时,滑动变阻器两端的电压UR=IR=0.2安×50欧=10伏,待测电阻两端的电压
Ux= U-UR=12伏-10伏= 2伏,待测电阻的阻值:
Rx=U/I=2伏/0.2安=10Ω。
1
相关资料
更多

