


2019中考物理真题分类汇编 力和机械 实验题1 弹力、重力、摩擦力的影响因素(共21题,有答案)
展开2019中考物理真题分类汇编 力和机械 实验题1 弹力、重力、摩擦力的影响因素(共21题,有答案)
1.(2019•株洲)用一把刻度尺和一支弹簧测力计探究弹性细绳的伸长量与所受拉力的定量关系。
如图甲所示,A、B分别为处于原长的一根弹性细绳的左右两端,R1和R2是固定在细绳上的两个标识。现将A端固定,用弹簧测力计将B端沿着细绳所在直线向右拉,R1、R2和B三点位置及弹簧测力计的读数如图乙、丙、丁所示。已知细绳始终处于弹性限度内。
(1)据甲图可知弹性细绳原长为 cm;乙图中测力计读数为 N。
(2)分析实验数据可知,在弹性限度内,弹性细绳是 (填“均匀”或“不均匀”)伸长的;伸长量与所受拉力 (填“成正比”或“不成正比”)。
(3)当标识R2刚好位于刻度尺上7.00cm位置时,R1位于刻度尺上 cm位置。现手持细绳两端,A端向左B端向右使它们沿绳所在直线同时匀速运动,若发现标识R2不动,则A、B两端的速度之比为 。
2.(2019•青岛)实验探究
(1)探究重力与质量的关系
①某同学用质量已知的钩码进行实验,根据测得的数据作出的G﹣m关系图象是一条过原点的直线a由此得出结论:物体受到的重力与它的质量成 比。
②他又正确测量了一个木块的质量和重力,并在同一坐标系中正确描点得到点A,如图所示。点A不在直线a上的主要原因是 。
(2)探究阻力对物体运动的影响
如图所示,将棉布铺在水平木板上,让小车从斜面顶端由静止滑下,小车在水平面上由于受到阻力,滑行一段距离后停止;去掉木板上的棉布,再次让小车从斜面顶端由静止滑下,运动的小车所受到的阻力减小,滑行的距离增大。
进一步推理:如果运动的小车受到的阻力为零,它将 。通过上述实验和推理可得:力不是维持物体运动状态的原因,而是 物体运动状态的原因。
(3)测量滑轮组的机械效率
实验装置和数据记录表如下:
次数 | 钩码重力G/N | 钩码上升的高度h/m | 绳端拉力F/N | 绳端移动的距离s/m | 机械效率η |
1 | 2.0 | 0.10 | 0.9 | 0.30 | 74.1% |
2 | 2.0 | 0.15 | 0.9 | 0.45 | 74.1% |
3 | 2.0 | 0.20 | 0.9 | 0.60 | 74.1% |
4 | 4.0 | 0.20 | 1.6 | 0.60 |
|
①第4次实验測得的机械效率为 。
②分析表中数据可得:利用相同的滑轮组提升同一物体,物体上升的高度不同,滑轮组的机械效率 ;提升不同的物体,物体的重力越大,滑轮组的机械效率越 。
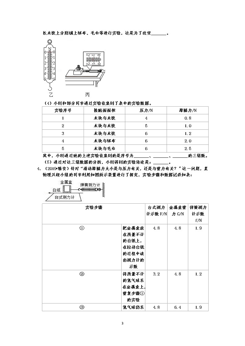
3.(2019•济南)在探究“影响滑动摩擦力大小的因素”的实验中,图甲所示是一些同学根据日常生活经验所作的猜想与假设,图乙是实验用到的弹簧测力计。
(1)图乙所示的弹簧测力计的测量范围(量程)是 ~ N。
(2)请你写出一个支持小刚猜想的日常生活事例: 。
(3)小刚为了验证自已的猜想,用如图丙所示的装置进行实验,还要在木块下面的水平长木板上分别铺上棉布、毛巾等进行实验,这是为了改变 。
(4)小刚和部分同学通过实验收集到了表中的实验数据。
实验序号 | 接触面面积 | 压力/N | 摩擦力/N |
1 | 木块与木板 | 4 | 0.8 |
2 | 木块与木板 | 5 | 1.0 |
3 | 木块与木板 | 6 | 1.2 |
4 | 木块与棉布 | 6 | 2.0 |
5 | 木块与毛巾 | 6 | 2.5 |
其中,小刚通过他的上述实验收集到的是序号为 、 、 的三组数。
(5)通过对这三组数据的分析,小刚得到的实验结论是: 。
4.(2019•雅安)针对“滑动摩擦力大小是与压力有关,还是与重力有关?”这一问题,某物理兴趣小组的同学利用如图所示装置进行了探究,实验步骤和数据记录如表:
实验步骤 | 台式测力计示数F/N | 金属盒重力G/N | 弹簧测力计示数f/N | |
① | 把金属盒放在质量不计的白纸上,在拉动白纸的过程中读出测力计的示数 | 4.8 | 4.8 | 1.9 |
② | 将质量不计的氢气球系在金属盒上,重复步骤①的实验 | 3.2 | 4.8 | 1.2 |
③ | 氢气球仍系在金属盒上,往金属盒加入适量的沙子,使台式测力计的示数为4.8N,再重复步骤步骤①的实验 | 4.8 | 6.4 | 1.9 |
(1)此实验是根据二力平衡原理 (选填“间接地”或“直接地”)测出摩擦力大小;
(2)实验步骤②使用氢气球是为了改变 (选填“金属盒对纸的压力”或“金属盒的重力”);
(3)根据实验步骤②、③的数据 (选填“能”或“不能”)说明摩擦力大小与压力有关;
(4)要分析摩擦力大小与重力大小是否有关,应选择 两组数据进行分析;
(5)与直接用弹簧测力计拉动金属盒测量摩擦力相比,拉动白纸进行实验有许多优点,以下说法中不是其优点的是 (选填字母序号)。
A.不需要匀速拉动白纸
B.测力计位置和示数较稳定
C.拉动白纸时所用拉力较小,能省力
5.(2019•朝阳)在探究“滑动摩擦力大小与压力的关系”实验中,小明选取了如下实验器材:长木板、木块、砝码、棉布、毛巾、弹簧测力计。
(1)在此实验中,运用的研究方法是 。
(2)开始拉木块时,水平拉力逐渐增大,但木块仍然静止,木块所受的摩擦力 (填“变大”、“变小”或“不变”)
(3)匀速直线拉动木块,弹簧测力计的示数如图甲所示,为 N。
(4)在木块上放上一个砝码,然后匀速直线拉动木块,弹簧测力计示数如图乙所示。通过甲、乙两次实验得出的初步结论是 。
(5)根据所提供的实验器材还可探究下列哪个实验
A.探究滑动摩擦力与接触面粗糙程度的关系
B.探究二力平衡的条件
6.(2019•本溪)在探究“滑动摩擦力的大小与哪些因素有关”的实验中,实验过程如图所示。
(1)在实验中应水平匀速直线拉动物体A,根据 原理测出滑动摩擦力的大小。
(2)比较甲、丙两次实验可以得出结论:在 相同时,接触面越 ,滑动摩擦力越大。
(3)在甲、乙两次匀速直线拉动物体的过程中,如果速度相同,甲、乙两次的拉力功率P甲
(填“>”、“=”或“<”)P乙,乙图中物体B (填“受”或“不受”)摩擦力。
(4)将实验进行了如图丁所示的改进:水平向左拉木板,木板相对于地面向左运动,物体A相对于地面保持静止,此时弹簧测力计的示数为0.8N,则物体A受到的滑动摩擦力是 N,方向 (填“向左”或
向右”),此过程中木板 (填“必须”或“不必”)匀速运动。
7.(2019•辽阳)红红用质量相等的木块和小车进行了以下力学实验。
(1)红红在探究“滑动摩擦力大小与什么因素有关”的实验中,每次她都应用弹簧测力计沿水平方向拉物体做 运动,测力计的示数分别如图甲所示,分析A、B两次实验数据可知, (填“木块”或“小车”)的表面更粗糙。根据A、C两次实验得出:接触面粗糙程度一定时,压力越 ,滑动摩擦力越大。
(2)在C实验中,若红红将拉力增加到3N(小车仍随木块一起运动),此时木块受到地面的摩擦力为 N,小车 (填“不受”或“受”)摩擦力的作用。
(3)如图乙所示,红红又进行了D、E、F三次实验。将小车在同一斜面同一高度由静止释放,分别在毛巾、棉布和木板三个表面水平运动,发现小车在木板表面运动的最远,说明阻力越 ,速度减小的越慢。由此推论出:如果运动的物体不受力,它将 。
8.(2019•通辽)在探究“滑动摩擦力大小与哪些因素有关”的实验中:
(1)此实验是根据 原理测出摩擦力大小的。
(2)小明刚开始拉木块时,他的水平拉力逐渐增大,但木块仍静止,木块所受的摩擦力 (选填“变大”、“变小”或“不变”);木块被拉动,且越来越快,小明读出某一时刻弹簧测力计的示数为3N,他认为这时摩擦力的大小为3N,他操作中的错误是 。
(3)改正错误后,小明完成了探究过程,比较乙、丙两次实验可得出的结论是 。
(4)在图甲、图乙实验中,假如把木板换成海绵,拿掉弹簧测力计,会发现 (选填“甲”或“乙”)图中海绵凹陷得更深。说明在受力面积一定时,压力作用效果与 有关。
9.(2019•黑龙江)某班级同学为了帮助体委解决参加学校拔河比赛的组队问题,做了如图1所示的“探究影响滑动摩擦力大小因素”的实验:
①分析总结:实验现象表明在拔河比赛中可以通过 接触面的粗糙程度和 来增大人与地面的摩擦力,使班级赢得比赛。
②科学决策:组队时在班级选体重 的同学参加比赛,同时在比赛时穿图2中的 (填“甲”、“乙”或“丙”)种鞋。
10.(2019•河南)在探究“影响滑动摩擦力大小的因素”的实验中,装置如图所示,铝块和木块的外形相同,一端带有定滑轮的长木板固定不动,铝块通过细线与弹簧测力计相连。(忽略滑轮的摩擦)
(1)图甲中,将铝块放在水平木板上,竖直向上拉测力计,当铝块沿水平方向做 运动时,铝块所受滑动摩擦力大小等于测力计的示数F1,则F1= N。
(2)比较甲、乙两次实验,可以得出:在 相同时, 越大,滑动摩擦力越大。
(3)图乙实验完成后,利用原有器材,还可进一步探究滑动摩擦力大小与接触面粗糙程度的关系,请你简要说明实验方案: 。
(4)请你判断:图丙中,铝块水平运动时所受滑动摩擦力 (选填“大于”、“等于”或“小于”)图甲中铝块所受滑动摩擦力。
11.(2019•山西)同学们利用如图甲所示的实验装置,测量物体所受的滑动摩擦力。
(1)实验中,应在水平方向拉着木块做 直线运动;根据 得出滑动摩擦力大小等于拉力大小,即等于弹簧测力计示数。
(2)“创新”小组在同一木板上,测量了不同压力下滑动摩擦力的大小,并根据测量数据作出了如图乙所示的图象,分析图象可以得出的结论是 。
次数 | 1 | 2 | 3 | 4 | 5 | 6 |
F压/N | 2.0 | 3.0 | 4.0 | 5.0 | 6.0 | 7.0 |
f/N | 0.8 | 1.3 | 1.6 | 1.9 | 2.4 | 2.8 |
(3)“牛顿”小组在桌面上也做了同样的实验,记录实验数据如上表,请你根据表格中的数据,在图乙中描点作出图象。对比分析两组图象你的新发现是 。
12.(2019•烟台)图所示的是小明同学“探究影响滑动摩擦力大小的因素”的实验,铁块和木块的大小和形状完全相同。
(1)实验时,小明同学先在竖直方向上对弹簧测力计调零,然后用弹簧测力计拉着物体沿水平方向做匀速直线运动,那么弹簧测力计的示数与实际摩擦力相比是偏大还是偏小?
(2)分析比较甲、乙两图弹簧测力计示数,得到的结论是什么?
(3)图乙、丙所示的实验过程,探究的问题是什么?
(4)图丁是小红同学对实验方案的改进,D是一个电动装置,可带动木板匀速运动,请你指出小红同学方案的优点。
13.(2019•天水)在“探究影响滑动摩擦力大小的因素”的实验中,小英做了如图甲所示的三次实验,用到了一个弹簧测力计、一个木块、一个砝码、两个材料相同但表面粗糙程度不同的长木板。实验中第1次和第2次用相同的长木板,第3次用表面更加粗糙的长木板。
(1)实验时用弹簧测力计沿水平方向拉动木块,使其在水平桌面做 运动,根据二力平衡知识,可知滑动摩擦力的大小 (选填“大于”“等于”或“小于”)拉力的大小。
(2)比较1、2两次实验,得出结论: 。
(3)刚开始小英做第1次实验时控制不好力度,拉力随时间变化的图象如图乙所示,木块的速度随时间变化的图象如图丙所示,则木块在第7s时的摩擦力为 N。
14.(2019•福建)如图是“测量滑动摩擦力大小”的实验装置示意图。
(1)如图甲中,将木板固定水平拉动木块,木块受到的滑动摩擦力与其受到的水平拉力 大小相等;图乙中,水平拉动木板,待测力计示数稳定后,木块受到的滑动摩擦力与其受到的水平拉力 大小相等。(选填“一定”或“不一定“)
(2)如图丙中,水平拉动木板,待测力计示数稳定后,测力计A的示数为4.0N,测力计B的示数为2.5N,木块受到的滑动摩擦力大小为 N.若增大拉力,当A的示数为4.8N时,B的示数为 N。
15.(2019•北京)某同学为了测出木块A在水平桌面上运动的过程中所受滑动摩擦力的大小,采用了如图所示的实验装置。
(1)他用弹簧测力计水平拉动木块A,应使木块A沿水平桌面做 直线运动。
(2)请你画出(1)中木块A的受力示意图,并分析说明这种运动状态下,弹簧测力计的示数能表示木块A所受滑动摩擦力大小的依据。
16.(2019•湘潭)图所示是探究影响滑动摩擦力大小因素的实验装置。长方体小木块正面和侧面面积不同而粗糙程度相同,长木板一面为较光滑的木板面,另一面是粗糙的布面。选择不同的接触面,改变木块对木板的压力,依次实验,将每次测量结果填入下表。
(1)拉着长木板水平向左运动,当测力计示数稳定时,测力计的拉力 (选填“等于”或“不等于”)小木块受到的滑动摩擦力。
实验序号 | 木块与木板的接触面 | 压力 | 测力计示数 |
1 | 木块正面与木板面 | 2.0N | 0.6N |
2 | 木块正面与木板面 | 4.0N | 1.2N |
3 | 木块正面与木板面 | 6.0N | 1.8N |
4 | 木块侧面与木板面 | 2.0N | 0.6N |
5 | 木块侧面与布面 | 2.0N | 1.0N |
6 | 木块正面与布面 | 2.0N |
|
(2)测力计使用前要观察量程、分度值,以及指针是否指在 。
(3)由实验1、4可知,滑动摩擦力的大小与接触面的面积 (选填“有关”或“无关”),则实验6空格中的数据应该是 N。
(4)由实验4、5可知,其他条件相同时,接触面越粗糙,滑动摩擦力越 。
(5)由实验1、2、3可知,其他条件相同时,滑动摩擦力的大小与压力大小成 比,这里主要采用的硏究方法是 (选填“控制变量法”或“理想实验法”)。
17.(2019•岳阳)在“探究滑动摩擦力的大小与什么有关”实验中,
(1)如图,将长方体木块置于水平木板上,用弹簧测力计沿水平方向匀速拉动木块,滑动摩擦力大小 (填“大于”“小于”或“等于”)弹簧测力计示数。
(2)实验记录的数据如下表:
序号 | 木块放置情况 | 接触面 | 压力F/N | 弹簧测力计示数/N |
1 | 平放 | 木板 | 4 | 1.2 |
2 | 平放 | 木板 | 6 | 1.8 |
3 | 平放 | 木板 | 8 | 2.4 |
4 | 侧放 | 木板 | 8 | 2.4 |
5 | 平放 | 木板上铺棉布 | 6 | 2.6 |
6 | 平放 | 木板上铺毛巾 | 6 | 3.2 |
①分析2、5、6三组实验数据,可得到相关结论,下列实例与结论相符的是 。(填字母代号)
A.用力压黑板擦擦去黑板上的粉笔字 B.汽车轮胎上有凹凸不平的花纹
②分析 (填序号)两组数据可得:滑动摩擦力大小跟接触面的面积无关。
③分析1、2、3三组实验数据,可以写出滑动摩擦力f与压力F的关系式为:f= 。
18.(2019•宿迁)如图是“探究影响滑动摩擦力大小的因素”的实验装置。
(1)三次实验中,每次都用弹簧测力计沿水平方向拉着木板做 运动。
(2)比较 两次实验,可以探究滑动摩擦力的大小与接触面的粗糙程度有关。
(3)根据乙、丙两次实验的探究结论,请说出一条你在生活中应用的例子: 。
19.(2019•扬州)在“探究影响滑动摩擦力大小因素”的实验中。
(1)如图所示,为测出滑动摩擦力大小,三次实验中均用弹簧测力计沿水平方向 拉动木块A,弹簧测力计的示数F1<F2<F3,图中F3为 N。
(2)丙图中,若增大弹簧测力计的拉力,此时木块A所受滑动摩擦力 (变大/变小/不变),木块A上面的砝码 (受/不受)摩擦力。
(3)比较 两幅图,可得出:压力相同时,接触面越粗糙滑动摩擦力越大。
20.(2019•达州)小明按如下步骤完成探究“影响滑动摩擦力大小的因素”的实验:
a.如图1中甲图所示,将木块A平放在长木板B上,缓缓地匀速拉动木块A,保持弹簧测力计示数稳定,并记录了其示数。
b.如图1中乙图所示,将毛巾固定在长木板B上,木块A平放在毛巾上,缓缓地匀速拉动木块A,保持弹簧测力计示数稳定,并记录了其示数。
c.如图1中丙图所示,将木块A平放在长木板B上,并在木块A上放一钩码,缓缓地匀速拉动木块A,保持弹簧测力计示数稳定,并记录了其示数。
(1)该实验主要采用的探究方法是 。
(2)由图1中 两图可知:当接触面粗糙程度一定时,接触面受到的压力越大,滑动摩擦力越大。
(3)由图1中甲乙两图可知:当接触面受到的压力一定时,接触面越粗糙滑动摩擦力越 (选填“大”或“小”)。
(4)实验后小组交流讨论时发现:在实验中很难使木块做匀速直线运动。于是小丽设计了如图1中丁图所示的实验装置,该装置的优点是 长木板做匀速直线运动(选填“需要”或“不需要”)。实验中小丽发现:当F为3N时,木块A相对于地面静止且长木板B刚好做匀速直线运动,则长木板B受到地面的摩擦力大小为 N。
(5)实验拓展:如图2所示,放在水平地面上的物体C受到方向不变的水平拉力F的作用,F﹣t和v﹣t图象分别如图3图4所示。则物体C在第4秒时受到的摩擦力大小为 N。
21.(2019•安徽)图为研究“影响滑动摩擦力大小的因素”实验的示意图。
实验的过程为:
a.用弹簧测力计缓缓拉动木块。使它沿水平长木板滑动,当测力计示数稳定后,该示数即为此状态下滑动摩擦力的大小。
b.改变放在木块上的砝码。测出此种情况下的滑动摩擦力。
c.换用材料相同但表面粗糙的长木板,保持木块上的砝码不变,测出此种情况下的滑动摩擦力。
…
(1)该实验的原理是: ;
(2)该实验的结论是: 。
参考答案
1.3.00;1.6;均匀;成正比;3.50;2:1; 2.正;在测量质量和重力的过程中不可避免的会出现误差;匀速直线运动;改变;83.3%;相同;大; 3.0;5;穿着鞋底有深花纹的运动鞋不容易滑倒;接触面的粗糙程度;3;4;5;压力大小相同时,接触面越粗糙,滑动摩擦力越大; 4.间接地;金属盒对纸的压力;不能;①③;C; 5.控制变量法;变大;2;在接触面粗糙程度相同时,压力越大,滑动摩擦力越大;A; 6.二力平衡;压力;粗糙;<;不受;0.8;向左;不必; 7.匀速直线;小车;大;2.8;受;小;做匀速直线运动; 8.二力平衡;变大;没有使物体做匀速直线运动;压力相同时,接触面越粗糙,滑动摩擦力越大;乙;压力; 9.增大;压力;大;甲; 10.匀速直线;1.6;接触面粗糙程度;压力;将木块与铝块互换位置,重复实验,比较两次弹簧测力计的示数;等于; 11.匀速;二力平衡;同一木板,滑动摩擦力的大小与压力的大小成正比;木板和桌面的粗糙程度不同; 12. ; 13.匀速直线;等于;在接触面粗糙程度一定时,压力越大,摩擦力越大;3; 14.不一定;一定;2.5;2.5; 15.匀速; 16.等于;零刻度线处;无关;1.0;大;正;控制变量法; 17.等于;B;3、4;0.3F; 18.匀速直线;甲乙;自行车刹车时,要用力捏紧车闸; 19.匀速直线;2.4;不变;受;甲乙; 20.控制变量法;甲丙;大;不需要;1.8;4; 21.二力平衡;滑动摩擦力的大小跟压力大小及接触面的粗糙程度有关;