


河北省衡水市枣强中学2020届高三第四次月考化学 试卷
展开河北省衡水市枣强中学2020届高三第四次月考
可能用到的相对原子质量:H-1 C-12 O-16
一、单选题
7.《梦溪笔谈》中记载:“解州盐泽.....卤色正赤,在版泉之下,俚俗谓之“蚩尤血’。.....唯巫咸水入,则盐不复结,故人谓之‘无咸河.....原其理,盖巫咸乃浊水,入卤中,则淤淀卤脉,盐遂不成,非有他异也”。下列有关说法正确的是( )
A.“卤色正赤”的原因为水中含有Fe2+
B.“巫咸水乃浊水”指巫咸水是悬浊液
C.“巫咸水入卤中”发生了胶体的聚沉.
D.解州盐泽带负电荷,巫咸水带正电荷
8.海冰是海水冻结而成的咸水冰。海水冻结时,部分来不及流走的盐分以卤汁的形式被包围在冰晶之间,形成“盐泡” (假设盐泡以NaCl计),其大致结构如下图所示,若海冰的冰龄达到1年以上,融化后的水为淡水。下列叙述正确的是 ( )
A.海冰内层“盐泡”越多,密度越小
B.海冰冰龄越长,内层的“盐泡”越多
C.海冰内层“盐泡”内的盐分主要以NaCl分子的形式存在
D.海冰内层NaCl的浓度约为10-4mol/L(设冰的密度为0.9g/cm3)
9.某种化合物的结构如图所示,其中X、Y、Z、Q、W为原子序数依次增大的五种短周期元素,Q核外最外层电子数与Y核外电子总数相同,X的原子半径是元素周期表中最小的。下列叙述正确的是( )
A.WX的水溶液呈中性
B.元素非金属性的顺序为Y>Z>Q
C.Z的最高价氧化物对应的水化物是一元强酸
D.该化合物中与Y单键相连的Q不满足8电子稳定结构
10.下列关于有机化合物的说法中,正确的是( )
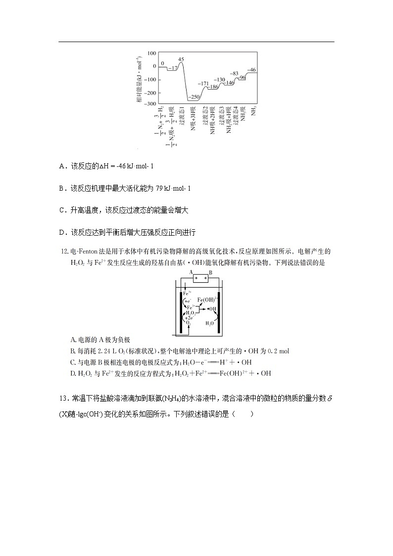
11.合成氨反应N2(g)+ H2(g) ==NH3(g) △H 的反应机理如图所示,图中“吸”表示各气态物质在催化剂表面吸附。下列说法错误的是( )
A.该反应的△H = -46 kJ·mol- 1
B.该反应机理中最大活化能为79 kJ·mol- 1
C.升高温度,该反应过渡态的能量会增大
D.该反应达到平衡后增大压强反应正向进行
13.常温下将盐酸溶液滴加到联氨(N2H4)的水溶液中,混合溶液中的微粒的物质的量分数(X)随-lgc(OH-) 变化的关系如图所示。下列叙述错误的是( )
A.Kb1(N2H4)=10-6
B.反应N2H62++N2H42N2H5+的pK=9.0(已知:Pk=-lgK)
C.N2H5Cl溶液中c(H+)>c(OH-)
D.N2H5Cl溶液中存在c(Cl-)+c(OH-)=c(N2H5+)+2c(N2H62+)+c(H+)
二、非选择题
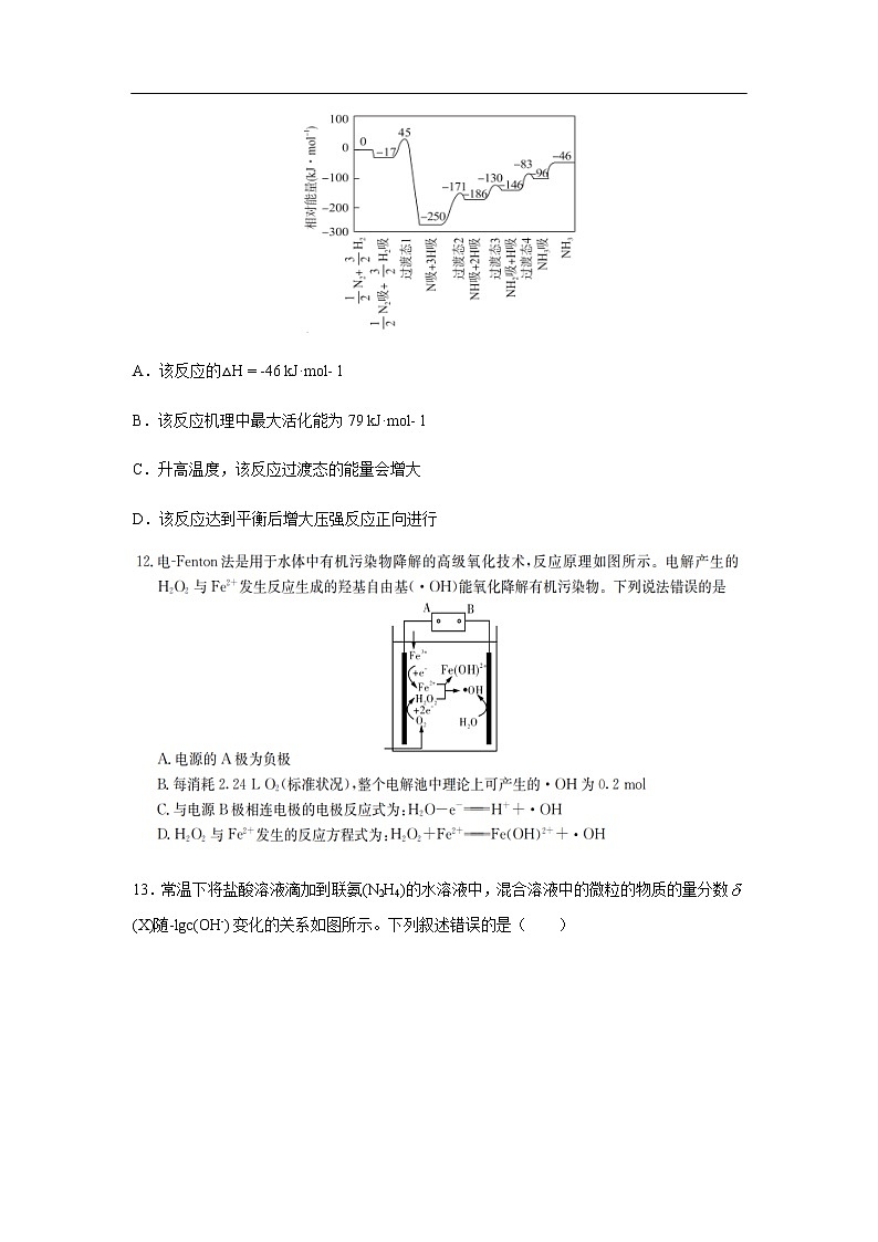
26.(15分)氯气、氨气和二氧化硫三种气体均是重要的化工原料且都会对环境造成污染,某课外活动小组拟探究三者的部分性质。
Ⅰ.利用如图装置探究干燥的氯气与氨气之间的反应。
(1)请从备选装置中选择适当的装置连入虚线框中,组成一套完整的探究干燥的氯气与氨气之间的反应的装置,用备选装置序号填空:B_____、D____、E____。
(2)装置A中的烧瓶内固体宜选用____(选填以下选项的字母)。
A 烧碱 B 生石灰 C 二氧化硅 D 五氧化二磷
(3)实验时先打开a、c活塞,关闭b活塞,向烧瓶中先通入氨气,然后关闭c活塞,打开b活塞,再向烧瓶中通入氯气,实验中装置C的烧瓶内出现浓厚的白烟并在容器内壁凝结,试推测发生反应的化学方程式为8NH3+3Cl2=6NH4Cl+N2。实验完毕后观察到C烧瓶内还有黄绿色气体,简述如何处理才能不污染环境_____________________________________。
Ⅱ.探究干燥的氯气和SO2的反应:SO2(g)+Cl2(g)SO2Cl2(l) ΔH=-97.3 kJ·mol-1。硫酰氯(SO2Cl2)通常条件下为无色液体,熔点为-54.1 ℃,沸点为69.1 ℃,在潮湿空气中“发烟”,100 ℃以上开始分解,生成二氧化硫和氯气,长期放置也会发生分解。该小组同学用A装置制取SO2,分液漏斗中加入浓硫酸,圆底烧瓶中加入Na2SO3固体,B选择备选装置Ⅱ,将C装置用如图所示的装置甲替换,其余的装置不变来完成探究实验。
(4)装置甲中仪器G的名称为____________,甲中活性炭的作用是____________________。
(5)如果去掉装置B、D,则在甲的三颈烧瓶中可能发生反应的化学方程式为____________________________________________。
(6)为提高本实验中硫酰氯的产率,在实验操作中需要注意的事项有______(填序号)。
A 先通冷凝水,再通气
B 控制气流速率,宜慢不宜快
C 若三颈烧瓶发烫,可适当降温
D 加热三颈烧瓶
27.(14分)2019年诺贝尔化学奖颁给了日本吉野彰等三人,以表彰他们对锂离子电池研发的卓越贡献。
(1)自然界中主要的锂矿物为锂辉石、锂云母、透锂长石和磷锂铝石等。为鉴定某矿石中是否含有锂元素,可以采用焰色反应来进行鉴定,当观察到火焰呈____,可以认为存在锂元素。
A.紫红色 B.紫色 C.黄色
(2)工业中利用锂辉石(主要成分为LiAlSi2O6,还含有FeO、CaO、MgO等)制备钴酸锂(LiCoO2)的流程如下:
已知:部分金属氢氧化物的pKsp(pKsp=-lgKsp)的柱状图如图1。
回答下列问题:
①锂辉石的主要成分为LiAlSi2O6,其氧化物的形式为__________。
②为提高“酸化焙烧”效率,常采取的措施是__________________________________。
③向“浸出液”中加入CaCO3,其目的是除去“酸化焙烧”中过量的硫酸,控制pH使Fe3+、A13+完全沉淀,则pH至少为_______。(保留到小数点后一位。已知:完全沉淀后离子浓度低于1×l0-5)mol/L)
④常温下,已知Ksp[ Mg(OH)2]=3.2×10-11mol/L,Ksp[Fe(OH)3]=2.7×10﹣39,若将足量的Mg(OH)2和Fe(OH)3分别投入水中均得到其相应的悬浊液,所得溶液中金属阳离子的浓度分别为 mol/L、 mol/L。
⑤“沉锂”过程所获得的“母液”中仍含有大量的Li+,可将其加入到“___________”步骤中。
⑥Li2CO3与Co3O4在敞口容器中高温下焙烧生成钴酸锂的化学方程式为__________________________________
(3)利用锂离子能在石墨烯表面和电极之间快速大量穿梭运动的特性,开发出石墨烯电池,电池反应式为LiCoO2+C6 LixC6+Li1-xCoO2 ,其工作原理如图2。
下列关于该电池的说法正确的是___________(填字母)。
A.电池反应式中过程1为放电过程
B.该电池若用隔膜可选用质子交换膜
C.石墨烯电池的优点是提高电池的储锂容量进而提高能量密度
D.充电时,LiCoO2 极发生的电极反应为LiCoO2-xe-=xLi++Li1-xCoO2
E.对废旧的该电池进行“放电处理”让Li+嵌入石墨烯中而有利于回收
28.(14分)乙烯、苯乙烯均是重要的化工原料。
工业上可用乙苯催化脱氢方法制备苯乙烯
已知部分化学键的键能如下:
化学键 | C-H | C-C | H-H | |
键能/(kJ/mol) | 412 | 348 | 612 | 436 |
则+H2(g)的________kJ/mol。
实际生产中常在恒压条件下掺入高温水蒸气作为反应体系的稀释剂水蒸气不参加反应。在一定压强、900 K的条件下,乙苯的平衡转化率随着的增大而________填“增大”“减小”或“不变”。随着反应的进行,少量积碳会使催化剂活性减弱,水蒸气还有利于恢复催化剂活性,原因是__________________________________用化学方程式表示。
苯乙烯可由乙苯和催化脱氢制得。其反应历程如下:
乙苯平衡转化率与的关系如图所示,当P(CO2)< 15 kPa时,乙苯平衡转化率随着增大而增大,其原因是__________________________,当P(CO2)> 15 kPa时,乙苯平衡转化率随着增大反而减小,其原因是____________________________。
研究表明金属次卟啉二甲酯能够顺利地选择性催化氧化苯乙烯生成苯甲醛,以该反应原理设计成酸性燃料电池,则电池负极的电极反应式为 ____________________________。若该电池消耗标准状况下22.4L的,则外电路中理论上转移电子的物质的量为__________。
(4)上海交通大学仇毅翔等研究了不同含金化合物催化乙烯加氢的反应历程如下图所示:
则____________,催化乙烯加氢效果较好的催化剂是________(选填“”或“”)。
35.(15分)【物质结构与性质】
硅电池、锂离子电池都是现代高性能电池的代表,高性能的电极材料与物质结构密切相关。
(l) LiFePO4因具有良好的结构稳定性而成为新一代正极材料,这与PO43-的结构密切相关,PO43-的立体构型为________。P、O、S的电负性从大到小的顺序为________________
(2)通常在电极材料表面进行“碳”包覆处理以增强其导电性。抗坏血酸常被用作碳包覆的碳源,其易溶于水的原因是 _________________________________________,抗坏血酸中碳原子的杂化方式为 ___,1mol抗坏血酸中手性碳原子的数目为______。(取材于选修3课本51页)。
(3) Li+过度脱出易导致锂电池结构坍塌产生O2而爆炸,实验证实O2因具有单电子而成为顺磁性分子,下列结构式(黑点代表电子)中最有可能代表O2分子结构的是____(填标号)。
A. B. C. D.
(4)目前最常用的电极材料有锂钴复合氧化物和石墨。
①锂钴复合氧化物中Li、Co、O分别形成了六边层状结构(图a),按照Li-O-Co-O-Li–O-Co-O- Li--顺序排列,则该化合物的化学式为______,Co3+的价层电子排布式为_____________。
②石墨晶胞(图b)层间距为d pm,C—C键长为a pm,石墨晶体的密度为p g/cm3,列式表示阿伏加德罗常数为____mol-l。
(5)硅酸盐中Si元素一般显+4价,如下图所示是一种无限长单键的多聚硅酸根离子的结构,其中“”表示Si原子,“”表示氧原子,则该长链硅酸根离子的通式为 。
36.(15分)【有机化学基础】
有机物X是药物的中间体,它的一种合成路线如下。
已知:RNH2++H2O
(1)A无支链,A中含有的官能团名称是_____________。
(2)A连续氧化的步骤如下:
A转化为B的化学方程式是_____________________________________________。
(3)M为芳香化合物,其结构简式是_____________。
(4)M→N的化学方程式是_____________________________________________________,反应类型是_________________。
(5)下列说法不正确的是_____________。
a.1molD与NaOH溶液反应时,最多消耗2molNaOH
b.E在一定条件下可生成高分子化合物
c.F能发生酯化反应和消去反应
(6)Q的结构简式是_____________。
(7)以乙烯为起始原料,选用必要的无机试剂合成A,写出合成路线___________________(用结构简式表示有机物,用箭头表示转化关系,箭头上注明试剂和反应条件)。
【参考答案】
一、单选题
7.C 8.D 9.C 10.D 11.C 12.B 13.B
26.【答案】 (15分)
I.(1)Ⅰ(1分) Ⅱ(1分) Ⅲ(1分)
(2)AB (2分)
(3)打开活塞c,再打开活塞a或b,向C装置的烧瓶中鼓入足量空气(2分)
II.(4)冷凝管(或球形冷凝管)(2分) 催化剂(2分)
(5)Cl2+SO2+2H2O=H2SO4+2HCl (2分)
(6)ABC (2分,漏选得1分,出现错误选项不得分)
27.【答案】(14分)
(1)A (1分)
(2)①Li2O·Al2O3·4SiO2 (1分)(其他形式均不得分)
②将矿石细麿(搅拌、升高温度或其他合理答案) (1分)
③4.7 (2分,写成分数不得分)
④2×10﹣4 (2分) 2.7×10﹣18 (2分)
⑤净化 (1分)
⑥6Li2CO3+4Co3O4+O212LiCoO2+6CO2 (2分)(反应条件不扣分)
(3)CD (2分)
28. 【答案】(14分)
(1)① 或+124(1分) ②增大(1分) (2分)(反应条件不扣分)
(2) 随着压强增大,反应物浓度增大,促进平衡向右移动 (1分)
过多的会造成催化剂表面乙苯的吸附下降 (1分)
(3)-8e-+3H2O=+8 H++CO2 (2分)
4mol (2分)(不写单位不给分)
(4)(2分)(不写负号不给分) (2分)
35. 【答案】(15分)
(1)正四面体(1分) O>S>P (1分)
(2)分子中含有多个羟基,可与水分子间形成氢键(1分) sp2、sp3 (2分,漏选得1分) 2NA (1分)
(3)B (1分)
(4)①LiCoO2 (2分)(CoLiO2也给分) 3d6 (2分) ② (2分)
(5) (SinO3n+1)(2n+2)- (2分)
【①SinO3n+1(2n+2)-也给分; 但是,②SiO32-不给分;③(SiO3)n2n-不给分】
36. 【答案】(15分)
(1) 羟基 (1分)
(2) 2CH3CH2CH2CH2OH+O22CH3CH2CH2CHO+2H2O (2分)
(3) (2分)
(4) +HNO3+H2O (2分) 取代反应 (1分)
(5) c (2分)
(6) (2分)
(7) CH2=CH2CH3CH2OHCH3CHOCH3CH=CHCHO CH3CH2CH2CH2OH (3分)