所属成套资源:(浙江专用)中考数学二轮提升练习 (2份,原卷版+解析版)
(浙江专用)中考数学二轮提升练习重点04 中考数学解答题压轴题训练(2份,原卷版+解析版)
展开
这是一份(浙江专用)中考数学二轮提升练习重点04 中考数学解答题压轴题训练(2份,原卷版+解析版),文件包含浙江专用中考数学二轮提升练习重点04中考数学解答题压轴题训练原卷版doc、浙江专用中考数学二轮提升练习重点04中考数学解答题压轴题训练解析版doc等2份试卷配套教学资源,其中试卷共67页, 欢迎下载使用。
(Ⅰ)若a=b=1,c=﹣1,求该抛物线与x轴公共点的坐标;
(Ⅱ)若a=b=1,且当﹣1<x<1时,抛物线与x轴有且只有一个公共点,求c的取值范围;
(Ⅲ)若a+b+c=0,且x1=0时,对应的y1>0;x2=1时,对应的y2>0,试判断当0<x<1时,抛物线与x轴是否有公共点?若有,请证明你的结论;若没有,阐述理由.
【分析】(Ⅰ)把a,b,c的值代入可得抛物线的解析式,求出两根即可;
(Ⅱ)把a,b代入解析式可得△=4﹣12c≥0,等于0时可直接求得c的值;求出y的相应的值后可得c的取值范围;
(Ⅲ)抛物线y=3ax2+2bx+c与x轴公共点的个数就是一元二次方程3ax2+2bx+c=0的实数根的个数,因此,本题的解答就是研究在不同的条件下一元二次方程3ax2+2bx+c=0根的判别式的符号,依据判别式的符号得出相应的结论.
【解答】解:(Ⅰ)当a=b=1,c=﹣1时,抛物线为y=3x2+2x﹣1,
方程3x2+2x﹣1=0的两个根为x1=﹣1,.
∴该抛物线与x轴公共点的坐标是(﹣1,0)和(,0);
(Ⅱ)当a=b=1时,抛物线为y=3x2+2x+c,且与x轴有公共点.
对于方程3x2+2x+c=0,判别式Δ=4﹣12c≥0,有c≤.
①当时,由方程3x2+2x+=0,解得x1=x2=﹣.
此时抛物线为y=3x2+2x+与x轴只有一个公共点(﹣,0);
②当时,x1=﹣1时,y1=3﹣2+c=1+c;
x2=1时,y2=3+2+c=5+c.
由已知﹣1<x<1时,该抛物线与x轴有且只有一个公共点,考虑其对称轴为,
应有即,
解得﹣5<c≤﹣1.
综上,或﹣5<c≤﹣1.
(Ⅲ)对于二次函数y=3ax2+2bx+c,
由已知x1=0时,y1=c>0;
x2=1时,y2=3a+2b+c>0,
又∵a+b+c=0,
∴3a+2b+c=(a+b+c)+2a+b=2a+b.
∴2a+b>0.
∵b=﹣a﹣c,
∴2a﹣a﹣c>0,即a﹣c>0.
∴a>c>0.
∵关于x的一元二次方程3ax2+2bx+c=0的判别式Δ=4b2﹣12ac=4(a+c)2﹣12ac=4[(a﹣c)2+ac]>0,
∴抛物线y=3ax2+2bx+c与x轴有两个公共点,顶点在x轴下方.
又该抛物线的对称轴,
由a+b+c=0,c>0,2a+b>0,
得﹣2a<b<﹣a,
∴.
∴对称轴大于0小于1
又由已知当x1=0时,y1>0;
x2=1时,y2>0,
可知在0<x<1范围内,所以在0到1至少有一个公共点.
2.(2023•文成县一模)根据以下素材,探索完成任务.
【分析】任务一:用待定系数法求解即可;
任务二:先求出点D的纵坐标,代入解析式求出点C和点D的横坐标,求出开口宽度,然后可求出每边这样的图案最多可以摆放几个;
任务三:设较大的抛物线段m条,较小抛物线n条,可得40m+30n≤200 (m,n为正整数,且m≤5),然后讨论即可.
【解答】解:任务一:由题意得:AB=200÷5=40(m),点B的坐标为(20,0.8),
设抛物线解析式为y=ax2,
将B点坐标代入解析式得:0.8=400a,
解得a=,
∴抛物线解析式为y=x2;
任务二:h=0.7时,点D的纵坐标为:(1.6﹣0.7)÷2=0.45,
当y=0.45时,代入y=x2,
得0.45=x2,
解得x1=﹣15,x2=15,
∴CD=30,
200÷30=6,
∴这样的抛物线图案每边最多可以摆放6个;
任务三:设较大的抛物线可以摆放m条,较小的抛物线n条,
由以上条件可知:AB=40,CD=30,
40m+30n≤200(m,n为正整数,且m≤5),
①m=1,n=5(不能对称摆放,舍去),
②m=1,n=4(中间摆1个较大的,左右摆2个较小的,两边各余20米,符合题意),
③m=2,n=4(中间摆2个较大的,左右摆2个较小的,两边各余20米,符合题意),
④m=3,n=2(中间摆3个较大的,左右摆1个较小的,两边各余10米,符合题意).
⑤m=4,n=1(不对称摆放,舍去),
综上所述,方案1:较大的抛物线段1条,较小的抛物线4条;方案2:较大的抛物线段1条,较小的抛物线4条;方案3:较大的抛物线段3条,较小的抛物线2条.
3.(2023•南浔区一模)单板滑雪大跳台是北京冬奥会比赛项目之一,滑雪大跳台在设计时融入了敦煌壁画中“飞天”的元素,故又名“雪飞天”.图1为“雪飞天”滑雪大跳台赛道的横截面示意图.运动员从D点起跳后到着陆坡AC着落时的飞行路线可以看作是抛物线的一部分,取水平线OC为x轴,铅垂线OB为y轴,建立平面直角坐标示如图2,从起跳到着落的过程中,运动员的铅垂高度y(单位:m)与水平距离x(单位:m)近似满足函数关系y=a(x﹣h)2+k(a<0).在着陆坡AC上设置点K(32,4)作为标准点,着陆点在K点或超过K点视为成绩达标.
(1)在某运动员的一次试跳中,测得该运动员的水平距离x与铅垂高度y的几组数据如下:
根据上述数据,直接写出该运动员铅垂高度的最大值,并求出满足的函数关系式;
(2)请问在此次试跳中,该运动员的成绩是否达标?
(3)此次试跳中,该运动员在空中从起跳到达最高点的高度或从最高点到下落的高度h(m)与时间t(s)均满足h=gt2(其中g为常数,表示重力加速度,取10m/s2),运动员要完成“飞天”动作至少在空中要停留3秒钟,问该运动员从起跳到落地能完成动作吗?
【分析】( 1)根据题意可得抛物线的顶点坐标为(10,25.00),从而得到抛物线的解析式为y=a(x﹣10)2+25,再把点(0,20)代入,即可求解;
(2)把x=32代入(1)中解析式,即可求解;
(3)分别把h=20和h=0.8代入h=gt2,求出t的值,即可求解.
【解答】解:(1)根据题意得,抛物线的顶点坐标为(10,25.00),
∴抛物线的解析式为y=a(x﹣10)2+25,
即h=10,k=25,
即该运动员铅垂高度的最大值为25m;
把点(0.20)代入y=a(x﹣10)2+25得:20=a(0﹣10)2+25,
解得:a=﹣,
∴满足的函数关系式为y=﹣(x﹣10)2+25;
(2)当x=32时,y=﹣(32﹣10)2+25=0.8<4,
∴该运动员的成绩不达标;
(3)当h=20时,20=×10t2,
解得:t=2或t=﹣2,
当h=5时,5=×10t2,
解得:t=1或t=﹣1,
∴该运动员从起跳到落地所用时间为2+1=3,
∵运动员要完成“飞天”动作至少在空中要停留3秒钟,
∴该运动员从起跳到落地不能完成动作.
4.(2023•金东区一模)如图1,已知排球场的长度为18m,宽9m,位于球场中线处的球网AB的高,度为2.24m.一球员定点发球技术非常稳定,当他站在底线中点O处发球时,排球运动轨迹迹是如图2的抛物线,C点为击球点,OC=1.8m,球飞行到达最高点F处时,其高度为2.6m,F与C的水平之距为6m,以O为原点建立如图所示的平面直角坐标系(排球大小)忽略不计).
(1)当他站在底线中点O处向正前方发球时,
①求排球飞行的高度y与水平距离x之间的函数关系式(不用写x的取值范围).
②这次所发的球能够过网吗?如果能够过网,是否会出界?并说明理由.
(2)假设该球员改变发球方向和击球点高度时球运动轨迹的抛物线形状不变,在点O处上方击球,要使球落在①号区域(以对方场地的边线底线交点M为圆心,半径为1.5m的扇形)内,球员跳起的高度范围是多少?(≈4.12,结果保留两位小数)
【分析】(1)根据题意设出抛物线解析式y=a(x﹣6)2+2.6,再把(0,1.8)代入解析式求出a即可;
(2)把x=9代入解析式求出y的值,再令y=0,解方程求出x的值即可;
(3)先求出OM的值,设出抛物线解析式,再分三种情况讨论即可.
【解答】解:(1)根据题意设抛物线解析式为y=a(x﹣6)2+2.6,
把C(0,1.8)代入解析式,得a(0﹣6)2+2.6=1.8,
解得a=﹣,
∴排球飞行的高度y与水平距离x之间的函数关系式为y=﹣(x﹣6)2+2.6=﹣x2+x+;
②当x=9时,y=﹣(9﹣6)2+2.6=2.4>2.24,
∴这次所发的球能够过网;
令y=0,则﹣(x﹣6)2+2.6=0,
解得x1=6+3,x2=6﹣3(舍去),
∵6+3<18,
∴不会出界;
(2)根据题意得,抛物线解析式为y=﹣x2+x+c,
OM==≈4.5×4.12=18.54,
①当球落在点M时,即当x=时,y=0,
∴﹣()2+×+c=0,
解得c=≈2.71;
②当球落在圆弧上时,x=18.54﹣1.5=17.04时,y=0,
∴﹣(17.04)2+×17.04+c=0,
解得c≈1.91;
③当球过球网AB时,即x=时,y=2.24,
∴﹣()2+×+c=2.24,
解得c≈1.68.
∴球员跳起的高度范围是1.91≤h≤2.71.
5.(2023•柯城区校级一模)中国在2022年北京冬奥会上向全世界展示了“胸怀大局,自信开放,迎难而上,追求卓越,共创未来”的北京冬奥精神.跳台滑雪是北京冬奥会的比赛项目之一,图中是某跳台滑雪场地的截面示意图.平台AB长1米(即AB=1),平台AB距地面18米.以地面所在直线为x轴,过点B垂直于地面的直线为y轴,取1米为单位长度,建立平面直角坐标系.已知滑道对应的函数为y=x2﹣4x+c(x≥1).运动员(看成点)在BA方向获得速度v米/秒后,从A处向右下飞向滑道,点M是下落过程中的某位置(忽略空气阻力).设运动员飞出时间为t秒,运动员与点A的竖直距离为h米,运动员与点A的水平距离为l米,经实验表明:h=6t2,l=vt
(1)求滑道对应的函数表达式;
(2)当v=5,t=1时,通过计算判断运动员此时是否已落在滑道上;
(3)在某一次的试跳中,运动员甲从A处飞出,飞出的路径近似看作函数y=﹣x2+x+图象的一部分,根据实践可知,若运动员在飞行的过程中,存在飞行的高度与跳台滑道的垂直距离在8~10米的范围内即可成功,请你通过计算说明该运动员此次试跳是否能成功.
【分析】(1)将A(1,18)代入y=x2﹣4x+c求出c,进而得出函数的解析式;
(2)可求得M的坐标,代入验证是否符合函数的解析式,进一步得出结果;
(3)设飞行的高度与跳台滑道的垂直距离为:y′,求出其函数关系式,得出其顶点坐标,进而得出结论.
【解答】解:(1)将x=1,y=18代入y=﹣4x+c得,
18=﹣4+c,
∴c=,
∴y=;
(2)当v=5,t=1时,
h=6,l=5,
∴M(5+1,18﹣6),即(6,12),
当x=6时,y=﹣4×6+=5≠12,
∴运动员没有落在滑道上;
(3)设飞行的高度与跳台滑道的垂直距离为:y′,
则y′=(﹣x2+x+)﹣(﹣4x+)=﹣(x﹣)2+,
∵8<,
∴当x=时,存在飞行的高度与跳台滑道的垂直距离在8~10米的范围内,
∴该运动员此次试跳能成功.
6.(2023•瑞安市模拟)根据以下素材,探索完成任务.
【分析】(1)由题意得,右侧抛物线的顶点R的坐标为(7,5),点B(10,0),再利用待定系数法即可求解;
(2)当y=1.8时,即y=﹣(x﹣7)2+5=1.8,得到x=4.6=LN,进而求解;
(3)水柱的最高点与点P的高度差为0.8m,即该抛物线的最高点c﹣=c﹣=c+0.8,求出b值,进而求解.
【解答】解:(1)建立如下图所示坐标系,
由题意得,右侧抛物线的顶点R的坐标为(7,5),点B(10,0),
设抛物线的表达式为:y=a(x﹣h)2+k,
则y=a(x﹣7)2+5,
将点B的坐标代入上式得:0=a(10﹣7)2+5,
解得:a=﹣,
则右侧抛物线的表达式为:y=﹣(x﹣7)2+5;
由图象的对称性得,左侧抛物线的表达式为:y=﹣(x+7)2+5;
(2)建立如下图所示坐标系,设y轴交FE于点L,
∵EF=12,则LE=OD=6,
由图象的对称性知,GM:FM=2:7=HN:NE,
由(1)知,右侧抛物线的表达式为:y=﹣(x﹣7)2+5,
当y=1.8时,即y=﹣(x﹣7)2+5=1.8,
解得:x=4.6=LN(不合题意的值已舍去),
则NE=OD﹣LN=6﹣4.6=1.4,
∵HN:NE=2:7,即HN:1.4=2:7,
则HN=0.4,
则HE=HN+NE=0.4+1.4=1.8,
则OH=LE﹣HE=6﹣1.8=4.2=OG,
即点G的坐标为:(﹣4.2,1.8);
(3)由(1)知,右侧抛物线的表达式为:y=﹣(x﹣7)2+5,
则中间抛物线的表达式为:y=﹣x2+bx+c,
∵水柱的最高点与点P的高度差为0.8m,
即:该抛物线的最高点c﹣=c﹣=c+0.8,
解得:b=,
则抛物线的表达式为:y=﹣x2+x+c,
由(2)知,点H(4,2,1.8),
将点H的坐标代入抛物线表达式得:1.8=﹣(4.2)2+×4.2+c,
解得:c=6=OP,
即OP=6.
7.(2023•镇海区校级一模)如图,抛物线y=ax2﹣8ax+12a(a<0)与x轴交于A,B两点(点A在点B的左侧),抛物线上另有一点C在第一象限,满足∠ACB为直角,且使∠OCA=∠OBC.
(1)求线段OC的长;
(2)求该抛物线的函数关系式;
(3)在抛物线的对称轴上是否存在一点P,使得△BCP是以BC为腰的等腰三角形?若存在,求出所有符合条件的点P的坐标;若不存在,请说明理由.
【分析】(1)令抛物线中y=0,可得出A、B的坐标,即可确定OA,OB的长.根据△OCA∽△OBC,可得出关于OC、OA、OB的比例关系式即可求出OC的长;
(2)利用相似三角形的对应边成比例和勾股定理来求C点的坐标.将C点坐标代入抛物线中即可求出抛物线的解析式;
(3)先算出抛物线的对称轴,再设点P坐标,最后分两种情况进行讨论,结合等腰三角形的性质,计算出符合条件的点P坐标.
【解答】解:(1)由ax2﹣8ax+12a=0(a<0),
得x1=2,x2=6,
即:OA=2,OB=6,
∵△OCA∽△OBC,
∴OC2=OA•OB=2×6.
∴OC=2(﹣2舍去),
∴线段OC的长为2.
(2)∵△OCA∽△OBC,
∴,
设AC=k,则BC=k,
由AC2+BC2=AB2得:k2+(k)2=(6﹣2)2,
解得k=2(﹣2舍去),
∴AC=2,BC=2=OC.
过点C作CD⊥AB于点D,
∴OD=OB=3,
∴CD=,
∴C的坐标为(3,).
将C点的坐标代入抛物线的解析式得:=a(3﹣2)(3﹣6),
∴a=﹣,
∴抛物线的函数关系式为:y=﹣x2+x﹣4.
(3)∵抛物线为y=﹣x2+x﹣4,
∴对称轴为直线x==4,
∵P是抛物线的对称轴上的一点,
∴设P(4,t),
∵OB=6,
∴B(6,0),
∵C(3,),
∴BC==2,
BP==,
PC==,
当△BCP是以BC为腰的等腰三角形时,分两种情况讨论:
①BC=BP时,
得2=,
解得t=2或﹣2,
∴P为(4,2)或P(4,﹣2),
②BC=PC时,
得2=,
解得t=+或﹣,
∴P(4,+)或P(4,﹣),
综上所述,点P的坐标为(4,2)或(4,﹣2)或(4,+)或(4,﹣).
8.(2022春•义乌市校级月考)如图,若△ABC内一点P满足∠PAC=∠PBA=∠PCB,则点P为△ABC的布洛卡点.
(1)如图,在Rt△ABC中,∠ACB=90°,AC=BC,P为△ABC的布洛卡点,且满足∠PAC=∠PBA=∠PCB.
①求∠APB的度数.
②若AC=,求线段CP的长.
(2)在等腰三角形ABC中,AB=AC,AD⊥BC交BC边于点D,=,P为△ABC的布洛卡点,求的值.
【分析】(1)①由∠ACB=90°,AC=BC,∠PAC=∠PCB,可证∠APC=180°﹣(∠PAC+∠PCA)=90°,再证△PAB∽△PBC,得∠APB=∠BPC,故∠APB=(360°﹣∠APC)÷2=135°;
②由∠ACB=90°,AC=BC,可得=,由①知△PAB∽△PBC,∠APC=90°,得===,AP=2CP,即可得(2CP)2+CP2=()2,解得线段CP的长是;
(2)由=,设AD=3t,则AB=5t=AC,BC=6t,证明△PBC∽△PCA,即得===.
【解答】解:(1)如图:
①∵∠ACB=90°,AC=BC,
∴∠CAB=∠CBA=45°,即∠PAC+∠PAB=∠PBA+∠PBC=45°,
∵∠PAC=∠PCB,
∴∠PBA+∠PBC=∠PAB+∠PCB=45°,
∴∠PAC+∠PCA=180°﹣(∠PBA+∠PBC+∠PAB+∠PCB)=90°,
∴∠APC=180°﹣(∠PAC+∠PCA)=90°,
∵∠PAC+∠PAB=∠PBA+∠PBC=45°,∠PAC=∠PBA,
∴∠PAB=∠PBC,
∵∠PBA=∠PCB,
∴△PAB∽△PBC,
∴∠APB=∠BPC,
∴∠APB=(360°﹣∠APC)÷2=135°;
②∵∠ACB=90°,AC=BC,
∴△ABC是等腰直角三角形,
∴=,
由①知△PAB∽△PBC,∠APC=90°,
∴===,
∴AP=BP,BP=CP,
∴AP=2CP,
在Rt△APC中,AP2+CP2=AC2,
∴(2CP)2+CP2=()2,
解得CP=(负值已舍去),
∴线段CP的长是;
(2)如图:
∵AB=AC,AD⊥BC,
∴BD=CD,
由=,设AD=3t,则AB=5t=AC,
∴BD==3t=CD,
∴BC=6t,
∵AB=AC,
∴∠ABC=∠ACB,即∠PBA+∠PBC=∠PCB+∠PCA,
∵∠PBA=∠PCB,
∴∠PBC=∠PCA,
∵∠PAC=∠PCB,
∴△PBC∽△PCA,
∴===,
∴的值是.
9.(2023•金华模拟)如图1,在平面直角坐标系中,四边形AOBC为矩形,BC=2,∠BOC=60°,D为BC中点.某反比例函数过点D,且与直线OC交于点E.
(1)点E的坐标为 (,) .
(2)好奇的小明在探索一个新函数.若点P为x轴上一点,过点P作x轴的垂线交直线AC于点Q,交该反比例函数图象于点R.若y′=PQ+PR,点P横坐标为x.y′关于x的图象如图2,其中图象最低点F、G横坐标分别为、﹣.
①求y′与x之间的函数关系式.②写出该函数的两条性质.
(3)已知1<x<4
①若关于x的方程x2﹣4x﹣m=0有解,求m的取值范围.小明思考过程如下:
由x2﹣4x﹣m=0得m=x2﹣4x,m是关于x的二次函数,根据x的范围可以求出m的取值范围,请你完成解题过程.
②若关于x的方程x2﹣mx+2=0有解,求直接写出m的取值范围.
【分析】(1)解直角三角形求出OB,然后利用待定系数法求出反比例函数解析式和直线OC的解析式,再联立两解析式求出交点坐标即可;
(2)①根据函数解析式可得点R、Q的坐标,然后分情况列出y与x之间的函数关系式即可;
②根据函数图象可直接得出其性质;
(3)①根据二次函数的对称轴及开口方向,求出1<x<4时m=x2﹣4x的取值范围即可;
②将问题转化为1<x<4时,二次函数=x2﹣mx+2与x轴有交点的问题,即需满足x=1时,y>0或x=4时,y>0且x=m时,y≤0,据此求解即可.
【解答】解:(1)∵tan∠BOC=tan60°=,
∴=,
∴OB=2,
∴C(2,2),D(2,),
设反比例函数解析式为y=,直线OC的解析式为y=k2x,
将点D(2,)代入y=得:
=,
解得:k1=2,
∴反比例函数解析式为:y=,
将点C(2,2)代入y=k2x得:
2=2k2,
解得:k2=,
∴直线OC的解析式为y=x,
联立,
解得:,,
∵点E在第一象限,
∴E(,);
故答案为:(,);
(2)①∵反比例函数解析式为y=,直线OC的解析式为y=x,点P横坐标为x,
∴R(x,),Q(x,x),
∴当x>0时,y'=PQ+PR=x+,
当x<0时,y'=PQ+PR=﹣x﹣;
②由图可知:
该函数图象关于y轴对称;
当x<0时,y随x的增大先减小后增大;
(3)①二次函数m=x2﹣4开口向上,对称轴为x=2,
∴在l<x<4的情况下,当x=2时,有最小值m=﹣4,
当x=4时,m=0,
∴﹣4≤m<0;
②∵当l<x<4时,关于x的方程x2﹣mx+2=0有解,
∴当l<x<4时,二次函数y=x2﹣mx+2与x轴有交点,
∵二次函数y=x2﹣mx+2开口向上,对称轴为x==m,
∴当x=1时,y=x2﹣mx+2>0,
解得:m<3,
或当x=4时,y=x2﹣mx+2>0,
解得:m<,
且当x=m时,y=x2﹣mx+2≤0,
解得:m≥4或m≤﹣4,
综上所述,m的取值范围为4≤m<.
10.(2023•金东区一模)如图,在△ABC中,AB=AC=5,BC=6,点P是射线BC上的动点,连结AP,在AP的右边作,交射线BC于点Q.
(1)当BP=1时,求点P到AB的距离;
(2)当点P在线段BC上运动时,记BP=x,CQ=y,求y关于x的函数表达式和自变量x的取值范围;
(3)在点P的运动过程中,不再连结其他线段,当图中存在某个角为45°时,求BQ的长,并指出相应的45°角.
【分析】(1)过A作AH⊥BC于H,过P作PM⊥AB于M,由AB=AC=5,BC=6,得BH=BC=3,AH==4,用面积法可得点P到AB的距离为;
(2)当0≤x≤3时,过A作AH⊥BC于H,过P作PK⊥AB于K,怎么△BPK∽△BAH,可得BK=x,PK=x,及得AK=5﹣x,再证△AKP∽△AHQ,有=,得HQ=,即得y=,当3<x≤6时,过P作PT⊥AB于T,过A作AH⊥BC于H,同理可得PT=x,BT=x,AT=5﹣x,由△ATP∽△AHQ,可得HQ=,可得y=;
(3)当∠BAQ=45°时,过Q作QR⊥AB于R,可得BQ+BQ=5,BQ=;当∠CAP=45°时,过P作PS⊥AC于S,同理可得CP=,有BP=BC﹣CP=,故CQ=y==,得BQ=BC﹣CQ=6﹣=;当∠BAP=∠AQB=45°时,同理可得BP=,CQ=y==1,可得BQ=BC+CQ=7;当∠CAQ=∠APB=45°时,过A作AH⊥BC于H,可得BP=BH+HP=3+4=7,CQ=y==25,从而BQ=BC+CQ=6+25=31.
【解答】解:(1)过A作AH⊥BC于H,过P作PM⊥AB于M,如图:
∵AB=AC=5,BC=6,
∴BH=BC=3,
∴AH==4,
∵2S△ABP=BP•AH=AB•PM,
∴PM===,
∴点P到AB的距离为;
(2)当0≤x≤3时,过A作AH⊥BC于H,过P作PK⊥AB于K,如图:
∵AB=AC=5,AH⊥BC,
∴∠BAH=∠BAC,∠AHB=90°=∠BKP,
∵∠B=∠B,
∴△BPK∽△BAH,
∴==,即==,
∴BK=x,PK=x,
∴AK=5﹣x,
∵∠PAQ=∠BAC,
∴∠BAH=∠PAQ,
∴∠BAP=∠QAH,
又∠AKP=90°=∠AHQ,
∴△AKP∽△AHQ,
∴=,即=,
∴HQ=,
∵HQ+CQ=CH=3,
∴+y=3,
∴y=,
当3<x≤6时,过P作PT⊥AB于T,过A作AH⊥BC于H,如图,
同理可得PT=x,BT=x,AT=5﹣x,
∵∠BAH=∠PAQ=45°,
∴∠TAP=∠QAH,
∵∠ATP=90°=∠AHQ,
∴△ATP∽△AHQ,
∴=,即=,
∴HQ=,
∵HQ﹣CQ=CH=3,
∴﹣y=3,
∴y=;
∴y=;
(3)当∠BAQ=45°时,如图:
过Q作QR⊥AB于R,
∵∠BAQ=45°,
∴AR=QR,
∵RQ=BQ•sinB=BQ•=BQ,BR=BQ•csB=BQ•=BQ,
∴AR=BQ,
∵AB=5,
∴BQ+BQ=5,
∴BQ=;
当∠CAP=45°时,如图:
过P作PS⊥AC于S,
同理可得CP=,
∴BP=BC﹣CP=,
由(2)知CQ=y===,
∴BQ=BC﹣CQ=6﹣=;
当∠BAP=∠AQB=45°时,如图:
同理可得BP=,
由(2)知CQ=y===1,
∴BQ=BC+CQ=7;
当∠CAQ=∠APB=45°时,过A作AH⊥BC于H,如图:
∴∠HAP=∠APH=45°,
∴AH=HP=4,
∴BP=BH+HP=3+4=7,
同(2)可得,CQ=y===25,
∴BQ=BC+CQ=6+25=31;
综上所述,当∠BAQ=45°时,;当∠CAP=45°时,;当∠BAP=∠AQB=45°时,BQ=7;当∠CAQ=∠APB=45°时,BQ=31.
11.(2023•瑞安市模拟)如图,在矩形ABCD中,AD=3,点E在AB上,AE=1,CE=CD,DF⊥CE于点F.M,N分别是线段CB,CF上的点,且满足,设CM=x,EN=y.
(1)求CE的长.
(2)求y关于x的函数表达式.
(3)连结MN,过点M作MH∥CE交AB于点H,连结NH.
①在△NHM中,以HM为一边的角等于∠ADF时,求y的值.
②作点H关于MN的对称点H′,当点H′落在边BC上时,求的值.
【分析】(1)设CE=CD=m,根据矩形的性质得出AB=CD=m,BC=AD=3,则BE=m﹣1,根据勾股定理求解即可;
(2)根据题意求出FN=x,根据矩形的性质、锐角三角函数求出CF=4,根据线段的和差求解即可;
(3)①分两种情况:∠NMH=∠ADF时,当∠NHM=∠ADF时,根据矩形的性质、锐角三角函数定义求解即可;
②点H关于MN的对称点H′落在边BC上,则∠HMN=∠CMN,根据平行线的性质及等腰三角形的判定推出CN=CM,结合(2)推出CM=,根据锐角三角函数求出H′M=HM=,根据线段的和差求出BH′=,CH′=,据此求解即可.
【解答】解:(1)设CE=CD=m,
在矩形ABCD中,AB=CD=m,BC=AD=3,
∴BE=AB﹣AE=m﹣1,
在Rt△BCE中,CE2=BC2+BE2,
∴m2=32+(m﹣1)2,
∴m=5,
即CE=5;
(2)∵=,CM=x,
∴FN=x,
在矩形ABCD中,AB∥CD,
∴∠DCF=∠CEB,
在Rt△CDF中,cs∠DCF==cs∠CEB==,
∴CF=CD•cs∠DCF=5×=4,
∵EN=CE﹣CF+FN,
∴y=5﹣4+x=1+x;
(3)①由题意得,∠ADF=∠DCF=∠CEB,
如图1,当∠NMH=∠ADF时,
∵MH∥CE,
∴∠NMH=∠MNC=∠DCF,
∴MN∥CD,
∴∠NMB=∠DCB=90°,
∴∠NMC=90°,
∴cs∠NCM==,
∴=,
由(2)知,y=1+x,
∴y=;
如图2,当∠NHM=∠ADF时,过点H作HG⊥CE于点G,过点M作MQ⊥CE于点Q,
∵MH∥CE,
∴∠NHM=∠HNE=∠HEN,
∴EH=HN,
∵MH∥CE,HG⊥CE于点G,MQ⊥CE于点Q,
∴HG=MQ,
∵sin∠MCQ===,
∴MQ=CM•sin∠MCQ=x•=x,
∴HG=x,
∵tan∠GEH===,
∴EG==x,
即y=x,
由(2)知,y=1+x,
∴y=;
综上,y=或y=;
②如图3,
∵点H关于MN的对称点H′落在边BC上,
∴∠HMN=∠CMN,
∵MH∥CE,
∴∠CNM=∠HMN=∠CMN,
∴CN=CM,
∴5﹣y=x,
由(2)知,y=1+x,
∴x=,
∴BM=CB﹣CM=3﹣=,
∴H′M=HM====,
∴BH′=BM+H′M=+=,
∴CH′=BC﹣BH′=3﹣=,
∴==.
12.(2023•柯城区校级一模)如图,四边形ABCD是菱形,其中∠ABC=60°,点E在对角线AC上,点F在射线CB上运动,连接EF,作∠FEG=60°,交直线DC于点G.
(1)在线段BC上取一点T,使CE=CT.
①求证:∠FET=∠GEC;
②求证:FT=CG;
(2)图中AB=7,AE=1.
①点F在线段BC上,求△EFG周长的最大值和最小值;
②记点F关于直线AB的轴对称点为点N.若点N落在∠EDC的内部(不含边界),求CF的取值范围.
【分析】(1)①根据菱形的性质可得∠BCG=∠ABC=60°,再由等边三角形的判定与性质可得∠FTE=∠GCE,最后由角的和差关系可得结论;
②根据ASA证△EFT≌△EGC即可得证结论;
(2)①先证明点F在线段BC上时,△FEG是等边三角形,确定△EFG周长最大时和最小时点F的位置,从而可求出FE的长,进而求出周长即可;
②找出点N落在DC上的位置,求出CF的长,当N落在DE上时,求出CF的长,从而确定CF的取值范围即可.
【解答】(1)证明:①∵四边形ABCD是菱形,
∴AB∥CD,
∵∠ABC=60°,
∴∠BCG=∠ABC=60°,
∴△ABC是等边三角形,
∴∠ABC=∠ACB=60°,
∵CE=CT,
∴△CET是等边三角形,
∴CE=ET,∠ETC=∠TEC=60°,
∴∠FTE=180°﹣∠ETC=180°﹣60°=120°,∠GCE=∠GCT+∠TCE=60°+60°=120°,
∴∠FTE=∠GCE,
∵∠FEG=60°,∠TEC=60°,
∴∠FET+∠TEG=∠GEC+∠TEG,
∴∠FET=∠GEC,
②在△FET和△GEC中,
,
∴△EFT≌△EGC(ASA),
∴∠FET=∠GEC
∴FT=CG;
(2)解:①如下图,当点F与点B重合时,
同(1)可得,FE=GF,
∵∠FEG=60°,
∴△FEG是等边三角形,
同理可得,当点F在BC边上时,△FEG均是等边三角形,
当FE⊥BE时,EF最短,如下图,
∵AB=AC=7,AE=1,
∴CE=AC﹣AE=7﹣1=6,
又∵∠ACF=60°,
∴∠CEF=30°,
∴CF=CE==3,
∴EF===3,
∴等边三角形FEG的周长最小值为:3FE=9,
当点F与点B重合时,如下图,
过点E作EH⊥BC于H,
则CH=3,EH=3,
∴BH=BC﹣CH=7﹣3=4,
在Rt△BHE中,BE==>6,
∴此时△FEG的周长最大,最大值为:3BE=3,
∴△FEG的周长最小值为9,最大值为3;
②当点N在CD上时,如下图,
作CM⊥AB于M,点F关于AB的对称点N在DC上,
∴OF=ON=CM,CM=BC•∠ABC=BC=,
∴OF=,
在Rt△BOF中,∠OBF=∠ABC=60°,
∴BF==7,
∴CF=14;
当点N在DE上时,如下图,
连接BN,
∵点N与点F关于AB对称,
∴∠ABN=∠ABC=60°,
∵∠BAC=60°,
∴∠ABN=∠BAC,
∴BN∥AC,
∴,
∵AD∥BC,
∴△ADE∽△CME,△APD∽△BPM,
∴,,
∴,
∴MC=42,
∴MB=MC﹣BC=42﹣7=35,
∴,
∴,
∴BN=5,
∴BF=BN=5,
∴CF=BC﹣BF=2,
∴2<CF<14.
13.(2023•南浔区一模)如图,在矩形ABCD中,AE平分∠BAD交射线BC于点E,过点C作CF⊥AE交射线AE于点F,连结BD交AE于点G,连结DF交射线BC于点H.
(1)当AB<AD时,
①求证:BE=CD;
②猜想∠BDF的度数,并说明理由.
(2)若时,求tan∠CDF的值(用含k的代数式表示).
【分析】(1)①根据矩形的性质先证明△ABE是等腰直角三角形,可得AB=BE,再由AB=CD可得结论;
②如图1,连接BF,证明△BEF≌△DCF(SAS),再证明△BDF是等腰直角三角形可得结论;
(2)设AD=x,则AB=kx,CE=BC﹣BE=x﹣kx,如图,过点F作FH⊥BC于H,作FP⊥DC于P,则∠CHF=∠P=90°,表示FP和CP的长,利用三角函数的定义代入计算即可.
【解答】(1)①∵四边形ABCD是矩形,
∴∠BAD=∠ABC=90°,AB=CD,
∵AE平分∠BAD,
∴∠BAE=∠DAE=45°,
∴△ABE是等腰直角三角形,
∴AB=BE,
∴BE=CD;
②解:猜想∠BDF=45°,理由如下:
如图,连接BF,
∵CF⊥AF,
∴∠AFC=90°,
∵∠CEF=∠AEB=45°,
∴△CEF是等腰直角三角形,
∴∠ECF=45°,EF=CF,
∴∠BEF=∠DCF=135°,
由①知:BE=CD,
∴△BEF≌△DCF(SAS),
∴BF=DF,∠BFE=∠DFC,
∴∠BFD=∠CFE=90°,
∴△BDF是等腰直角三角形,
∴∠BDF=45°;
(2)解:上AB<AD时,∵,
∴设AD=x,则AB=kx,CE=BC﹣BE=x﹣kx,
如图,过点F作FH⊥BC于H,作FP⊥DC于P,则∠CHF=∠P=90°,
∵△ECF是等腰直角三角形,
∴EH=CH,
∴FH=CE,
∵∠CHF=∠P=∠PCH=90°,
∴四边形CHFP是矩形,
∴FH=PC,
∵∠ECF=∠FCP=45°,FH⊥BC,FP⊥DC,
∴FH=FP,
∴FP=PC=CE=,
∴tan∠CDF===.
当AB>AD时,同法可得tan∠CDF=.
14.(2023•镇海区校级一模)如图,AB,BC,CD分别与⊙O相切于E,F,G三点,且EG为⊙O的直径.
(1)延长OF,EB交于点P,若BE=1,∠EBF=2∠OPC,求图中阴影部分的面积;
(2)连结BG,与OF交于点M,若BE=1,OE=2,求的值.
【分析】(1)如图1,连接OB、OC,根据切线性质可得:∠OBE=∠OBF,∠BOE=∠BOF,∠OCF=∠OCG,∠COF=∠COG,直径EG⊥AB,半径OF⊥BC,直径EG⊥CD,结合∠EBF=2∠OPC,可得∠COF=∠OPC,推出CP=CO,利用三角函数定义可得sin∠OPE==,即∠OPE=30°=∠BOE,进而可得OE=OF=OG=,再利用解直角三角形求得CG=3,即可得出S四边形CFOG=S△COF+S△COG=3,再运用扇形面积公式求得S扇形OFG==π,利用S阴影=S四边形CFOG﹣S扇形OFG,即可求得答案;
(2)如图2,连接OB,OC,过点B作BH⊥DC于点H,交OF于点P,设CF=CG=x,由四边形BEGH是矩形,可得:BH=EG=2OE=4,GH=BE=1,CH=CG﹣GH=x﹣1,利用勾股定理可得:CH=4﹣1=3,BC=x+1=4+1=5,再由△PBF∽△CBH,△MOG∽△MPB,即可得出答案.
【解答】解:(1)如图1,连接OB、OC,
∵AB,BC,CD分别与⊙O相切于E,F,G三点,
∴∠OBE=∠OBF,∠BOE=∠BOF,∠OCF=∠OCG,∠COF=∠COG,
直径EG⊥AB,半径OF⊥BC,直径EG⊥CD,
∴AB∥CD,∠OBE+∠BOE=90°,∠OBF+∠BOF=90°,∠OCF+∠COF=90°,∠OCG+∠COG=90°,
∵∠BOE+∠BOF+∠COF+∠COG=180°,
∴∠BOF+∠COF=90°,
∴∠OBE=∠OBF=∠COF=∠COG,
∴∠EBF=2∠OBF=2∠COF,
∵∠EBF=2∠OPC,
∴∠COF=∠OPC,
∴CP=CO,
∵OF⊥BC,
∴OP=2OF=2OE,
∴sin∠OPE==,
∴∠OPE=30°,
∴∠POE=60°,
∴∠BOE=30°,
在Rt△OBE中,=tan∠BOE,
∴OE===,
∴OF=OG=,
∵∠COF+∠COG=∠FOG=180°﹣60°=120°,∠COF=∠COG,
∴∠COF=∠COG=60°,
在Rt△COG中,tan∠COG=,
∴CG=OG•tan∠COG=tan60°=3,
∴S△COG=OG•CG=××3=,
在△COF和△COG中,
,
∴△COF≌△COG(ASA),
∴S△COF=S△COG=,
∴S四边形CFOG=S△COF+S△COG=+=3,
∵S扇形OFG==π,
∴S阴影=S四边形CFOG﹣S扇形OFG=3﹣π;
(2)如图2,连接OB,OC,过点B作BH⊥DC于点H,交OF于点P,
则∠BHG=∠BHC=90°,
由(1)知:∠OEB=∠OFB=∠OFC=∠OGC=90°,OE=OF=OG,
∵AB,BC,CD分别与⊙O相切于E,F,G三点,
∴BE=BF=1,CF=CG,
设CF=CG=x,
∵∠GEB=∠EGH=∠BHG=90°,
∴四边形BEGH是矩形,
∴BH=EG=2OE=4,GH=BE=1,
∴CH=CG﹣GH=x﹣1,
在Rt△BHC中,BH2+CH2=BC2,
∴42+(x﹣1)2=(x+1)2,
解得:x=4,
∴CH=4﹣1=3,BC=x+1=4+1=5,
∵∠PFB=∠BHC=90°,∠PBF=∠CBH,
∴△PBF∽△CBH,
∴=,
∴BP===,
∵EG∥BH,
∴∠MOG=∠MPB,∠MGO=∠MBP,
∴△MOG∽△MPB,
∴===.
15.(2023•鄞州区校级一模)【基础巩固】(1)如图1,在矩形ABCD中,AD=5,CD=3,点E是AD上的一点,连结CE,BD,若CE⊥BD,则的值为 ;
【类比探究】(2)如图2,在四边形ABCD中,∠A=∠B=90°,AD=4,BC=7,CD=5,点E为AB上一点,连结DE,过点C作DE的垂线交ED的延长线于点G,交AD的延长线于点F.求的值;
【拓展延伸】(3)如图3,在Rt△ABD中,∠BAD=90°,AB=2,AD=6,将△ABD沿BD沿折得△CBD,点E,F分别在边AB,AD上,连结DE,CF,DE⊥CF,求的值.
【分析】(1)证明△DEC∽△ABD,根据相似三角形的性质计算即可;
(2)过点C作CH⊥AF交AF的延长线于点H,证明△DEA∽△CFH,列出比例式,即可求解;
(3)过点C作CG⊥AD于点G,连接AC交BD于点H,CG与DE相交于点O,根据正切的定义得到=,根据勾股定理分别求出AH、DH,根据三角形的面积公式求出CG,计算即可.
【解答】解:(1)如图1,设DB与CE交于点G,
∵四边形ABCD是矩形,
∴∠A=∠EDC=90°,
∵CE⊥BD,
∴∠DGC=90°,
∴∠CDG+∠ECD=90°,∠ADB+∠CDG=90°,
∴∠ECD=∠ADB,
∵∠CDE=∠A,
∴△DEC∽△ABD,
∴==,
故答案为:;
(2)如图2,过点C作CH⊥AF交AF的延长线于点H,
∵CG⊥EG,
∴∠G=∠H=∠A=∠B=90°,
∴四边形ABCH为矩形,
∴AB=CH,AH=BC=7,∠FCH+∠CFH=∠DFG+∠FDG=90°,
∴∠FCH=∠FDG=∠ADE,
∵∠A=∠H=90°,
∴△DEA∽△CFH,
∴==,
在Rt△CDH中,DH=AH﹣AD=3,CD=5,
∴CH==4=AB,
∴==1;
(3)如图3,过点C作CG⊥AD于点G,连接AC交BD于点H,CG与DE相交于点O,
∵CF⊥DE,GC⊥AD,
∴∠FCG+∠CFG=∠CFG+∠ADE=90°,
∴∠FCG=∠ADE,
∵∠BAD=∠CGF=90°,
∴△DEA∽△CFG,
∴=,
在Rt△ADB中,tan∠ADB===,
∴tan∠ADH=,
即=,
设AH=a,则DH=3a,
∵AH2+DH2=AD2,
∴a2+(3a)2=62,
∴a=(负值已舍去),
∴AH=,DH=,
∴AC=2AH=,
∵S△ADC=AC•DH=AD•CG,
∴××=×6•CG,
∴CG=,
∴===.
16.(2023•文成县一模)如图,点E,F分别为矩形ABCD边AD,CD上的点,以BE为直径作⊙O交BF于点G,且EF与⊙O相切,连结EG.
(1)若AE=EG,求证:△ABE≌△GBE.
(2)若AB=2,tan∠EBF=.
①求DE的长.
②连结AG,若△ABG是以AG为腰的等腰三角形,求所有满足条件的BC的长.
(3)连结CG,若CG的延长线经过点A,且ED=EG,求的值.
【分析】(1)利用圆周角定理和全等三角形的判定定理解答即可;
(2)①利用切线的性质定理,矩形的性质和相似三角形的判定与性质,通过证明△ABE∽△DEF得到,再利用直角三角形的边角关系定理解答即可得出结论;
②利用分类讨论的思想方法分两种情况讨论解答:Ⅰ.当GA=GB时,利用全等三角形的判定与性质得到BE=BC,设BC=x,则AD=BC=x,则AE=AD﹣DE=x﹣1,利用勾股定理列出方程解答即可;Ⅱ.当GA=AB=2时,利用相似三角形的判定得到△BAE∽△BCF,进而得到,再利用(2)①的结论,利用勾股定理解答即可得出结论;
(3)利用全等三角形的判定定理证明得到Rt△EGF≌Rt△EDF和Rt△EAB≌Rt△EGB,得到AE=EG=DE,利用三角形的中位线得到DF=FC=FG,设DF=FC=FG=a,则AB=CD=BG=2a,则BF=BG+GF=3a,取BF的中点H,连接EH,利用梯形的中位线定理得到EF,最后利用相似三角形的判定定理得到△CFG∽△EHF,由相似三角形的性质即可得出结论.
【解答】(1)证明:∵BE为直径,
∴∠BAE=∠BGE=90°.
在Rt△ABE和Rt△GBE中,
,
∴Rt△ABE和Rt△GBE(HL);
(2)解:①∵EF与⊙O相切,
∴BE⊥EF,
∴∠BEF=90°,
∴∠AEB+∠DEF=90°.
∵四边形ABCD为矩形,
∴∠BAE=90°,
∴∠ABE+∠AEB=90°,
∴∠ABE=∠DEF,
∵∠BAE=∠D=90°,
∴△ABE∽△DEF,
∴.
在Rt△BEF中,
∵tan∠EBF=,
∴,
∴DE=AB=2=1;
②若△ABG是以AG为腰的等腰三角形,
Ⅰ.当GA=GB时,
∵GA=GB,
∴∠GAB=∠GBA,
∵∠DAB=∠CBA=90°,
∴∠EAG=∠FBC.
∵∠EAG=∠EBG,
∴∠EBG=∠FBC.
在△BEF和△BCF中,
,
∴△BEF≌△BCF(AAS),
∴BE=BC.
设BC=x,则AD=BC=x,
∴AE=AD﹣DE=x﹣1,
∵AB2+AE2=BE2,
∴22+(x﹣1)2=x2,
解得:x=,
∴BC=;
Ⅱ.当GA=AB=2时,
∵GA=AB,
∴∠ABG=∠AGB.
∵∠AEB=∠AGB.
∴∠AEB=∠ABG.
∵∠AEB+∠ABE=90°,∠ABG+∠FBC=90°,
∴∠ABE=∠FBC,
∵∠BAE=∠C=90°,
∴△BAE∽△BCF,
∴.
由(2)知:,
∴,
∴,
∴BC=.
综上,若△ABG是以AG为腰的等腰三角形,满足条件的BC的长为或;
(3)解:∵BE为圆的直径,
∴∠EGF=90°.
在Rt△EGF和Rt△EDF中,
,
∴Rt△EGF≌Rt△EDF(HL),
∴∠DEF=∠GEF,DF=FG.
∵∠AEG+∠GEF=90°,∠DEF+∠AEB=90°,
∴∠AEB=∠GEB.
在Rt△EAB和Rt△EGB中,
,
∴Rt△EAB≌Rt△EGB(AAS),
∴AB=BG,AE=EG,
∴AE=EG=DE,
∴BE⊥AC.
∵BE⊥EF,
∴EF∥AC.
∴EF为△DAC的中位线,
∴DF=FC,
∴DF=FC=FG.
设DF=FC=FG=a,则AB=CD=BG=2a,
∴BF=BG+GF=3a.
取BF的中点H,连接EH,如图,
则EH为梯形ABFD的中位线,
∴EF=a.
∵EF∥AC,
∴∠FGC=∠EFH.
∵EH∥CD,
∴∠CFG=∠EHF,
∴△CFG∽△EHF,
∴.
17.(2023•鄞州区校级一模)如图1,⊙O为等腰三角形ABC的外接圆,AB=AC,点D在上,连结CD,点E为DA延长线上一点,连结CE交⊙O于点F,满足=2,连结AF.
(1)求证:CE⊥DE;
(2)当,且∠DCB=50°时,求的值;
(3)如图2,连结DF交AC于点G,若DF=30,⊙O的半径为25,
①求BC的长;
②当DF∥BC时,直接写出△AGF与△AEC的面积之比.
【分析】(1)连接OB,OC,作直径AG,连接DG,CG,FG,可证得AG垂直平分BC,从而=2=2,进而得出,从而∠CFG=DGF,进一步得出结论;
(2)设∠ACD=x°,∠BAC=6x°,∠B=∠ACB=(50+x)°,从而得出2(50+x)+6x=180,求得x的值,进一步得出结果;
(3)①可得出CG=DF=30,进而求得AC=40,根据sin∠AGC=,从而求得CH,进一步得出结果;
②作直径AM,交DF于H,连接OD,可求得FH=DH=DF=15,进而求得OH=20,从而求得AH=OA﹣OH=5,进而求得AF,进而解得GH和FG,从而得出△AFG和△AFH的比值,证得△AFH∽△ACE,从而得出=(2=,进一步得出结果.
【解答】(1)证明:如图1,
连接OB,OC,作直径AG,连接DG,CG,FG,
∴∠ADG=90°,
∵OB=OC,AB=AC,
∴AG垂直平分BC,
∴=2=2,
∵=2,
∴,
∴∠CFG=DGF,
∴CE∥DG,
∴∠DEF=180°﹣∠ADG=90°,
∴CE⊥DG;
(2)解:设∠ACD=x°,由题意得:∠BAC=6x°,
∴∠B=∠ACB=(50+x)°,
∴2(50+x)+6x=180,
∴x=10,
∴∠DCF=30°,
∵四边形ADCF是⊙O的内接四边形,
∴∠EAF=∠DCF=30°,
∴;
(3)①解:如图1,设AG与BC交于H,
由(1)知:,∠ACG=90°,AG⊥BC,
∴CG=DF=30,
∴AC===40,
∵sin∠AGC=,
∴,
∴CH=24,
∴BC=2CH=48;
②解:如图2,
作直径AM,交DF于H,连接OD,
∴FH=DH=DF=15,=,
∴OH===20,∠AFH=∠ACE,
∴AH=OA﹣OH=5,
∴AF2=AH2+FH2=52+152=250,
由①知:tan∠CAM=,
∴GH=AH•tan∠CAM=5×=,
∴FG=FH﹣GH=15﹣=,
∴=,
∵∠AEC=∠AHF,
∴△AFH∽△ACE,
∴,
∴=.
18.(2023•名博模拟)如图,已知P为锐角∠MAN内部一点,过点P作PB⊥AM于点B,PC⊥AN于点C,以PB为直径作⊙O,交直线CP于点D,连接AP,BD,AP交⊙O于点E.
(1)求证:∠BPD=∠BAC.
(2)连接EB,ED,当tan∠MAN=2,AB=2时,在点P的整个运动过程中.
①若∠BDE=45°,求PD的长.
②若△BED为等腰三角形,求所有满足条件的BD的长.
(3)连接OC,EC,OC交AP于点F,当tan∠MAN=1,OC∥BE时,记△OFP的面积为S1,△CFE的面积为S2,请写出的值.
【分析】(1)由PB⊥AM、PC⊥AN知∠ABP=∠ACP=90°,据此得∠BAC+∠BPC=180°,根据∠BPD+∠BPC=180°即可得证;
(2)①由∠APB=∠BDE=45°、∠ABP=90°知BP=AB=2,根据tan∠BAC=tan∠BPD==2知BP=PD,据此可得答案;②根据等腰三角形的定义分BD=BE、BE=DE及BD=DE三种情况分类讨论求解可得;
(3)作OH⊥DC,由tan∠BPD=tan∠MAN=1知BD=PD,据此设BD=PD=2a、PC=2b,从而得出OH=a、CH=a+2b、AC=4a+2b,证△ACP∽△CHO得=,据此得出a=b及CP=2a、CH=3a、OC=a,再证△CPF∽△COH,得=,据此求得CF=a、OF=a,证OF为△PBE的中位线知EF=PF,从而依据=可得答案.
【解答】解:(1)∵PB⊥AM、PC⊥AN,
∴∠ABP=∠ACP=90°,
∴∠BAC+∠BPC=180°,
又∠BPD+∠BPC=180°,
∴∠BPD=∠BAC;
(2)①如图1,
∵∠APB=∠BDE=45°,∠ABP=90°,
∴BP=AB=2,
∵∠BPD=∠BAC,
∴tan∠BPD=tan∠BAC,
∴=2,
∴BP=PD,
∴PD=2;
②当BD=BE时,∠BED=∠BDE,
∴∠BPD=∠BPE=∠BAC,
∴tan∠BPE=2,
∵AB=2,
∴BP=,
∴BD=2;
当BE=DE时,∠EBD=∠EDB,
∵∠APB=∠BDE、∠DBE=∠APC,
∴∠APB=∠APC,
∴AC=AB=2,
过点B作BG⊥AC于点G,得四边形BGCD是矩形,
∵AB=2、tan∠BAC=2,
∴AG=2,
∴BD=CG=2﹣2;
当BD=DE时,∠DEB=∠DBE=∠APC,
∵∠DEB=∠DPB=∠BAC,
∴∠APC=∠BAC,
设PD=x,则BD=2x,
∴=2,
∴,
∴x=,
∴BD=2x=3,
综上所述,当BD=2、3或2﹣2时,△BDE为等腰三角形;
(3)如图3,过点O作OH⊥DC于点H,
∵tan∠BPD=tan∠MAN=1,
∴BD=PD,
设BD=PD=2a、PC=2b,
则OH=a、CH=a+2b,
过点B作BQ⊥AN于点Q,
则QC=BD=2a,AQ=BQ=CD=2a+2b,
∴AC=4a+2b,
∵OC∥BE且∠BEP=90°,
∴∠PFC=90°,
∴∠PAC+∠APC=∠OCH+∠APC=90°,
∴∠OCH=∠PAC,
∴△ACP∽△CHO,
∴=,即OH•AC=CH•PC,
∴a(4a+2b)=2b(a+2b),
∴a=b,
即CP=2a、CH=3a,
则OC=a,
∵△CPF∽△COH,
∴=,即=,
则CF=a,OF=OC﹣CF=a,
∵BE∥OC且BO=PO,
∴OF为△PBE的中位线,
∴EF=PF,
∴==.
19.(2023春•诸暨市月考)如图,在矩形ABCD中,AB=3,AD=1,点P在线段AB上运动,设AP=x,现将纸片折叠,使点D与点P重合,得折痕EF点E,F为折痕与矩形边的交点),再将纸片还原.
(1)当x=0时,折痕EF的长为 3 ;
(2)写出使四边形EPFD为菱形的x的取值范围,并求出当x=2时菱形的边长;
(3)令EF2=y,当点E在AD上、点F在BC上时,写出y与x的函数关系式(写出x的取值范围),当y取最大值时,判断△EAP与△PBF是否相似.若相似,求出x的值;若不相似,请说明理由.
【分析】(1)当x=0时,点A与点P重合,则折痕EF的长等于矩形ABCD中的AB;
(2)由题意可知,EF垂直平分线段DP,要想使四边形EPFD为菱形,则EF也应被DP平分,所以点E必须要在线段AB上,点F必须在线段DC上,即可确定x的取值范围.再利用勾股定理确定菱形的边长;
(3)构造直角三角形,利用相似三角形的对应线段成比例确定y的值,再利用二次函数的增减性确定y的最大值.
【解答】解:(1)当x=0时,折痕EF=AB=3,
故答案为:3;
(2)∵要使四边形EPFD为菱形,
∴DE=EP=FP=DF,
只有点E与点A重合时,EF最长为
,此时x=1,
当EF最短时,点P与B重合,此时x=3,
∴探索出1≤x≤3,
当x=2时,如图,连接PE、PF.
∵EF为折痕,
∴DE=PE,
令PE为m,则AE=2﹣m,DE=m,
在Rt△ADE中,AD2+AE2=DE2
∴1+(2﹣m)2=m2,解得m=;
此时菱形边长为;
(3)如图2,过E作EH⊥BC;
∵△EFH∽△DPA,
∴,
∴FH=3x;
∴y=EF2=EH2+FH2=9+9x2;
当F与点C重合时,如图3,连接PF;
∵PF=DF=3,
∴PB=,
∴0≤x≤3﹣2;
∵函数y=9+9x2的值在y轴的右侧随x的增大而增大,
∴当x=3﹣2时,y有最大值,
此时∠EPF=90°,△EAP∽△PBF.
综上所述,当y取最大值时△EAP∽△PBF,x=3﹣2.
如何给桥护栏挂小彩灯
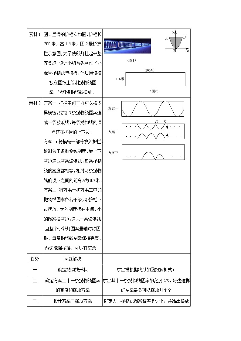
素材1
图1是桥的护栏实物图,护栏长200米,高1.6米,图2是桥护栏示意图,为了使彩灯挂起来整齐美观,设计小组首先制作了外缘呈抛物线型模板,然后用该模板在图纸上绘制抛物线图
案,彩灯沿抛物线摆放.
素材2
方案一:护栏中间正好可以摆5具模板,绘制5条抛物线图案连成一条波浪线,每条抛物线的顶点落在护栏的上下边.
方案二:将模板一部分放入护栏,绘制若干条抛物线图案,靠上下两边连成两条波浪线,每条抛物线的高度都相等,相对两条抛物线的顶点之间的距离h为0.7米.
方案三:将方案一和方案二中的抛物线图案各若干条,沿护栏下边摆放,大的图案摆在中间,小的图案摆两边,连成一条波浪线,且整个小彩灯图案呈轴对称图形,每条抛物线图案保持完整,两边能摆尽摆,可以有空余.
任务
问题解决
一
确定抛物线形状
求出模板抛物线的函数解析式;
二
确定方案二中一条抛物线图案的宽度和摆放方案
求出其中一条抛物线图案的宽度CD,每边这样的图案最多可以摆放几个?
三
设计方案三摆放方案
确定大小抛物线图案各需多少个,并给出摆放方案.
水平距离x(m)
0
2
6
10
14
18
铅垂高度y(m)
20.00
21.80
24.20
25.00
24.20
21.80
如何设计喷水装置的高度?
素材1
图1为某公园的圆形喷水池,图2是其示意图,O为水池中心,喷头A、B之间的距离为20米,喷射水柱呈抛物线形,水柱距水池中心7m处达到最高,高度为5m.水池中心处有一个圆柱形蓄水池,其底面直径CD为12m,高CF为1.8米.
素材2
如图3,拟在圆柱形蓄水池中心处建一喷水装置OP (OP⊥CD),并从点P向四周喷射与图2中形状相同的抛物线形水柱,且满足以下条件:
①水柱的最高点与点P的高度差为0.8m;
②不能碰到图2中的水柱;
③落水点G,M的间距满足:GM:FM=2:7.
问题解决
任务1
确定水柱形状
在图2中以点O为坐标原点,水平方向为x轴建立直角坐标系,并求左边这条抛物线的函数表达式.
任务2
探究落水点位置
在建立的坐标系中,求落水点G的坐标.
任务3
拟定喷水装置的高度
求出喷水装置OP的高度.
相关试卷
这是一份(浙江专用)中考数学二轮提升练习重点03 中考数学选填压轴题训练(2份,原卷版+解析版),文件包含浙江专用中考数学二轮提升练习重点03中考数学选填压轴题训练原卷版doc、浙江专用中考数学二轮提升练习重点03中考数学选填压轴题训练解析版doc等2份试卷配套教学资源,其中试卷共64页, 欢迎下载使用。
这是一份(浙江专用)中考数学二轮提升练习重点02 圆(2份,原卷版+解析版),文件包含浙江专用中考数学二轮提升练习重点02圆原卷版doc、浙江专用中考数学二轮提升练习重点02圆解析版doc等2份试卷配套教学资源,其中试卷共54页, 欢迎下载使用。
这是一份(浙江专用)中考数学二轮培优压轴题练习专题04 二次函数压轴综合问题(2份,原卷版+解析版),文件包含浙江专用中考数学二轮培优压轴题练习专题04二次函数压轴综合问题原卷版doc、浙江专用中考数学二轮培优压轴题练习专题04二次函数压轴综合问题解析版doc等2份试卷配套教学资源,其中试卷共74页, 欢迎下载使用。

