备战2025年高考二轮复习生物(河北版)大单元9 实验与探究 层级二关键突破提升练(Word版附解析)
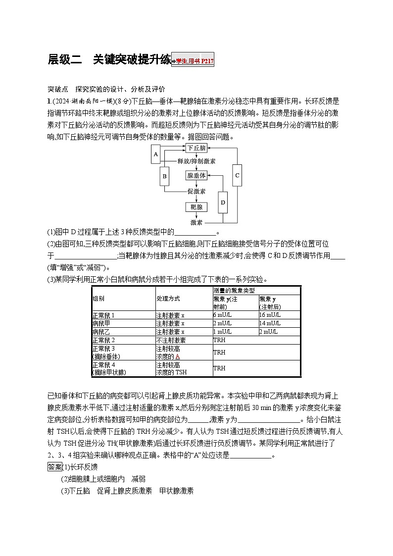
展开1.(2024·湖南岳阳一模)(8分)下丘脑—垂体—靶腺轴在激素分泌稳态中具有重要作用。长环反馈是指调节环路中终末靶腺或组织分泌的激素对上位腺体活动的反馈影响。短反馈是指垂体分泌的激素对下丘脑分泌活动的反馈影响。而超短反馈则为下丘脑神经元活动受其自身分泌的调节肽的影响,如下丘脑神经元可调节自身受体的数量等。据图回答问题。
(1)图中D过程属于上述3种反馈类型中的 。
(2)由图可知,三种反馈类型都可以影响下丘脑细胞,则下丘脑细胞接受信号分子的受体位置可位于 ;当靶腺体为性腺且其分泌的性激素减少时,会使得C和D反馈调节作用 (填“增强”或“减弱”)。
(3)某同学利用正常小白鼠和病鼠分成若干小组完成了下表的一系列实验。
已知垂体和下丘脑的病变都可以引起肾上腺皮质功能异常。本实验中甲和乙两病鼠都表现为肾上腺皮质激素水平低下,通过注射适量的激素x,然后分别测定注射前后30 min的激素y浓度变化来鉴定病变部位,分析表格数据可知甲的病变部位为 ,激素y为 。给小白鼠注射TSH以后,会使得下丘脑的TRH分泌减少。有人认为TSH通过短反馈过程进行负反馈调节,有人认为TSH促进分泌TH(甲状腺激素)后通过长环反馈进行负反馈调节。某同学利用正常鼠进行了2、3、4组实验来确认哪种观点正确。表格中的“A”处应该是 。
答案(1)长环反馈
(2)细胞膜上或细胞内 减弱
(3)下丘脑 促肾上腺皮质激素 甲状腺激素
解析(1)根据题意可知,长环反馈是指调节环路中终末靶腺或组织分泌的激素对上位腺体活动的反馈影响。图中D过程表示终末靶腺分泌的激素对腺垂体的反馈作用,属于长环反馈。
(2)由图可知,三种反馈类型都可以影响下丘脑细胞,则下丘脑细胞接受信号分子的受体位置可位于细胞膜上或细胞内;当靶腺体为性腺且其分泌的性激素减少时,会使得C和D反馈调节作用减弱。
(3)已知垂体和下丘脑的病变都可以引起肾上腺皮质功能异常。本实验中甲和乙两病鼠都表现为肾上腺皮质激素水平低下,通过注射适量的激素x,然后分别测定注射前和注射后30 min的激素y浓度变化来鉴定病变部位,从表格中可以看出,正常鼠1注射激素x后,激素y的浓度从6 mU/L增加到16 mU/L,说明激素x能刺激激素y的分泌。病鼠甲注射激素x后,激素y的浓度从2 mU/L增加到14 mU/L,说明病鼠甲的病变部位在下丘脑。由此可知,激素x由下丘脑分泌,为促肾上腺皮质激素释放激素,激素y由垂体分泌,为促肾上腺皮质激素。根据题意:有两种观点,①认为TSH通过短反馈过程进行负反馈调节;②认为TSH促进分泌TH(甲状腺激素)后通过长环反馈进行负反馈调节。在表格中,正常鼠2不注射激素,正常鼠3摘除垂体后注射较高浓度的A,正常鼠4(摘除甲状腺)后注射较高浓度的TSH,最后检测TRH的水平检验其反馈调节,因此正常鼠3摘除垂体后注射的较高浓度的A应该是甲状腺激素。
2.(2024·山东聊城二模)(11分)睡眠是一种减少运动和感觉反应的体内平衡调节的状态。人体的生物钟调节中枢位于下丘脑视交叉上核(SCN),它对调节激素水平、睡眠需求等具有重要作用。血清素(5-HT)是褪黑素的前体物质,褪黑素具有夜晚分泌量多,而白天分泌量少的特点,它能使人入睡时间明显缩短,睡眠持续时间延长,从而起到调整睡眠的作用。褪黑素的分泌机制如图所示。回答下列问题。
(1)当人感到疲倦时,通过睡眠精力可以得到快速的恢复。但是,有人常常在疲劳状态下听着轻音乐而睡着,长此以往,轻音乐响起时自然犯困,形成了 反射,该反射的神经中枢位于 。
(2)由图中信息可知,光周期信号影响褪黑素的分泌,该反射弧的效应器是 。
熬夜玩手机游戏会使生物钟紊乱,严重影响睡眠质量,原因是 。长期睡眠不足还会导致体液NO含量增加,进而影响树突状细胞和辅助性T细胞分泌免疫活性物质,使机体 (填“体液免疫”“细胞免疫”或“体液免疫和细胞免疫”)能力下降。
(3)非眼球快速运动睡眠(NREM)中因有深睡期,可使人的呼吸变缓、心率变慢、全身肌肉放松,大脑皮层得到充分休息。科学家经研究推测:5-HT是由大脑中缝核神经细胞产生的,并通过作用于中脑网状结构诱导产生NREM。请根据所给实验材料设计实验验证上述推测。
实验材料:健康状况相同的小鼠若干、直流电探针(可损毁神经细胞)、5-HT注射液。
实验思路: 。
预期结果: 。
答案(1)条件 大脑皮层
(2)传出神经末梢及其支配的松果体 手机发出的光线使夜间褪黑素分泌减少,入睡时间明显延长,睡眠持续时间缩短,睡眠质量下降甚至失眠 体液免疫和细胞免疫
(3)将健康状况相同的小鼠平均分为甲、乙、丙三组,甲组用直流电探针损毁小鼠大脑中缝核神经细胞,一段时间后,向小鼠脑中注射5-HT;乙组用直流电探针损毁小鼠中脑网状结构,一段时间后,向小鼠脑中注射5-HT;丙组不做处理。监测三组小鼠各项处理后的睡眠状况 甲组小鼠损毁处理后不产生NREM,注射5-HT后,NREM可以完全恢复;乙组小鼠损毁处理后不产生NREM,注射5-HT后无变化;丙组小鼠正常睡眠
解析(1)轻音乐响起时自然犯困是后天形成的,属于条件反射,条件反射的神经中枢位于大脑皮层。(2)效应器由传出神经末梢及其支配的肌肉或腺体组成,光周期信号影响褪黑素的分泌,该反射弧的效应器是传出神经末梢及其支配的松果体。熬夜玩手机游戏会使生物钟紊乱,手机发出的光线使夜间褪黑素分泌减少,入睡时间明显延长,睡眠持续时间缩短,睡眠质量下降甚至失眠。树突状细胞和辅助性T细胞参与体液免疫和细胞免疫,因此长期睡眠不足会导致体液NO含量增加,影响体液免疫和细胞免疫。(3)要证明5-HT是由大脑中缝核神经细胞产生的,并通过作用于中脑网状结构诱导产生NREM,可将健康状况相同的小鼠平均分为甲、乙、丙三组,甲组用直流电探针损毁小鼠大脑中缝核神经细胞,一段时间后,向小鼠脑中注射5-HT;乙组用直流电探针损毁小鼠中脑网状结构,一段时间后,向小鼠脑中注射5-HT;丙组不做处理。监测三组小鼠各项处理后的睡眠状况。甲组小鼠损毁处理后不产生NREM,注射5-HT后,NREM可以完全恢复。乙组小鼠损毁处理后不产生NREM,注射5-HT后无变化。丙组小鼠正常睡眠。
3.(2024·湖南二模)(9分)甲状腺分泌的甲状腺激素包括四碘甲状腺原氨酸(T4)和三碘甲状腺原氨酸(T3),对高等哺乳动物应激状态下(例如惊吓)相关活动的形成有重要调节作用,下图1为受到惊吓时甲状腺分泌活动的调控示意图。下图2表示小鼠在受到惊吓刺激时,血液中甲状腺激素含量的实时变化。结合所学知识回答以下问题。
图1
图2
(1)为实时监测小鼠血液中甲状腺激素含量的变化,研究小组可利用 的放射性同位素标记甲状腺激素,进而通过相关仪器即可实时监测小鼠血液中放射性强度。
(2)根据图1可推测图2中引起t1、t2时刻甲状腺激素含量上升的信号分子分别是 。
(3)请在已有实验基础上增加甲、乙两组实验,利用自变量控制的减法原理来验证(2)中假说,并在下图坐标轴上画出预测的实验现象。
①实验方案: 。
②结果预测:如图3所示。
甲
乙
图3
答案(1)碘
(2)神经递质和促甲状腺激素
(3)①取同种生理状态相似的小鼠均分为甲、乙两组,手术切除甲组小鼠通向甲状腺的传出神经,手术切除乙组小鼠的垂体,手术恢复后分别给予甲、乙两组小鼠惊吓刺激并实时监测血液中甲状腺激素含量的变化
②
甲
乙
解析(1)碘是合成甲状腺激素的必需元素,故可利用碘的放射性同位素标记甲状腺激素,进而通过相关仪器监测血液中放射性强度,即可实时监测小鼠血液中甲状腺激素含量的变化。
(2)分析题图,t1时受到惊吓,机体会通过神经调节释放神经递质作用于甲状腺,使甲状腺分泌甲状腺激素;t2时主要是下丘脑产生促甲状腺激素释放激素作用于垂体,垂体产生促甲状腺激素作用于甲状腺,使甲状腺分泌甲状腺激素。
(3)①为利用自变量控制的减法原理来验证(2)中假说,可以取同种生理状态相似的小鼠均分为甲、乙两组,手术切除甲组小鼠通向甲状腺的传出神经,手术切除乙组小鼠的垂体,手术恢复后分别给予甲、乙两组小鼠惊吓刺激并实时监测其血液中甲状腺激素含量的变化。②甲组实验只能通过分级调节产生甲状腺激素,故t2时刻甲状腺激素的量才开始增加,乙组实验通过神经调节产生甲状腺激素,故t1时刻开始产生甲状腺激素,相关的预测结果图见答案。
组别
处理方式
测量的激素类型
激素y(注
射前)
激素y
(注射后)
正常鼠1
注射激素x
6 mU/L
16 mU/L
病鼠甲
注射激素x
2 mU/L
14 mU/L
病鼠乙
注射激素x
1 mU/L
2 mU/L
正常鼠2
不注射激素
TRH
正常鼠3
(摘除垂体)
注射较高
浓度的A
TRH
正常鼠4
(摘除甲状腺)
注射较高
浓度的TSH
TRH
备战2025年高考二轮复习生物(河北版)大单元5 遗传的分子基础、变异与进化 层级二关键突破提升练(Word版附解析): 这是一份备战2025年高考二轮复习生物(河北版)大单元5 遗传的分子基础、变异与进化 层级二关键突破提升练(Word版附解析),共12页。
备战2025年高考二轮复习生物(河北版)大单元7 生物与环境 层级二关键突破提升练(Word版附解析): 这是一份备战2025年高考二轮复习生物(河北版)大单元7 生物与环境 层级二关键突破提升练(Word版附解析),共8页。
备战2025年高考二轮复习生物(河北版)大单元8 生物技术与工程 层级二关键突破提升练(Word版附解析): 这是一份备战2025年高考二轮复习生物(河北版)大单元8 生物技术与工程 层级二关键突破提升练(Word版附解析),共11页。

