河南省平顶山市汝州市有道实验学校2023-2024学年八年级上学期期末物理试卷
展开
这是一份河南省平顶山市汝州市有道实验学校2023-2024学年八年级上学期期末物理试卷,共20页。试卷主要包含了选择题,填空题,作图题,实验探究题,综合应用题等内容,欢迎下载使用。
1.(2分)图中画出了光线通过透镜(图中未画出)的情形,其中凸透镜是( )
A.aB.b、dC.cD.d
2.(2分)小明同学在课外用易拉罐做成如图所示的装置做小孔成像实验,如果易拉罐底部有一个很小的三角形小孔,则他在半透明纸上看到的像是( )
A.蜡烛的倒立像B.圆形光斑
C.三角形光斑D.蜡烛的正立像
3.(2分)岸上的人看到水中小鱼的光路图是( )
A.B.
C.D.
4.(2分)下列是观察对岸的树木在水中倒影的光路图,正确的是( )
A.B.
C.D.
5.(2分)如图所示,把眼镜片放在烛焰与凸透镜之间,调节光屏得到烛焰清晰的像,像变得模糊,调节光屏适当远离凸透镜( )
A.是凹透镜,属近视眼镜
B.是凹透镜,属远视眼镜
C.是凸透镜,属近视眼镜
D.是凸透镜,属远视眼镜
6.(2分)在做“探究凸透镜成像规律”的实验中,某小组同学利用图甲测出了透镜的焦距后,正确安装并调节实验装置如图乙所示( )
A.乙图中成的是倒立放大的实像,符合放大镜的成像原理
B.乙图中成的是倒立放大的实像,符合照相机的成像原理
C.乙图中如果在烛焰与透镜之间放置一近视眼镜的镜片,则将光屏适当左移可得一个清晰的像
D.在乙图中保持凸透镜的位置不变,将蜡烛与光屏的位置互换,则成像情况符合投影仪的原理
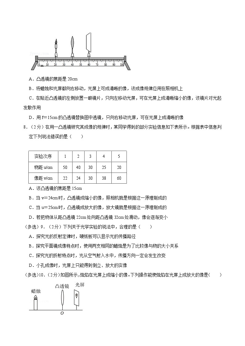
7.(2分)在探究凸透镜成像的实验中,蜡烛、凸透镜和光屏的位置如图所示,烛焰在光屏上恰好成一清晰的像。下列说法正确的是( )
A.凸透镜的焦距是20cm
B.将蜡烛和光屏都向右移动,光屏上可成清晰的像,该成像规律应用在照相机上
C.在贴近凸透镜的左侧放置一眼镜片,只向左移动光屏,可在光屏上成清晰缩小的像,该镜片对光起发散作用
D.用f=15cm的凸透镜替换图中透镜,只向右移动光屏,可在光屏上成清晰的像
8.(2分)在用一凸透镜研究其成像的规律时,某同学得到的部分实验信息如下表所示。根据表中信息判定下列说法错误的是( )
A.该凸透镜的焦距是15cm
B.当v=24cm时,凸透镜成缩小的像,照相机就是根据这一原理制成的
C.当u=25cm时,凸透镜成放大的像,放大镜就是根据这一原理制成的
D.若把物体从距凸透镜22cm处向距凸透镜32cm处滑动,像会逐渐变小
(多选)9.(2分)下列关于光学实验的说法中,合理的是( )
A.探究光的反射定律时,硬纸板可以显示光的传播路径
B.探究平面镜成像特点时,使用两支相同的蜡烛是为了比较像与物的大小关系
C.探究光的折射特点时,光从空气射入水中,传播方向一定会发生改变
D.小孔成像时,光屏上只能得到倒立、放大的实像
(多选)10.(2分)如图所示,烛焰在光屏上成缩小的像。下列操作能使烛焰在光屏上成放大的像是( )
A.凸透镜不动,蜡烛、光屏互换位置
B.透镜、光屏不动,蜡烛向右移动蜡烛
C.蜡烛凸透镜不动,光屏向左移动
D.凸透镜不动,蜡烛向右移动,光屏向右移动
二、填空题(每空1分,共13分)
11.(3分)红、 、蓝三种色光按不同比例混合,能产生任何一种其他颜色的光;验钞机发出的 能使纸币上的荧光防伪标志发光;电视遥控器通过发射 来实现对电视机的控制。
12.(2分)小南同学在做“凸透镜成像”的实验中,经过调节在光屏上得到一个清晰的像,并测出物距u=20cm,则光屏上是倒立 的实像,该凸透镜焦距的范围为 。
13.(2分)一个人立于平面镜前0.5m,身后2.5m处是房门,人看到平面镜中房门的像离人 m,当人以1m/s向远离平面镜方向运动2s后,人看到的房门的像离人 m。
14.(2分)将一物体分别放在甲、乙两凸透镜前相等距离处,通过甲透镜成缩小的像。通过乙透镜成等大的像。由此可推断:所成的 (都是实像/都是虚像/一个是实像、一个是虚像),甲透镜的焦距 (小于/等于/大于)乙透镜的焦距。
15.(4分)小波在湖边游玩时,看到茂密的树下有许多光斑,仔细一看是太阳的“像” 而形成的;看到湖水中游动的“鱼”比其实际位置要 (选填“深”或“浅”),这是因为光从水中斜射向空气时发生 ;湖面上拱桥在水中的“倒影”,这是由于光的 而形成的虚像。
三、作图题(每小题2分,共8分)
16.(2分)完成图中的光路图。
17.(2分)如图所示,一束光线从空气斜射到水面发生反射和折射,请在图中做出反射光线(标明反射角的度数)
18.(2分)画出光线ab和Oc通过透镜前后的完整光路。
19.(2分)如图所示,AB、CD是发光点S发出经平面镜反射的两条光线,在图中用平面镜成像的原理画出发光点S和它在平面镜中的像S’并补全光路。
四、实验探究题(每小题7分,共20分)
20.(7分)现有如下器材:光具座、焦距为12.5cm的凸透镜、光屏、蜡烛、火柴。小明根据上述实验器材,进行了“探究凸透镜成像规律”的实验。
(1)实验前应将蜡烛、凸透镜、光屏依次放到光具座上,把烛焰、凸透镜、光屏的中心大致调到 。为了验证凸透镜的焦距是否等于12.5cm,小明把蜡烛和凸透镜放在如图所示的刻度线处,把光屏移到光具座的 cm刻度线处,观察光屏上是否承接到等大、清晰的像。经验证,凸透镜的焦距准确。
(2)实验进行一段时间后,发现光屏上烛焰的像上移了一段距离,在没有移动器材的情况下 。保持蜡烛、凸透镜的位置和高度不动,需将光屏 (选填“向上”或“向下”)移动,使烛焰的像呈现在光屏中央。
(3)分别把蜡烛放在如图所示的A、B、C、D四个点对应的刻度线处,在 点能够在光屏上承接到清晰、最大的烛焰的像,在 点所成像的性质与眼睛的相同。
(4)实验结束后,小明又将一只眼镜片放在蜡烛与凸透镜之间且较靠近凸透镜,结果光屏上原来清晰的像变得模糊,光屏上又看到烛焰清晰的像,由此可知该眼镜片可用来矫正 眼(选填“近视”或“远视”)。
21.(6分)在“探究光的反射规律”的实验中,如图所示,平面镜M放在水平桌面上,垂直于镜面且可绕ON转动。
(1)如图(a),当E、F在同一平面上时,让入射光线AO沿纸板E射向镜面,测出入射角和反射角的大小,便立即得出实验结论:反射角等于入射角。你认为这样得出结论 (选填“合理”或“不合理”),原因是 。
(2)若将一束光贴着纸板F沿BO射到O点,光将沿图中的 方向射出,因为在光的反射现象中光路是 的。
(3)如图(b),以法线ON为轴线,把纸板F向后缓慢旋转 (选填“能”或“不能”)看到反射光线OB,这样做的目的是为了 。
22.(7分)如图是小芳同学探究“平面镜成像的特点”实验装置。
(1)在实验中用透明的玻璃板代替平面镜,主要是利用玻璃透明的特点,便于 。
(2)在竖立的玻璃板前放一支点燃的蜡烛M,可以看到玻璃板后面出现蜡烛的像。小明拿另一支大小相同的蜡烛N在玻璃板后面移动,直到它跟蜡烛M的像完全重合。由此可以得出的结论是 。
(3)实验时,小芳同学应在 (填“M”或“N”)侧观察蜡烛M经玻璃板所成的像。
(4)细心的小芳透过玻璃观察蜡烛M的像时,看到在像的后面还有一个较模糊、与像有部分重叠的像,出现两个像的原因是 。
(5)若实验时不慎将玻璃向N方向倾斜,则出现的问题是:
(6)经过三次实验,记录的像A'、B'、C'与物A、B、C对应的位置如图乙。为了得到更多的实验结论,接下来小明应该进行的操作是: ; 。
五、综合应用题(共9分)
23.(9分)一汽车以20m/s的速度向一山崖开进,途中鸣了一声笛,4s后听到山崖传来回声(声音的速度为340m/s):
(1)汽车行驶的路程?
(2)声音传播的距离?
(3)汽车离山崖还有多远?
2023-2024学年河南省平顶山市汝州实验学校八年级(上)期末物理试卷
参考答案与试题解析
一、选择题(每小题2分,共20分)
1.(2分)图中画出了光线通过透镜(图中未画出)的情形,其中凸透镜是( )
A.aB.b、dC.cD.d
【答案】C
【解答】解:从四束光线通过透镜的情形可知,a、b、d的折射光线相对于入射光线是发散的;只有c,是凸透镜。
故选:C。
2.(2分)小明同学在课外用易拉罐做成如图所示的装置做小孔成像实验,如果易拉罐底部有一个很小的三角形小孔,则他在半透明纸上看到的像是( )
A.蜡烛的倒立像B.圆形光斑
C.三角形光斑D.蜡烛的正立像
【答案】A
【解答】解:
小孔成像是由于光的直线传播形成的,物体经过小孔成的像是物体倒立的实像,像的形状与物体相同,故A正确。
故选:A。
3.(2分)岸上的人看到水中小鱼的光路图是( )
A.B.
C.D.
【答案】B
【解答】解:鱼反射的光由水中斜射入空气时,在水面处发生折射,折射光线远离法线,人逆着折射光线看去,故B正确。
故选:B。
4.(2分)下列是观察对岸的树木在水中倒影的光路图,正确的是( )
A.B.
C.D.
【答案】B
【解答】解:
树木在水中倒影,是因为来自岸上树木的光线斜射到水面上发生反射,所以才能观察到对岸的树木在水中的倒影,
ACD、图中光线来自水中,故ACD错误。
故选:B。
5.(2分)如图所示,把眼镜片放在烛焰与凸透镜之间,调节光屏得到烛焰清晰的像,像变得模糊,调节光屏适当远离凸透镜( )
A.是凹透镜,属近视眼镜
B.是凹透镜,属远视眼镜
C.是凸透镜,属近视眼镜
D.是凸透镜,属远视眼镜
【答案】D
【解答】解:由题意“撤去眼镜片,像变得模糊,光屏上重新得到清晰的像”,对光的会聚能力减弱,则该透镜为凸透镜。
故选:D。
6.(2分)在做“探究凸透镜成像规律”的实验中,某小组同学利用图甲测出了透镜的焦距后,正确安装并调节实验装置如图乙所示( )
A.乙图中成的是倒立放大的实像,符合放大镜的成像原理
B.乙图中成的是倒立放大的实像,符合照相机的成像原理
C.乙图中如果在烛焰与透镜之间放置一近视眼镜的镜片,则将光屏适当左移可得一个清晰的像
D.在乙图中保持凸透镜的位置不变,将蜡烛与光屏的位置互换,则成像情况符合投影仪的原理
【答案】D
【解答】解:
AB.由甲图可知该透镜焦距为40.0cm﹣30.0cm=10.8cm,物距大于像距,所成的像是缩小,是照相机的成像原理;
C.近视眼镜的镜片是凹透镜,靠近凸透镜时,像会聚在光屏的后方,在光屏上要得到清晰的像,即要将光屏向右移动才能在光屏上成清晰的像。
D.根据光路的可逆性,在光屏上仍能成像,凸透镜成倒立放大的实像,故D正确。
故选:D。
7.(2分)在探究凸透镜成像的实验中,蜡烛、凸透镜和光屏的位置如图所示,烛焰在光屏上恰好成一清晰的像。下列说法正确的是( )
A.凸透镜的焦距是20cm
B.将蜡烛和光屏都向右移动,光屏上可成清晰的像,该成像规律应用在照相机上
C.在贴近凸透镜的左侧放置一眼镜片,只向左移动光屏,可在光屏上成清晰缩小的像,该镜片对光起发散作用
D.用f=15cm的凸透镜替换图中透镜,只向右移动光屏,可在光屏上成清晰的像
【答案】D
【解答】解:
A、由图可知u=40cm﹣20cm=20cm,则u=2f=20cm,故A错误;
B、将蜡烛和光屏都向右移动,物体处于一倍焦距和二倍焦距之间、放大的实像,故B错误;
C、贴近凸透镜的左侧放置一眼镜片,说明透镜对光线有会聚作用,故C错误;
D、用f=15cm的凸透镜替换图中透镜,f<u<2f时、放大的实像,向右移动光屏,故D正确。
故选:D。
8.(2分)在用一凸透镜研究其成像的规律时,某同学得到的部分实验信息如下表所示。根据表中信息判定下列说法错误的是( )
A.该凸透镜的焦距是15cm
B.当v=24cm时,凸透镜成缩小的像,照相机就是根据这一原理制成的
C.当u=25cm时,凸透镜成放大的像,放大镜就是根据这一原理制成的
D.若把物体从距凸透镜22cm处向距凸透镜32cm处滑动,像会逐渐变小
【答案】C
【解答】解:
A、由表中的数据可知,u=v=30cm,f=15cm;
B、当v=24cm时,则物距大于二倍焦距,照相相机就是根据这一原理制成;
C、当u=25cm时,凸透镜成倒立,投影仪就是根据这一原理制成的;
D、若把物体从距凸透镜22cm处向距凸透镜32cm处滑动,像距变小,故D正确。
故选:C。
(多选)9.(2分)下列关于光学实验的说法中,合理的是( )
A.探究光的反射定律时,硬纸板可以显示光的传播路径
B.探究平面镜成像特点时,使用两支相同的蜡烛是为了比较像与物的大小关系
C.探究光的折射特点时,光从空气射入水中,传播方向一定会发生改变
D.小孔成像时,光屏上只能得到倒立、放大的实像
【答案】AB
【解答】解:A、如果看不见光的传播路径,在探究光的反射定律时,能够间接的在硬纸板上看到光的传播途径;
B、实验中,一支点燃,将未点燃的蜡烛放在玻璃板的后面,说明像与物的大小相等,选择两支完全相同的蜡烛是为了比较像与物的大小关系;
C、光从空气中斜射入水中时,但垂直入射时,故C错误;
D、小孔成像时、等大或者缩小的实像。
故选:AB。
(多选)10.(2分)如图所示,烛焰在光屏上成缩小的像。下列操作能使烛焰在光屏上成放大的像是( )
A.凸透镜不动,蜡烛、光屏互换位置
B.透镜、光屏不动,蜡烛向右移动蜡烛
C.蜡烛凸透镜不动,光屏向左移动
D.凸透镜不动,蜡烛向右移动,光屏向右移动
【答案】AD
【解答】解:(1)若保持凸透镜的位置不动,将蜡烛和光屏互换一下位置,由凸透镜成像规律可知、放大的实像;
(2)由题意知,此时烛焰在光屏上呈现一个清晰缩小的像,像距在一倍焦距和二倍焦距之间,则物距应符合:f<u<2f。故BC不符合题意;
故选:AD。
二、填空题(每空1分,共13分)
11.(3分)红、 绿 、蓝三种色光按不同比例混合,能产生任何一种其他颜色的光;验钞机发出的 紫外线 能使纸币上的荧光防伪标志发光;电视遥控器通过发射 红外线 来实现对电视机的控制。
【答案】见试题解答内容
【解答】解:将红光、绿光和蓝光三种色光按不同比例混合后;
验钞机发出的紫外线能使纸币上的荧光防伪标志发光;
电视遥控器前端的发光二极管,能发出不同的红外线来实现电视遥控。
故答案为:绿;紫外线。
12.(2分)小南同学在做“凸透镜成像”的实验中,经过调节在光屏上得到一个清晰的像,并测出物距u=20cm,则光屏上是倒立 缩小 的实像,该凸透镜焦距的范围为 7.5cm<f<10cm 。
【答案】见试题解答内容
【解答】解:凸透镜成像时,物距大于像距,物体放在距离凸透镜20cm处时、缩小的实像,所以10cm>f。
此时的像距满足:2f>v>f,2f>15cm>f;
故凸透镜焦距的取值范围为:2.5cm<f<10cm。
故答案为:缩小;7.3cm<f<10cm。
13.(2分)一个人立于平面镜前0.5m,身后2.5m处是房门,人看到平面镜中房门的像离人 3.5 m,当人以1m/s向远离平面镜方向运动2s后,人看到的房门的像离人 5.5 m。
【答案】见试题解答内容
【解答】解:一个人立于平面镜前0.5m,身后7.5m处是房门,
根据像到平面镜的距离与物体到平面镜的距离相等,可知门的像到平面镜的距离也为3m;
当以5m/s的速度背离镜面方向运动2s后,人距离平面镜为1m/s×6s+0.5m=7.5m,则人看到的房门的像离人的距离为3m+6.5m=5.3m。
故答案为:3.5;3.5。
14.(2分)将一物体分别放在甲、乙两凸透镜前相等距离处,通过甲透镜成缩小的像。通过乙透镜成等大的像。由此可推断:所成的 都是实像 (都是实像/都是虚像/一个是实像、一个是虚像),甲透镜的焦距 小于 (小于/等于/大于)乙透镜的焦距。
【答案】见试题解答内容
【解答】解:通过甲透镜成缩小的像,说明此时物体在甲透镜2倍焦距之外、倒立的实像。
通过乙透镜成等大的像,说明此时物体在乙透镜的2倍焦距处、倒立的实像。
而物体分别放在甲、乙两凸透镜前相等距离处。
故答案为:都是实像;小于。
15.(4分)小波在湖边游玩时,看到茂密的树下有许多光斑,仔细一看是太阳的“像” 直线传播 而形成的;看到湖水中游动的“鱼”比其实际位置要 浅 (选填“深”或“浅”),这是因为光从水中斜射向空气时发生 折射 ;湖面上拱桥在水中的“倒影”,这是由于光的 反射 而形成的虚像。
【答案】见试题解答内容
【解答】解:
(1)茂密的树下有许多圆形光斑,属于小孔成像现象。
(2)水中的鱼反射斜射向水面,折射进入人眼,折射角大于入射角,看到的是鱼经水面折射所成的虚像,所以从岸边看到水中“鱼”的位置比鱼实际位置要浅一些。
(3)湖面上拱桥在水中的“倒影”,属于平面镜成像。
故答案为:直线传播;浅;折射。
三、作图题(每小题2分,共8分)
16.(2分)完成图中的光路图。
【答案】见解答
【解答】解:平行于凸透镜主光轴的光线经凸透镜折射后,折射光线通过凸透镜焦点,
过凸透镜焦点的光线经凸透镜折射后,折射光线平行于凸透镜的主光轴
17.(2分)如图所示,一束光线从空气斜射到水面发生反射和折射,请在图中做出反射光线(标明反射角的度数)
【答案】见试题解答内容
【解答】解:图中入射光线与界面的夹角是30°,入射角是入射光线与法线的夹角;反射角是反射光线与法线的夹角。
光由空气斜射进入水中时,折射光线向靠近法线方向偏折,据此完成光路
18.(2分)画出光线ab和Oc通过透镜前后的完整光路。
【答案】见试题解答内容
【解答】解:平行于主光轴的入射光线经凹透镜折射后,折射光线的反向延长线通过焦点;据此作图
19.(2分)如图所示,AB、CD是发光点S发出经平面镜反射的两条光线,在图中用平面镜成像的原理画出发光点S和它在平面镜中的像S’并补全光路。
【答案】方法一:先将反射光线AB、CD反向延长交于一点,即为像点S′,再作出S′关于平面镜的对称点,即为发光点S,连接SA、SB为两条入射光线,如图所示:
方法二:过反射点A垂直镜面作出两条法线,在法线左侧作出反射光线AB的入射光线SA,注意入射角在大小上要与反射角的大小相等,同理作出反射光线CD的入射光线SC,入射光线SA、SC的交点S即为发光点的位置;
再作出发光点S关于平面镜的对称点S′,即为像点,如图所示:
【解答】解:方法一:先将反射光线AB、CD反向延长交于一点,再作出S′关于平面镜的对称点,连接SA,如图所示:
方法二:过反射点A垂直镜面作出两条法线,在法线左侧作出反射光线AB的入射光线SA,同理作出反射光线CD的入射光线SC、SC的交点S即为发光点的位置;
再作出发光点S关于平面镜的对称点S′,即为像点
四、实验探究题(每小题7分,共20分)
20.(7分)现有如下器材:光具座、焦距为12.5cm的凸透镜、光屏、蜡烛、火柴。小明根据上述实验器材,进行了“探究凸透镜成像规律”的实验。
(1)实验前应将蜡烛、凸透镜、光屏依次放到光具座上,把烛焰、凸透镜、光屏的中心大致调到 同一高度处 。为了验证凸透镜的焦距是否等于12.5cm,小明把蜡烛和凸透镜放在如图所示的刻度线处,把光屏移到光具座的 75.0 cm刻度线处,观察光屏上是否承接到等大、清晰的像。经验证,凸透镜的焦距准确。
(2)实验进行一段时间后,发现光屏上烛焰的像上移了一段距离,在没有移动器材的情况下 蜡烛在燃烧过程中不断缩短,向下移动 。保持蜡烛、凸透镜的位置和高度不动,需将光屏 向上 (选填“向上”或“向下”)移动,使烛焰的像呈现在光屏中央。
(3)分别把蜡烛放在如图所示的A、B、C、D四个点对应的刻度线处,在 C 点能够在光屏上承接到清晰、最大的烛焰的像,在 A 点所成像的性质与眼睛的相同。
(4)实验结束后,小明又将一只眼镜片放在蜡烛与凸透镜之间且较靠近凸透镜,结果光屏上原来清晰的像变得模糊,光屏上又看到烛焰清晰的像,由此可知该眼镜片可用来矫正 近视 眼(选填“近视”或“远视”)。
【答案】见试题解答内容
【解答】解:(1)实验前的规范操作是将蜡烛、凸透镜,并使它们的中心大致在同一高度处;
凸透镜焦距f=12.5cm,当物距等于25.0cm时,小明把蜡烛和凸透镜放在如图所示的刻度线处,观察光屏上是否承接到等大。经验证。
(2)蜡烛在燃烧过程中不断缩短,向下移动,要使像能够成在光屏中央;
(3)物距大于一倍焦距小于二倍焦距成倒立放大实像,把蜡烛放在如图所示的A、B、C,在C点能够在光屏上承接到清晰;
在A点所成像的性质与眼睛的相同,照相机是利用凸透镜成倒立;
(4)当该眼镜放在蜡烛和凸透镜之间时,将光屏远离透镜移动时,说明该眼镜对光线起发散作用,由此可知该眼镜片可用来矫正近视眼。
故答案为:(1)同一高度处;75.2,向下移动;(3)C;A。
21.(6分)在“探究光的反射规律”的实验中,如图所示,平面镜M放在水平桌面上,垂直于镜面且可绕ON转动。
(1)如图(a),当E、F在同一平面上时,让入射光线AO沿纸板E射向镜面,测出入射角和反射角的大小,便立即得出实验结论:反射角等于入射角。你认为这样得出结论 不合理 (选填“合理”或“不合理”),原因是 凭一次实验数据得出结论有偶然性,应进行多次实验 。
(2)若将一束光贴着纸板F沿BO射到O点,光将沿图中的 OA 方向射出,因为在光的反射现象中光路是 可逆 的。
(3)如图(b),以法线ON为轴线,把纸板F向后缓慢旋转 不能 (选填“能”或“不能”)看到反射光线OB,这样做的目的是为了 探究反射光线、入射光线、法线是否在同一平面上 。
【答案】见试题解答内容
【解答】解:
(1)不合理。实验有偶然性,凭一次实验数据得出结论有偶然性;
(2)当光逆着原来的反射光线入射时,反射光线也逆着原来的入射光线反射出去,光将沿图中的OA方向射出。
(3)以法线ON为轴线,把纸板F向后缓慢旋转,是因为纸板F和反射光线以及法线不在同一个平面上、入射光线。
故答案为:(1)不合理;凭一次实验数据得出结论有偶然性;(2)OA;(3)不能、入射光线。
22.(7分)如图是小芳同学探究“平面镜成像的特点”实验装置。
(1)在实验中用透明的玻璃板代替平面镜,主要是利用玻璃透明的特点,便于 确定像的位置 。
(2)在竖立的玻璃板前放一支点燃的蜡烛M,可以看到玻璃板后面出现蜡烛的像。小明拿另一支大小相同的蜡烛N在玻璃板后面移动,直到它跟蜡烛M的像完全重合。由此可以得出的结论是 像与物等大 。
(3)实验时,小芳同学应在 M (填“M”或“N”)侧观察蜡烛M经玻璃板所成的像。
(4)细心的小芳透过玻璃观察蜡烛M的像时,看到在像的后面还有一个较模糊、与像有部分重叠的像,出现两个像的原因是 玻璃太厚,玻璃板的两个面都成了像 。
(5)若实验时不慎将玻璃向N方向倾斜,则出现的问题是: 无论怎么移动蜡烛B都不能与像重合
(6)经过三次实验,记录的像A'、B'、C'与物A、B、C对应的位置如图乙。为了得到更多的实验结论,接下来小明应该进行的操作是: 连接各对应点,判断连线与镜面是否垂直 ; 测量各对应点到镜面的距离是否相等 。
【答案】见试题解答内容
【解答】解:(1)透明的玻璃板,可以观察到玻璃板的另一侧。
(2)未点燃的蜡烛与点燃的蜡烛的像完全重合,可知蜡烛和他成的像大小相等。
(3)由于平面镜成的是虚像,所以在寻找蜡烛M的像的位置时。使它与蜡烛M在玻璃板中所成的像完全重合;
(4)由于像是由光的反射形成的,玻璃的两面都能反射光,所以出现两个像的原因是玻璃太厚。
(5)平面镜所成的像和物体关于平面镜对称,如果玻璃板没有放正,所以蜡烛成的像不与蜡烛重合。
(6)本实验是探究验证平面镜成像的特点,所成的像是虚像;像和物体各对应点到平面镜间距离相等,判断连线与镜面是否垂直,物体和像到镜面的距离相等。
故答案为:(1)确定像的位置;(2)像与物等大;(4)玻璃太厚;(5)无论怎么移动蜡烛B都不能与像重合;
(6)连接各对应点,判断连线与镜面是否垂直。
五、综合应用题(共9分)
23.(9分)一汽车以20m/s的速度向一山崖开进,途中鸣了一声笛,4s后听到山崖传来回声(声音的速度为340m/s):
(1)汽车行驶的路程?
(2)声音传播的距离?
(3)汽车离山崖还有多远?
【答案】见试题解答内容
【解答】解:
(1)如图所示,设车由A→B所用的时间为t,
根据v=可得,汽车行驶的路程:
s车=v车t=20m/s×4s=80m;
(2)由v=可得
s声=v声t=340m/s×4s=1360m;
(3)由图示可知,此时汽车离山崖的距离:
sBC=(s声﹣s车)=(1360m﹣80m)=640m。
答:(1)汽车行驶的路程为80m;
(2)声音传播的距离为1360m;
(3)汽车离山崖还有640m。
声明:试题解析著作权属所有,未经书面同意,不得复制发布日期:2024/11/27 13:48:53;用户:物色里;邮箱:17680465072;学号:48039009实验次序
1
2
3
4
5
物距u/cm
50
40
30
25
20
像距v/cm
22
24
30
38
60
实验次序
1
2
3
4
5
物距u/cm
50
40
30
25
20
像距v/cm
22
24
30
38
60
相关试卷
这是一份2023-2024学年河南省平顶山市汝州市有道实验学校八年级(上)月考物理试卷(1月份),共4页。试卷主要包含了选择题,填空题,综合应用题等内容,欢迎下载使用。
这是一份36,河南省平顶山市汝州市有道实验学校2023-2024学年八年级上学期1月月考物理试题,共14页。试卷主要包含了选择题,填空题,作图题,实验探究题,综合应用题等内容,欢迎下载使用。
这是一份2023-2024学年河南省平顶山市汝州市有道实验学校八年级(上)月考物理试卷(9月份)(含解析),共13页。试卷主要包含了下列利用声传递信息的有,关于声现象下列说法正确的是等内容,欢迎下载使用。

