河南省开封市通许县2025届九年级上学期期中考试物理试卷(含答案)
展开
这是一份河南省开封市通许县2025届九年级上学期期中考试物理试卷(含答案),共13页。试卷主要包含了单选题,实验题,计算题,作图题,填空题,多选题等内容,欢迎下载使用。
一、单选题
1.我国春节习俗很多,下列习俗对应的现象能用分子动理论解释的是( )
A.大扫除清理家具上灰尘的时候尘土飞扬
B.烟花爆竹燃放后冒出浓浓白烟
C.蒸馒头的时候掀开锅盖冒出浓浓白雾
D.除夕夜家家户户做年夜饭,到处都是酒肉飘香
2.如图所示是汽油机的四个冲程,其中属于做功冲程的是( )
A.B.
C.D.
3.下列能量转化过程所对应的实例错误的是( )
A.电能转化为机械能——电水壶烧水B.机械能转化为内能——摩擦生热
C.机械能转化为电能——风力发电D.化学能转化为内能——燃料燃烧
4.关于电流的方向,下列说法中正确的是( )
A.电荷的移动形成电流B.电流总是从电源的负极流到电源的正极
C.电流的方向就是电子的移动方向D.电流的形成可以是离子的定向移动
5.如图是某品牌榨汁机,为保障安全,该榨汁机设置了电源开关和安全开关。当杯体放在主机上时,自动闭合,此时再手动闭合,电动机才能启动。下列电路图符合要求的是( )
A.B.
C.D.
6.如图所示,电源电压为6V,闭合开关后,电压表的示数为4V,则两端的电压为( )
A.2VB.4VC.6VD.10V
7.如图所示,滑动变阻器连入电路的示意图中,当滑片P向右滑动时,连入电路的电阻变大的是( )
A.B.
C.D.
二、实验题
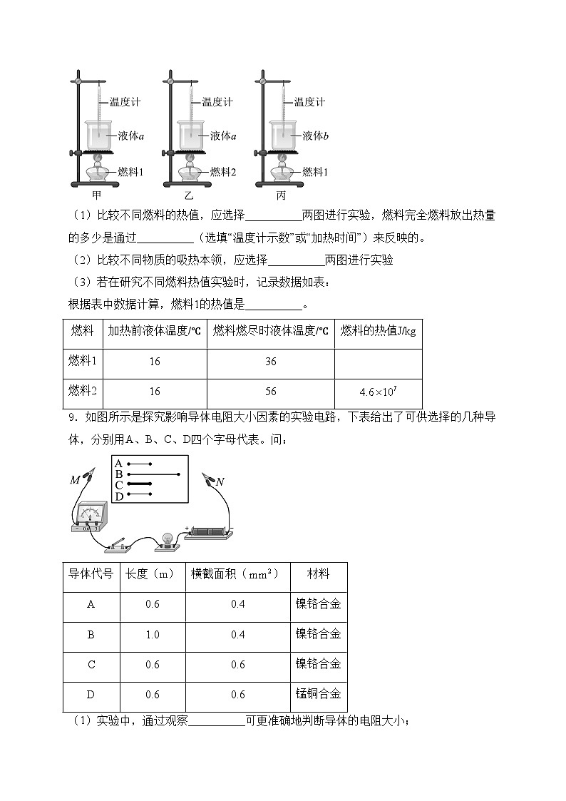
8.如图所示,甲、乙、丙三图中的装置完全相同,燃料的质量都相等,烧杯内的液体质量和初温也相同。
(1)比较不同燃料的热值,应选择__________两图进行实验,燃料完全燃料放出热量的多少是通过__________(选填“温度计示数”或“加热时间”)来反映的。
(2)比较不同物质的吸热本领,应选择__________两图进行实验
(3)若在研究不同燃料热值实验时,记录数据如表:
根据表中数据计算,燃料1的热值是__________。
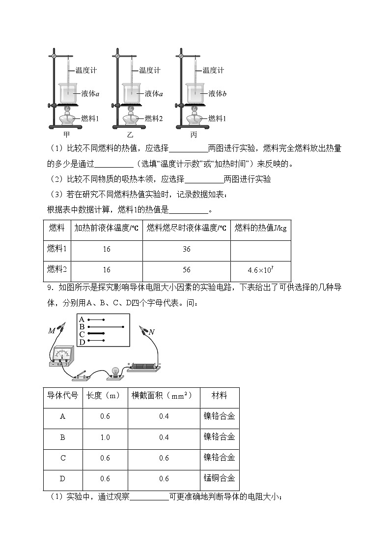
9.如图所示是探究影响导体电阻大小因素的实验电路,下表给出了可供选择的几种导体,分别用A、B、C、D四个字母代表。问:
(1)实验中,通过观察__________可更准确地判断导体的电阻大小;
(2)通过选用__________两导体进行实验,可探究电阻的大小与导体材料的关系;
(3)分别将A和B两导体接入电路进行实验,B电阻丝电流小,得出的结论是__________
(4)AC接入电路中,C电阻时电流表示数更大,可得出结论__________;
(5)如图所示的一个长方体金属块,AB间的电阻为,CD间的电阻为,则__________(选填“>”“
解析:(1)电流表串联在电路中,电源电压一定,导体电阻越大,电路电流越小;导体电阻越小,电路电流越大,所以可以通过电流表示数来准确判断导体电阻大小。
(2)探究电阻的大小与导体材料的关系,运用控制变量法,要控制导体的长度和横截面积一定,故选取C、D导体进行实验。
(3)选取A、B导体进行实验时,导体的材料、横截面积相同,长度不同;接入A导体时,电流表的示数比接入B导体时更大,说明B导体的电阻更大,即可得出结论:导体的电阻与导体的长度有关,当材料与横截面积一定时,导体的长度越长,导体的电阻越大。
(4)选取A、C导体进行实验时,导体的材料、长度相同,横截面积不同,发现接入C导体时,电流表的示数比接入A导体时更大,可以得出结论:导体的电阻与导体的横截面积有关,导体的横截面积越大,导体的电阻越小。
(5)观察图可知,AB间的横截面积比CD间的横截面积小,且AB间的长度比CD间的长度长,根据上述结论可知,。
10.答案:(1)不相同
(2)断开开关
(3)电压表的正负接线柱接反;电压表的量程选择过大
(4)不能;见解析
(5)串联电路中,电源电压等于各用电器两端电压之和
解析:(1)为了寻找普遍规律,实验中应选择规格不相同的灯泡。
(2)由于连接电路时没有断开开关,所以小明刚连接好最后一根导线,两灯会立即发光。
(3)闭合开关,电压表指针反偏,这是由于电压表的正负接线柱接反了。
如果电压表指针偏转过小,则可能时电压表的量程选择过大。
(4)若电压表所接的B接点不动,只断开A接点,并改接到C接点上的接法会导致电压表正负接线柱接反,故小明的方法不能测出灯两端的电压。
(5)由实验结果可知,串联电路的电压关系为:串联电路中,电源电压等于各用电器两端电压之和。
11.答案:(1)2.4A
(2)0.48A
(3)1.92A
解析:(1)由图可知,闭合开关后,两灯并联,电流表测干路电流,电流表测支路电流,并联电路中干路电流等于各支路电流之和,因此电流表接入的是大量程,分度值为0.1A,读数为2.4A。
(2)电流表接入的是小量程,分度值为0.02A,读数为0.48A。
(3)因为并联电路中干路电流等于各支路电流之和,因此通过灯电流为
12.答案:(1)
(2)
(3)
解析:(1)水的质量是
(2)水吸收的热量是
(3)焦炭完全燃烧放出的热量为
炉子的效率为
13.答案:见解析
解析:
14.答案:见解析
解析:
15.答案:扩散;液化;吸
解析:灌汤包端到餐桌上时,香飘四溢,这是扩散现象,是由于分子不停做无规则热运动造成的。
灌汤包上方的雾是水蒸气遇冷液化形成的小水珠。
雾上升后消失不见,是因为雾汽化变成了水蒸气,在这过程中需要吸热。
16.答案:220;36
解析:家庭电路的电压为220V,所以,教室中电风扇正常工作时电压为220V。
对人体安全的电压是不高于36V的电压,高于36V的电压可能造成触电事故。
17.答案:并联
解析:家里的电灯、电视、电冰箱等家用电器都可以单独工作,互不影响,它们的连接方式是并联。
18.答案:导体;导体的横截面积;减小
解析:
19.答案:串联;不变
解析:要想改变灯的亮度,变阻器要和灯泡串联,通过改变变阻器连入电路的阻值来改变电路中的电流,从而改变灯的亮度。
当A、C端接入电路时,顺时针旋转滑片P,变阻器的接入电路的阻值不变,电路中电流不变,台灯的亮度将不变。
20.答案:电流表正、负接线柱接反;电流表所选量程偏大;电流表所选量程偏小
解析:如图甲,指针向左偏转,说明电流表的正负接线柱接反了,应将电流表的正负接线柱对调;
如图乙,电流表的指针偏转角度很小,说明选择的量程大了,应改接到小量程测量;
如图丙,电流表的指针偏转到了右端,超出了量程范围,说明选择的量程小了,应改换大量程测量。
21.答案:BC
解析:电阻是导体本身的一种性质,不仅与长度和横截面积有关,还与材料有关,但是与电压高低和电流大小无关,故AD错误,BC正确。
故选BC。
燃料
加热前液体温度/℃
燃料燃尽时液体温度/℃
燃料的热值J/kg
燃料1
16
36
燃料2
16
56
导体代号
长度(m)
横截面积()
材料
A
0.6
0.4
镍铬合金
B
1.0
0.4
镍铬合金
C
0.6
0.6
镍铬合金
D
0.6
0.6
锰铜合金
相关试卷
这是一份河南省开封市通许县2024-2025年九年级上学期期中考试物理试题(无答案),共7页。试卷主要包含了填空题,选择题,作图题,实验探究题,综合应用题等内容,欢迎下载使用。
这是一份河南省开封市通许县2024-2025年九年级上学期期中考试物理试题,共6页。
这是一份河南省开封市通许县2023-2024学年八年级下学期物理期中考试试卷(原卷版+解析版),文件包含河南省开封市通许县2023-2024学年八年级下学期物理期中考试试卷原卷版docx、河南省开封市通许县2023-2024学年八年级下学期物理期中考试试卷解析版docx等2份试卷配套教学资源,其中试卷共18页, 欢迎下载使用。

