


河南省商丘市虞城县2024-2025学年九年级上学期11月期中考试化学试题
展开注意事项:
1.本试卷共4页,四个大题,25小题,满分50分,考试时间50分钟。
2.本试卷上不要答题,请按答题卡上注意事项的要求直接把答案填写在答题卡上。答在试卷上的答案无效。
可能用到的相对原子质量:H-1 C-12 N-14 O-16 Cl-35.5 K-39 Ca-40
一、选择题(本题包括14个小题,每小题1分,共14分。每小题只有一个选项符合题意)
1.2024年9月19日上午,我国在西昌。卫星发射中心用长征三号乙运载火箭与远征一号上面级,成功发射第五十九颗、六十颗北斗导航卫星。下列发射过程中一定发生化学变化的是( )
A.平台转运 B.加注燃料 C.点火发射 D.星箭分离
2.绚丽多彩的世界离不开化学家的贡献。提出原子论的化学家是( )
A.门捷列夫 B.道尔顿 C.拉瓦锡 D.张青莲
3.物质由微观粒子构成,下列物质是由原子直接构成的是( )
A.水 B.氢气 C.铁 D.氯化钾
4.氮化嫁(GaN)是优秀的半导体材料,在芯片制造中有着巨大的用途。氮化嫁中氮(N)元素与家(Ga)元素的本质区别是( )
A.质子数不同 B.核外电子数不同
C.中子数不同 D.最外层电子数不同
5.2024年3月22日是第三十二届“世界水日”,3月22日—28日是第三十七届“中国水周”。我国纪念2024年“世界水日”“中国水周”活动主题为“精打细算用好水资源,从严从细管好水资源”。下列关于水的说法正确的是( )
A.地球上的淡水资源十分丰富
B.无色、无臭、透明的液体一定是纯水
C.用活性炭“吸附”可除去水中的色素和异味
D.水沸腾时可冲起壶盖,说明温度升高分子会变大
6.化学是一门以实验为基础的科学。下列基本实验操作错误的是( )
A.给液体加热 B.量取液体
C.检查装置气密性 D.过滤
7.下列物质的性质与用途不具有对应关系的是( )
A.氮气化学性质不活泼,可用作保护气
B.氢气具有可燃性,且燃烧产物为水,可用作清洁燃料
C.镁燃烧时会发出耀眼白光,可用于制造照明弹
D.酒精具有挥发性,可用于杀菌消毒
8.硒(Se)是人体必需微量元素之一,含硒化合物在材料和药物领域具有重要应用。亚硒酸钠(Na2SeO3)能延缓人体衰老,其中Se元素的化合价为( )
A. +2 B.+3 C.+4 D.+6
9.正确使用和理解化学用语是重要的学科素养,下列说法正确的是( )
A.O2:表示2个氧原子
B.NO2:表示二氧化氮由一个氮原子和两个氧原子构成
C.2SO2:表示2个二氧化硫分子
D.:表示氧化钙中,钙离子带两个单位的正电荷
10.钒是一种重要的合金元素,主要用于钢铁工业,含钒钢具有强度高、韧性大、耐磨性好等优点。下图是钒在元素周期表中的部分信息。下列说法错误的是( )
A.钒属于金属元素 B.钒的元素符号为V
C.钒的原子核内有23个质子 D.钒的相对原子质量为50.94 g
11.下列鉴别物质的方法错误的是( )
A.汽油和酒精:闻气味
B.高钰酸钾和二氧化锰:观察颜色
C.氧气和二氧化碳:分别插入燃着的小木条
D.水和过氧化氢溶液:观察颜色
12.硫酰氯(SOCl2)在染料,药品、除草剂和农用杀虫剂的生产过程中有重要作用。硫酰氯在潮湿空气中“发烟”,是其与水分发生反应的结果。硫酰氯在潮湿空气中“发烟”过程的生成物不可能是( )
A. H2SO4 B. HCl C.SO3 D. NH3
13.“便携式制氧机”可用于家庭保健供氧。某品牌制氧机的工作原理如图所示,通过制氧剂产生氧气,制氧剂甲剂为白色颗粒过碳酸钠,制氧剂乙剂为黑色粉末MnO2.
【查阅资料】过碳酸钠遇水可分解生成过氧化氢和碳酸钠;碳酸钠易溶于水且它与MnO2混合不能生成氧气。下列说法错误的是
A.反应仓中发生两个化学反应,反应类型涉及分解反应和氧化反应。
B.加湿过滤仓除了具有提纯氧气的作用外,还能用于观察氧气的生成速率
C. MnO2的作用是作催化剂
D.保存过碳酸钠时,应注意保持干燥
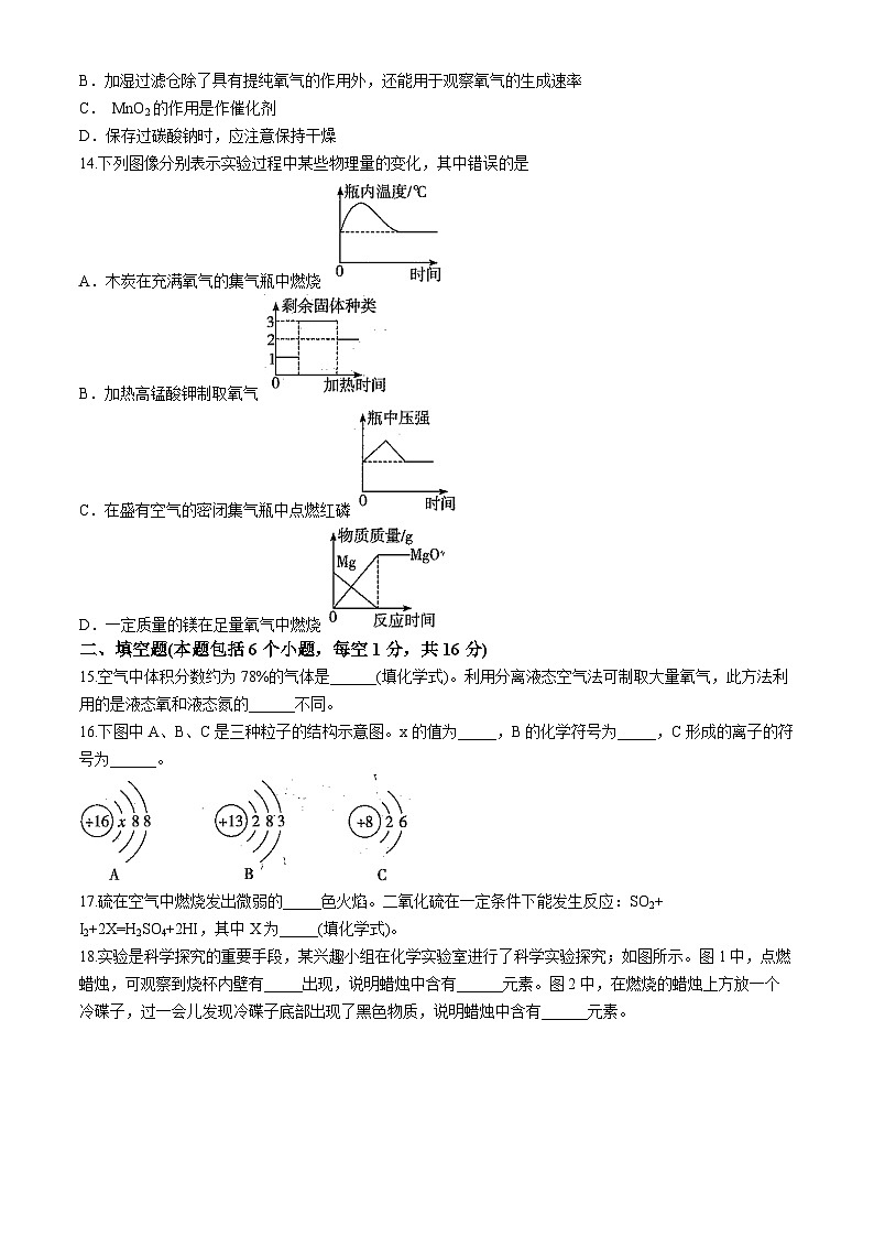
14.下列图像分别表示实验过程中某些物理量的变化,其中错误的是
A.木炭在充满氧气的集气瓶中燃烧
B.加热高锰酸钾制取氧气
C.在盛有空气的密闭集气瓶中点燃红磷
D.一定质量的镁在足量氧气中燃烧
二、填空题(本题包括6个小题,每空1分,共16分)
15.空气中体积分数约为78%的气体是______(填化学式)。利用分离液态空气法可制取大量氧气,此方法利用的是液态氧和液态氮的______不同。
16.下图中A、B、C是三种粒子的结构示意图。x的值为_____,B的化学符号为_____,C形成的离子的符号为______。
17.硫在空气中燃烧发出微弱的_____色火焰。二氧化硫在一定条件下能发生反应:SO2+ I2+2X=H2SO4+2HI,其中X为_____(填化学式)。
18.实验是科学探究的重要手段,某兴趣小组在化学实验室进行了科学实验探究;如图所示。图1中,点燃蜡烛,可观察到烧杯内壁有_____出现,说明蜡烛中含有______元素。图2中,在燃烧的蜡烛上方放一个冷碟子,过一会儿发现冷碟子底部出现了黑色物质,说明蜡烛中含有______元素。
19.Ca( NO3)2是一种常见的硝态氮肥,该化合物_______(填“属于”或“不属于”)氧化物,其由一种阳离子和一种阴离子构成,该阴离子为________(填化学符号)。Ca(NO3)2中氮元素的质量分数为________%(结果保留一位小数)。
20.已知A、B、C、D是初中化学常见的四种物质,均含有一种相同的元素,常温下,A、B为组成元素相同的两种无色液体,C为能助燃的无色气体。它们之间的转化关系如图所示(“ →”表示物质间能一步转化,部分反应物、生成物及反应条件已略去)。C的化学式是_______。D可用澄清石灰水检验,写出C→D反应的化学方程式:__________。A和B的组成元素相同,但化学性质不同,请从微观角度说明两者化学性质不同的原因:__________。
三、简答题(本题包括4个小题,共10分)
21.(2分)请用分子的观点解释生活中的现象。
(1)冬天洗完头发,用吹风机的热风吹头发,干得快。
(2)50 mL水和50 mL酒精混合后总体积小于100 mL。
22.(3分)用电解水实验探究水的元素组成,实验装置如图所示。
( 1)由图可知b管与电源_______(填“正”或“负”)极相连。
(2)通过该实验可以得出什么结论________?
(3)a管产生的气体在氯气中燃烧生成氯化氢,该反应可用于工业制备盐酸,写出该反应的化学方程式________。
23.(2分)如图是某密闭容器中发生反应的微观示意图。
c
(1)补画出C中框内缺少的微观粒子。
(2)写出该反应的化学方程式。
24.(3分)某同学利用足量红磷在空气中燃烧,通过氧气传感器来监测燃烧过程中氧气含量的变化,如图甲、乙所示。
(1)实验前首先需要进行什么操作?
(2)写出实验过程中发生反应的化学方程式。
(3)当红磷熄灭时,瓶内氧气的体积分数不为0,由此能得出什么结论?
四、综合应用题(共10分)
25.O2在生产、生活和生命活动中发挥着重大作用。回答下列问题。
(1)物质的性质决定用途。氧气在生产和生活中有着广泛的用途,但在某些情况下,也要使物质与氧气隔绝,这是因为氧气的化学性质_______。粮食可用于发酵酿酒,酿酒属于______(填“剧烈”或“缓慢”)氧化。
(2)如图实验装置可以用来制取常见的气体。
①用加热高锰酸钾的方法制取一瓶较纯净的氧气,应选择装置______(填字母),反应的化学方程式为_________。
②甲烷是一种无色无味的气体,密度比空气的小,极难溶于水。上述装置中,能用于收集甲烷的是______(填字母)。
③用下图装置收集一定体积的氧气,装置接口连接的顺序为_______(填写接口字母)。
(3)铁丝在氧气中剧烈燃烧,写出反应的化学方程式:________。
(4)氯酸钾(KClO3)粉末在二氧化锰作催化剂并加热的条件下,分解生成氯化钾和氧气,该反应也可用于实验室制取氧气。若需制备9.6 g O2,不计实验损耗,至少需要消耗多少克KClO3?(写出计算过程)_________。
2024—2025学年上学期阶段性评价卷二
九年级化学(人教版)参考答案
一、选择题(本题包括14个小题,每小题1分,共14分。每小题只有一个选项符合题意)
二、填空题(本题包括6个小题,每空1分,共16分)
15.N2 沸点
16.2 Al O2-
17.淡蓝 H2O
18.水雾 氢(或H) 碳(或C)
19.不属于 17.1
20.O2 C+O2CO2(合理即可) 分子的构成不同
三、简答题(本题包括4个小题,共10分)
21.(1)分子在不断运动,温度越高,分子运动越快。
(2)分子之间有间隔。
22.(1)正
(2)水由氧元素和氢元素组成。
(3)H2+Cl22HCl
23.(1)
(2)2H2S+3O22SO2+2H2O
24.(1)检查装置的气密性。
(2)4P+5O22P2O5
(3)物质燃烧时氧气必须达到一定浓度。
四、综合应用题(共10分)
25.(1)比较活泼缓慢
(2)①AE 2KMnO4K2MnO4+MnO2+O2↑ ②D、E ③b→c→a
(3)3Fe+2O2Fe3O4
(4)解:设生成9.6 g O2,参加反应的KClO3质量为x。
2 KClO32KCl+3O2↑……1分
245 96
x 9.6 g
……1分
x==24.5g……1分
答:若需制各9.6 g O2,不计实验损耗,至少需要消耗24.5 g KCl3.题号
1
2
3
4
5
6
7
8
9
10
11
12
13
14
答案
C
B
C
A
C
A
D
C
C
D
D
D
A
C
河南省商丘市虞城县2024-2025学年九年级上学期10月月考化学试题: 这是一份河南省商丘市虞城县2024-2025学年九年级上学期10月月考化学试题,共6页。
2024年河南省商丘市虞城县中考三模化学试题: 这是一份2024年河南省商丘市虞城县中考三模化学试题,共4页。
河南省商丘市虞城县多校联考2023-2024学年九年级上学期12月月考化学试题: 这是一份河南省商丘市虞城县多校联考2023-2024学年九年级上学期12月月考化学试题,共6页。