【高考物理】试题分类解释 专题17 电学创新实验(解析版)
展开
这是一份【高考物理】试题分类解释 专题17 电学创新实验(解析版),共7页。试卷主要包含了0 3等内容,欢迎下载使用。
1.霍尔效应是电磁基本现象之一,近期我国科学家在该领域的实验研究上取得了突破性进展。如图丙所示,在一矩形半导体薄片的P、Q间通入电流I,同时外加与薄片垂直的磁场B,在M、N间出现电压UH,这个现象称
为霍尔效应,UH称为霍尔电压,且满足,式中d为薄片的厚度,k为霍尔系数。某同学通过实验来测定该半导体薄片的霍尔系数。
①若该半导体材料是空穴(可视为带正电粒子)导电,电流与磁场方向如图丙所示,该同学用电压表测量UH时,应将电压表的“+”接线柱与_________(填“M”或“N”)端通过导线相连。
②已知薄片厚度d=0.40mm,该同学保持磁感应强度B=0.10T不变,改变电流I的大小,测量相应的UH值,记录数据如下表所示。
根据表中数据在给定区域内(见答题卡)画出UH—I图线,利用图线求出该材料的霍尔系数为_______________×10-3VA-1T-1(保留2位有效数字)。
③该同学查阅资料发现,使半导体薄片中的电流反向再次测量,取两个方向测量的平均值,可以减小霍尔系数的测量误差,为此该同学设计了如图丁所示的测量电路,S1、S2均为单刀双掷开关,虚线框内为半导体薄片(未画出)。为使电流从Q端流入,P端流出,应将S1掷向_______(填“a”或“b”), S2掷向_______(填“c”或“d”)。
为了保证测量安全,该同学改进了测量电路,将一合适的定值电阻串联在电路中。在保持其它连接不变的情况下,该定值电阻应串联在相邻器件____________和__________(填器件代号)之间。
答案:①M ②如图所示。 1.5 ③b c S1 E
解析:①若该半导体材料是空穴(可视为带正电粒子)导电,由左手定则,空穴所受洛伦兹力方向指向M,M侧电势高,用电压表测量UH时,应将电压表的“+”接线柱与M端通过导线相连。
②由可知UH---I图线的斜率等于KB/d,由UH---I图线可求得图线的斜率等于0.38,由KB/d=0.38可得:霍尔系数K=1.5×10-3VA-1T-1。
③为使电流从Q端流入,P端流出,应将S1掷向“b”, S2掷向 “c”。 为了保证测量安全,可以将一合适的定值电阻与电源串联连接在电路中。在保持其它连接不变的情况下,该定值电阻应串联在相邻器件S1 和E之间。
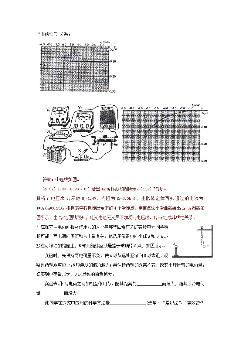
2.硅光电池在无光照时不产生电能,可视为一电子元件。某实验小组设计如图甲电路,给硅光电池加反向电压(硅光电池负极接高电势点,正极接低电势点),探究其在无光照时的反向伏安特性。图中电压表的V1量程选用3V,内阻为6.0kΩ;电压表V2量程选用15V,内阻约为30kΩ;R0为保护电阻;直流电源电动势E约为12V,内阻不计。
①根据图甲,用笔画线代替导线,将图乙连接成完整电路。
②用遮光罩罩住硅光电池,闭合开关S,调节变阻器R,读出电压表V1、V2的示教U1、U2。
(ⅰ)某次测量时,电压表V1示数如图丙,则U1= V.可算出通过硅光电池的反向电流大小为 mA(保留两位小数)。
(ⅱ)该小组测出大量数据,筛选出下表所示的9组U1、U2数据,算出相应的硅光电池两端反向电压UX 和通过反向电流IX(表中“-”表示反向),并在坐标纸上建立IX-UX坐标系,标出了与表中前5组UX、IX数据对应的5个坐标点。请你标出余下的4个坐标点,并绘出IX-UX图线。
(ⅲ)由IX-UX图线可知,硅光电池无光照下加反向电压时,IX与UX成____(填“线性”或“非线性”)关系。
答案:①连线如图。
②(i)1.40 0.23(ⅱ)绘出IX-UX图线如图所示。(iii)非线性
解析:电压表V1示数U1=1.4V,内阻为RV=6.0kΩ,由欧姆定律可知通过的电流为I=U1/RV=0.23A。根据表中数据标出余下的4个坐标点,用描点法平滑曲线绘出IX-UX图线如图所示。由IX-UX图线可知,硅光电池无光照下加反向电压时,IX与UX成非线性关系。
3.在探究两电荷间相互作用力的大小与哪些因素有关的实验中,一同学猜想可能与两电荷的间距和带电量有关。他选用带正电的小球A和B,A球放在可移动的绝座上,B球用绝缘丝线悬挂于玻璃棒C点,如图所示。
实验时,先保持两电荷量不变,使A球从远处逐渐向B球靠近,观察到两球距离越小,B球悬线的偏角越大;再保持两球的距离不变,改变小球所带的电荷量,观察到电荷量越大,B球悬线的偏角越大。
实验表明:两电荷之间的相互作用力,随其距离的____________而增大,随其所带电荷量___________而增大。
此同学在探究中应用的科学方法是_________________(选填:“累积法”、“等效替代法”、“控制变量法”、“或演绎法”)
8.(1)减小 增大 控制变量法。
4.(8分)(2013全国新课标理综1第23题)某学生实验小组利用图(a)所示电路,测量多用电表内电池的电动势和电阻“×lk”挡内部电路的总电阻。使用的器材有:
多用电表;
电压表:里程5V,内阻十儿千欧;
滑动变阻器:最大阻值5kΩ
导线若干。
回答下列问题:
(1)将多用电表挡位调到电阻“×lk”挡,再将红表笔和黑表笔 ,调零点
(2)将图((a)中多用电表的红表笔和 (填“1”或“2)端相连,黑表笔连接另一端。
(3)将滑动变阻器的滑片调到适当位置,使多用电表的示数如图(b)所示,这时电压表的示数如图(c)所示。多用电表和电压表的读数分别为 kΩ和 V 。
(4)调节滑动变阻器的滑片,使其接入电路的阻值为零。此时多用电表和电压表的读数分别为12.0kΩ和4.00 V。从测量数据可知,电压表的内阻为 kΩ。
(5)多用电表电阻挡内部电路可等效为由一个无内阻的电池、一个理想电流表和一个电阻串联而成的电路,如图(d)所示。根据前面的实验数据计算可得,此多用电表内电池的电动势为 9.00 V,电阻“×lk”挡内部电路的总电阻为 15.0 kΩ。
【命题意图】本题考查多用电表、闭合电路欧姆定律等基础知识点,意在考查考生应用相关知识定量分析物理问题,解决问题的能力。
答案:(1)短接 (2)1 (3)15.0 3.60
(4)12.0(5)9.00 15.0
解析:(1)多用电表选档后,要将两表笔短接后,欧姆调零。
(2)多用电表内部电池的正极相连的是黑表笔,所以多用电表的红表笔和1端相连,黑表笔连接另一端。
(3)多用电表的读数为15.0kΩ,电压表的读数为3.60V 。
(4)调节滑动变阻器的滑片,使其接入电路的阻值为零。此时多用电表的读数等于电压表内阻,即电压表内阻为12.0kΩ。
(5)根据(3)中测量数据可知电阻“×lk”挡内部电路的总电阻为r=15.0 kΩ。根据(4)中测量数据。由闭合电路欧姆定律, E=U2+U2r/R2,代入数据得: E=4.00+4.00r/1200;解得:E= 9.00V。
5. (2013全国新课标理综II第23题)(7分)某同学用量程为1mA、内阻为120Ω的表头按照图(a)所示电路改装成量程分别为1V和1A的多用电表。图中R1和R2为定值电阻,S为开关。回答下列问题:
(1)根据图(a)所示的电路,在图(b)所示的实物图上连线。
(2)开关S闭合时,多用电表用于测量 (填“电流”、“ 电压” 或“电阻”); 开关S断开时,多用电表用于测量 (填“电流”、“ 电压” 或“电阻”)。
(3)表笔A应为 色(填“红”或“黑”)。
(4)定值电阻的阻值R1= Ω,R2= Ω.(结果取3位有效数字)
(7分)【答案】(1)连线如图所示。(2分)(2)电流(1分) 电压(1分)。(3)黑(1分)(4)1.00(1分)880(1分)
【命题意图】 本题主要考查多用电表的原理、使用和电流表电压表的原理和改装,意在考查考生应用相关电路知识分析解决问题能力。
【解题思路】(1)根据图a的电路图连线。
(2)开关S闭合时,电阻R1与电流表并联,多用电表用于测量电流。开关S断开时,电阻R2与电流表串联,多用电表用于测量电压。
(3)根据电流表、电压表电流从电表正接线柱进,从电表负接线柱出,表笔A出,表笔A应为黑色,表笔B应为红色。
(4)开关S断开时,由串联电路知识,Ig(R2+Rg)=U,解得R2=880Ω;开关S闭合时,由并联电路知识,Ig(R2+Rg)=(I- Ig)R1,解得R1=1.00Ω。
【易错点拨】解答此题的易错点是:没有分清开关闭合和断开状态是串联电路还是并联电路,不能正确应用串联电路或并联电路的相关规律解答。
6.演示地磁场存在的实验装置(由环形线圈,微电流传感器,DIS等组成)如图所示。首先将线圈竖直放置,以竖直方向为轴转动,屏幕上的电流指针____(填:“有”或“无”)偏转;然后仍将线圈竖直放置,使其平面与东西向平行,并从东向西移动,电流指针____(填:“有”或“无”)偏转;最后将线圈水平放置,使其从东向西移动,电流指针____(填:“有”或“无”)偏转。
答案:有 无 无 解析:首先将线圈竖直放置,以竖直方向为轴转动,线圈中磁通量变化,屏幕上的电流指针有偏转。然后仍将线圈竖直放置,使其平面与东西向平行,并从东向西移动,线圈中磁通量不变化,电流指针无偏转。最后将线圈水平放置,使其从东向西移动,线圈中磁通量不变化,电流指针无偏转。
7.为探究小灯泡的电功率P和电压U的关系,小明测量小灯泡的电压U和电流I,利用P=UI得到电功率。 实验所使用的小灯泡规格为“3.0V,8W”,电源为12V的电池,滑动变阻器的最大阻值为10Ω。
(1)准备使用的实物电路如题10-1图所示。 请将滑动变阻器接入电路的正确位置。 (用笔画线代替导线)
(2)现有10Ω、20Ω和50Ω的定值电阻,电路中的电阻R1 应选_______Ω的定值电阻。
(3)测量结束后,应先断开开关,拆除_______两端的导线,再拆除其他导线,最后整理好器材。
(4)小明处理数据后将P、U2描点在坐标纸上,并作出了一条直线,如题10-2图所示。 请指出图象中不恰当的地方。
答案:(1)(见右图)
(2)10
(3)电池
(4)图线不应画为直线;横坐标的标度不恰当.
解析:探究小灯泡的电功率P和电压U的关系,小灯泡的电压从零开始逐渐增大,应该设计成分压电路。电路中的电阻R1为保护电阻,应选10Ω的定值电阻。测量结束后,应先断开开关,拆除电池两端的导线,再拆除其他导线,最后整理好器材。由于小灯泡的电阻随温度的升高而增大,小灯泡的电阻随电压的增大而增大,P随U2变化关系不是直线,应该把横坐标的标度取的大一些,图线为向下弯曲的,图线不应画为直线。
相关试卷
这是一份专题13 电学创新型实验题-高考物理实验题专项突破,文件包含专题13电学创新型实验题解析版-高考物理实验题专项突破docx、专题13电学创新型实验题原卷版-高考物理实验题专项突破docx等2份试卷配套教学资源,其中试卷共37页, 欢迎下载使用。
这是一份2022届高考备考物理二轮专题练习——电学基础实验与创新实验(解析版),共63页。试卷主要包含了6 A,内阻rA=0等内容,欢迎下载使用。
这是一份高中物理高考 专题42 电学基础实验与创新实验(原卷版),共25页。

