上海市复旦大学附属中学2024-2025学年高二上学期期中考试物理试卷(无答案)
展开考生注意:
1.试卷满分100分,考试时间60分钟。
2.本考试分设试卷和答题纸。答题前,务必在答题纸上填写姓名、学号。作答必须写在答题纸上,在试卷上作答一律不得分。
3.未特别标注的选择类试题,每小题只能选一个选项。
4.可以使用计算器。
一、类比是学习中常用的方法之一,可将陌生的知识与熟识的事物相联系,降低学习难度。
1.(4分)库仑定律与万有引力定律类似,均为距离平方反比定律。在正点电荷Q的电场中,一个电量为的粒子(重力不计),在与Q间距处由静止释放,此时的电势能为________;当其运动至与Q间距时,其动能增量为________.已知引力势能,静电力常量记为k.
在研究全电路时,我们可以将电源内部抬升电势的部分类比为向高处抽水的水泵;电阻类比为自高处流向低处的水流遇到的阻碍。则由此类比可知:
2.(3分)在电源内部抬升电势的部分,非静电力做( )
A.正功B.负功
3.(3分)在闭合回路中,电流流过电源的抬升电势部分(即对应电动势)和内阻部分时,分别发生怎样的能量转化( )
A.电动势:电能→其他能;内阻:其他能→电能
B.均为电能→其他能
C.电动势:其他能→电能;内阻:电能→其他能
D.均为其他能→电能
电荷产生电场,电场对电荷有力的作用。电流产生磁场,磁场对电流有力的作用。则结合所学知识,可推测如图所示的通电螺线管(叉与点均表示电流方向)内部的磁场
4.(3分)方向为:( )
A.向左B.向右C.向上D.向下
5.(3分)大小为( )
A.近似为匀强磁场B.靠近电流处更强C.中轴线处更强
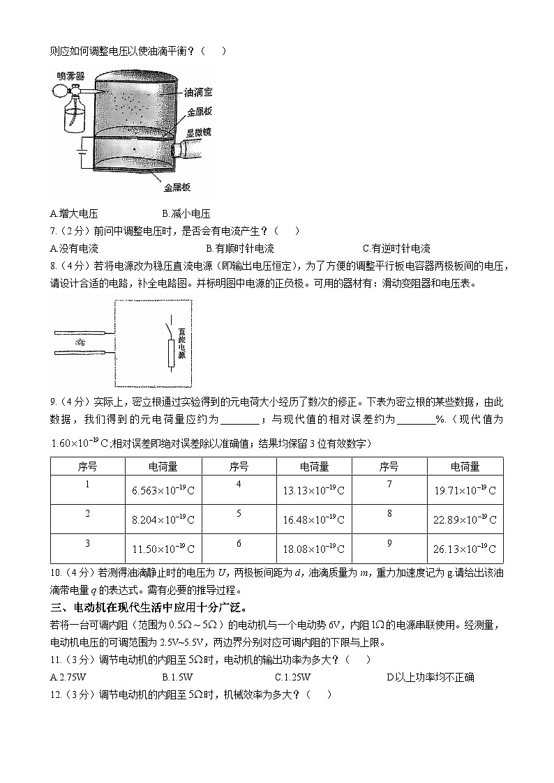
二、密立根油滴实验
6.(2分)如图为实验装置,左侧电源的输出电压可调。若从显微镜中观察发现油滴(带负电)在加速下落,则应如何调整电压以使油滴平衡?( )
A.增大电压B.减小电压
7.(2分)前问中调整电压时,是否会有电流产生?( )
A.没有电流B.有顺时针电流C.有逆时针电流
8.(4分)若将电源改为稳压直流电源(即输出电压恒定),为了方便的调整平行板电容器两极板间的电压,请设计合适的电路,补全电路图。并标明图中电源的正负极。可用的器材有:滑动变阻器和电压表。
9.(4分)实际上,密立根通过实验得到的元电荷大小经历了数次的修正。下表为密立根的某些数据,由此数据,我们得到的元电荷量应约为________;与现代值的相对误差约为________%.(现代值为;相对误差即绝对误差除以准确值;结果均保留3位有效数字)
10.(4分)若测得油滴静止时的电压为U,两极板间距为d,油滴质量为m,重力加速度记为g.请给出该油滴带电量q的表达式。需有必要的推导过程。
三、电动机在现代生活中应用十分广泛。
若将一台可调内阻(范围为)的电动机与一个电动势6V,内阻的电源串联使用。经测量,电动机电压的可调范围为2.5V~5.5V,两边界分别对应可调内阻的下限与上限。
11.(3分)调节电动机的内阻至时,电动机的输出功率为多大?( )
D.以上功率均不正确
12.(3分)调节电动机的内阻至时,机械效率为多大?( )
A.54.5%B.91.7%
电磁炮即可视为直线运行的电动机,如图所示。
13、14题
13.(2分)若希望金属弹丸向右加速射出,则应该在轨道间加上怎样的磁场?( )
A.出纸面的磁场B.入纸面的磁场C.向左的磁场D.向右的磁场
14.(2分)若将图示装置放置于无外磁场的空间中,忽略阻力,闭合开关,弹丸会有怎样的运动?( )
A.向左运动B.向右运动C.不会运动D.上下跳动
15.(3分)如电动车,电风扇等机器中的电动机是在转动,较为类似于右图中的模型。其中,器皿边缘连接电源正极,中心连接负极,器皿中的液体为导体。则通过所学的知识可知,当接通电源后从上向下看( )
A.液体将不会旋转B.液体将逆时针旋转
C.液体将顺时针旋转D.不能确定液体的转动方向
我们还可以将为电动车供电的电源替换为超级电容器。已知某超级电容器有轨电车的车载电容器电容为9500F,车辆在站台区30秒内快速充电完成,随即,该车匀速运行,10分钟后将电基本耗尽。
16.(6分)(1)若将充电电路简化为10kV的恒压电源,定值保护电阻与电容器的串联。请画出充电过程中,电流、电容器电压分别与时间的函数关系图。
(2)充电完成时,车载电量约为________C。
四、示波器是物理、工程等领域中必不可少的仪器。其中,关键部分示波管的基本结构如图所示。
加速段:
17.(3分)电子枪部分将电子加速,其电势应为( )
A.左高右低
B.左低右高
C.交流电压,故左右交替为高电势
若经上述电压加速后,在进入偏转电极前,电子的速度已达到约.已知电子质量为,重力忽略不计,初速度忽略不计。则
18.(3分)加速电压的数量级约为多少?( )
A.B.C.D.
19.(2分)在研究电子离开加速电场之后的运动时,是否需要考虑狭义相对论效应?( )
A.需要B.不需要
偏转段:
20.(3分)电子经过加速后,进入偏转电极。如果在两偏转电极之间所加的电压如右图所示的规律变化,则荧光屏上会看到的图形是( )
A.B.C.D.
21.(12分)汤姆孙用来测定电子比荷的装置与示波管很类似。当CD间不加偏转电压时,电子束打在荧光屏的中心O点处,形成一个亮点;加上偏转电压U后,亮点偏离到P点,P点到O点的竖直距离为y。若再在CD间的区域里加上一个方向垂直于纸面向外的匀强磁场,调节磁感应强度,当其大小为B时,亮点重新回到O点(即此时磁场力与电场力大小相等)。已知C与D极板的长度L为5.00cm,两极板间的距离d为3.0cm,极板区的中点M到荧光屏中点O的距离s为12.50cm,电压U为400V,磁感应强度B为,P点到O点的距离y为3.00cm。按要求解决以下问题:
(1)已知电流,其中n表示单位体积内的载流电荷数,s为电流的横截面积,v为载流电荷的速度。试证明:单个电子在磁场中的受力大小(称为洛伦兹力);
(2)比荷即电荷量与质量之比,其国际单位是什么(不必用基本单位表示)?电子伏特(eV)又是什么我们所熟知的物理量的单位;
(3)在保持题目所给的原磁场、原电场不变的情况下,在C、D区域新加一个长宽以及场强大小与原电场完全相同,但垂直纸面向里的匀强电场,求亮点到O点的距离。
五、场,看不见摸不着,却是重要的物质形式与物理概念。
22.(6分)(1)请写出电势的定义式。
(2)类比电势的定义方法,在重力场中建立“重力势”的概念(给出定义式)。
(3)简要说明电势和“重力势”的共同特点(请写出两点)。
23.(4分)电阻两端如果有电势差,说明其内部存在________(选填“电场”或“电动势”);上述电势差会使电阻中产生稳恒电流,则其中的电场力是载流子运动的________(选填“动力”或“阻力”)。
24.(3分)特高压直流输电是国家重点能源工程。如图所示,两根等高、相互平行的水平长直导线分别通有方向相同的电流和,。a、b、c三点连线与两根导线等高并垂直,b点位于两根导线间的中点:a、c两点与b点距离相等,d点位于b点正下方。不考虑地磁场的影响,则( )
A.b点处的磁感应强度大小为0
B.d点处的磁感应强度大小为0
C.a点处的磁感应强度方向竖直向下
D.c点处的磁感应强度方向竖直向下
25.(13分)地球表面附近存在一个竖直向下的电场,其大小约为100V/m。在该电场的作用下,大气中正离子向下运动,负离子向上运动,从而形成较为稳定的电流,这叫做晴天地空电流。地表附近某处地空电流虽然微弱,但全球地空电流的总电流强度很大,约为1800A。以下分析问题时假设地空电流在全球各处均匀分布。
(1)请问地表附近,从高处到低处,电势升高还是降低?
(2)如果认为此电场是由地球表面均匀分布的负电荷产生的,且已知电荷均匀分布的带电球面在球面外某处产生的场强相当于电荷全部集中在球心所产生的场强;地表附近电场的大小用E表示,地球半径用R表示,静电力常量用k表示,请写出地表所带电荷量的大小Q的表达式;
(3)取地球表面积,试计算地表附近空气的电阻率的大小;
(4)我们知道电流的周围会有磁场,那么全球均匀分布的地空电流是否会在地球表面形成磁场?如果会,说明方向;如果不会,说明理由。
序号
电荷量
序号
电荷量
序号
电荷量
1
4
7
2
5
8
3
6
9
上海市复旦大学附属中学2024-2025学年高一上学期10月月考物理试题: 这是一份上海市复旦大学附属中学2024-2025学年高一上学期10月月考物理试题,共3页。
上海市复旦大学附属中学2024-2025学年高三上学期10月阶段性教学质量评估物理试卷: 这是一份上海市复旦大学附属中学2024-2025学年高三上学期10月阶段性教学质量评估物理试卷,共9页。试卷主要包含了选择题,填空题,综合题等内容,欢迎下载使用。
上海市复旦大学附属中学2023-2024学年高一下学期期末物理试卷: 这是一份上海市复旦大学附属中学2023-2024学年高一下学期期末物理试卷,共4页。

