江苏省南京市六校联合体2024-2025学年高三上学期10月联合调研化学试卷(Word版附答案)
展开可能用到的相对原子量:H-1 C-12 N-14 O-16 S-32 Cl-35.5 Fe-56 Zn-65
一、单项选择题:共14题,每题3分,共42分。每题只有一个选项最符合题意。
1. 2024年政府工作报告中的新质生产力涉及新材料产业。下列材料不属于新型无机非金属材料的是
A. 碳纳米材料 B. 石墨烯 C. 石英光导纤维 D. 聚碳酸酯
2.氮化硅(Si3N4)可通过反应制备。下列说法正确的是
A. 1ml SiO2中含有2mlSi—O键 B.的电子式为
C. CO是极性分子 D. Si3N4晶体属于分子晶体
3.下列制取SO2、验证其还原性、收集并进行尾气处理的装置和原理能达到实验目的的是
A. 制取 B. 验证还原性 C. 收集 D. 尾气处理
4.臭氧(O3)在 [Fe(H2O)6]2+催化下能将烟气中的SO2、NOx分别氧化为SO42−和NO3−。下列关于N、O、S、Fe元素及其化合物的说法正确的是
A. 原子半径:S>O>N B. 1ml[Fe(H2O)6]2+含有键数目为12ml
C. 键角:H2O>NH3 D. 第一电离能: I1(N)>I1(O)>I1(S)
阅读下列材料,完成5∼7题
氮的常见氢化物有氨(NH3)和肼(N2H4)。Mg3N2可与水反应生成NH3。液氨可发生微弱电离产生NH2−,液氨能与碱金属(如Na、K)反应产生H2。NH3中一个H被—NH2取代可得N2H4,常温下N2H4为液体,具有很高的燃烧热(622kJ·ml-1)。以硫酸为电解质,通过催化电解可将N2转化为N2H4;碱性条件下,NaClO氧化NH3也可制备N2H4。
5.下列说法正确的是
A. NH3和N2H4分子中N原子杂化轨道类型不同
B. 液氨电离可表示为: 2NH3NH4++ NH2−
C. N2H4的结构式为
D. Mg3N2中存在N≡N键
6.下列化学反应表示正确的是
A. 肼在氧气中燃烧:N2H4(l)+O2(g)= N2(g) +2H2O(g) △H= - 622.1kJ·ml-1
B. 液氨与钠反应:2Na + 2NH3 = 2NaNH2 + H2↑
C. NaClO氧化NH3制备N2H4;4NH3 + ClO—+2OH—= 2N2H4 + Cl—+3H2O
D. 电解法制备N2H4的阴极反应:N2 + 4H+-4e— =N2H4
7.下列物质结构与性质或物质性质与用途不具有对应关系的是
A. NH3分子间存在氢键,NH3极易溶于水
B. 液氨汽化时吸收大量的热,可用作制冷剂
C. N2H4中N原子能与形成配位键,N2H4的水溶液呈碱性
D. N2H4具有还原性,可用作燃料电池的燃料
FeS2
煅烧
SO2
BaCl2溶液
BaSO3
8. 在给定条件下,下列选项中所示的物质间转化均能实现的是
MgO(s)
盐酸
MgCl2(aq)
加热蒸干
MgCl2(s)
A. 由FeS2制备BaSO3:
过量NaOH(aq)
Cu(OH)2(gCl2(aq)
Cu2O
葡萄糖
B. 由MgO制备MgCl2:
CuSO4溶液
加热
C. 由CuSO4生成Cu2O:
SiO2
H2O
H2SiO3
O2
NaOH(aq)
Na2SiO3
D. SiO2制Na2SiO3:
9. 化合物Z是一种有机合成中的重要中间体,其部分合成路线如下:
下列说法正确的是
A. Y与Z分子均存在顺反异构体 B. 用酸性高锰酸钾溶液鉴别X和Y
C. 用FeCl3溶液可以鉴别X、Y D. Y与足量H2加成后的产物中含有手性碳原子
10. 实验室以含锌废液(主要成分为ZnSO4,还含有少量的Fe2+、Mn2+,溶液pH≈5)为原料制备ZnCO3的实验流程如下图所示,S2O82−具有强氧化性,易被还原为SO42−,S2O82−的结构如图乙所示。下列说法正确的是
A. “除锰”反应的离子方程式为S2O82−+Mn2++2H2O=2SO42−+MnO2↓+4H+
B. “除锰”反应中每消耗1 ml S2O82−,硫元素共得到2 ml电子
C. 试剂X可以选用Zn、ZnO等物质
D. 滤液中一定大量存在的阳离子有Na+、NH和Zn2+
11.下列实验方案能达到探究目的的是
12. 硫酸工业尾气(主要含SO2、N2和O2),用Na2SO3溶液吸收尾气中的SO2可将其转化为NaHSO3,
当c(HSO):c(SO)≈10时,吸收能力下降,需要加热再生为Na2SO3溶液。已知Ka1(H2SO3)=10−1.9,Ka2(H2SO3)= 10−7.2,下列说法不正确的是
A. NaHSO3溶液中存在:2c(SO) + c(HSO)> c(Na+)
B. Na2SO3溶液吸收SO2离子方程式为:SO+SO2+H2O=2HSO3−
C. 当c(HSO):c(SO)=10时,此时吸收液的pH=6.2
D. 与原Na2SO3溶液相比,吸收液充分分解放出SO2再生后吸收SO2能力几乎不变
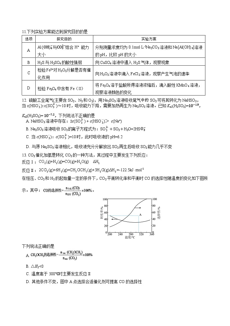
13. CO2催化加氢是转化CO2的一种方法,其过程中主要发生下列反应:
反应Ⅰ:
反应Ⅱ:
在恒压、CO2和H2的起始量一定的条件下,CO2平衡转化率和平衡时CO的选择性随温度的变化如下图所示。其中:。
下列说法正确的是
A.
B. △H1<0
C. 温度高于300℃时主要发生反应Ⅱ
D. 其他条件不变,图中A点选择合适催化剂可提高CO的选择性
非选择题:共4题,共61分
14.(15分)以废干电池[主要含MnO2、MnOOH、Zn、Zn(OH)2、Fe、KOH]和钛白厂废酸(主要含H2SO4,还有少量Ti3+、Fe2+、Ca2+、Mg2+等)为原料,制备锰锌铁氧体[MnxZn1-xFe2O4]的流程如下:
已知: ① 25℃时,Ksp(MgF2)=7.5×10-11,Ksp(CaF2)=1.5×10-10;酸性较弱时,MgF2、CaF2均易形成[MFn]2-n配离子(M代表金属元素);
② (NH4)2S2O8在煮沸时易分解
(1)酸浸过程中含锰物质被溶液中的FeSO4还原为Mn2+,其中MnO2参与反应的离子方程式为 ▲ 。
(2)氧化时加入H2O2将Ti3+、Fe2+氧化,再加入Na2CO3调节溶液pH为1~2,生成偏钛酸(H2TiO3)和黄钾铁矾[K2Fe6(SO4)4(OH)12]沉淀,使得钛、钾得以脱除。
① 加入Na2CO3生成黄钾铁矾的离子方程式为 ▲ 。
② 若加入Na2CO3过多,将导致产品的产率下降,其原因是 ▲ 。
(3)①氟化过程中溶液pH与钙镁去除率关系如14题图-1所示。当2.5 < pH < 4.0时,溶液pH过高或过低,Ca2+、Mg2+去除率都会下降,其原因是 ▲ 。
②氟化后,溶液中为 ▲ 。
③CaF2晶胞结构如14题图-2所示,其中Ca2+的配位数为 ▲ 。
题14图-1 题14图-2
(4)共沉淀前,需测定溶液中锰元素含量。
先准确量取1.00 mL氟化后溶液于锥形瓶中,加入少量硫酸、磷酸和硝酸银(Ag+是催化剂)溶液振荡;将溶液加热至80℃,加入3 g (NH4)2S2O8充分反应后,再将溶液煮沸,冷却后,再用0.0700 ml/L的(NH4)2Fe(SO4)2标准液滴定至溶液由浅红色变为无色。请写出Mn2+与S2O82−反应的离子方程式 ▲ 。
15.(15分) F是一种有机工业制备的重要中间体,其一种合成工艺流程如下图:
(1)E中含氧官能团的名称为 ▲ 。
(2)A→B时发生取代反应,所得产物为化合物B和CH3OH。则X的结构简式为 ▲ 。
(3)Y的结构简式为 ▲ 。
(4)E→F的反应实际上经历了两步反应,两步反应类型依次是 ▲ 、 ▲ 。
(5)写出一种符合下列条件的化合物C的同分异构体 ▲ 。
①结构中含有苯环,无其他环状结构;苯环上的一元取代物只有一种;
②红外光谱显示结构中含“-C≡N”和“C=S”结构;
③核磁共振氢谱显示结构中有3种化学环境的氢原子,个数比为1:6:6。
(6)设计以化合物CH2=CH2、n-BuLi、 、为原料,合成化合物
的路线图(无机试剂及有机溶剂任用)。
16.(16分)废旧锂电池正极材料(含LiCO2及少量Al、Fe等)为原料制备CSO4溶液,再以CSO4溶液、NaOH溶液、氨水和水合肼为原料制得微米级C(OH)2。
已知:
① C2+、C3+易与NH3形成配合物;
② 水合肼(N2H4·H2O)为无色油状液体,具有强还原性,氧化产物为N2;
③ 沉淀的生成速率越快,颗粒越小,呈凝乳状胶体,不易过滤。
(1)写出钴基态原子的价层电子排布式 ▲ 。
(2)制备CSO4溶液。
取一定量废旧锂电池正极材料,粉碎后与Na2SO3溶液混合配成悬浊液,边搅拌边加入1 ml/LH2SO4溶液充分反应。LiCO2转化为CSO4、Li2SO4的化学方程式为 ▲ 。从分液漏斗中滴入1 ml/LH2SO4时,滴加速率不能太快且需要快速搅拌的原因是 ▲ 。
(3)制备微米级C(OH)2
60℃时在搅拌下向500mL 1ml/LCSO4溶液中加入氨水,调节pH至6后,再加入NaOH溶液,调节pH至9.5左右,一段时间后,过滤、洗涤,真空烘干得微米级C(OH)2。
制备时,在加入NaOH溶液前必须先加氨水的原因是 ▲ 。
(4)经仪器分析,测得按题(3)步骤制得的C(OH)2晶体结构中含有C(III),进一步用碘量法测得C(II)的氧化程度为8%。因此制备时必须加入一定量的还原剂。
为确保制得的C(OH)2产品中不含C(III),制备时至少需加入水合肼的质量为 ▲ g。(写出计算过程)
(5)利用含钴废料(主要成分为C3O4,还含有少量的石墨、LiCO2等杂质)制备碳酸钴CCO3。
已知:①CCO3几乎不溶于水,Li2CO3微溶于水;
②钴、锂在有机磷萃取剂(HR)中的萃取率与pH的关系如图所示;
③酸性条件下的氧化性强弱顺序为:C3+>H2O2。
请补充完整实验方案:取一定量含钴废料,粉碎后 ▲ ,充分反应后,静置后过滤,洗涤、干燥得到CCO3。 【实验中必须使用的试剂:2 ml/L H2SO4溶液、2 ml/LNaOH溶液、有机磷(HR)、0.5 ml/LNa2CO3溶液、30%H2O2溶液。】
17.(15分) CO2资源化利用具有重要意义。
(1)CH4还原CO2是实现“双碳”经济的有效途径之一,相关的主要反应有:
.CH4(g) + CO2(g)=2CO(g) + 2H2(g)
.CH4(g) + 3CO2(g)=4CO(g) + 2H2O (g)
反应CO2(g) + H2(g)=CO(g) + H2O (g) ▲ 。
(2)燃煤烟气中CO2的捕集可通过如下所示的物质转化实现。
①吸收剂X的结构简式是 ▲ 。
②X具有很好的水溶性的原因是 ▲ 。
(3)CO2与环氧化合物反应可以转化为有价值的有机物。
转化过程如题17图-1所示。Y为五元环状化合物,Y的结构简式为 ▲ ;N原子上的孤电子对主要进攻甲基环氧乙烷中“CH2”上的碳原子,而不是“CH”上的碳原子,原因是 ▲ 。
题17图-1
(4)利用电化学可以将CO2转化为有机物
多晶Cu是目前唯一被实验证实能高效催化CO2还原为烃类(如C2H4)的金属。如题17图-2,电解装置中分别以多晶Cu和Pt为电极材料,用阴离子交换膜分隔开阴、阳极室,反应前后KHCO3浓度基本保持不变,温度控制在10℃左右。阴极生成C2H4的电极反应式为 ▲ 。
题17图-2
(5)装置工作时,阴极主要生成C2H4,还可能生成副产物降低电解效率。标准状况下,当阳极生成O2的体积为224mL时,测得阴极区生成C2H4 56mL,则电解效率为 ▲ 。(忽略电解前后溶液体积的变化)已知:电解效率选项
探究目的
实验方案
A
Al(OH)4−与CO32−结合H+ 能力大小
分别测量浓度均为0.1ml·L-1Na2CO3溶液和Na[Al(OH)4]溶液的pH,比较pH的大小
B
H2S与H2SO4的酸性强弱
向CuSO4溶液中通入H2S气体,观察现象
C
检验Fe2+对H2O2分解是否有催化作用
向H2O2溶液中滴入FeCl2溶液,观察产生气泡的速率
D
检验Fe3O4中含有Fe(II)
将Fe3O4溶于盐酸所得溶液浓缩后,滴入酸性KMnO4溶液,观察溶液颜色的变化
2024-2025学年度第二学期六校联合体10月调研
高三化学试题答案
14. (15分)
(1)2Fe2++MnO2+4H+ = Mn2++2Fe3++2H2O (2分)
(2)① 2K++6Fe3++4SO+6CO+6H2O = K2Fe6(SO4)4(OH)12↓+6CO2↑ (2分)
② 加入Na2CO3过多,pH过大,生成Fe(OH)3沉淀 (2分)
(3)①pH过低,溶液酸性较强,F-转化为弱酸HF,溶液中F-浓度减小,(答出“转化为弱酸HF”1分,答出“溶液中F-浓度减小”1分)Ca2+、Mg2+去除率减小;pH过高,MgF2、CaF2沉淀转化为[MFn]2-n配离子,沉淀重新溶解,Ca2+、Mg2+的去除率降低。 (1分)(共3分)
Ag+
②0.5 (2分) ③8 (2分)
80℃
(4)2Mn2++5S2O+8H2O === 2MnO+10SO+16H+;(温度不写不扣分) (2分)
15.(15分)
(1)(酮)羰基 (1分)
(2) (2分)
(3) (2分)
(4)加成反应(1分);消去反应(1分)
(5)或或(3分)
(6)
(5分)
16.(16分)
(2分)
(2) 2LiCO2+Na2SO3+3H2SO4=2CSO4+Li2SO4+Na2SO4+3H2O (2分)
使硫酸与悬浊液充分接触反应,防止局部酸性过强产生二氧化硫逸出(或提高钴的还原率)(2分)
(3)C2+与NH3形成配离子,降低溶液中C2+的浓度(1分),使C2+与OH-形成C(OH)2的速率降低,从而得到较大颗粒的C(OH)2,防止形成凝乳状沉淀或胶体,便于过滤分离提纯(1分)
(4) 0.5(共3分)
500 mL CSO4溶液中含有n(CSO4)=1 ml/L×0.5 L=0.5 ml,
被氧化后的n[C(III)]=0.5 ml×8%=0.04 ml(1分)
n(N2H4·H2O)=(1分)
m(N2H4·H2O)=0.01 ml×50 g/ml=0.5 g;(1分)
(5)向其中加入2 ml/L稀硫酸和10%H2O2溶液,充分反应后过滤(1分),向溶液中加入有机磷(HR),用2 ml/L NaOH溶液调节pH为5.4左右(5.2-5.8之间) (1分),(充分振荡后静置)
分液(1分),向有机层中滴加2 ml/L H2SO4溶液,调节pH约为2,分液 (1分) ,边搅拌边向水层中滴加0.5 ml/LNa2CO3溶液(1分)(共5分)
17.(15分)
(1)(2分) (“+”不写不扣分;数值正确,单位漏写得1分)
(2)①HOCH2CH2NH2(2分)
②X(含有氨基和羟基)能够与水分子形成分子间氢键 (2分)
(3)(3分) 甲基是推电子基团(1分),“CH”中碳带正电荷较少(1分) ,因此孤电子对更容易进攻“CH2”中的碳原子。 (共2分)
(4)(2分)
(5)75%(2分)
题号
1
2
3
4
5
6
7
8
9
10
11
12
13
答案
D
C
B
D
B
B
A
C
C
A
A
D
D
2024-2025学年第一学期六校学情调研
贴条形码区
选择题填涂样例:
正确填涂 错误填涂 [×] [√] [/]
姓 名:__________________________
准考证号:
考生禁填: 缺考标记
以上标志由监考人员用2B铅笔填涂
1.答题前,考生先将自己的姓名,准考证号填写清楚,并认真核准条形码上的姓名、准考证号,在规定位置贴好条形码。
2.选择题必须用2B铅笔填涂;非选择题必须用0.5 mm黑色签字笔答题,不得用铅笔或圆珠笔答题;字体工整、笔迹清晰。
3.请按题号顺序在各题目的答题区域内作答,超出区域书写的答案无效;在草稿纸、试题卷上答题无效。
4.保持卡面清洁,不要折叠、不要弄破。
注意事项
高三化学 答题卡
单项选择题 (共39分)
1
6
11
2
7
12
3
8
13
4
9
5
10
14.(15分)
①
②
(3)①
② ③
(4)
15.(15分)
(1) (2) (3)
(4)
(5)
请在各题目的答题区域内作答,超出黑色矩形边框限定区域的答案无效!
(6)
16.(16分)
(3)
(4)
(5)
17.(15分)
(1)
(2)① ②
(3)
(4) (5)
请在各题目的答题区域内作答,超出黑色矩形边框限定区域的答案无效!
请在各题目的答题区域内作答,超出黑色矩形边框限定区域的答案无效!
请在各题目的答题区域内作答,超出黑色矩形边框限定区域的答案无效!
(6)
16.(16分)
(3)
(4)
(5)
17.(15分)
(1)
(2)① ②
(3)
(4) (5)
请在各题目的答题区域内作答,超出黑色矩形边框限定区域的答案无效!
请在各题目的答题区域内作答,超出黑色矩形边框限定区域的答案无效!
请在各题目的答题区域内作答,超出黑色矩形边框限定区域的答案无效!
江苏省南京市六校联合体2023-2024学年高三化学上学期10月联合调研试卷(PDF版附答案): 这是一份江苏省南京市六校联合体2023-2024学年高三化学上学期10月联合调研试卷(PDF版附答案),共6页。
江苏省南京市六校联合体2023-2024学年高三上学期10月联合调研化学试卷: 这是一份江苏省南京市六校联合体2023-2024学年高三上学期10月联合调研化学试卷,共5页。
江苏省南京市六校联合体2023-2024学年高一化学上学期10月联合调研试题(Word版附答案): 这是一份江苏省南京市六校联合体2023-2024学年高一化学上学期10月联合调研试题(Word版附答案),共7页。

