


江苏省宿迁市宿城区2024-2025学年九年级上学期期中考试物理试卷(无答案)
展开
这是一份江苏省宿迁市宿城区2024-2025学年九年级上学期期中考试物理试卷(无答案),共8页。试卷主要包含了选择题,填空题,作图和实验探究题,计算题等内容,欢迎下载使用。
一、选择题(共12小题,每小题2分,共24分)
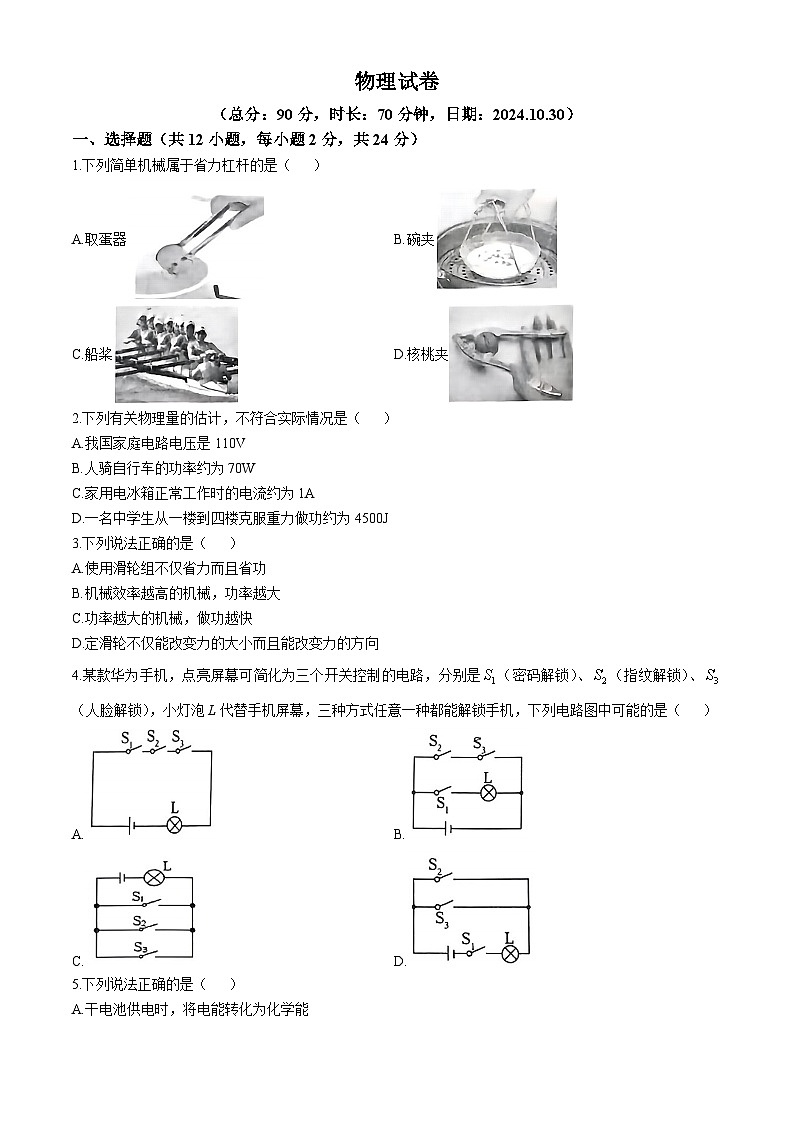
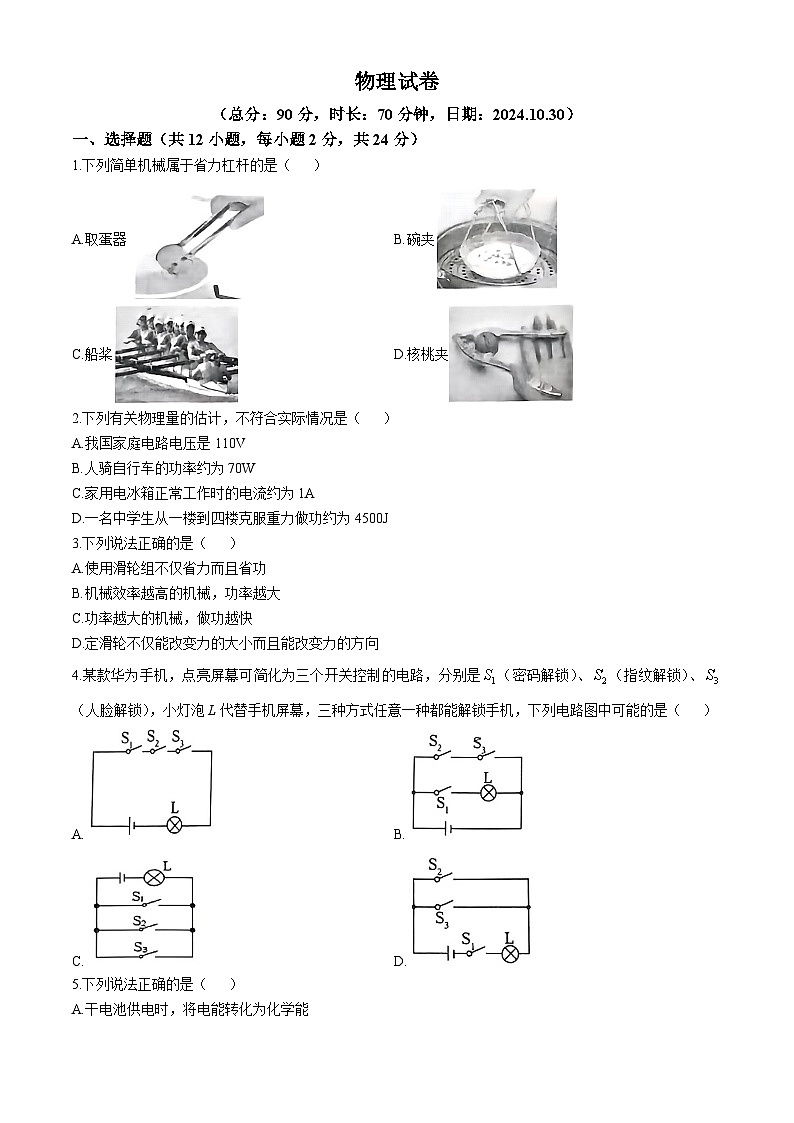
1.下列简单机械属于省力杠杆的是( )
A.取蛋器B.碗夹
C.船桨D.核桃夹
2.下列有关物理量的估计,不符合实际情况是( )
A.我国家庭电路电压是110V
B.人骑自行车的功率约为70W
C.家用电冰箱正常工作时的电流约为1A
D.一名中学生从一楼到四楼克服重力做功约为4500J
3.下列说法正确的是( )
A.使用滑轮组不仅省力而且省功
B.机械效率越高的机械,功率越大
C.功率越大的机械,做功越快
D.定滑轮不仅能改变力的大小而且能改变力的方向
4.某款华为手机,点亮屏幕可简化为三个开关控制的电路,分别是(密码解锁)、(指纹解锁)、(人脸解锁),小灯泡L代替手机屏幕,三种方式任意一种都能解锁手机,下列电路图中可能的是( )
A.B.
C.D.
5.下列说法正确的是( )
A.干电池供电时,将电能转化为化学能
B.通过导体的电流越大,导体的电阻越小
C.长短、粗细都相同的两根导线,电阻一定相同
D.两个小灯泡两端的电压相等,则这两灯泡可能是串联的
6.关于热量、内能、比热容,下列说法正确的是( )
A.物体的温度越低,所含的热量越少
B.一块0℃的冰熔化成0℃的水后,温度不变,内能不变
C.升高相同的温度,比热容大的物体吸收的热量多
D.发生热传递时,热量可以从内能小的物体传递给内能大的物体
7.如图所示是新型的LED灯带,它是由多个发光二极管串联后接入家庭电路的,以下说法正确的是( )
A.单个LED工作电压是220V
B.由于LED是由超导材料制成,电阻为零
C.LED主要是将电能转化为内能
D.即使灯带中各个LED实际发光亮度不同,通过它们的电流仍相等
8.电动自行车电池不能长时间充电,为了电动自行车的充电安全,小明设计了如图所示的定时充电器,用定时器控制充电时间。当定时器中有电流通过时,充电就会停止。针对该充电器的设计方案,下面说法正确的是( )
A.定时器应与充电器串联
B.指示灯在电路中只能起到指示的作用
C.如果在a处安装一个开关S,断开此开关则停止充电
D.充电时,定时器在电路中相当于一根导线
9.科学研究中常常发现某一问题的两个相关量之间存在一定的关系,且可用图线表示。下列相关的量之间不符合如图所示关系的是( )
A.机械在输出功率不变时,做的功与所用时间的关系
B.某种燃料完全燃烧所放出的热量与燃料质量的关系
C.给某个初温不为0℃的物体加热时,物体吸收的热量与温度的关系
D.恒力对物体所做功与物体在力的方向上所通过距离的关系
10.如图所示,用剪刀将一张纸片缓慢地一刀剪断的过程中,阻力臂的和动力的变化情况是( )
A.变大,不变B.变大,变大
C.不变,变大D.不变,不变
11.如图所示,粗糙的弧形轨道竖直固定于水平面,一小球由A点以速度v沿轨道滚下,经另一侧等高点B后到达最高点C.下列关于小球滚动过程的分析正确的是( )
A.整个过程只有重力在对小球做功
B.小球在A、B两点具有的动能相同
C.小球在A、B、C三点速度大小关系是
D.小球在A点具有的机械能等于它在C点具有的重力势能
12.如图所示,电源电压一定,关于电路工作情况,下列说法中正确的是( )
A.只闭合时,两只灯泡是串联的
B.若电压表和电流表位置对调,则闭合、后,两表都被烧坏
C.若先闭合,再闭合,电压表示数不变、电流表的示数变大
D.闭合开关、,灯泡发光比亮,则两端的电压比两端的电压高
二、填空题(每空1分,共19分)
13.电动自行车具有轻便、节能、环保等特点,深受人们的喜爱。给电动自行车充电时,车内蓄电池相当于电路中的________(选填“开关”、“电源”或“用电器”)。电动自行车的座垫在阳光暴晒下发烫是通过________的方式增加了座垫的内能。
14.碳酸饮料易拉罐的拉环被拉断后很难打开,拉环拉断后可拿圆珠笔的笔尾在罐口旁快速摩擦,拉环就可以被“炸开”。拉环被“炸开”的过程中能量转化与四冲程汽油机的________冲程相似;某四冲程汽油机每秒对外做功20次,则其飞轮转速是________r/min。
15.如图所示的电路,要使、并联应闭合开关________当闭合开关和时,灯________亮;为了防止电源短路,不能同时闭合开关________.
16.如图所示,两种不同的金属丝组成一个闭合回路,触头1置于热水杯中,触头2置于冷水杯中,此时回路中电流表指针就会发生偏转,这是温差电现象。此过程中________能转化为________能。
17.如图所示,电源电压为3V,闭合开关S时,电压表示数为2V,则灯泡两端的电压为________V;若断开开关S,则灯L将________(选填“不能”或“能”)发光,电压表的示数将________(选填“变大”、“变小”或“不变”)。
18.如图所示是电阻A、B的图象。由图可知:将电阻A、B串联后接入电路,当通过A的电流为0.3A时,A和B两端的总电压是________V;将电阻A、B并联后接入某电路,当通过B的电流为0.2A时,通过A的电流是________A。
19.如图所示,质量为500g的某液体,比热容是,在均匀放热的条件下凝固成固态物质,且质量不变,则第20min的内能________(选填“大于”“小于”或“等于”)第10min的内能;凝固过程中该物质放热________J;该物质固态时的比热容是________
20.如图所示,一个重为8N的物体在恒力F作用下先后经过光滑水平面及与水平面成角的粗糙斜面,其中AB和CD段距离均为s,物体在AB和CD段运动时,拉力F所做的功分别为和,其大小关系是:________(选填“>”、“
相关试卷
这是一份江苏省宿迁市宿城区2023-2024学年九年级上学期1月期末物理试题含答案,共12页。试卷主要包含了选择题,填空题,作图与实验题,计算题等内容,欢迎下载使用。
这是一份2024年江苏省宿迁市宿城区钟吾初级中学九年级二模考试物理试题(无答案),共9页。试卷主要包含了选择题,填空题,解答题等内容,欢迎下载使用。
这是一份2024年江苏省宿迁市宿城区九年级中考一模物理试卷,文件包含初三物理试卷pdf、九年级物理参考答案pdf等2份试卷配套教学资源,其中试卷共7页, 欢迎下载使用。