新高考生物二轮复习讲义+分层训练解密06 能量之源——光与光合作用(含解析)
展开核心考点一 捕获光能的色素和叶绿体
1.叶绿素和其他色素
(1)不同颜色温室大棚的光合效率
①无色透明大棚日光中各色光均能透过,有色大棚主要透过同色光,其他光被其吸收,所以用无色透明的大棚光合效率最高;其次是红色光为光合作用的有效光。
②叶绿素对绿光吸收最少,因此绿色塑料大棚光合效率最低。
(2)吸收光谱
①连续光谱:可见光→三棱镜→赤、橙、黄、绿、青、蓝、紫。
②吸收光谱:可见光→色素溶液→三棱镜→红光、蓝光、紫光区出现强暗带,绿光区几乎无变化(说明绿光吸收非常少)。
2.影响叶绿素合成的因素分析
(1)光照:光是影响叶绿素合成的主要条件,一般植物在黑暗中不能合成叶绿素,因而叶片发黄。
(2)温度:温度可影响与叶绿素合成有关的酶的活性,进而影响叶绿素的合成。低温时,叶绿素分子易被破坏,而使叶子变黄。
(3)必需元素:叶绿素中含N、Mg等必需元素,缺乏N、Mg将导致叶绿素无法合成,叶子变黄。另外,Fe是叶绿素合成过程中某些酶的辅助成分,缺Fe也将导致叶绿素合成受阻,叶子变黄。
3.叶绿体的结构与功能
(1)结构与功能的关系
①基粒的类囊体增大了受光面积。
②类囊体的薄膜上分布着酶和色素,有利于光反应的顺利进行。
③基质中含有与暗反应有关的酶。
(2)功能的实验验证
①实验过程及现象
eq \b\lc\ \rc\}(\a\vs4\al\c1(水绵,+,好氧细菌))eq \(――→,\s\up7(黑暗),\s\d5(无空气))eq \b\lc\{\rc\ (\a\vs4\al\c1(\a\vs4\al(极细光束照射→,,)\a\vs4\al(好氧细菌集中,于叶绿体被光,束照射的部位),\a\vs4\al(完全曝光→,)\a\vs4\al(好氧细菌分布于叶,绿体所有受光部位)))
②实验结论
a.叶绿体是进行光合作用的场所。
b.O2是由叶绿体释放的。
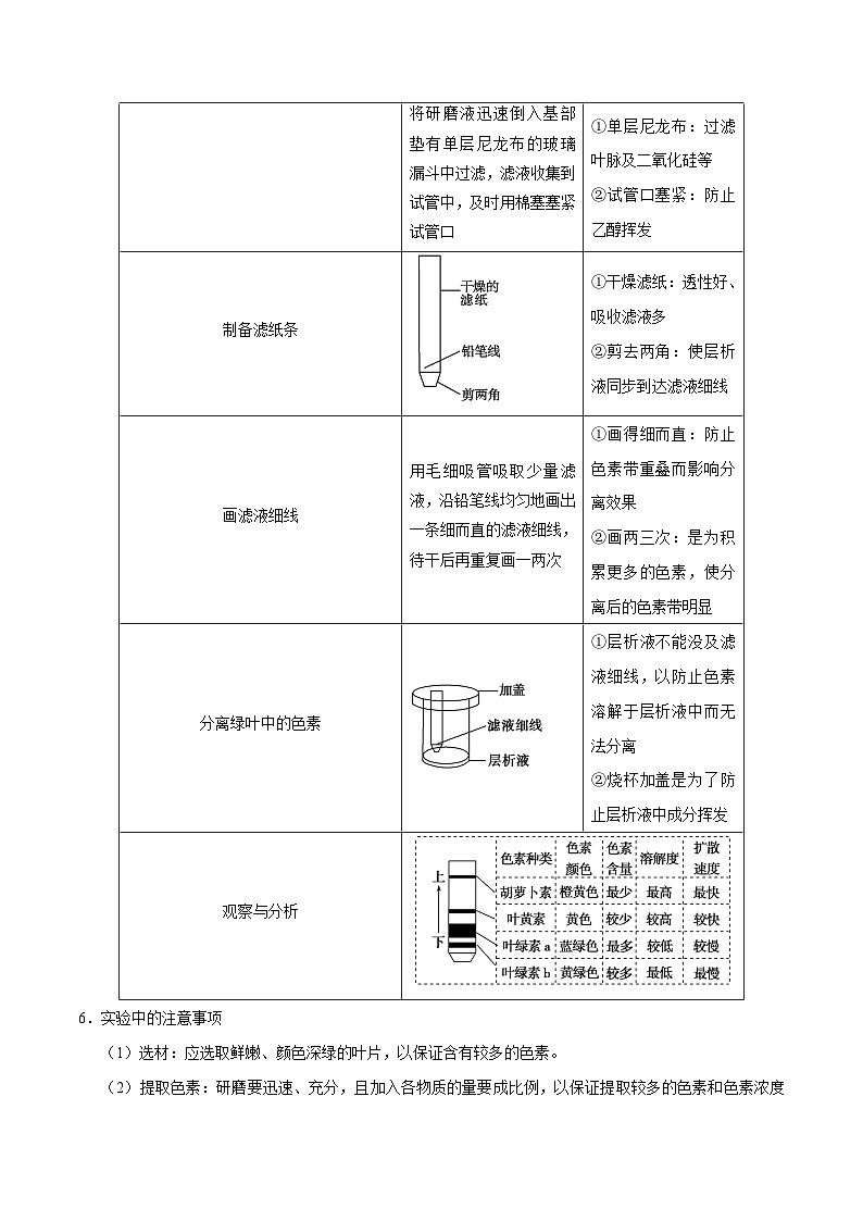
4.绿叶中色素的提取和分离的实验原理
5.绿叶中色素的提取和分离的实验操作
6.实验中的注意事项
(1)选材:应选取鲜嫩、颜色深绿的叶片,以保证含有较多的色素。
(2)提取色素:研磨要迅速、充分,且加入各物质的量要成比例,以保证提取较多的色素和色素浓度适宜。
(3)制备滤纸条:剪去两角,以保证色素在滤纸条上扩散均匀、整齐,便于观察实验结果,否则,会形成弧形色素带。
(4)画滤液细线:用力要均匀,快慢要适中。滤液细线要细、直,且干燥后重复画一两次,使滤液细线既有较多的色素,又使各色素扩散的起点相同。
(5)色素分离:滤液细线不要触及层析液,否则滤液细线中的色素分子将溶解到层析液中,滤纸条上得不到色素带。
【易混易错】
绿叶中色素提取分离实验异常现象分析
(1)收集到的滤液绿色过浅的原因分析
①未加石英砂(二氧化硅),研磨不充分。
②使用放置数天的叶片,滤液色素(叶绿素)太少。
③一次加入大量的无水乙醇(正确做法:分次加入少量无水乙醇提取色素)。
④未加碳酸钙或加入过少,色素分子被破坏。
(2)滤纸条色素带重叠:滤纸条上的滤液细线接触到层析液或者滤液线过粗。
(3)滤纸条上看不见色素带的原因
①忘记画滤液细线。
②滤液细线接触到层析液,且时间较长,色素全部溶解到层析液中。
考法一 光合作用色素
(2019·海南高考真题)下列关于高等植物光合作用的叙述,错误的是( )
A.光合作用的暗反应阶段不能直接利用光能
B.红光照射时,胡萝卜素吸收的光能可传递给叶绿素a
C.光反应中,将光能转变为化学能需要有ADP的参与
D.红光照射时,叶绿素b吸收的光能可用于光合作用
【答案】B
【分析】
叶绿体中的色素主要包括叶绿素和类胡萝卜素,前者包括叶绿素a和叶绿素b,主要吸收红光和蓝紫光;后者包括胡萝卜素和叶黄素,主要吸收蓝紫光。
【详解】
光合作用的暗反应阶段不能直接利用光能,但需要利用光反应阶段形成的[H]和ATP,A正确;胡萝卜素不能吸收红光,B错误;光反应中,将光能转变为ATP中活跃的化学能,需要有ADP和Pi及ATP合成酶的参与,C正确;红光照射时,叶绿素b吸收的光能可用于光合作用,光能可以转变为ATP中活跃的化学能,D正确。故选B。
考法二 叶绿体
(2010·海南高考真题)下列关于叶绿体的描述,错误的是( )
A.基粒由类囊体堆叠而成B.叶绿体膜由双层膜组成
C.暗反应发生在类囊体薄膜上D.类囊体薄膜上具有叶绿素和酶
【答案】C
【分析】
本题是关于叶绿体结构和功能的题目,叶绿体是光合作用的场所,双层膜结构,内有类囊体堆积形成的基粒,由于类囊体膜上有色素,因此光反应发生在类囊体薄膜上,而暗反应发生在叶绿体基质中。
【详解】
叶绿体中基粒由类囊体堆叠而成,A正确;. 叶绿体膜由双层膜组成,B正确;光反应发生在类囊体薄膜上,暗反应发生在叶绿体基质中,C错误;类囊体薄膜上具有叶绿素等色素以及与光合作用有关的酶,D正确。
考法三 植物细胞中细胞色素的功能
(2017·全国高考真题)植物光合作用的作用光谱是通过测量光合作用对不同波长光的反应(如 O2 的释放) 来绘制的。下列叙述错误的是( )
A.类胡萝卜素在红光区吸收的光能可用于光反应中 ATP 的合成
B.叶绿素的吸收光谱可通过测量其对不同波长光的吸收值来绘制
C.光合作用的作用光谱也可用 CO2 的吸收速率随光波长的变化来表示
D.叶片在 640~660 nm 波长光下释放 O2 是由叶绿素参与光合作用引起的
【答案】A
【分析】
叶绿体中的色素主要有叶绿素和类胡萝卜素,叶绿体又分为叶绿素a和叶绿素b,类胡萝卜素又分为胡萝卜素和叶黄素。光合作用中叶绿素主要吸收红光和蓝紫光;类胡萝卜素主要吸收蓝紫光。
【详解】
A、类胡萝卜素只吸收蓝紫光,基本不吸收红光,所以不能利用红光的能量合成ATP,A错误;
B、叶绿素主要吸收红光和蓝紫光,其吸收光谱可通过测量其对不同波长光的吸收值来绘制,B正确;
C、由于光反应产生的[H]和ATP能用于暗反应,暗反应要吸收CO2,所以光合作用的作用光谱也可用CO2的吸收速率随光波长的变化来表示,C正确;
D、根据吸收光谱可知,叶片在640~660nm波长(红光区域)光下释放O2是由叶绿素参与光合作用引起的,D正确。
故选A。
考法四 细胞色素提取
(2020·江苏高考真题)采用新鲜菠菜叶片开展“叶绿体色素的提取和分离”实验,下列叙述错误的是( )
A.提取叶绿体色素时可用无水乙醇作为溶剂
B.研磨时加入CaCO3可以防止叶绿素被氧化破坏
C.研磨时添加石英砂有助于色素提取
D.画滤液细线时应尽量减少样液扩散
【答案】B
【分析】
叶绿素的提取和分离实验的原理:无水乙醇能溶解绿叶中的各种光合色素;不同色素在层析液中的溶解度不同,因而在滤纸上随层析液的扩散速度也有差异。
【详解】
A、绿叶中的色素能够溶解在有机溶剂无水乙醇中,因而可以用无水乙醇提取绿叶中的色素,A正确;
B、研磨时需要加入碳酸钙(CaCO3),可防止研磨时色素被破坏,B错误;
C、研磨时加入少许石英砂(SiO2)有助于充分研磨,利于破碎细胞使色素释放,C正确;
D、画滤液细线时应尽量减少滤液扩散,要求细、直、齐,才有利于色素均匀地分离,D正确。
故选B。
1.下列关于高等植物细胞内色素的叙述,错误的是( )
A.所有植物细胞中都只含有四种色素
B.有的植物细胞的液泡中也含有一定量的色素
C.叶绿体的类囊体有巨大的膜面积,色素就位于膜上
D.植物细胞内的光合色素主要包括叶绿素和类胡萝卜素两大类
【答案】A
【分析】
1、叶绿体含有叶绿素和类胡萝卜素,是光合作用的场所,光合色素都存在于叶绿体的类囊体膜上。
2、有的植物的液泡也含有一定的色素,主要是花青素。
【详解】
A、植物细胞叶绿体内有4种色素,液泡中有可能有花青素等色素,A错误;
B、有的植物的液泡也含有一定的色素,主要是花青素,B正确;
C、真核细胞光合色素都存在于叶绿体的类囊体膜上,C正确;
D、由分析可知:植物细胞内的光合色素主要包括叶绿素和类胡萝卜素两大类,D正确。
故选A。
2.“况属高风晚,山山黄叶飞。”下列对深秋季节树叶变黄原因的解释,最合理的是( )
A.树叶中叶绿素a和叶绿素b的含量减少
B.树叶中叶黄素和类胡萝卜素的含量增多
C.深秋季节光照减弱有利于叶黄素的合成
D.深秋季节植物不吸收Mg,影响了叶绿素的合成
【答案】A
【分析】
秋天叶片变黄是低温使叶绿素遭到破坏,呈现出类胡萝卜素的颜色,变红则是液泡中花青素的颜色。
【详解】
秋天气温降低,低温使叶片中叶绿素遭到破坏,呈现出类胡萝卜素的颜色,叶片变黄,A正确。
故选A。
3.光合作用是唯一能够捕获和转化光能的生物学途径,下列有关光合作用的叙述,不合理的是( )
A.类囊体薄膜和叶绿体基质是叶绿体进行光合作用的结构基础,因为其上含有许多进行光合作用所必需的酶
B.叶肉细胞中只有叶绿素吸收的光能才能用于光合作用
C.给植物提供14C标记的CO2及适宜的光照,一段时间后可在植物体中检测到有放射性的物质有CO2、C3、葡萄糖、丙酮酸等
D.农业生产中合理密植有利于植物充分利用光能,进而增加单位面积的产量
【答案】B
【分析】
叶绿体是光合作用的场所,叶绿体的基粒由类囊体堆叠而成,增大了光反应的面积,类囊体膜上含有与光合作用有关的色素和酶,叶绿体基质是暗反应的场所,叶绿体基质中含有与暗反应相关的多种酶。
【详解】
A、叶绿体是光合作用的场所,类囊体薄膜和叶绿体基质是叶绿体进行光合作用的结构基础,因为其上含有许多进行光合作用所必需的酶,A正确;
B、叶肉细胞中光合色素吸收的光能都能用于光合作用,B错误;
C、给植物提供14C标记的CO2及适宜的光照,被标记的CO2与C5固定可形成C3,C3还原可形成有机物,有机物氧化分解可形成丙酮酸、CO2,所以一段时间后可在植物体中检测到有放射性的物质有CO2、C3、葡萄糖、丙酮酸等,C正确;
D、农业生产中合理密植有利于植物充分利用光能,进而增加单位面积的产量,D正确。
故选B。
4.使荷叶呈绿色,荷花呈红色的物质各分布在( )
A.叶绿体和细胞质B.叶绿体和线粒体
C.叶绿体和细胞液D.细胞核和细胞质
【答案】C
【分析】
含有色素的细胞器是叶绿体和液泡,叶绿体中含有叶绿素和类胡萝卜素,叶绿体存在于能进行光合作用的植物细胞中;液泡中含有花青素,使花或果实呈现一定的颜色,液泡中的液体称为细胞液。
【详解】
使荷叶呈绿色的物质是叶绿素,存在于荷叶的叶绿体中;荷花呈现红色,是液泡中的花青素所致。ABD错误,C正确。
故选C。
5.下列有关叶绿体中光合色素的叙述,错误的是( )
A.在层析液中的溶解度不同
B.组成色素的化学元素的种类相同
C.都分布在类囊体薄膜上
D.对蓝紫光的吸收能力都较强
【答案】B
【分析】
1、叶绿体中的色素是有机物,不溶于水,易溶于丙酮等有机溶剂中,所以用丙酮、乙醇等能提取色素。
2、叶绿体色素在层析液中的溶解度不同,分子量小的溶解度高,随层析液在滤纸上扩散得快,溶解度低的随层析液在滤纸上扩散得慢,所以用层析法来分离四种色素。滤纸条从上到下依次是:胡萝卜素(橙黄色)、叶黄素(黄色)、叶绿素a(蓝绿色)、叶绿素b(黄绿色)。
【详解】
A、叶绿体色素在层析液中的溶解度不同,A正确;
B、叶绿素含镁,类胡萝卜素不含镁,B错误;
C、光合色素分布在类囊体薄膜上,C正确;
D、光合色素对蓝紫光的吸收能力都较强,D正确。
故选B。
核心考点二 光合作用的过程
1.光合作用的探索历程
2.光合作用过程中O元素的转移途径
H218Oeq \(――→,\s\up7(光反应))18O2
C18O2eq \(――→,\s\up7(CO2的固定))C3eq \(――→,\s\up7(C3的还原))(CH218O)+H218O
3.光合作用过程中C元素的转移途径
14CO2eq \(――→,\s\up7(CO2的固定))14C3eq \(――→,\s\up7(C3的还原))(14CH2O)
4.光照和CO2浓度变化对植物细胞内C3、C5、[H]、ATP和O2及(CH2O)含量的影响
【特别提醒】
(1)以上分析只表示条件改变后短时间内各物质相对含量的变化,而非长时间。
(2)以上各物质变化中,C3和C5含量的变化是相反的,[H]和ATP含量的变化是一致的。
考法一 光合作用两个阶段
(2020·天津高考真题)研究人员从菠菜中分离类囊体,将其与16种酶等物质一起用单层脂质分子包裹成油包水液滴,从而构建半人工光合作用反应体系。该反应体系在光照条件下可实现连续的CO2固定与还原,并不断产生有机物乙醇酸。下列分析正确的是( )
A.产生乙醇酸的场所相当于叶绿体基质
B.该反应体系不断消耗的物质仅是CO2
C.类囊体产生的ATP和O2参与CO2固定与还原
D.与叶绿体相比,该反应体系不含光合作用色素
【答案】A
【分析】
光合作用的光反应阶段(场所是叶绿体的类囊体膜上):水的光解产生[H]与氧气,以及ATP的形成;光合作用的暗反应阶段(场所是叶绿体的基质中):CO2被C5固定形成C3,C3在光反应提供的ATP和[H]的作用下还原生成糖类等有机物。
【详解】
A、乙醇酸是在光合作用暗反应产生的,暗反应场所在叶绿体基质中,所以产生乙醇酸的场所相当于叶绿体基质,A正确;
B、该反应体系中能进行光合作用整个过程,不断消耗的物质有CO2和H2O,B错误;
C、类囊体产生的ATP参与C3的还原,产生的O2用于呼吸作用或释放到周围环境中,C错误;
D、该体系含有类囊体,而类囊体的薄膜上含有光合作用色素,D错误。
故选A。
考法二 光合作用过程曲线
(2020·浙江高考真题)将某植物叶片分离得到的叶绿体,分别置于含不同蔗糖浓度的反应介质溶液中,测量其光合速率,结果如图所示。图中光合速率用单位时间内单位叶绿素含量消耗的二氧化碳量表示。下列叙述正确的是( )
A.测得的该植物叶片的光合速率小于该叶片分离得到的叶绿体的光合速率
B.若分离的叶绿体中存在一定比例的破碎叶绿体,测得的光合速率与无破碎叶绿体的相比,光合速率偏大
C.若该植物较长时间处于遮阴环境,叶片内蔗糖浓度与光合速率的关系与图中B-C段对应的关系相似
D.若该植物处于开花期,人为摘除花朵,叶片内蔗糖浓度与光合速率的关系与图中A-B段对应的关系相似
【答案】A
【分析】
叶绿体是光合作用的场所,需要保证完整的结构,才能正常进行光合作用;外界浓度过高,导致叶绿体失水,降低光合速率;光合产物积累过多,也会导致光合速率下降 。
【详解】
A、测得植物叶片的光合速率是叶片的总光合速率减去叶片的呼吸速率,而分离得到的叶绿体的光合速率,就是总光合速率,A正确;
B、破碎叶绿体,其叶绿素释放出来,被破坏, 导致消耗二氧化碳减少,测得的光合速率与无破碎叶绿体的相比,光合速率偏小,B错误;
C、若该植物较长时间处于遮阴环境,光照不足,光反应减弱,影响碳反应速率,蔗糖合成一直较少, C错误;
D、若该植物处于开花期,人为摘除花朵,叶片光合作用产生的蔗糖不能运到花瓣,在叶片积累,光合速率下降,叶片内蔗糖浓度与光合速率的关系与图中B-C段对应的关系相似,D错误。故选A。
6.为研究高光强对移栽幼苗光合色素的影响,某同学提取叶绿体色素并进行纸层析,如图为滤纸层析的结果(Ⅰ、Ⅱ、Ⅲ、Ⅳ为色素条带)。 下列叙述错误的是( )
A.强光照导致了该植物叶绿素含量降低
B.类胡萝卜素含量增加有利于该植物抵御强光照
C.色素Ⅲ、Ⅳ吸收光谱的吸收峰波长不同
D.画滤液线时,滤液在点样线上只能画一次
【答案】D
【分析】
据图分析:滤纸条从上到下依次是:Ⅰ橙黄色的胡萝卜素、Ⅱ黄色的叶黄素、Ⅲ蓝绿色的叶绿素a(最宽)、Ⅳ黄绿色的叶绿素b(第2宽),色素带的宽窄与色素含量相关。
【详解】
A、据图分析:与正常光相比,强光照下叶绿素含量明显降低,说明强光照导致了该植物叶绿素含量降低,A正确;
B、与正常光相比,强光照下类胡萝卜素含量增加,说明类胡萝卜素含量增加有利于该植物抵御强光照,B正确;
C、色素Ⅲ是叶绿素a、Ⅳ是叶绿素b,叶绿素a和叶绿素b吸收光谱的吸收峰波长不同,C正确;
D、画滤液线时,滤液在点样线上要重复画线,但是每一次画线前必须晾干,D错误。
故选D。
7.如图表示在夏季晴朗的白天,大豆植物细胞内C3和C5的相对含量随一种环境因素改变而变化的情况,下列对这一个环境因素的分析正确的是( )
A.突然停止光照B.突然增加CO2浓度
C.中午时适当降低环境温度D.增加光照强度
【答案】D
【分析】
1、温度对光合作用的影响:在最适温度下酶的活性最强,光合作用强度最大,当温度低于最适温度,光合作用强度随温度的增加而加强,当温度高于最适温度,光合作用强度随温度的增加而减弱。
2、二氧化碳浓度对光合作用的影响:在一定范围内,光合作用强度随二氧化碳浓度的增加而增强。当二氧化碳浓度增加到一定的值,光合作用强度不再增强。
3、光照强度对光合作用的影响:在一定范围内,光合作用强度随光照强度的增加而增强。当光照强度增加到一定的值,光合作用强度不再增强。
【详解】
A、突然停止光照,光反应产生的[H]和ATP减少,被还原的C3减少,生成的C5减少,而CO2被C5固定形成C3的过程不变,故C3的含量将增加,C5的含量将减少,A错误;
B、突然增加CO2浓度,CO2被C5固定形成的C3增加,则消耗的C5增加,故C5的含量将减少,B错误;
C、中午降低环境温度,植物气孔不关闭,吸收更多的CO2,生成的C3增多,所以C5减少, C错误;
D、增加光照强度,光反应产生的[H]和ATP增多,被还原的C3增多,生成的C5增多,而CO2被C5固定形成C3的过程不变,故C3的含量将减少,C5的含量将增加,D正确。
故选D。
8.如图(a)、(b)、(c)所示为光合作用探索历程中的经典实验的分析及拓展[图(a)中叶片黄白色部分不含叶绿体]。下列分析错误的是( )
A.图(a)所示的实验可以证明光合作用需要叶绿体和光照
B.图(b)所示的实验目的是探究光合作用产物O2的来源
C.图(c)所示的实验好氧细菌的分布与水绵产生的O2和淀粉有关
D.图(c)中选择水绵作为实验材料与其叶绿体的形状和大小有关
【答案】C
【分析】
图(a)将饥饿处理的叶片,用不透光的纸罩住一部分,一段时间后,检测淀粉的生成部位,可以证明光合作用产生淀粉,也能证明光合作用需要光。图(b)采用同位素标记法研究了光合作用。甲组提供H2O和C18O2,释放的是O2,乙组向植物提供H218O和CO2,释放的是18O2,证明光合作用产生的O2来自于H2O,而不是CO2。图(c)将水绵和好氧细菌放在黑暗无空气的环境,用极细的光束照射水绵,好氧细菌会向氧产生的部位集中,从而证明光合作用的场所是叶绿体。
【详解】
A、图(a)所示实验c和b的变量是有无光照,根据最终c处无淀粉产生,b处有淀粉产生,可以证明光合作用需要光照,a和b的自变量是有无叶绿体,最终a处无淀粉产生,b处有淀粉产生,可以证明光合作用需要叶绿体,A正确;
B、根据分析可知,图(b)所示的实验目的是探究光合作用产物O2的来源,B正确;
C、图(c)所示的实验中好氧细菌的分布与水绵产生的O2有关,可根据好氧细菌的分布确定O2释放的部位,C错误;
D、水绵细胞中叶绿体大且呈带状,便于观察实验结果,D正确。
故选C。
9.在植物叶肉细胞的叶绿体基质中有R酶,既能与CO2结合,催化CO2与C5反应生成C3,也能与O2结合,催化C5的分解。CO2和O2在与R酶结合时具有竞争性相互抑制。下列分析正确的是( )
A.植物叶肉细胞内CO2的固定发生在叶绿体内膜上
B.R酶催化CO2与C5反应时需要[H]和ATP
C.增大CO2浓度后,植物叶肉细胞内的C3/C5比值增大
D.增大O2/CO2的比值,有利于提高植物的净光合速率
【答案】C
【分析】
1、解题的关键是从“CO2和O2在与R酶结合时具有竞争性相互抑制”这一信息中抽提出:当O2浓度增大时,CO2与R酶的结合机会减小,反之则增大。
2、光合作用图解:
【详解】
A、植物叶肉细胞内CO2的固定为暗反应过程,发生在叶绿体基质中,A错误;
B、R酶催化CO2与C5反应时不需要[H]和ATP,C3还原时需要[H]和ATP,B错误;
C、增大CO2浓度有利于R酶催化CO2与C5反应生成C3,因此植物叶肉细胞内的C3/C5比值增大,C正确;
D、增大O2/CO2的比值后R酶与O2结合增多,催化C5的分解,CO2的固定过程减弱,植物的净光合速率下降,D错误。
故选C。
10.如图是夏季连续两昼夜内,某野外植物CO2吸收量和释放量的变化曲线图。S1~S5表示曲线与横轴围成的面积。下列叙述错误的是
A.图中B点和I点,该植物的光合作用强度和呼吸作用强度相同
B.图中DE段不是直线的原因是夜间温度不稳定,影响植物的呼吸作用
C.如果S1+S3+S5>S2+S4,表明该植物在这两昼夜内有机物的积累量为负值
D.图中S2明显小于S4,造成这种情况的主要外界因素最可能是CO2浓度
【答案】D
【分析】
植物在光照条件下进行光合作用,光合作用分为光反应阶段和暗反应阶段,光反应阶段在叶绿体的类囊体薄膜上进行水的光解,产生ATP和[H],同时释放氧气,ATP和[H]用于暗反应阶段三碳化合物的还原,细胞的呼吸作用不受光照的限制,有光无光都可以进行,为细胞的各项生命活动提供能量。据此分析解答。
【详解】
A、B和Ⅰ点植物既不吸收二氧化碳也不释放二氧化碳,光合作用强度等于呼吸作用强度,为光补偿点,A正确;
B、图中DE段植物只进行细胞呼吸,不是直线的原因是夜间温度不稳定,温度影响酶的活性,进而影响植物的呼吸作用强度,B正确;
C、S1+S3+S5为无光时呼吸的消耗量,S2+S4为有光时净光合量,若前者大于后者,则有机物积累量为负,C正确;
D、图中S2明显小于S4,造成这种情况的主要外界因素最可能是光照强度不同,D错误。
故选D。
11.高等植物细胞中,下列过程只发生在生物膜上的是( )
A.光合作用中的光反应B.光合作用中CO2的固定
C.葡萄糖分解产生丙酮酸D.以DNA为模板合成 RNA
【答案】A
【分析】
本题考查了光合作用和呼吸作用的有关知识,意在考查考生理解所学知识的要点,把握知识间的内在联系的能力。光合作用分为光反应阶段和暗反应阶段,光反应阶段在叶绿体的类囊体薄膜上进行水的光解;有氧呼吸包括三个阶段,第一阶段在细胞质基质中进行的,第二阶段在线粒体的基质中进行,第三阶段在线粒体的内膜上进行。
【详解】
光反应阶段在叶绿体的类囊体薄膜上进行水的光解,A正确;光合作用中 CO2 的固定发生在叶绿体基质中,B错误;葡萄糖分解产生丙酮酸发生在细胞质基质中,C错误;以 DNA 为模板合成 RNA主要发生在细胞核中,D错误。故选A。
色素种类
叶绿素(约3/4)
类胡萝卜素(约1/4)
叶绿素a
叶绿素b
胡萝卜素
叶黄素
蓝绿色
黄绿色
橙黄色
黄色
分布
叶绿体的类囊体薄膜上
色素的吸收光谱及在滤纸条上的分布
化学特性
不溶于水,能溶于酒精、丙酮和石油醚等有机溶剂
分离方法
纸层析法
功能
吸收、传递光能,少数特殊状态的叶绿素a将光能转化为电能
步骤
方法
原因
提取绿叶中的色素
①加入二氧化硅:有助于研磨充分
②加入碳酸钙:防止研磨中色素被破坏
③加入无水乙醇:为了溶解、提取色素
将研磨液迅速倒入基部垫有单层尼龙布的玻璃漏斗中过滤,滤液收集到试管中,及时用棉塞塞紧试管口
①单层尼龙布:过滤叶脉及二氧化硅等
②试管口塞紧:防止乙醇挥发
制备滤纸条
①干燥滤纸:透性好、吸收滤液多
②剪去两角:使层析液同步到达滤液细线
画滤液细线
用毛细吸管吸取少量滤液,沿铅笔线均匀地画出一条细而直的滤液细线,待干后再重复画一两次
①画得细而直:防止色素带重叠而影响分离效果
②画两三次:是为积累更多的色素,使分离后的色素带明显
分离绿叶中的色素
①层析液不能没及滤液细线,以防止色素溶解于层析液中而无法分离
②烧杯加盖是为了防止层析液中成分挥发
观察与分析
科学家
结论
普利斯特利
植物可以更新污浊的空气
英格豪斯
普利斯特利的实验只有在阳光照射下才能成功;植物体只有绿叶才能更新污浊的空气
梅耶
光合作用把光能转换成化学能储存起来
萨克斯
植物叶片在光合作用中产生淀粉
恩格尔曼
氧气是叶绿体释放出来的,叶绿体是光合作用的场所
鲁宾和卡门
光合作用释放的氧气全部来自水
卡尔文
探明了CO2中的碳转化成有机物中碳的途径
条件
C3
C5
[H]和ATP
(CH2O)合成量
模型分析
光照强度由强到弱,CO2供应不变
增加
减少
减少或没有
减少
光照强度由弱到强,CO2供应不变
减少
增加
增加
增加
光照不变,CO2量由充足到不足
减少
增加
增加
减少
光照不变,CO2量由不足到充足
增加
减少
减少
增加
新高考生物二轮复习讲义+分层训练解密16 神经调节(含解析): 这是一份新高考生物二轮复习讲义+分层训练解密16 神经调节(含解析),共23页。试卷主要包含了人体神经调节和高级神经活动,兴奋在神经元之间的传递等内容,欢迎下载使用。
新高考生物二轮复习讲义06 能量之源——光与光合作用(含解析): 这是一份新高考生物二轮复习讲义06 能量之源——光与光合作用(含解析),共18页。试卷主要包含了捕获光能的色素和叶绿体,叶绿体,植物细胞中细胞色素的功能,细胞色素提取等内容,欢迎下载使用。
高中生物高考解密06 能量之源——光与光合作用(分层训练)(解析版): 这是一份高中生物高考解密06 能量之源——光与光合作用(分层训练)(解析版),共21页。试卷主要包含了捕获光能的色素和叶绿体,绿叶中色素的提取和分离,光合作用的过程等内容,欢迎下载使用。

