





所属成套资源:新高考地理二轮复习讲练测专题 (2份,原卷版+解析版)
新高考地理二轮复习讲练测自然地理 二轮通关卷(二)(2份,原卷版+解析版)
展开
这是一份新高考地理二轮复习讲练测自然地理 二轮通关卷(二)(2份,原卷版+解析版),文件包含新高考地理二轮复习讲练测自然地理二轮通关卷二原卷版docx、新高考地理二轮复习讲练测自然地理二轮通关卷二解析版docx等2份试卷配套教学资源,其中试卷共18页, 欢迎下载使用。
时间:75分钟 分值:100分
选择题(每小题只有一个正确选项,共16*3分)
焚风是过山气流在背风坡下沉而变得干热的一种地方性风。太行山东麓常出现焚风现象,主要集中在北段和南段。图为太行山及周边地形示意图。完成下面小题。
1.推测太行山东麓焚风现象多发的季节及时间分别是( )
A.夏季白天B.夏季夜间C.冬季白天D.冬季夜间
2.与北段、南段相比,太行山中段山麓出现焚风现象频次较少的主要影响因素是( )
A.海陆位置B.山脉走向C.大气环流形势D.植被覆盖面积
叶亦克乡位于塔克拉玛干沙漠南缘,气候极端干旱,沙尘天气频发。曝辐量是指单位面积一段时间内接收的辐射能量(8月仪器损坏)。向下短波辐射主要为太阳辐射,当其受地表反射作用重新回到大气;由地表向上传输到大气中的辐射受到大气作用重新向下回到地表,即转换为向下长波辐射,促使地表吸收并向上释放能量,则形成向上长波辐射。据此完成下面小题。
3.4月向下短波辐射最大,其主要影响因素是( )
A.太阳高度B.昼夜长短C.天气状况D.空气质量
4.地表反射率=向上短波辐射/向下短波辐射,该年3月地表反射率最高可能是由于3月( )
A.有降雨事件B.有降雪事件
C.植物蒸腾最强D.土壤湿度最大
5.向上长波辐射和向下长波辐射均夏季最大,是由于其分别取决于( )
A.地面温度、大气温度B.大气温度、地面温度
C.土壤湿度、大气湿度D.大气湿度、土壤湿度
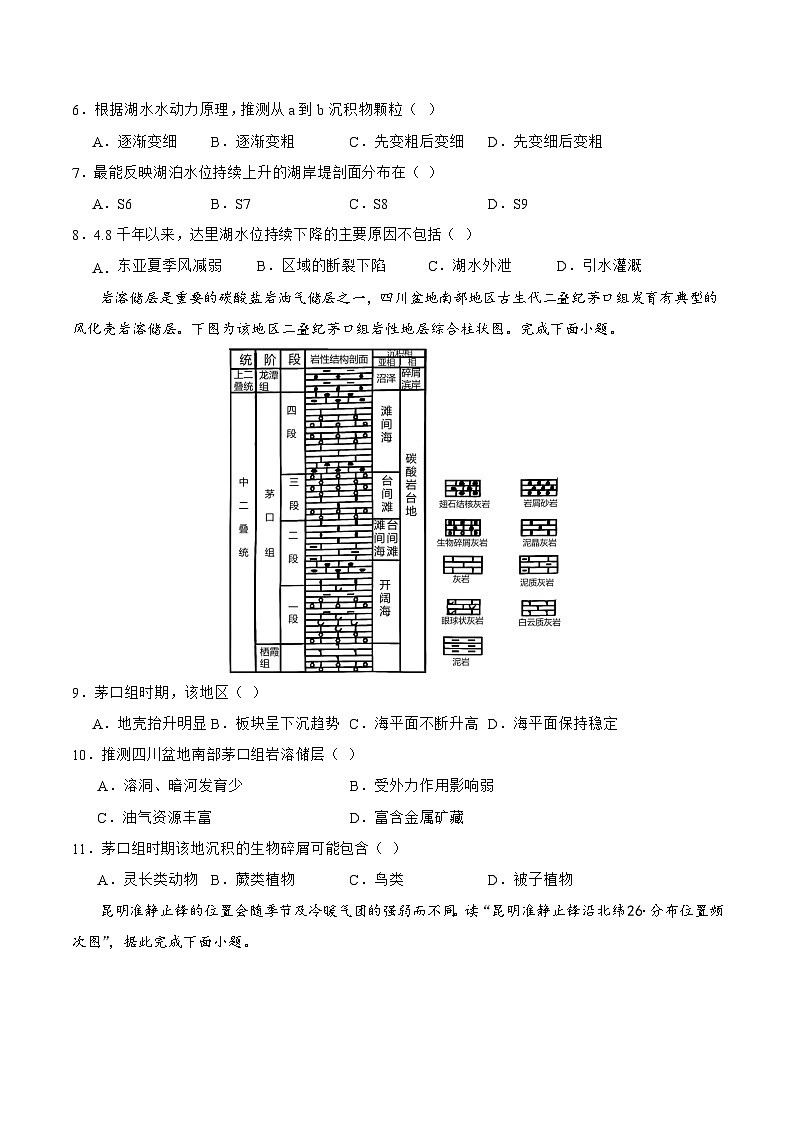
湖水水动力从湖岸到湖心逐渐减弱。湖岸堤是湖泊演化过程中水动力作用形成的地貌,其剖面沉积序列反映湖面升降信息。达里湖位于我国内蒙古中东部,东亚季风过渡区,全新世晚期以来,区域内构造运动剧烈,水系袭夺频繁。下图为“达里湖北侧湖岸堤剖面示意图”。据此回答下面小题。
6.根据湖水水动力原理,推测从a到b沉积物颗粒( )
A.逐渐变细B.逐渐变粗C.先变粗后变细D.先变细后变粗
7.最能反映湖泊水位持续上升的湖岸堤剖面分布在( )
A.S6B.S7C.S8D.S9
8.4.8千年以来,达里湖水位持续下降的主要原因不包括( )
东亚夏季风减弱 B.区域的断裂下陷 C.湖水外泄 D.引水灌溉
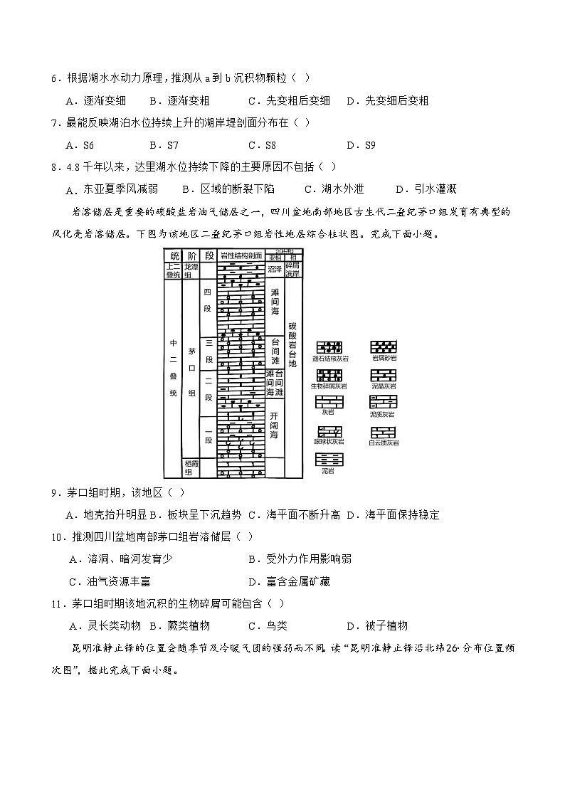
岩溶储层是重要的碳酸盐岩油气储层之一,四川盆地南部地区古生代二叠纪茅口组发育有典型的风化壳岩溶储层。下图为该地区二叠纪茅口组岩性地层综合柱状图。完成下面小题。
9.茅口组时期,该地区( )
A.地壳抬升明显B.板块呈下沉趋势C.海平面不断升高D.海平面保持稳定
10.推测四川盆地南部茅口组岩溶储层( )
A.溶洞、暗河发育少B.受外力作用影响弱
C.油气资源丰富D.富含金属矿藏
11.茅口组时期该地沉积的生物碎屑可能包含( )
A.灵长类动物B.蕨类植物C.鸟类D.被子植物
昆明准静止锋的位置会随季节及冷暖气团的强弱而不同。读“昆明准静止锋沿北纬26。分布位置频次图”,据此完成下面小题。
12.锋面频次出现最高区域的海拔约为( )
A.500~1000米B.1000~1500米C.1500~2500米D.3000米以上
13.昆明准静止锋一般呈西北一东南走向,其西侧的天气特征一般呈现( )
A.一雨即冬B.阴雨绵绵C.夜雨较多D.天无三日晴
2018年10月,我国西藏米林县雅鲁藏布江左岸色东普沟发生滑坡碎屑流堵江事件。色东普沟处于高寒地区,有断层发育,地震活动频繁。色东普沟三面环山,整体地貌呈“凹”字形,集水效果突出,沟内伴有常年流水。松散堆积体主要分布于沟底中心位置,堆积体下伏基岩及色东普沟两侧山体为派乡岩组片岩和片麻岩(两种岩石均不透水)。滑坡产生之前,滑坡区出现强降雨天气,松散堆积体存在明显的水流侵蚀迹象。下图为色东普沟某断面剖面图。完成下面小题。
14.推测色东普沟内常年流水的主要补给水源是( )
A.湖泊B.冰雪融水C.雨水D.地下水
15.推测此次色东普沟滑坡碎屑流堵江事件的形成过程是( )
A.冰崩、岩崩→碎屑流→冰雪融水和强降雨→滑坡→堰塞体
B.冰崩、岩崩→滑坡→冰雪融水和强降雨→碎屑流→堰塞体
C.冰雪融水和强降雨→冰崩、岩崩→滑坡→碎屑流→堰塞体
D.冰崩、岩崩→冰雪融水和强降雨→滑坡→碎屑流→堰塞体
16.色东普沟岩层破碎,经常发生滑坡碎屑流事件的主要原因是( )
A.地壳运动活跃B.河谷深切C.冻融作用强D.暴雨集中
二、综合题(共3小题,共52分)
17.阅读图文资料,完成下列要求。(18分)
邦马山位于云南省临沧市境内北回归线附近,是横断山脉向南延伸的余脉,主峰3233.5米。印度洋来的暖湿气流与太平洋气流在这里交汇,形成了特殊的气候,年均温度11C左右,年降水量2000毫米,年平均相对湿度为80%。植被以湿性常绿阔叶林为主,枯枝落叶层厚度较厚,平均可达23cm,它在维持当地森林生态系统稳定上发挥着重要作用。下图示意邦马山土壤有机质含量随土层深度和季节的变化。
(1)描述邦马山土壤有机质含量与土层深度的变化关系,并给出合理解释。(6分)
(2)分析邦马山土壤有机质含量随季节变化的自然原因。(4分)
(3)简述邦马山地枯枝落叶在维持当地森林生态系统稳定上的重要作用。(8分)
18.阅读图文材料,完成下列要求。(20分)
阿牙克库木湖位于青藏高原北部边缘,是阿尔金山与昆仑山之间的一个大型咸水湖,湖泊面积960平方千米。喀沙克力克河和色斯克亚河为湖水的重要补给来源,该湖流域年降水量100-200mm.有学者研究发现,该区域湖泊面积大小与气温、降水、冰川面积变化等具有极强的关联性。下图为阿牙克库木湖1995-2015年湖泊面积变化示意图。
(1)指出补给该湖的两条主要河流的入湖口位置并说明原因。(6分)
(2)推测1995-2015年湖泊面积变大的原因,并说明其对该区域冬季气温的影响。(8分)
(3)说出M地采样点1995-2005年沉积颗粒物大小垂直变化特征并分析原因。(6分)
19.阅读图文材料,完成下列要求。(14分)
九龙溪地处福建山区。九龙溪某河段基本沿着断层线分布,通过甲断面后向北流,形成山地曲流(如图)。曲流北侧岩溶地貌发育,以垂直方向的向下溶蚀形成落水洞和水平方向溶蚀形成溶洞为主。近年来,该河段下游修筑了水电站。
(1)简述九龙溪沿断层线发育的原因。(4分)
(2)说明九龙溪在通过甲断面后向北弯曲的原因。(6分)
(3)分析下游水电站运营过程中,蓄水和泄洪开闸放水对该河段岩溶地貌的影响。(4分)
相关试卷
这是一份新高考地理二轮复习讲练测专题08 人口与城市(讲义)(2份,原卷版+解析版),文件包含新高考地理二轮复习讲练测专题08人口与城市讲义原卷版docx、新高考地理二轮复习讲练测专题08人口与城市讲义解析版docx等2份试卷配套教学资源,其中试卷共103页, 欢迎下载使用。
这是一份新高考地理二轮复习讲练测专题08 人口与城市(练习)(2份,原卷版+解析版),文件包含新高考地理二轮复习讲练测专题08人口与城市练习原卷版docx、新高考地理二轮复习讲练测专题08人口与城市练习解析版docx等2份试卷配套教学资源,其中试卷共29页, 欢迎下载使用。
这是一份新高考地理二轮复习讲练测专题07 自然灾害(讲义)(2份,原卷版+解析版),文件包含新高考地理二轮复习讲练测专题07自然灾害讲义原卷版docx、新高考地理二轮复习讲练测专题07自然灾害讲义解析版docx等2份试卷配套教学资源,其中试卷共78页, 欢迎下载使用。
