所属成套资源:人教版八年级物理上册同步(拓展)学讲练测精品大讲义(原卷版+解析)
初中人教版(2024)第四章 光现象第3节 平面镜成像达标测试
展开
这是一份初中人教版(2024)第四章 光现象第3节 平面镜成像达标测试,共24页。试卷主要包含了3 平面镜成像,知道平面镜成像的特点;,理解平面镜成像的原理;,了解凸面镜和凹面镜及其应用, 像等内容,欢迎下载使用。
专题4.3 平面镜成像
学新课标对课节知识点要求
【课程标准】探究并了解平面镜成像时像与物的关系。知道平面镜成像的特点及应用。
【学习目标】
1.知道平面镜成像的特点;
2.理解平面镜成像的原理;
3.掌握平面镜成像的光路图,会利用平面镜成像的特点作图;
4.理解生活中平面镜成像的现象及平面镜成像的应用;
5.了解凸面镜和凹面镜及其应用。
【学习重点】理解平面镜成像的原理。会利用平面镜成像的特点作图。
【学习难点】知道平面镜成像的特点及应用。
学课节知识点
知识点1. 平面镜成像的特点
1.平面镜成像的原理是光的反射。
2.平面镜成像的特点
平面镜成的像为虚像。 平面镜所成像的大小和物体大小相等,物和像到平面镜的距离相等,物和像的连线与平面镜垂直。平面镜所成的像与物体关于平面镜对称。
知识点2. 平面镜成虚像
1.原因:物体射到平面镜上的光经平面镜反射后的反射光线没有会聚而是发散的,这些光线的反向延长线相交成的像,不是真正的物体,只能通过人眼观察到,故称为虚像;
2.平面镜成正立的、等大的虚像。
注意:实像和虚像的区别是难点
物体在平面镜中所成像的大小只跟物体本身的大小有关,跟物体到平面镜的距离无关.平面镜成的像一定要画成虚线。
知识点3. 平面镜的应用
1.平面镜成像不仅用于日常生活,也在其他方面应用甚广.
例如:(1)练功房里,演员用它来观察自己的姿势和动作;
(2)牙科医生用小平面镜来观察患者的病牙;
(3)潜水艇下潜后,艇内的人员通过潜望镜来观察水面上的情况。
2.改变光线的传播方向
(1)公元前215--212年间,罗马人大举入侵希腊,派出一支船队,满载精兵,准备攻打阿基米德的家乡——叙拉古城,面临来势凶猛的强敌,阿基米德求见国王,献出破敌妙计,他动员全乡的妇女和守城的人在海岸边列队.每人各执一面平面镜,把太阳光集中向罗马战船反射,不一会,罗马战船上的士兵被照得头晕目眩,丧失战斗力被迫而退.阿基米德利用平面镜把光反射的原理,击退了敌人,拯救了他的家乡.
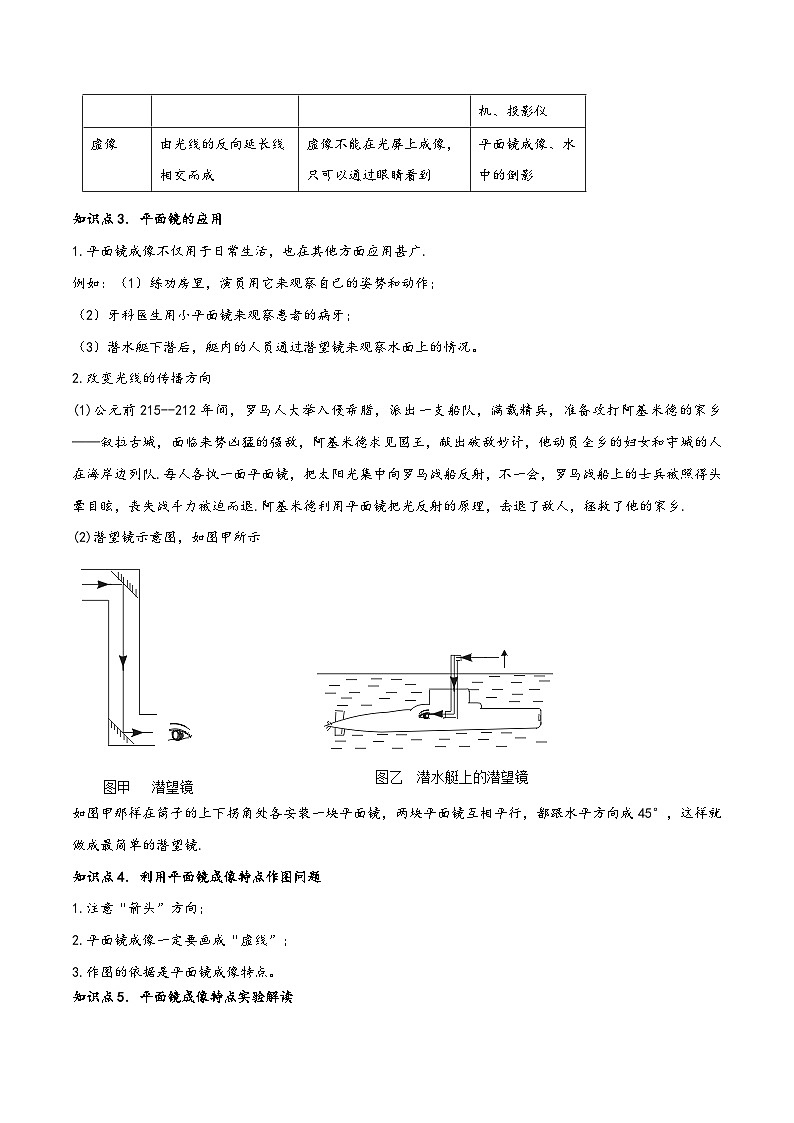
(2)潜望镜示意图,如图甲所示
图乙 潜水艇上的潜望镜
图甲 潜望镜
如图甲那样在筒子的上下拐角处各安装一块平面镜,两块平面镜互相平行,都跟水平方向成45°,这样就做成最简单的潜望镜.
知识点4. 利用平面镜成像特点作图问题
1.注意“箭头”方向;
2.平面镜成像一定要画成“虚线”;
3.作图的依据是平面镜成像特点。
知识点5. 平面镜成像特点实验解读
1. 用玻璃板代替平面镜的目的是便于找到像的位置。
2. 将玻璃板垂直水平桌面放置的目的是使像成在水平桌面上,便于确定像的位置和大小。
3. 选用两支相同的蜡烛是为了比较像与物的大小关系。
4. 刻度尺与白纸的作用是在白纸上标注玻璃板、蜡烛以及蜡烛的像的位置,用刻度尺测量蜡烛及蜡烛的像到玻璃板的距离,便于确定像、物到镜面的距离关系,像、物连线与镜面的关系。
5. 实验中光屏的作用是通过观察像是否呈现在光屏上,从而验证平面镜所成的像是虚像还是实像。
6. 实验时选用薄玻璃板的原因是防止蜡烛通过玻璃板的前后两面成两个虚像,影响实验效果。
实验注意事项
(1)实验中用到的实验方法是等效替代法,即用外形相同但不点燃的蜡烛代替点燃的蜡烛成的像。
(2)实验应在较黑暗的环境中进行,使成的像更清晰。
知识点6. 凸面镜和凹面镜(拓展)
1.球面镜定义:反射面是球面的一部分的镜子。
2.球面镜分类:凹面镜、凸面镜
3.凹面镜的性质及应用
(1)性质:①凹面镜能使平行光会聚在焦点。
②使焦点发出的光线平行射出。
(2)应用:①太阳灶、太阳炉、内窥镜等。
②探照灯、手电筒、汽车头灯等。
4.凸面镜的性质及应用
(1)性质:凸面镜能使平行光线发散。
(2)应用:凸面镜可以扩大视野,如汽车上的观后镜。
讲课节知识点的例题解析
考点1. 探究平面镜成像的特点
【例题1】(2023安徽)某小组探究平面镜和凸透镜成像的特点,将光源和光屏分别竖直放置在水平光具座上的A、C位置,B是AC的中点,如图1所示。在AB之间朝向A观察,看到的光源形状如图2中的甲所示。
(1)在B处竖直放置一块平面镜,镜面朝向光源,小丽在AB之间观察平面镜中的像,小明在BC之间观察光屏。此后,小亮将平面镜更换为一个凸透镜,恰能在光屏上成等大的像,他在BC之间观察光屏上的像。上述实验过程中,小丽、小明和小亮观察到的分别是图2中的______(选填“①”“②”“③”或“④”);
①甲、丙、戊 ②乙、丙、丁 ③乙、乙、丁 ④乙、乙、戊
(2)小亮继续实验,要在光屏上得到一个缩小的像,可保持光源位置不变,将凸透镜向______(选填“A”或“C”)移动,并调节光屏的位置直到呈现清晰的像。
【对点训练】如图甲所示,在“探究平面镜成像特点”的实验中,选取两支等大的蜡烛A和B。
(1)实验中选择薄玻璃板效果好。此实验不能用平面镜进行,是因为平面镜______,不能确定像的位置.
(2)选取两支等大蜡烛的目的是_________。
(3)小组一同学在实验过程中始终不能使像与物体重合,其原因是____________。
(4)如图乙是小组调节好平面镜放置后的实验记录,通过分析发现像与物到玻璃板的距离相等,像与物的连线与玻璃板垂直。该小组实验的不足之处是___________。
考点2. 探究平面镜成像的特点的应用
【例题2】 (2023湖南株洲)图为一个光头的人拿着倒置的扫把照镜子(平面镜)的情景。下列说法符合事实的是( )
A. 人变高了B. 人变胖了C. 人长出了头发D. 人打了领带
【对点训练】(2022辽宁铁岭)如图是工人高空作业的情景,玻璃幕墙相当于平面镜。下列说法正确的( )
A. 玻璃幕墙中工人的像是实像
B. 工人远离玻璃幕墙时,镜中的像将变小
C. 工人工作时佩戴防滑手套是为了减小摩擦
D. 工人距玻璃幕墙0.5m时,他在镜中的像距玻璃幕墙0.5m
【对点训练】检查视力的时候,视力表放在被测者头部的后上方,被测者识别对面墙上镜子里的像(如图所示).视力表在镜中的像与被测者相距 m。
考点3.平面镜成像光路图
【例题3】 (2023山西)古诗词是中华文化的瑰宝,“小荷才露尖尖角,早有蜻蜓立上头”描述的画面如图甲所示。请在图乙中画出光从蜻蜓经水面反射后进入人眼的光路图,其中A'点表示水中“蜻蜓”的位置。
【对点训练】(2022上海)根据平面镜成像特点,在图中画出物体AB在平面镜MN 中所成的像A' B '。
强化知识点的达标问题精练
1. 用如图所示的装置探究光的反射规律。纸板由、两部分组成,可以绕翻折,为了探究反射角与入射角大小的关系,应进行的操作是( )
A. 改变光线与的夹角B. 沿向后转动纸板
C. 改变纸板与平面镜之间的夹角D. 沿向后转动纸板
2. (2022内蒙古赤峰)教学楼门厅里竖立着一面平面镜,一只小蜜蜂以图中虚线所示路线从镜前飞过,蜜蜂在镜中的像( )
A. 大小不变,到镜面的距离变大
B. 大小不变,到镜面的距离变小
C. 变大,到镜面的距离变大
D. 变大,到镜面的距离变小
3.小欣站在平面镜前看自己在镜中的像,下面四幅图中能正确反映小欣和他的像的是( )
4. (2022浙江绍兴)科学研究常采用转换、模型、等效替代和控制变量等方法,下列实验中采用等效替代的是( )
A. 探究平面镜成像
B. 探究种子萌发的条件
C. 用石蕊试液判断酸碱性
D. 模拟泥石流的形成
5. (2022山东临沂)临沂市文化公园是我市一道亮丽的风景线。1.5m深的荷花池内,一只立于荷尖上的蜻蜓距水面0.6m(如图),蜻蜓在水中的像( )
A. 因光的折射而形成B. 是比蜻蜓略小的虚像
C. 在水面下0.9m深处D. 与蜻蜓相距1.2m
6.如图所示,固定在水面上方的光源S发出一束光线经水面反射后在光屏上有一个光斑A,已知光束与水面的夹角为40°,S′是光源经水面反射所成的像。下列说法正确的是( )
A.反射角的大小为40°
B.当水面升高时,反射角将变大
C.当水面升高时,光斑A将向右移动
D.当水面升高时,S′到水面的距离变小
7.(2023江西)学校在教学楼大厅设有仪容镜,便于师生自觉规范仪容仪表。某同学在仪容镜中所成的像是_______(选填“实像”或“虚像”),与他在小平面镜中所成的像相比,像的大小______(选填“变大”“变小”或“不变”)。
8. (2022苏州)用图甲中的器材探究平面镜成像的特点时,发现不便得到像和物左右之间的关系。为解决这一问题,应选用图乙中的 _(a/b/c)棋子进行实验,分析可得像与物关于镜面 。
9. (2022辽宁沈阳)如图所示是2022年4月在荷兰阿尔梅勒世界园艺博览会上拍摄的中国竹园的展馆景象,“中国竹园”凭借其融合中国传统文化和现代工艺于一体的独特风格而备受瞩目。竹房在水中的“倒影”是光的 形成的,水中的“竹房”是 (选填“实”或“虚”)像。
10. (2022北京)小京利用如图所示的装置及相同高度的蜡烛等器材探究平玻璃板面镜成像特点,其中玻璃板和蜡烛竖直放置在水平桌面上,蜡烛的高度为6cm,蜡烛与玻璃板之间的距离为10cm。蜡烛通过玻璃板所成的像是 像(选填“实”或“虚”),像的高度为 cm,像到玻璃板的距离为 cm。
11. 如图所示为水位测量仪的示意图.A点与光屏PQ在同一水平面上,从A点发出的一束与水平面成45°角,方向不变的激光,经水面反射后,在光屏上的B点处形成一个光斑,光斑位置随水位变化而发生变化.
(1)A点与光屏在水中所成的像是 _像(选填“虚”或“实”);
(2)A点与水面相距3m,则A与它在水中的像A′之间的距离为 m;
(3)若光斑B向右移动了1m,说明水位 (选填“上升” 或“下降”)了 m.
12. 检查视力的时候,视力表放在被测者头部的后上方,被测者识别对面墙上镜子里的像。视力表在镜中的像与被测者相距多远?与不用平面镜的方法相比,这样安排有什么好处?
13.(2021贵州黔东南州)如图所示,A、B是镜前一点光源S发出的光线,经平面镜MN反射后的两条反射光线,请在图中画出点光源S的位置。
14.如图所示,在平面镜的上方有一发光点S,OB、O′B′分别是S发出的两条光线经平面镜后的反射光线,请根据平面镜成像特点确定发光点的位置。(要求保留必要的辅助线)
O
O′
B
B′
15.(2021内蒙古通辽)如图是“探究平面镜成像时像与物的关系”的装置。在水平桌面上铺一张白纸,将玻璃板竖立在白纸上,把一支点燃的蜡烛A放在玻璃板前面,一支完全相同,但不点燃的蜡烛B放在玻璃板后面移动,直到看上去它与蜡烛A的像完全重合。移动点燃的蜡烛,多做几次实验。
(1)实验时,选择玻璃板代替平面镜进行实验的原因是 。
(2)在寻找蜡烛A的像的位置时,某同学无论怎样调节蜡烛B,发现都不能与蜡烛A的像重合,发生这种现象的原因可能是 。
(3)实验中把蜡烛A远离玻璃板看到的像会远离,像的大小 (填“变大”“变小”或“不变”)。
(4)若要确认平面镜所成像是虚像还是实像,进一步操作是 。
2023-2024学年度物理八年级上册同步(拓展)学讲练测大讲义(人教版通用)
第四章 光现象
专题4.3 平面镜成像
学新课标对课节知识点要求
【课程标准】探究并了解平面镜成像时像与物的关系。知道平面镜成像的特点及应用。
【学习目标】
1.知道平面镜成像的特点;
2.理解平面镜成像的原理;
3.掌握平面镜成像的光路图,会利用平面镜成像的特点作图;
4.理解生活中平面镜成像的现象及平面镜成像的应用;
5.了解凸面镜和凹面镜及其应用。
【学习重点】理解平面镜成像的原理。会利用平面镜成像的特点作图。
【学习难点】知道平面镜成像的特点及应用。
学课节知识点
知识点1. 平面镜成像的特点
1.平面镜成像的原理是光的反射。
2.平面镜成像的特点
平面镜成的像为虚像。 平面镜所成像的大小和物体大小相等,物和像到平面镜的距离相等,物和像的连线与平面镜垂直。平面镜所成的像与物体关于平面镜对称。
知识点2. 平面镜成虚像
1.原因:物体射到平面镜上的光经平面镜反射后的反射光线没有会聚而是发散的,这些光线的反向延长线相交成的像,不是真正的物体,只能通过人眼观察到,故称为虚像;
2.平面镜成正立的、等大的虚像。
注意:实像和虚像的区别是难点
物体在平面镜中所成像的大小只跟物体本身的大小有关,跟物体到平面镜的距离无关.平面镜成的像一定要画成虚线。
知识点3. 平面镜的应用
1.平面镜成像不仅用于日常生活,也在其他方面应用甚广.
例如:(1)练功房里,演员用它来观察自己的姿势和动作;
(2)牙科医生用小平面镜来观察患者的病牙;
(3)潜水艇下潜后,艇内的人员通过潜望镜来观察水面上的情况。
2.改变光线的传播方向
(1)公元前215--212年间,罗马人大举入侵希腊,派出一支船队,满载精兵,准备攻打阿基米德的家乡——叙拉古城,面临来势凶猛的强敌,阿基米德求见国王,献出破敌妙计,他动员全乡的妇女和守城的人在海岸边列队.每人各执一面平面镜,把太阳光集中向罗马战船反射,不一会,罗马战船上的士兵被照得头晕目眩,丧失战斗力被迫而退.阿基米德利用平面镜把光反射的原理,击退了敌人,拯救了他的家乡.
(2)潜望镜示意图,如图甲所示
图乙 潜水艇上的潜望镜
图甲 潜望镜
如图甲那样在筒子的上下拐角处各安装一块平面镜,两块平面镜互相平行,都跟水平方向成45°,这样就做成最简单的潜望镜.
知识点4. 利用平面镜成像特点作图问题
1.注意“箭头”方向;
2.平面镜成像一定要画成“虚线”;
3.作图的依据是平面镜成像特点。
知识点5. 平面镜成像特点实验解读
1. 用玻璃板代替平面镜的目的是便于找到像的位置。
2. 将玻璃板垂直水平桌面放置的目的是使像成在水平桌面上,便于确定像的位置和大小。
3. 选用两支相同的蜡烛是为了比较像与物的大小关系。
4. 刻度尺与白纸的作用是在白纸上标注玻璃板、蜡烛以及蜡烛的像的位置,用刻度尺测量蜡烛及蜡烛的像到玻璃板的距离,便于确定像、物到镜面的距离关系,像、物连线与镜面的关系。
5. 实验中光屏的作用是通过观察像是否呈现在光屏上,从而验证平面镜所成的像是虚像还是实像。
6. 实验时选用薄玻璃板的原因是防止蜡烛通过玻璃板的前后两面成两个虚像,影响实验效果。
实验注意事项
(1)实验中用到的实验方法是等效替代法,即用外形相同但不点燃的蜡烛代替点燃的蜡烛成的像。
(2)实验应在较黑暗的环境中进行,使成的像更清晰。
知识点6. 凸面镜和凹面镜(拓展)
1.球面镜定义:反射面是球面的一部分的镜子。
2.球面镜分类:凹面镜、凸面镜
3.凹面镜的性质及应用
(1)性质:①凹面镜能使平行光会聚在焦点。
②使焦点发出的光线平行射出。
(2)应用:①太阳灶、太阳炉、内窥镜等。
②探照灯、手电筒、汽车头灯等。
4.凸面镜的性质及应用
(1)性质:凸面镜能使平行光线发散。
(2)应用:凸面镜可以扩大视野,如汽车上的观后镜。
讲课节知识点的例题解析
考点1. 探究平面镜成像的特点
【例题1】(2023安徽)某小组探究平面镜和凸透镜成像的特点,将光源和光屏分别竖直放置在水平光具座上的A、C位置,B是AC的中点,如图1所示。在AB之间朝向A观察,看到的光源形状如图2中的甲所示。
(1)在B处竖直放置一块平面镜,镜面朝向光源,小丽在AB之间观察平面镜中的像,小明在BC之间观察光屏。此后,小亮将平面镜更换为一个凸透镜,恰能在光屏上成等大的像,他在BC之间观察光屏上的像。上述实验过程中,小丽、小明和小亮观察到的分别是图2中的______(选填“①”“②”“③”或“④”);
①甲、丙、戊 ②乙、丙、丁 ③乙、乙、丁 ④乙、乙、戊
(2)小亮继续实验,要在光屏上得到一个缩小的像,可保持光源位置不变,将凸透镜向______(选填“A”或“C”)移动,并调节光屏的位置直到呈现清晰的像。
【答案】(1)② (2)C
【解析】(1)平面镜成像原理是光的反射,成正立、等大的虚像,虚像与物体左右相反。所以小丽在AB之间观察平面镜中的像,由于光的反射,看到的像是图乙;小明在BC之间观察光屏,由于虚像不能用光屏承接,所以小明在光屏上看不到像,如图丙;在B点放置凸透镜,此时
u=v=2f
在光屏上成倒立、等大的实像,且左右相反,小亮观察到的像如图丁,故②符合题意,①③④不符合题意。
故选②。
(2)根据凸透镜成像特点可知,要在光屏上得到一个缩小的像,物距u>2f,光源位置不变,需将凸透镜向C移动,并调节光屏的位置直到呈现清晰的像。
【对点训练】如图甲所示,在“探究平面镜成像特点”的实验中,选取两支等大的蜡烛A和B。
(1)实验中选择薄玻璃板效果好。此实验不能用平面镜进行,是因为平面镜______,不能确定像的位置.
(2)选取两支等大蜡烛的目的是_________。
(3)小组一同学在实验过程中始终不能使像与物体重合,其原因是____________。
(4)如图乙是小组调节好平面镜放置后的实验记录,通过分析发现像与物到玻璃板的距离相等,像与物的连线与玻璃板垂直。该小组实验的不足之处是___________。
【答案】(1) 不透光;(2)为了比较像与物的大小关系;(3)平面镜没有与桌面垂直;(4)一次实验不具备普遍性。
【解析】(1)用平面镜做实验,由于不透光,能在平面镜里看见虚像,但不能再平面镜后看见放在像点的蜡烛。
(2)取两支等大蜡烛的目的是为了比较像与物的大小关系.
(3)在实验过程中始终不能使像与物体重合的原因是平面镜没有与桌面垂直或者选择的玻璃板太厚。
(4)做任何实验只做一次得到的结果是没有代表性的,不具有普遍性。
考点2. 探究平面镜成像的特点的应用
【例题2】 (2023湖南株洲)图为一个光头的人拿着倒置的扫把照镜子(平面镜)的情景。下列说法符合事实的是( )
A. 人变高了B. 人变胖了C. 人长出了头发D. 人打了领带
【答案】D
【解析】根据平面镜成像特点可知,像与物大小相等,而且像和物到平面镜的距离相等。因此人不会发生任何变化,领带是这个人本身就佩戴的,因此镜子中的他也打了领带。故ABC不符合题意,D符合题意。
故选D。
【对点训练】(2022辽宁铁岭)如图是工人高空作业的情景,玻璃幕墙相当于平面镜。下列说法正确的( )
A. 玻璃幕墙中工人的像是实像
B. 工人远离玻璃幕墙时,镜中的像将变小
C. 工人工作时佩戴防滑手套是为了减小摩擦
D. 工人距玻璃幕墙0.5m时,他在镜中的像距玻璃幕墙0.5m
【答案】D
【解析】A.平面镜所成的像是虚像,故A错误;
B.平面镜成像中像和物的大小相同,所以工人远离玻璃幕墙时,镜中的像大小不变,故B错误;
C.工人工作时佩戴防滑手套是通过增大接触面粗糙程度来增大摩擦,故C错误;
D.平面镜成像中像和物到平面镜的距离相等,所以工人距玻璃幕墙0.5m时,他在镜中的像也距玻璃幕墙0.5m,故D正确。故选D。
【对点训练】检查视力的时候,视力表放在被测者头部的后上方,被测者识别对面墙上镜子里的像(如图所示).视力表在镜中的像与被测者相距 m。
【答案】4.2
【解析】根据平面镜成像特点,结合图示,先求出视力表在镜中的像与视力表之间的距离,然后减去被测者与视力表之间的距离即可得到答案。
如图所示,视力表到平面镜的距离是2.3m,根据物像到平面镜的距离相等,所以视力表像到平面镜的距离也是2.3m,所以,视力表在镜中的像与被测者的距离为2.3m+2.3m﹣0.4m=4.2m。
考点3.平面镜成像光路图
【例题3】 (2023山西)古诗词是中华文化的瑰宝,“小荷才露尖尖角,早有蜻蜓立上头”描述的画面如图甲所示。请在图乙中画出光从蜻蜓经水面反射后进入人眼的光路图,其中A'点表示水中“蜻蜓”的位置。
【答案】如图所示。
【解析】由题意知,是蜻蜓在水中的像,此时的水面相当于平面镜。连接与眼睛的直线,直线与水面的交点为入射点,入射点到眼睛的线为反射光线,过作水面的垂线,据平面镜的成像特点:像与物到镜面的距离相等,作出A点,即蜻蜓所在的位置,连接入射点与A点,这条线即为入射光线。
【对点训练】(2022上海)根据平面镜成像特点,在图中画出物体AB在平面镜MN 中所成的像A' B '。
【答案】如图所示
【解析】分别作出物体AB端点A、B关于平面镜的对称点A′、B′,用虚线连接A′、B′ 即为AB在平面镜中的像。如图所示。
强化知识点的达标问题精练
1. 用如图所示的装置探究光的反射规律。纸板由、两部分组成,可以绕翻折,为了探究反射角与入射角大小的关系,应进行的操作是( )
A. 改变光线与的夹角B. 沿向后转动纸板
C. 改变纸板与平面镜之间的夹角D. 沿向后转动纸板
【答案】A
【解析】为了探究反射角与入射角大小的关系,应改变入射角,即改变光线与的夹角,研究反射角是否等于入射角;故A符合题意。
2. (2022内蒙古赤峰)教学楼门厅里竖立着一面平面镜,一只小蜜蜂以图中虚线所示路线从镜前飞过,蜜蜂在镜中的像( )
A. 大小不变,到镜面的距离变大
B. 大小不变,到镜面的距离变小
C. 变大,到镜面的距离变大
D. 变大,到镜面的距离变小
【答案】B
【解析】平面镜所成的像与物体到镜面的距离相等,像与物体的大小相等。图中小蜜蜂距离平面镜越来越近,所以蜜蜂在镜中的像到镜面的距离也变近,但像的大小始终不变。故选B。
3.小欣站在平面镜前看自己在镜中的像,下面四幅图中能正确反映小欣和他的像的是( )
【答案】D
【解析】平面镜成像的特点是物体在平面镜中所成的像是虚像,像和物体的大小相等,它们的连线垂直于镜面,它们到镜面的距离相等.
根据平面镜成像的特点可知,平面镜所成的像与物体关于镜面对称,左右相反,由原图知,小欣同学的右手拿书,右边裤子有褶皱,则平面镜中的人应该是左手拿书,左边裤子上有皱褶,故D正确.
4. (2022浙江绍兴)科学研究常采用转换、模型、等效替代和控制变量等方法,下列实验中采用等效替代的是( )
A. 探究平面镜成像
B. 探究种子萌发的条件
C. 用石蕊试液判断酸碱性
D. 模拟泥石流的形成
【答案】A
【解析】A.探究平面镜成像,用玻璃板后面的蜡烛替代玻璃板前面点燃蜡烛的像来比较像与物的大小,用到等效替代法,故A符合题意;
B.影响种子萌发的条件有多个因素,需要用到控制变量法,故B不符合题意;
C.用石蕊试液判断酸碱性,通过石蕊试液颜色的变化判断液体的酸碱性,用到转换法,故C不符合题意;
D.模拟泥石流的形成,用到模型法,故D不符合题意。故选A。
5. (2022山东临沂)临沂市文化公园是我市一道亮丽的风景线。1.5m深的荷花池内,一只立于荷尖上的蜻蜓距水面0.6m(如图),蜻蜓在水中的像( )
A. 因光的折射而形成B. 是比蜻蜓略小的虚像
C. 在水面下0.9m深处D. 与蜻蜓相距1.2m
【答案】D
【解析】A.蜻蜓在水中的像是平面镜成像,是光的反射,故A不符合题意;
B.蜻蜓在水中的像是平面镜成像,成的是等大的虚像,故B不符合题意;
C.蜻蜓在水中的像是平面镜成像,像到平面镜的距离等于物体到水面的距离等于0.6m,故C不符合题意;
D.蜻蜓在水中的像与蜻蜓相距
故D符合题意。故选D。
6.如图所示,固定在水面上方的光源S发出一束光线经水面反射后在光屏上有一个光斑A,已知光束与水面的夹角为40°,S′是光源经水面反射所成的像。下列说法正确的是( )
A.反射角的大小为40°
B.当水面升高时,反射角将变大
C.当水面升高时,光斑A将向右移动
D.当水面升高时,S′到水面的距离变小
【答案】D
【解析】A.光束与水面的夹角为40°,则入射角为90°-40°=50°
因为反射角等于入射角,因此反射角的大小为50°,故错误;
B.当水面升高时,入射光线与法线的夹角不变,即入射角不变,则反射角大小不变,故错误;
C.当水面升高时入射点向左移动,因为入射角与反射角大小不变,因此光斑向左移动,故错误;
D.由平面镜成像特点可知,物与像关于平面镜成轴对称关系,当水面升高时S′到水面的距离变小,故正确。
7.(2023江西)学校在教学楼大厅设有仪容镜,便于师生自觉规范仪容仪表。某同学在仪容镜中所成的像是_______(选填“实像”或“虚像”),与他在小平面镜中所成的像相比,像的大小______(选填“变大”“变小”或“不变”)。
【答案】 虚像 不变
【解析】平面镜成的是正立等大的虚像,某同学在仪容镜中所成的像属于平面镜成像,成的像是虚像,与他在小平面镜中所成的像相比,人的大小不变,像的大小不变。
8. (2022苏州)用图甲中的器材探究平面镜成像的特点时,发现不便得到像和物左右之间的关系。为解决这一问题,应选用图乙中的 _(a/b/c)棋子进行实验,分析可得像与物关于镜面 。
【答案】 a 对称
【解析】图乙中,a物体左右不对称,b、c物体左右对称,用对称的b、c物体研究平面镜成像时,不容易识别像和物体的左右之间的关系,因此应选a物体探究平面镜成像的特点。
由平面镜成像的特点可知:像与物体的大小相同、像与物体的连线与镜面垂直、像与物体到平面镜的距离相等。即平面镜成像时,像与物体关于镜面对称。
9. (2022辽宁沈阳)如图所示是2022年4月在荷兰阿尔梅勒世界园艺博览会上拍摄的中国竹园的展馆景象,“中国竹园”凭借其融合中国传统文化和现代工艺于一体的独特风格而备受瞩目。竹房在水中的“倒影”是光的 形成的,水中的“竹房”是 (选填“实”或“虚”)像。
【答案】 反射 虚
【解析】竹房在水中的“倒影”,属于平面镜成像,是由光的反射形成的。
水中的“竹房”并不是由实际光线会聚而成的,因而是虚像。
10. (2022北京)小京利用如图所示的装置及相同高度的蜡烛等器材探究平玻璃板面镜成像特点,其中玻璃板和蜡烛竖直放置在水平桌面上,蜡烛的高度为6cm,蜡烛与玻璃板之间的距离为10cm。蜡烛通过玻璃板所成的像是 像(选填“实”或“虚”),像的高度为 cm,像到玻璃板的距离为 cm。
【答案】 虚 6 10
【解析】由平面镜所成特点可知,平面镜所成像是虚像,像与实物等大,像距等于物距,所以蜡烛通过玻璃板所成的像是虚像;蜡烛的高度为6cm,所以像的高度也为6cm;蜡烛与玻璃板之间的距离为10cm,所以像到玻璃板的距离也为10cm。
11. 如图所示为水位测量仪的示意图.A点与光屏PQ在同一水平面上,从A点发出的一束与水平面成45°角,方向不变的激光,经水面反射后,在光屏上的B点处形成一个光斑,光斑位置随水位变化而发生变化.
(1)A点与光屏在水中所成的像是 _像(选填“虚”或“实”);
(2)A点与水面相距3m,则A与它在水中的像A′之间的距离为 m;
(3)若光斑B向右移动了1m,说明水位 (选填“上升” 或“下降”)了 m.
【答案】(1)虚 (2)6 (3)下降 0.5
【解析】(1)平面镜所成的像是虚像。
(2)平面镜成像特点是等大、等距、垂直、虚像,A点与水面相距3m ,像到水面的距离也是3m,A与它在水中的像A′之间的距离为6 m.
(3)如图水面是下降的。BQ=1m,水深是BQ的一半,为0.5m。
12. 检查视力的时候,视力表放在被测者头部的后上方,被测者识别对面墙上镜子里的像。视力表在镜中的像与被测者相距多远?与不用平面镜的方法相比,这样安排有什么好处?
【答案】5.4m,可以节省空间。
【解析】因平面镜成像时像距与物距是相等的,视力表与平面镜之间的距离为2.5+0.4=2.9m,故视力表在镜中的像与平面镜的距离为2.9m,而被测者与平面镜的距离又为2.5m,故视力表在镜中的像与被测者之间的距离2.9+2.5=5.4m。因平面镜成等大正立的像,那被测者可以看镜中视力表的像来测视力,这样大大节省了空间.
13.(2021贵州黔东南州)如图所示,A、B是镜前一点光源S发出的光线,经平面镜MN反射后的两条反射光线,请在图中画出点光源S的位置。
【答案】如图所示。
【解析】根据光的反射定律,做两条光线的反向延长线,交点即为点光源S的像点 ,再根据平面镜成像特点,像和物关于镜面对称,做出像点关于镜面的对称点S,即为点光源S.
14.如图所示,在平面镜的上方有一发光点S,OB、O′B′分别是S发出的两条光线经平面镜后的反射光线,请根据平面镜成像特点确定发光点的位置。(要求保留必要的辅助线)
O
O′
B
B′
【答案】如图所示。
S′
S
O
O′
B
B′
【解析】要先找到发光点S的像点 S′。将OB、O′B′两条反射光线反向延长交于一点就是像点S′。根据平面镜物和像关于平面镜对称得到发光点S。
15.(2021内蒙古通辽)如图是“探究平面镜成像时像与物的关系”的装置。在水平桌面上铺一张白纸,将玻璃板竖立在白纸上,把一支点燃的蜡烛A放在玻璃板前面,一支完全相同,但不点燃的蜡烛B放在玻璃板后面移动,直到看上去它与蜡烛A的像完全重合。移动点燃的蜡烛,多做几次实验。
(1)实验时,选择玻璃板代替平面镜进行实验的原因是 。
(2)在寻找蜡烛A的像的位置时,某同学无论怎样调节蜡烛B,发现都不能与蜡烛A的像重合,发生这种现象的原因可能是 。
(3)实验中把蜡烛A远离玻璃板看到的像会远离,像的大小 (填“变大”“变小”或“不变”)。
(4)若要确认平面镜所成像是虚像还是实像,进一步操作是 。
【答案】(1)便于确定像的位置;(2)玻璃板没有竖直放置;(3)不变;(4)把蜡烛B取走,光屏放在蜡烛B的位置上,看光屏上是否有蜡烛A的像,光屏上如果没有,说明平面镜成虚像。
【解析】(1)实验中用玻璃板代替平面镜的目的是便于确定像的位置;
(2)平面镜成的像是光的反射形成的,A蜡烛发出的光线经玻璃板反射,被人眼接收,才能看到像,故眼睛在A蜡烛所在这一侧。如果玻璃板没有竖直放置,A蜡烛所成的像可能偏高或偏低,这样B蜡烛与A蜡烛的像就无法重合了;
(3)玻璃板中的像的大小跟物体大小有关,跟物体到玻璃板的距离无关,所以物体远离玻璃板,像的大小不变;
(4)为了验证平面镜成虚像,可以把蜡烛B取走,光屏放在蜡烛B的位置上,看光屏上是否有蜡烛A的像,光屏上如果没有,说明平面镜成虚像。
【点评】探究平面镜成像特点的实验过程,在近年中考题中较为热点。重在探索过程中遇到的困难、解决的办法的考查,这些题往往有规律可循,注意体会实验的整个成功和失败的过程。
分类
形成原因
验证
实例
实像
由实际光线会聚而成
实像可以在光屏上成像
小孔成像、照相机、投影仪
虚像
由光线的反向延长线相交而成
虚像不能在光屏上成像,只可以通过眼睛看到
平面镜成像、水中的倒影
分类
形成原因
验证
实例
实像
由实际光线会聚而成
实像可以在光屏上成像
小孔成像、照相机、投影仪
虚像
由光线的反向延长线相交而成
虚像不能在光屏上成像,只可以通过眼睛看到
平面镜成像、水中的倒影
相关试卷
这是一份物理八年级上册第五章 透镜及其应用第1节 透镜课后作业题,共20页。试卷主要包含了1 透镜,知道凸透镜和凹透镜的定义;,知道凸透镜的光心、焦点和焦距;, 请在图中完成光路图等内容,欢迎下载使用。
这是一份人教版(2024)八年级上册第5节 光的色散综合训练题,共21页。试卷主要包含了5 光的色散,掌握红外线和紫外线的特性和应用, 感知乘客,确定是否关门等内容,欢迎下载使用。
这是一份人教版(2024)八年级上册第四章 光现象第4节 光的折射复习练习题,共27页。试卷主要包含了4 光的折射,了解光的折射现象;等内容,欢迎下载使用。

