浙江省普陀中学2022-2023学年高三上学期第一次校考通用技术试卷(Word版附解析)
展开1. 从人机关系角度分析,下列关于厨房台面、吊柜设计的说法中正确的是( )
A. 台面深度60cm考虑了人的动态尺寸
B. 吊柜深度35cm考虑了人的静态尺寸
C. 适当加高操作台的高度,考虑了人机关系的健康目标
D. 吸油烟机距离灶台面的高度36-40cm考虑了普通人群的操作需要
2. 如图所示是一款电动削笔刀,下列对该削笔刀的评价中,不正确的是( )
A. 外壳无尖棱突角,实现人机关系的安全目标
B. 可刨削圆角、三角、六角等多种笔型,主要考虑了“环境”的因素
C. 封闭式刀盒,开盒立即断电,主要考虑了“人”的因素
D. 与普通削笔刀相比,价格较高,不符合设计的经济原则
3. 如图所示的小木凳,其中凳腿的结构设计合理的是( )
A. B. C. D.
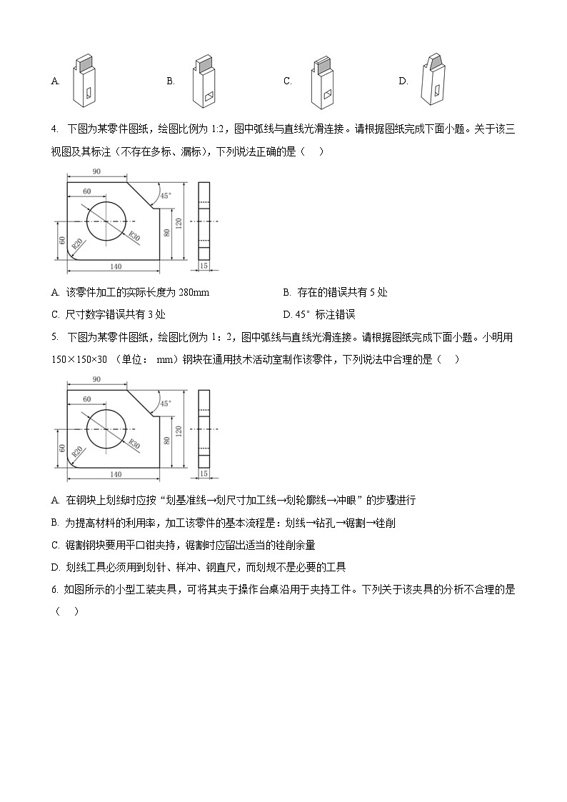
4. 下图为某零件图纸,绘图比例为1:2,图中弧线与直线光滑连接。请根据图纸完成下面小题。关于该三视图及其标注(不存在多标、漏标),下列说法正确的是( )
A. 该零件加工的实际长度为280mmB. 存在的错误共有5处
C. 尺寸数字错误共有3处D. 45°标注错误
5. 下图为某零件图纸,绘图比例为1:2,图中弧线与直线光滑连接。请根据图纸完成下面小题。小明用150×150×30 (单位: mm)钢块在通用技术活动室制作该零件,下列说法中合理的是( )
A. 在钢块上划线时应按“划基准线→划尺寸加工线→划轮廓线→冲眼”的步骤进行
B. 为提高材料的利用率,加工该零件的基本流程是:划线→钻孔→锯割→锉削
C. 锯割钢块要用平口钳夹持,锯割时应留出适当的锉削余量
D. 划线工具必须用到划针、样冲、钢直尺,而划规不是必要的工具
6. 如图所示的小型工装夹具,可将其夹于操作台桌沿用于夹持工件。下列关于该夹具的分析不合理的是( )
A. 手柄1与手柄2要用抗弯性强的材料
B. 固定钳身上与螺杆1连接处是光孔,与螺杆2连接处是螺纹孔
C. 夹紧工件后,螺杆1和螺杆2主要受压
D. 螺杆2与夹垫的连接方式为铰连接
7. 如图所示是废旧玻璃处理工艺示意图。下列流程分析中不正确的是( )
A. 省去人工分筛环节可以提高流程效率B. 风力吸取与金属分离是并行环节
C. 两次振动筛选环节使用的设备不同D. 此流程设计的任务是要实现废旧玻璃的合理处置
8. 如图所示是汽车自动清洗PLC控制系统的结构图,主要由PLC控制器、车辆检测器、喷淋器电磁阀、清洗电动机和刷子电动机等构件组成。当按下启动开关SB1后,洗车机开始工作,清洗电动机和喷淋器电磁阀接通,当车辆检测器检测车辆到位后,刷子电动机接通,刷洗开始,当刷洗2分钟后清洗完成,车辆驶离,刷洗动作停止,刷子电动机关闭,按下停机开关SB2后,清洗电动机和喷淋器电磁阀关闭,清洗结束。在清洗过程中,汽车碰到限位开关,导致接触器线圈失电,清洗电动机电源立即自动切断,清洗电动机停止移动,同时外接蜂鸣器间断发出报警信号。从系统的角度分析,下列说法不正确的是( )
A. 根据功能不同,系统可以分清洗、报警等子系统
B. 喷淋器电磁阀出现故障会影响系统的清洗效果,体现了系统的整体性
C. 自动清洗解决了人工清洗存在的弊端,体现了系统的目的性
D. 汽车的大小会决定清洗用水量的多少,体现了系统分析的科学性原则
9. 如图所示是汽车自动清洗PLC控制系统的结构图,主要由PLC控制器、车辆检测器、喷淋器电磁阀、清洗电动机和刷子电动机等构件组成。当按下启动开关SB1后,洗车机开始工作,清洗电动机和喷淋器电磁阀接通,当车辆检测器检测车辆到位后,刷子电动机接通,刷洗开始,当刷洗2分钟后清洗完成,车辆驶离,刷洗动作停止,刷子电动机关闭,按下停机开关SB2后,清洗电动机和喷淋器电磁阀关闭,清洗结束。在清洗过程中,汽车碰到限位开关,导致接触器线圈失电,清洗电动机电源立即自动切断,清洗电动机停止移动,同时外接蜂鸣器间断发出报警信号。从系统的角度分析,下列说法不正确的是( )
A. 根据功能不同,系统可以分为清洗、报警等子系统
B. 喷淋器电磁阀出现故障会影响系统清洗效果,体现了系统的整体性
C. 自动清洗解决了人工清洗存在的弊端,体现了系统的目的性
D. 汽车的大小会决定清洗用水量的多少,体现了系统分析的科学性原则
10. 电子控制系统有输入、控制、输出三个部分组成,下列元器件经常作为电路输出部分的是( )
A. B. C. D.
11. 下列独立元器件构成的电路能实现“与”逻辑的有( )
A 1个B. 2个C. 3个D. 4个
12. 如图所示是小明在通用技术实践课上设计的光控发光报警电路。锡焊电路后,调试过程中发现:随着外界光线的变化,发光二极管V2渐渐变亮。以下说法中不正确的是( )
A. 如图示用指针式万用表测量电压时,黑表笔接三极管V1的e极,红表笔接V1的c极
B. 当外界光线变亮,电压表V的读数可能变大
C. 若将Rp适当调小,则触发报警的外界光线变亮
D. 若调试中发现V2始终不亮有可能是R1虚焊
13. 如图所示是小明设计的花盆土壤湿度控制电路。当湿度低于25%时电动机开始启动喷水,当湿度高于60%时电动机关闭停止喷水。S1、S2是同型号的湿敏电阻,二极管、三极管均为硅管,比较器功能:当V+>V-时输出高电平,当V+
B. 土壤湿度范围确定后,Rp1阻值大于Rp2阻值
C. 若调试时发现湿度升高至65%时才停止喷水,则应该调小Rp2
D. D点电位降低的过程花盆土壤湿度在升高
二、非选择题(本大题共4小题,第14小题6分,第15小题9分,第16小题3分,第17小题6分,共24分)
14. 如图所示是小明设计制作的升降机装置模型系统。摇动手柄,滑块移动,实现平台升降。请根据示意图和描述,完成以下任务:
(1)该装置系统设计的主要目的是______(A.改变力的方向;B.保证平台上物品的安全;C.可以轻松实现平台上重物的升);
(2)设计该装置系统时,螺杆与滑块要相互吻合,体现了系统的______(A.目的性;B.科学性;C.相关性;D.动态性);
(3)在组装完成后,手摇进行空载试验,查看装置系统能否正常运转,该试验方法属于______(A.优选试验法;B.强化试验法;C.模拟试验法;D.虚拟试验法);
(4)平台上放好重物后,下列分析中不正确的是______(A.平台上升过程中,摇臂受弯曲;B.平台上升过程中,摇臂受扭转;C.平台上升过程中,连杆1、连杆2都受弯曲;D.平台停在最高点时,螺杆受拉);
(5)平台的侧边设计方案合理的是______。
15. 小明看到妈妈做豆腐时总是搬石头压模具压板(如图a所示),非常累。为了减轻妈妈的劳动强度,小明查阅资料,受到电动螺丝刀、台虎钳工作原理的启发,准备设计一个装置配合模具(如图b所示),代替石头压模具压板,装置利用电机正反转实现压板升降。请你帮助小明设计该装置,具体要求如下:
A.压板的升降范围0~200mm;
B.整个装置结构简单(包括支撑结构和传动结构),具有一定的强度和稳定性;
C.材料为3mm厚的钢板,辅料自选。
请你完成以下任务:
(1)设计装置时,可以不考虑的是 (在“A.装置能提供的压力大小;B.模具的尺寸;C.模具的材料”中选择合适的选项,将序号填入“ ______”处);
(2)小明在方案构思时,受电动螺丝刀、台虎钳工作原理的启发,进而完成了设计。这种构思方法可以归入 (在 “A.形态分析法;B.联想法;C.设问法”中选择合适的选项,将序号填入“______”处);
(3)画出该装置设计草图(电机可用方框表示,必要时可用文字说明);
(4)在设计草图上标注主要尺寸;
(5)小明在装置安装完成后进行试验,开启电机,观察装置的可靠性。该试验的方法属于 (在“A.移植试验;B.模拟试验;C.强化试验”中选择合适的选项,将序号填入“______”处)。
16. 请补全三视图中所缺的3条图线。
17. 如图所示是光照强度提醒电路。其中电容C1、电阻R5和与非门构成具有振荡功能的模块电路。当与非门输入端F=0时,输出端O始终是低电平,电路因此无法振荡,反之能振荡。振荡时能驱动扬声器发出声音。要求:当光照强度高于或低于设定值时,扬声器报警。比较器IC1、IC2的V+>V-时,出高电平,V+<V-时,出低电平。
(1)当光照强度变化时,A和B点电平不可能出现______(A.高电平,低电平;B.低电平,高电平;C.均是高电平;D.均是低电平)
(2)根据电路功能要求,虚线框1处应选用______(A.与门;B.或门;C.与非门;D.非门)
(3)小明手头只有集成或非门芯片,于是需要重新设计比较器处的输入电路,请你帮他在虚线框2中完成电路连线,实现电路功能。______
(4)小明打算改进电路功能:要求当光照强度高于设定值时,扬声器能发出更低沉(频率低)的声音,且频率小幅可调。虚线框3内是一个转换触点和可变电阻,请在虚线框内3完成电路连线。______
浙江省山水联盟2022-2023学年高三上学期8月联考通用技术试卷(Word版附解析): 这是一份浙江省山水联盟2022-2023学年高三上学期8月联考通用技术试卷(Word版附解析),文件包含浙江省山水联盟2022-2023学年高三上学期8月联考通用技术试题Word版含解析docx、浙江省山水联盟2022-2023学年高三上学期8月联考通用技术试题Word版无答案docx等2份试卷配套教学资源,其中试卷共19页, 欢迎下载使用。
浙江省名校协作体2022-2023学年高三上学期开学联考通用技术试卷(Word版附解析): 这是一份浙江省名校协作体2022-2023学年高三上学期开学联考通用技术试卷(Word版附解析),文件包含浙江省名校协作体2022-2023学年高三上学期开学考试通用技术试题Word版含解析docx、浙江省名校协作体2022-2023学年高三上学期开学考试通用技术试题Word版无答案docx等2份试卷配套教学资源,其中试卷共18页, 欢迎下载使用。
浙江省普通高中2022-2023学年7月学业水平考试通用技术试卷(Word版附解析): 这是一份浙江省普通高中2022-2023学年7月学业水平考试通用技术试卷(Word版附解析),文件包含浙江省普通高中2022-2023学年7月学业水平考试技术试题-高中通用技术Word版含解析docx、浙江省普通高中2022-2023学年7月学业水平考试技术试题-高中通用技术Word版无答案docx等2份试卷配套教学资源,其中试卷共15页, 欢迎下载使用。

