


所属成套资源:新高考物理一轮复习讲义 (含解析)
新高考物理一轮复习讲义 第6章 实验七 验证机械能守恒定律
展开
这是一份新高考物理一轮复习讲义 第6章 实验七 验证机械能守恒定律,共10页。
实验技能储备
1.实验原理(如图1所示)
通过实验,求出做自由落体运动物体的重力势能的减少量和对应过程动能的增加量,在实验误差允许范围内,若二者相等,说明机械能守恒,从而验证机械能守恒定律.
图1
2.实验器材
打点计时器、交变电源、纸带、复写纸、重物、刻度尺、铁架台(带铁夹)、导线.
3.实验过程
(1)安装器材:将打点计时器固定在铁架台上,用导线将打点计时器与电源相连.
(2)打纸带
用手竖直提起纸带,使重物停靠在打点计时器下方附近,先接通电源,再松开纸带,让重物自由下落,打点计时器就在纸带上打出一系列的点,取下纸带,换上新的纸带重打几条(3~5条)纸带.
(3)选纸带:从打出的几条纸带中选出一条点迹清晰的纸带.
(4)进行数据处理并验证.
4.数据处理
(1)求瞬时速度
由公式vn=eq \f(hn+1-hn-1,2T)可以计算出重物下落h1、h2、h3…的高度时对应的瞬时速度v1、v2、v3….
(2)验证守恒
方案一:利用起始点和第n点计算
代入mghn和eq \f(1,2)mvn2,如果在实验误差允许的范围内,mghn和eq \f(1,2)mvn2相等,则验证了机械能守恒定律.
注意:应选取最初第1、2两点间距离接近2_mm的纸带(电源频率为50 Hz).
方案二:任取两点计算
①任取两点A、B,测出hAB,算出mghAB.
②算出eq \f(1,2)mvB2-eq \f(1,2)mvA2的值.
③在实验误差允许的范围内,若mghAB=eq \f(1,2)mvB2-eq \f(1,2)mvA2,则验证了机械能守恒定律.
方案三:图像法
测量从第一点到其余各点的下落高度h,并计算对应速度v,然后以eq \f(1,2)v2为纵轴,以h为横轴,根据实验数据作出eq \f(1,2)v2-h图像.若在误差允许的范围内图像是一条过原点且斜率为g的直线,则验证了机械能守恒定律.
5.注意事项
(1)打点计时器要竖直:安装打点计时器时要竖直架稳,使其两限位孔在同一竖直线上,以减小摩擦阻力.
(2)重物应选用质量大、体积小、密度大的.
(3)应先接通电源,让打点计时器正常工作,后松开纸带让重物下落.
(4)测长度,算速度:某时刻的瞬时速度的计算应用vn=eq \f(hn+1-hn-1,2T),不能用vn=eq \r(2ghn)或vn=gt来计算.
(5)此实验中不需要测量重物的质量.
考点一 教材原型实验
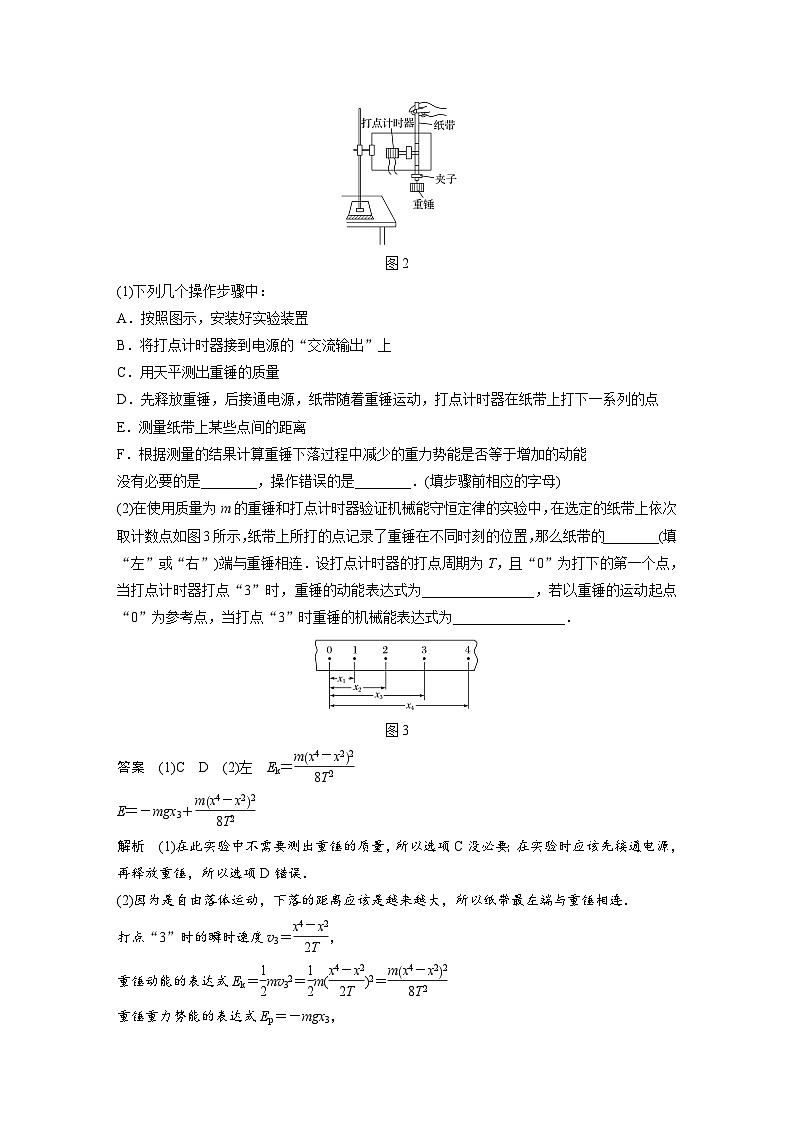
例1 用如图2所示的实验装置验证机械能守恒定律,实验所用的电源为学生电源,可输出交流电和直流电.重锤从高处由静止开始下落,打点计时器在重锤拖着的纸带上打出一系列的点,对图中纸带上的点迹进行测量,即可验证机械能守恒定律.
图2
(1)下列几个操作步骤中:
A.按照图示,安装好实验装置
B.将打点计时器接到电源的“交流输出”上
C.用天平测出重锤的质量
D.先释放重锤,后接通电源,纸带随着重锤运动,打点计时器在纸带上打下一系列的点
E.测量纸带上某些点间的距离
F.根据测量的结果计算重锤下落过程中减少的重力势能是否等于增加的动能
没有必要的是________,操作错误的是________.(填步骤前相应的字母)
(2)在使用质量为m的重锤和打点计时器验证机械能守恒定律的实验中,在选定的纸带上依次取计数点如图3所示,纸带上所打的点记录了重锤在不同时刻的位置,那么纸带的________(填“左”或“右”)端与重锤相连.设打点计时器的打点周期为T,且“0”为打下的第一个点,当打点计时器打点“3”时,重锤的动能表达式为________________,若以重锤的运动起点“0”为参考点,当打点“3”时重锤的机械能表达式为________________.
图3
答案 (1)C D (2)左 Ek=eq \f(mx4-x22,8T2)
E=-mgx3+eq \f(mx4-x22,8T2)
解析 (1)在此实验中不需要测出重锤的质量,所以选项C没必要;在实验时应该先接通电源,再释放重锤,所以选项D错误.
(2)因为是自由落体运动,下落的距离应该是越来越大,所以纸带最左端与重锤相连.
打点“3”时的瞬时速度v3=eq \f(x4-x2,2T),
重锤动能的表达式Ek=eq \f(1,2)mv32=eq \f(1,2)m(eq \f(x4-x2,2T))2=eq \f(mx4-x22,8T2)
重锤重力势能的表达式Ep=-mgx3,
重锤机械能的表达式E=Ep+Ek=-mgx3+eq \f(mx4-x22,8T2).
1.(2017·天津卷·9(2))如图4甲所示,打点计时器固定在铁架台上,使重物带动纸带从静止开始自由下落,利用此装置验证机械能守恒定律.
图4
(1)对于该实验,下列操作中对减小实验误差有利的是________.
A.重物选用质量和密度较大的金属锤
B.两限位孔在同一竖直面内上下对正
C.精确测量出重物的质量
D.用手托稳重物,接通电源后,撤手释放重物
(2)某实验小组利用上述装置将打点计时器接到50 Hz的交流电源上,按正确操作得到了一条完整的纸带,由于纸带较长,图中有部分未画出,如图乙所示.纸带上各点是打点计时器打出的计时点,其中O点为纸带上打出的第一个点.重物下落高度应从纸带上计时点间的距离直接测出,利用下列测量值能完成验证机械能守恒定律的选项有________.
A.OA、AD和EG的长度
B.OC、BC和CD的长度
C.BD、CF和EG的长度
D.AC、BD和EG的长度
答案 (1)AB (2)BC
解析 (1)重物选用质量和密度较大的金属锤,能够减小空气阻力的影响,以减小误差,故A正确;两限位孔在同一竖直面内上下对正,减小纸带和打点计时器之间的阻力,以减小误差,故B正确;验证机械能守恒定律的原理是:mgh=eq \f(1,2)mv22-eq \f(1,2)mv12,重物质量可以消掉,无需精确测量出重物的质量,故C错误;用手托稳重物,接通电源后,撤手释放重物对减小实验误差无影响,故D错误.
(2)利用纸带数据,根据mgh=eq \f(1,2)mv2即可验证机械能守恒定律.要从纸带上测出重物下落的高度并计算出对应的速度,选项A、D的条件中,下落高度与所能计算的速度不对应;选项B的条件符合要求,可以取重物下落OC段处理;选项C中,可以求出C、F点的瞬时速度,又知CF间的距离,可以利用eq \f(1,2)mv22-eq \f(1,2)mv12=mgΔh验证机械能守恒定律.
考点二 拓展创新实验
本实验可以从下列几个方面进行创新
1.速度测量方法的创新
从测量纸带上各点速度→eq \b\lc\{\rc\ (\a\vs4\al\c1(由光电门测速度,由频闪照片测速度,由平抛运动测速度))
2.研究对象的创新
从单个物体创新为两个物体组成的系统,验证系统在某一过程机械能守恒.
3.实验目的的创新
由机械能守恒定律测量弹簧的弹性势能,测重力加速度.
例2 (2016·江苏卷·11)某同学用如图5甲所示的装置验证机械能守恒定律.一根细线系住钢球,悬挂在铁架台上,钢球静止于A点.光电门固定在A的正下方,在钢球底部竖直地粘住一片宽度为d的遮光条.将钢球拉至不同位置由静止释放,遮光条经过光电门的挡光时间t可由计时器测出,取v=eq \f(d,t)作为钢球经过A点时的速度.记录钢球每次下落的高度h和计时器示数t,计算并比较钢球在释放点和A点之间的势能变化大小ΔEp与动能变化大小ΔEk,就能验证机械能是否守恒.
图5
(1)用ΔEp=mgh计算钢球重力势能变化的大小,式中钢球下落高度h应测量释放时的钢球球心到________之间的竖直距离.
A.钢球在A点时的顶端
B.钢球在A点时的球心
C.钢球在A点时的底端
(2)用ΔEk=eq \f(1,2)mv2计算钢球动能变化的大小,用刻度尺测量遮光条宽度,示数如图乙所示,其读数为________cm.某次测量中,计时器的示数为0.010 0 s,则钢球的速度为v=________m/s.
(3)下表为该同学的实验结果:
他发现表中的ΔEp与ΔEk之间存在差异,认为这是由于空气阻力造成的.你是否同意他的观点?请说明理由.
________________________________________________________________________
________________________________________________________________________.
(4)请你提出一条减小上述差异的改进建议.
________________________________________________________________________
________________________________________________________________________.
答案 (1)B (2)1.50 1.50 (3)不同意 理由见解析
(4)见解析
解析 (1)钢球下落高度h,应测量释放时钢球球心到钢球在A点时的球心之间的竖直距离,故选B.
(2)遮光条的宽度d=1.50 cm,
钢球的速度v=eq \f(d,t)=1.50 m/s
(3)不同意,因为空气阻力会造成ΔEk小于ΔEp,但表中ΔEk大于ΔEp.
(4)分别测出光电门和球心到悬点的长度L和l,计算ΔEk时,将v折算成钢球的速度v′=
eq \f(l,L)v.
例3 (2019·四川资阳市一诊)利用气垫导轨“验证机械能守恒定律”,实验装置如图6甲所示,水平桌面上固定一倾斜的气垫导轨,导轨上A点处有一带长方形遮光片的滑块,其总质量为M,左端由跨过轻质光滑定滑轮的细绳与一质量为m的小球相连;遮光片两条长边与导轨垂直,导轨上B点有一光电门,可以测量遮光片经过光电门时的挡光时间t,用d表示A点到光电门B处的距离,b表示遮光片的宽度,将遮光片通过光电门的平均速度看作滑块通过B点时的瞬时速度v,实验时滑块在A处由静止开始运动.
图6
(1)某次实验测得倾角θ=30°,重力加速度用g表示,滑块从A处到达B处时m和M组成的系统动能增加量可表示为ΔEk=________________,系统的重力势能减少量可表示为ΔEp=________,在误差允许的范围内,若ΔEk=ΔEp,则可认为系统的机械能守恒;(用题中所给字母表示)
(2)按上述实验方法,某同学改变A、B间的距离,得到滑块到B点时对应的速度,作出v2-d图像如图乙所示,并测得M=m,则重力加速度g=________ m/s2.
答案 (1)eq \f(M+mb2,2t2) (m-eq \f(M,2))gd (2)9.6
解析 (1)滑块到达B处时的速度v=eq \f(b,t),则系统动能的增加量ΔEk=eq \f(1,2)(M+m)v2=eq \f(M+mb2,2t2).
系统重力势能的减少量ΔEp=mgd-Mgdsin 30°=(m-eq \f(M,2))gd.
(2)根据系统机械能守恒有eq \f(1,2)(M+m)v2=(m-eq \f(M,2))gd,
则v2=eq \f(2m-Mgd,M+m),题图乙图线的斜率k=eq \f(2m-M,M+m)g=eq \f(2.4,0.5) m/s2=4.8 m/s2,又M=m,
解得g=9.6 m/s2.
2.(2016·全国卷Ⅱ·22)某物理小组对轻弹簧的弹性势能进行探究,实验装置如图7所示:轻弹簧放置在光滑水平桌面上,弹簧左端固定,右端与一物块接触而不连接,纸带穿过打点计时器并与物块连接.向左推物块使弹簧压缩一段距离,由静止释放物块,通过测量和计算,可求得弹簧被压缩后的弹性势能.
图7
(1)实验中涉及到下列操作步骤:
①把纸带向左拉直
②松手释放物块
③接通打点计时器电源
④向左推物块使弹簧压缩,并测量弹簧压缩量
上述步骤正确的操作顺序是________(填入代表步骤的序号).
(2)图8中M和L纸带是分别把弹簧压缩到不同位置后所得到的实际打点结果.打点计时器所用交流电的频率为50 Hz.由M纸带所给的数据,可求出在该纸带对应的实验中物块脱离弹簧时的速度为________m/s.比较两纸带可知,________(填“M”或“L”)纸带对应的实验中弹簧被压缩后的弹性势能大.
图8
答案 (1)④①③② (2)1.29 M
解析 (1)根据该实验操作过程,正确步骤应为④①③②.
(2)物块脱离弹簧时速度最大,v=eq \f(Δx,Δt)=eq \f(2.58+2.57×10-2,2×0.02) m/s≈1.29 m/s;由动能定理ΔEk=eq \f(1,2)mv2,根据纸带中打点的疏密知M纸带获得的最大速度较大,对应的实验中弹簧被压缩后的弹性势能较大.
3.某研究性学习小组利用气垫导轨验证机械能守恒定律,实验装置如图9甲所示.在气垫导轨上相隔一定距离的两处安装两个光电传感器A、B,滑块P上固定一遮光条,若光线被遮光条遮挡,光电传感器会输出高电压,两光电传感器采集数据后与计算机相连.滑块在细线的牵引下向左加速运动,遮光条经过光电传感器A、B时,通过计算机可以得到如图乙所示的电压U随时间t变化的图像.
图9
(1)实验前,接通电源,将滑块(不挂钩码)置于气垫导轨上,轻推滑块,当图乙中的Δt1________(填“>”“=”或“
相关学案
这是一份2025年高考物理一轮复习讲义(新人教版) 第6章 实验7 验证机械能守恒定律,文件包含第6章实验7验证机械能守恒定律docx、2025年高考物理一轮复习讲义新人教版第6章实验7验证机械能守恒定律docx等2份学案配套教学资源,其中学案共21页, 欢迎下载使用。
这是一份2025年高考物理一轮复习讲义学案 第六章 机械能 实验七 验证机械能守恒定律,共15页。
这是一份备战2024年高考物理一轮重难点复习讲义 实验06+ 验证机械能守恒定律【全攻略】,文件包含实验六验证机械能守恒定律原卷版docx、实验六验证机械能守恒定律解析版docx等2份学案配套教学资源,其中学案共30页, 欢迎下载使用。
