所属成套资源:新高考物理一轮复习讲与练专题(2份打包,原卷版+解析版)
新高考物理一轮复习讲与练专题8.3 电源电动势和内阻的测量、练习使用多用电表【练】(2份打包,原卷版+解析版)
展开
这是一份新高考物理一轮复习讲与练专题8.3 电源电动势和内阻的测量、练习使用多用电表【练】(2份打包,原卷版+解析版),文件包含新高考物理一轮复习讲与练专题83电源电动势和内阻的测量练习使用多用电表练原卷版doc、新高考物理一轮复习讲与练专题83电源电动势和内阻的测量练习使用多用电表练解析版doc等2份试卷配套教学资源,其中试卷共37页, 欢迎下载使用。
目录
TOC \ "1-3" \h \u \l "_Tc19386" 一.练经典题型 PAGEREF _Tc19386 1
\l "_Tc20337" 二、练创新情景 PAGEREF _Tc20337 11
一.练经典题型
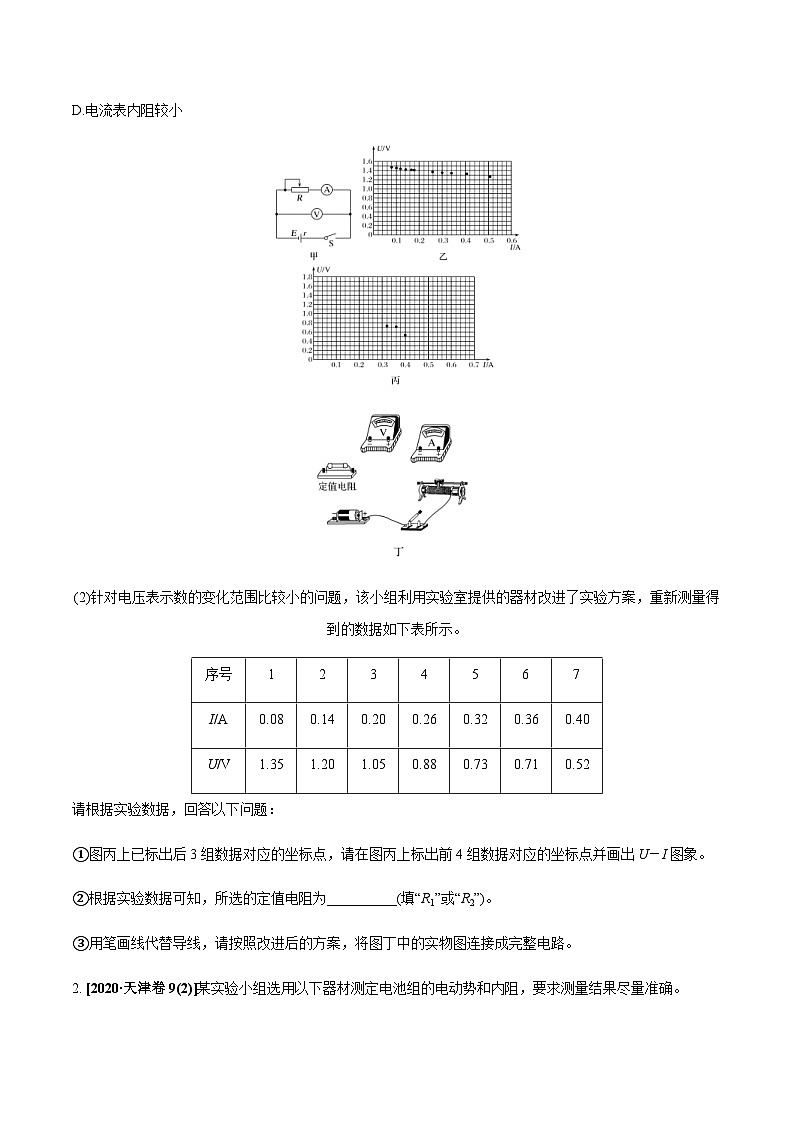
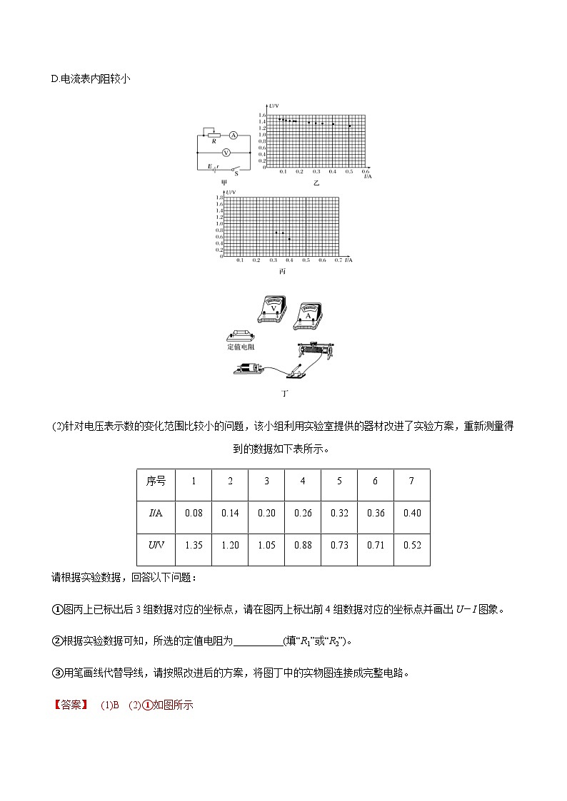
1.(2020·山东卷,14)实验方案对实验测量的精度有直接的影响,某学习小组对“测量电源的电动势和内阻”的实验方案进行了探究。实验室提供的器材有:
干电池一节(电动势约1.5 V,内阻小于1 Ω);
电压表V(量程3 V,内阻约3 kΩ);
电流表A(量程0.6 A,内阻约1 Ω);
滑动变阻器R(最大阻值为20 Ω);
定值电阻R1(阻值2 Ω);
定值电阻R2(阻值5 Ω);
开关一个,导线若干。
(1)该小组按照图甲所示的电路进行实验,通过调节滑动变阻器阻值使电流表示数逐渐接近满偏,记录此过程中电压表和电流表的示数,利用实验数据在U-I坐标纸上描点,如图3乙所示,结果发现电压表示数的变化范围比较小,出现该现象的主要原因是________。(单选,填正确答案标号)
A.电压表分流
B.干电池内阻较小
C.滑动变阻器最大阻值较小
D.电流表内阻较小
(2)针对电压表示数的变化范围比较小的问题,该小组利用实验室提供的器材改进了实验方案,重新测量得到的数据如下表所示。
请根据实验数据,回答以下问题:
①图丙上已标出后3组数据对应的坐标点,请在图丙上标出前4组数据对应的坐标点并画出U-I图象。
②根据实验数据可知,所选的定值电阻为__________(填“R1”或“R2”)。
③用笔画线代替导线,请按照改进后的方案,将图丁中的实物图连接成完整电路。
2. [2020·天津卷9(2)]某实验小组选用以下器材测定电池组的电动势和内阻,要求测量结果尽量准确。
电压表(量程0~3 V,内阻约为3 kΩ)
电流表(量程0~0.6 A,内阻约为1 Ω)
滑动变阻器(0~20 Ω,额定电流1 A)
待测电池组(电动势约为3 V,内阻约为1 Ω)
开关、导线若干
①该小组连接的实物电路如图甲所示,经仔细检查,发现电路中有一条导线连接不当,这条导线对应的编号是________。
甲
②改正这条导线的连接后开始实验,闭合开关前,滑动变阻器的滑片P应置于滑动变阻器的________端(填“a”或者“b”)。
③实验中发现调节滑动变阻器时,电流表读数变化明显但电压表读数变化不明显。为了解决这个问题,在电池组负极和开关之间串联一个阻值为5 Ω的电阻,之后该小组得到了几组电压表读数U和对应的电流表读数I,并作出U-I图象,如图所示。根据图象可知,电池组的电动势为________V,内阻为________Ω(结果均保留2位有效数字)。
乙
3.(2021·1月湖南普高校招生适应性考试,12)太阳能电池是一种可将光能转换为电能的器件,一同学用图(a)所示电路测量某单晶硅太阳能电池的输出电流I和输出电压U之间的关系。探究该电池的伏安特性,用一定强度的光照射太阳能电池,闭合开关S,调节电阻箱,测得实验数据如下表所示。
(1)请在图(b)中补齐上表中后4组数据点,并作出该太阳能电池的伏安特性曲线;
(2)根据所作伏安特性曲线可知,电池电阻________(填“是”或“不是”)常数,短路电流为________ mA,电动势为________ V(结果均保留2位有效数字);
(3)根据所作伏安特性曲线,估算该太阳能电池的最大输出功率为________ mW(结果保留1位小数)。
4.(2021·广东佛山市二模)小明手里有一块多用电表A,其功能完好,但刻度值已不清晰。他想通过实验测定该多用表(简称A表,下同)“×10 Ω”挡欧姆调零后的内阻R0和内置电源的电动势E。
他找来了另一个多用电表B(简称B表,下同)、一个电阻箱、一个开关和若干导线作为实验的器材。
实验的操作如下:
(1)小明将A表调到“×10 Ω”挡,将B表调到“mA”挡,准备如图甲将所有的器材串联起来作为实验电路。请你在图中连好剩余的导线。
(2)先使用B表的电流挡测量A表“×10 Ω”挡的满偏电流。将电阻箱阻值调为0,将A表调到欧姆挡“×10 Ω”挡位置。几次试测后,确定B表应使用“10 mA”挡,调节A表的欧姆调零旋钮直至A表满偏,此时B表的读数如图乙所示,记录下B表读数为__________ mA。
(3)断开开关,保持A、B表挡位不变,将A表__________短接进行欧姆调零,然后重新连入原来电路。
(4)调节电阻箱,闭合开关,当B表读数为6.0 mA时,读出电阻箱阻值为R1;继续调节电阻箱阻值,当B表读数为4.0 mA时,读出电阻箱阻值为R2;
(5)断开电路,整理器材。
(6)数据处理。根据以上测量数据,可算出A表“×10 Ω”挡内置电源的电动势E=__________ V,A表“×10 Ω”挡欧姆调零后的内阻R0=__________ Ω,B表量程“10 mA”挡的内电阻RB=__________ Ω。(以上3空的结果用R1、R2表示)
5.如图是一个多用电表欧姆挡内部电路示意图.电流表满偏电流为0.5 mA,内阻为10 Ω;电池电动势为1.5 V,内阻为1 Ω;滑动变阻器阻值为0~5 000 Ω.
(1)该欧姆表的刻度值是按电池电动势为1.5 V标定的,当电池的电动势下降到1.45 V、内阻增大到4 Ω时仍可调零,调零后R0的阻值将变________(选填“大”或“小”);若测得某电阻阻值为300 Ω,则这个电阻的真实值是________ Ω.
(2)该欧姆表换了一个电动势为1.5 V、内阻为10 Ω的电池,调零后测量某电阻的阻值,其测量结果________(选填“偏大”“偏小”或“准确”).
6.(2021·东北三省三校第二次联考)如图甲所示,某叠层电池是由多块干电池块串联在一起组成,它与普通干电池性质相似。现用该电池与表头、滑动变阻器组装成一个×10 k倍率的欧姆表,其原理图如图乙所示。为了将表头电流刻度改为电阻刻度,该同学进行了如下操作:
①将两表笔短接,调整滑动变阻器,使表头指针指到右侧“0”刻度线处;
②在两表笔间接入电阻箱,调节电阻箱阻值为150 kΩ时,表头示数为30 μA;再调节电阻箱阻值为450 kΩ时,表头示数为15 μA。
根据以上信息,回答下列问题:
(1)图乙中a表笔是____________(填“红表笔”或“黑表笔”);
(2)叠层电池的电动势为__________ V,改装的欧姆表内阻是________ kΩ,表头的满偏电流Ig=________ μA;
(3)将电流刻度改为电阻刻度,电流为7.5 μA处对应的电阻值为__________ kΩ。
7.(2021·安徽合肥市第二次质检)为了同时测量一电源的电动势E和内阻r,以及未知阻值的电阻Rx,某同学设计了一电路.实验室提供的器材如下:待测电源、待测电阻、电阻箱一个、内阻很大的电压表一只、开关两个、导线若干.
(1)为实现上述目的,请完善图甲实物图连接;
(2)该同学实验的主要步骤有:
①闭合S1、S2,多次调节电阻箱阻值,并记录其阻值及对应的电压表的示数;
②保持S1闭合,断开S2,多次调节电阻箱阻值,并记录其阻值及对应的电压表的示数;
③根据记录的数据,作出两条eq \f(1,U)-eq \f(1,R)图线如图乙所示.
由图线可得电动势E=________,内阻r=________,Rx=________.(用图中a、b、c表示)
8.(2021·福建三明市质检)某课外兴趣小组利用图甲所示电路测量多用电表内电池的电动势和欧姆挡“×1”挡内部电路的总电阻。使用的器材有:多用电表;电流表(量程200 mA,内阻为几欧);滑动变阻器(最大阻值30 Ω);导线若干。
甲 乙
丙
回答下列问题:
(1)将多用电表挡位调到欧姆挡“×1”挡,再将红表笔和黑表笔________,调零点。
(2)将图甲中多用电表的黑表笔和________(填“1”或“2”)端相连,红表笔和另一端相连。
(3)调节滑动变阻器的滑片,使其接入电路的阻值为零。此时多用电表和电流表的读数分别为5.0 Ω和150.0 mA。从测量数据可知,电流表的内阻为________ Ω。
(4)将滑动变阻器滑片调到适当位置,使多用电表的示数如图乙所示,这时电流表的示数如图丙所示。多用电表和电流表的读数分别为________ Ω和________ mA。
(5)多用电表欧姆挡内部电路可等效为由一个无内阻的电池、一个理想电流表和一个电阻串联而成的电路,如图所示。根据前面的实验数据计算可得,此多用电表内电池的电动势为______ V,欧姆挡“×1”挡内部电路的总电阻为________ Ω。(结果保留2位有效数字)
二、练创新情景
1.(2021·北京市海淀区上学期期末)某同学利用多用电表的欧姆挡测量未知电阻阻值以及判断二极管的正负极。
(1)他选择“×100”倍率的欧姆挡按照正确的步骤测量未知电阻时,发现表针偏转角度很大,如图中虚线①的位置所示。为了能获得更准确的测量数据,他应该将倍率调整到______的挡位(选填“×10”或“×1 k”);并把两支表笔直接接触,调整“欧姆调零旋钮”,使表针指向______ Ω。调整好此挡位的欧姆表后再正确测量上述未知电阻,表针指在如图中虚线②的位置,则未知电阻的测量值为______ Ω。
(2)若用已调好的多用电表欧姆挡“×10”挡来探测一只二极管的正、负极(如图11所示)。当两表笔分别接二极管的正、负极时,发现表针几乎不发生偏转(即表示电阻接近无限大);再将两表笔与二极管两极的连接情况对调,发现表针指在如图中的虚线①的位置,此时红表笔接触的是二极管的______极(选填 “正”或“负”)。
2.(2021·山东日照市模拟)某同学要用电阻箱和电压表测量某水果电池组的电动势和内阻,考虑到水果电池组的内阻较大,为了提高实验的精度,需要测量电压表的内阻。实验室中恰好有一块零刻度在中央的双向电压表,该同学便充分利用这块表,设计了如图甲所示的实验电路,既能实现对该电压表内阻的测量,又能利用该表完成水果电池组电动势和内阻的测量。该同学用到的实验器材有:待测水果电池组(电动势约4 V、内阻约50 Ω),双向电压表(量程为2 V、内阻约为2 kΩ),电阻箱(0~9 999 Ω),滑动变阻器(0~200 Ω),一个单刀双掷开关及若干导线。
(1)该同学按如图6甲所示电路图连线后,首先测量了电压表的内阻。请完善测量电压表内阻的实验步骤:
①将R1的滑动触片滑至最左端,将开关S拨向1位置,将电阻箱阻值调为0;
②调节R1的滑动触片,使电压表示数达到满偏U;
③保持R1不变,调节R2,使电压表的示数达到eq \f(U,3),读出电阻箱的阻值,记为R0,则电压表的内阻RV=________。
(2)若测得电压表内阻为2 kΩ,可分析此测量值应______(填“大于”“等于”或“小于”)真实值。
(3)接下来测量电源的电动势和内阻,实验步骤如下:
①将开关S拨至________(填“1”或“2”)位置,将R1的滑片移到最________端,不再移动;
②调节电阻箱的阻值,使电压表的示数达到一合适值,记录电压表的示数和电阻箱的阻值;
③重复第二步,记录多组电压表的示数和对应的电阻箱的阻值。
(4)若将电阻箱与电压表并联后的阻值记录为R,作出eq \f(1,U)-eq \f(1,R)图象,如图乙所示,其中纵轴截距为b,斜率为k,则电动势的表达式为________________,内阻的表达式为________________。
3.(2021·山东济宁市期末质量检测)现用下列器材测量电源的电动势和内阻:
待测电源E(电动势约为4 V);
电流表A(量程为0~0.6 A,内阻不计);
电阻箱R(最大阻值为99.9 Ω);
开关S;
导线若干。
(1)根据所给实验器材,画出实验原理图。
(2)根据实验原理,进行如下操作:调节电阻箱R的阻值,记录多组电流表的读数I和电阻箱的对应读数R,以eq \f(1,I)为纵坐标,R为横坐标,根据测量数据作出的eq \f(1,I)-R图象如图所示,则电源电动势E=________ V,内阻r=________ Ω。
(3)若考虑到实际电表有内阻,关于该实验的误差分析,下列说法正确的是________。
A.电源内阻的测量值偏大
B.电源内阻的测量值偏小
C.电源电动势的测量值偏大
D.电源电动势的测量值偏小
4.(2021·江西南昌三中模拟)某同学制作了一个简单的多用电表,图甲为电表的电路图.已知选用的电流表内阻Rg=5 Ω、满偏电流Ig=25 mA,当选择开关接3时为量程100 V的电压表.该多用电表表盘如图乙所示,下排刻度均匀,C为上排刻度线的中间刻度,由于粗心,上排刻度线对应数据没有标出.
(1)若指针指在图乙所示位置,选择开关接1时其读数为________;选择开关接3时其读数为________.
(2)为了测该多用电表电阻挡的电阻和表内电源的电动势,这位同学在实验室找到了一个电阻箱,设计了如下实验:
①将选择开关接2,红、黑表笔短接,调节R1的阻值使电表指针满偏;
②将电表红、黑表笔与电阻箱相连,调节电阻箱使电表指针指C处,此时电阻箱的示数如图丙,则C处刻度应为________ Ω;
③计算得到多用电表内电池的电动势为________ V;(保留两位有效数字)
(3)调零后将电表红、黑表笔与某一待测电阻相连,若指针在图乙所示位置,则待测电阻的阻值为________ Ω.(保留两位有效数字)
5.(2021·安徽蚌埠市第二次质检)某物理兴趣小组想测定一种特殊电池的电动势E和内电阻r。
甲
(1)某成员用多用电表的直流电压“2.5 V”挡进行测量,结果指针偏转如图甲所示,则该电池的电动势约为______ V。
(2)估测后,该小组成员经过充分讨论后,利用下列器材进行实验:
A.毫安表A1(量程0~0.2 mA,内阻r1=1.0 Ω)
B.毫安表A2(量程0~200 mA,内阻r2约为0.003 Ω)
C.滑动变阻器R(0~15 Ω)
D.定值电阻R0=2.0 Ω
E.定值电阻R1=9 999.0 Ω
F.开关一个,导线若干
①为了使测量尽可能精确,请将虚线方框内的实验电路图补充完整;
②实验时,A1的示数为I1,A2的示数为I2,根据实验数据绘出I1-I2的图象如图丙所示,则该电池的电动势为__________ V,内阻为r=__________ Ω。(结果均保留3位有效数字)。
6.(2021·益阳检测)在如图甲所示的电路中,4节干电池串联,小灯泡A、B的规格为“3.8 V,0.3 A”.合上开关S后,无论怎样移动滑动片,A、B灯都不亮.
(1)用多用电表的直流电压挡检查故障.
①选择开关置于下列量程的________挡较为合适(用字母序号表示);
A.2.5 V B.10 V C.50 V D.250 V
②测得c、d间电压约为5.8 V、e、f间电压为0,则故障是________.
A.A灯丝断开 B.B灯丝断开
C.d、e间连线断开 D.B灯被短路
(2)接着练习使用欧姆表的“×1”挡测电阻,欧姆表经过“欧姆调零”.
①测试前,一定要将电路中的开关S________;
②测c、d间和e、f间电阻时,某次测试结果如图乙所示,读数为________Ω,此时测量的是________间电阻.根据小灯泡的规格计算出的电阻为________ Ω.
7.(2021·浙江考前特训)A、B两组同学用多用电表测量某型号白炽灯的灯丝电阻.
(1)A组按照规范的操作步骤测量,欧姆挡及指针位置如图甲、乙所示,则灯泡电阻值为________ Ω,标称字样可能是________(填序号).
①220 V,25 W ②220 V,300 W ③220 V,500 W
(2)B组的多用电表欧姆挡刻度不清,但仍要用该表测量灯泡电阻,规范操作后发现指针如图丙所示;同一倍率下外接阻值为R时,指针恰好指在刻度盘的正中央,则灯泡电阻为________(结果用R表示).
8.(2021·湖南长沙模拟)为了撰写关于废旧电池的暑期实践报告,某学校课题研究小组收集了数码相机、手机等用旧了的各种类型的电池及从废旧收音机上拆下的电阻、电容、电感线圈等电路元件,现从这些材料中选取两个待测元件,一是电阻R0(约为2 kΩ),二是手机中常用的锂电池(电动势标称值为3.7 V,允许最大放电电流为100 mA).在操作台上还准备了如下实验器材:
A.电压表V(量程4 V,内阻极大)
B.电流表A1(量程100 mA,电阻RA1约为5 Ω)
C.电流表A2(量程2 mA,电阻RA2约为50 Ω)
D.滑动变阻器R1(0~40 Ω,额定电流1 A)
E.电阻箱R2(0~999.9 Ω)
开关一只,导线若干
(1)为了测定电阻R0的阻值,小组的一位成员,设计了如图所示的电路原理图,所选取的相应的器材(电源用待测的锂电池)均标在图上,其他成员发现他在器材选取中有不妥之处你认为应该怎样调整?
(2)在实际操作过程中,发现滑动变阻器R1、电流表A1已损坏,请用余下的器材测量锂电池的电动势E和内阻r.请你在方框中画出实验电路图(标注所用器材符号);
为了便于分析,一般采用线性图象处理数据,请写出与线性图象对应的相关物理量间的函数关系式:eq \f(1,U)=________.序号
1
2
3
4
5
6
7
I/A
0.08
0.14
0.20
0.26
0.32
0.36
0.40
U/V
1.35
1.20
1.05
0.88
0.73
0.71
0.52
U/V
0.4
0.6
0.8
1.0
1.2
1.4
1.6
1.8
2.0
2.2
2.4
2.6
I/mA
7.0
7.0
7.0
7.0
7.0
7.0
7.0
7.0
6.9
6.6
5.7
2.2
相关试卷
这是一份新高考物理一轮复习讲与练专题8.3 电源电动势和内阻的测量、练习使用多用电表【讲】(2份打包,原卷版+解析版),文件包含新高考物理一轮复习讲与练专题83电源电动势和内阻的测量练习使用多用电表讲原卷版doc、新高考物理一轮复习讲与练专题83电源电动势和内阻的测量练习使用多用电表讲解析版doc等2份试卷配套教学资源,其中试卷共60页, 欢迎下载使用。
这是一份新高考物理一轮复习跟踪练习专题8.4 实验 电源电动势和内阻的测量和练习使用多用电表(2份打包,原卷版+解析版),文件包含新高考物理一轮复习跟踪练习专题84实验电源电动势和内阻的测量和练习使用多用电表原卷版doc、新高考物理一轮复习跟踪练习专题84实验电源电动势和内阻的测量和练习使用多用电表解析版doc等2份试卷配套教学资源,其中试卷共45页, 欢迎下载使用。
这是一份高考物理一轮复习讲义专题8.4 实验:电源电动势和内阻的测量和练习使用多用电表(2份打包,原卷版+解析版),文件包含高考物理一轮复习讲义专题84实验电源电动势和内阻的测量和练习使用多用电表原卷版doc、高考物理一轮复习讲义专题84实验电源电动势和内阻的测量和练习使用多用电表解析版doc等2份试卷配套教学资源,其中试卷共35页, 欢迎下载使用。

