2025版高考化学一轮复习微专题小练习专练39化学反应速率及影响因素
展开
这是一份2025版高考化学一轮复习微专题小练习专练39化学反应速率及影响因素,共6页。试卷主要包含了可逆反应mA,CO,得到如下三组数据等内容,欢迎下载使用。
A.无催化剂时,反应不能进行
B.与催化剂Ⅰ相比,Ⅱ使反应活化能更低
C.a曲线表示使用催化剂Ⅱ时X的浓度随t的变化
D.使用催化剂Ⅰ时,0~2 min内,v(X)=1.0 ml·L-1·min-1
2.[辽宁卷]某温度下,降冰片烯在钛杂环丁烷催化下聚合,反应物浓度与催化剂浓度及时间关系如图。已知反应物消耗一半所需的时间称为半衰期,下列说法错误的是( )
A.其他条件相同时,催化剂浓度越大,反应速率越大
B.其他条件相同时,降冰片烯浓度越大,反应速率越大
C.条件①,反应速率为0.012 ml·L-1·min-1
D.条件②,降冰片烯起始浓度为3.0 ml·L-1时,半衰期为62.5 min
3.[河北卷]室温下,某溶液初始时仅溶有M和N且浓度相等,同时发生以下两个反应:①M+N===X+Y;②M+N===X+Z。反应①的速率可表示为v1=k1c2(M),反应②的速率可表示为v2=k2c2(M)(k1、k2为速率常数)。反应体系中组分M、Z的浓度随时间变化情况如图。下列说法错误的是( )
A.0~30 min时间段内,Y的平均反应速率为6.67×10-3 ml·L-1·min-1
B.反应开始后,体系中Y和Z的浓度之比保持不变
C.如果反应能进行到底,反应结束时62.5%的M转化为Z
D.反应①的活化能比反应②的活化能大
4.[2022·北京卷]CO2捕获和转化可减少CO2排放并实现资源利用,原理如图1所示。反应①完成之后,以N2为载气,将恒定组成的N2、CH4混合气,以恒定流速通入反应器,单位时间流出气体各组分的物质的量随反应时间变化如图2所示。反应过程中始终未检测到CO2,在催化剂上检测到有积炭。下列说法不正确的是( )
A.反应①为CaO+CO2===CaCO3;反应②为CaCO3+CH4 eq \(=====,\s\up7(催化剂)) CaO+2CO+2H2
B.t1 min~t3 min,n(H2)比n(CO)多,且生成H2的速率不变,推测有副反应CH4 eq \(=====,\s\up7(催化剂)) C+2H2
C.t2 min时刻,副反应生成H2的速率大于反应②生成H2的速率
D.t3 min之后,生成CO的速率为0,是因为反应②不再发生
5.可逆反应mA(g)+nB(g)⇌pC(g)+qD(g)的vt图像如图甲所示,若其他条件都不变,只是在反应前加入合适的催化剂,则其vt图像如图乙所示。①a1=a2;②a1<a2;③b1=b2;④b1<b2;⑤t1>t2;⑥t1=t2;⑦两图中阴影部分面积相等;⑧图乙中阴影部分面积更大。以上所述正确的为( )
A.②④⑤⑦ B.②④⑤⑧
C.②③⑤⑦ D.②③⑥⑧
6.一定温度下,10 mL 0.40 ml·L-1 H2O2溶液发生催化分解。不同时刻测得生成O2的体积(已折算为标准状况)如表所示。
下列叙述不正确的是(溶液体积变化忽略不计)( )
A.0~6 min的平均反应速率:v(H2O2)≈3.3×10-2 ml·L-1·min-1
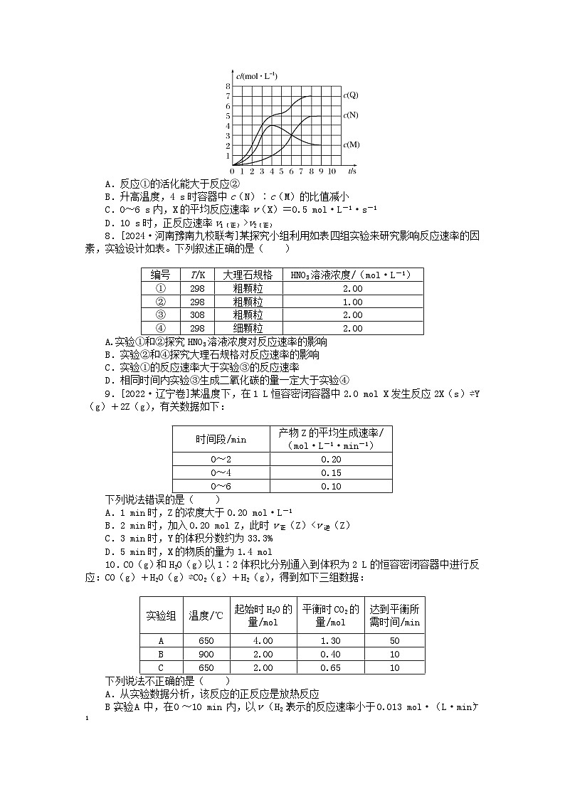
B.6~10 min的平均反应速率:v(H2O2)v2(正)
8.[2024·河南豫南九校联考]某探究小组利用如表四组实验来研究影响反应速率的因素,实验设计如表。下列叙述正确的是( )
A.实验①和②探究HNO3溶液浓度对反应速率的影响
B.实验②和④探究大理石规格对反应速率的影响
C.实验①的反应速率大于实验③的反应速率
D.相同时间内实验③生成二氧化碳的量一定大于实验④
9.[2022·辽宁卷]某温度下,在1 L恒容密闭容器中2.0 ml X发生反应2X(s)⇌Y(g)+2Z(g),有关数据如下:
下列说法错误的是( )
A.1 min时,Z的浓度大于0.20 ml·L-1
B.2 min时,加入0.20 ml Z,此时v正(Z)v2(正),D项正确。
8答案:A
解析:实验①和②只有HNO3溶液浓度不同,可探究HNO3溶液浓度对反应速率的影响,A项正确;实验②和④存在两个变量,不能探究大理石规格对反应速率的影响,B项错误;实验③温度高于实验①,其他条件相同,则实验①的反应速率小于实验③的反应速率,C项错误;实验③和④存在两个变量,无法确定相同时间内实验③生成二氧化碳的量一定大于实验④,D项错误。
9答案:B
解析:反应开始一段时间,随着时间的延长,反应物浓度逐渐减小,产物Z的平均生成速率逐渐减小,则0~1 min内Z的平均生成速率大于0~2 min内的,故1 min时,Z的浓度大于0.20 ml·L-1,A正确;4 min时生成的Z的物质的量为0.15 ml·L-1·min-1×4 min×1 L=0.6 ml,6 min时生成的Z的物质的量为0.10 ml·L-1·min-1×6 min×1 L=0.6 ml,故反应在4 min时已达到平衡,设达到平衡时生成了a ml Y,列三段式:
2X(s)⇌Y(g)+2Z(g)
初始量/ml 2.0 0 0
转化量/ml 2aa 2a
平衡量/ml 2.0-2aa 0.6
根据2a=0.6,得a=0.3,则Y的平衡浓度为0.3 ml·L-1,Z的平衡浓度为0.6 ml·L-1,平衡常数K=c2(Z)·c(Y)=0.108,2 min时Y的浓度为0.2 ml·L-1,Z的浓度为0.4 ml·L-1,加入0.2 ml Z后Z的浓度变为0.6 ml·L-1,Qc=c2(Z)·c(Y)=0.072v逆(Z),B错误;反应生成的Y与Z的物质的量之比恒等于1∶2,反应体系中只有Y和Z为气体,相同条件下,体积之比等于物质的量之比, eq \f(V(Y),V(Z)) = eq \f(1,2) ,故Y的体积分数始终约为33.3%,C正确;由B项分析可知5 min时反应处于平衡状态,此时生成Z为0.6 ml,则X的转化量为0.6 ml,初始X的物质的量为2 ml,剩余X的物质的量为1.4 ml,D正确。
10答案:B
解析:根据实验组B和C,升高温度,CO2的物质的量减少,说明升高温度,平衡向逆反应方向移动,即正反应是放热反应,A正确;达到平衡时,v(CO2)= eq \f(1.3,2×50) ml·(L·min)-1=0.013 ml·(L·min)-1,化学反应速率之比等于化学计量数之比,即v(H2)=v(CO2)=0.013 ml·(L·min)-1,随着反应的进行,反应物的浓度减小,化学反应速率降低,0~10 min内,v(H2)>0.013 ml·(L·min)-1,B错误;根据表格数据,实验C温度低,投入量少,达到平衡时间短,因此从生产效益分析,C组实验的条件最佳,C正确;B的温度高于C的温度,但达到平衡时间相等,说明C使用了比较高效的催化剂,D正确。
t/min
0
2
4
6
8
10
V(O2)/mL
0.0
9.9
17.2
22.4
26.5
29.9
编号
T/K
大理石规格
HNO3溶液浓度/(ml·L-1)
①
298
粗颗粒
2.00
②
298
粗颗粒
1.00
③
308
粗颗粒
2.00
④
298
细颗粒
2.00
时间段/min
产物Z的平均生成速率/
(ml·L-1·min-1)
0~2
0.20
0~4
0.15
0~6
0.10
实验组
温度/℃
起始时H2O的量/ml
平衡时CO2的量/ml
达到平衡所需时间/min
A
650
4.00
1.30
50
B
900
2.00
0.40
10
C
650
2.00
0.65
10
相关试卷
这是一份2025版高考化学一轮复习微专题小练习专练40化学平衡的移动及影响因素,共5页。试卷主要包含了已知等内容,欢迎下载使用。
这是一份2025版高考化学一轮复习微专题小练习专练40化学平衡的移动及影响因素,共5页。试卷主要包含了已知等内容,欢迎下载使用。
这是一份2025版高考化学一轮复习微专题小练习专练39化学反应速率及影响因素,共5页。试卷主要包含了可逆反应mA,CO,得到如下三组数据等内容,欢迎下载使用。

