资料中包含下列文件,点击文件名可预览资料内容






还剩30页未读,
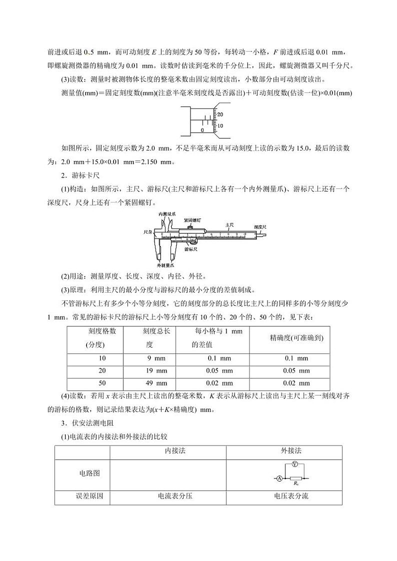
继续阅读
所属成套资源:2025届高考物理一轮复习考点精讲精练(全国通用)
成套系列资料,整套一键下载
- 第37讲 物理实验(二)(含答案) 2025届高考物理一轮复习考点精讲精练(全国通用) 试卷 0 次下载
- 第38讲 物理实验(三)(含答案) 2025届高考物理一轮复习考点精讲精练(全国通用) 试卷 0 次下载
- 阶段性训练(三)(含答案)(内容:电场 恒定电流 磁场) 2025届高考物理一轮复习考点精讲精练(全国通用) 试卷 0 次下载
- 阶段性训练(五)(含答案)(内容:机械振动机械波 光 电磁波 热学 原子结构原子核) 2025届高考物理一轮复习考点精讲精练(全国通用) 试卷 0 次下载
- 阶段性训练(四)(含答案)(内容:电磁感应 交变电流) 2025届高考物理一轮复习考点精讲精练(全国通用) 试卷 0 次下载
第39讲 物理实验(四)(含答案) 2025届高考物理一轮复习考点精讲精练(全国通用)
展开
这是一份第39讲 物理实验(四)(含答案) 2025届高考物理一轮复习考点精讲精练(全国通用),文件包含第39讲物理实验四教师版2025届高考物理一轮复习考点精讲精练全国通用pdf、第39讲物理实验四学生版2025届高考物理一轮复习考点精讲精练全国通用pdf等2份试卷配套教学资源,其中试卷共55页, 欢迎下载使用。
相关试卷
2024年高考物理一轮考点复习精讲精练(全国通用)第39讲 物理实验(四)(原卷版+解析):
这是一份2024年高考物理一轮考点复习精讲精练(全国通用)第39讲 物理实验(四)(原卷版+解析),共53页。试卷主要包含了螺旋测微器,游标卡尺,伏安法测电阻,实验器材选取等内容,欢迎下载使用。
第37讲 物理实验(二)-2024年高考物理一轮考点复习精讲精练(全国通用)(解析版):
这是一份第37讲 物理实验(二)-2024年高考物理一轮考点复习精讲精练(全国通用)(解析版),共28页。
第36讲 物理实验(一)-2024年高考物理一轮考点复习精讲精练(全国通用)(解析版):
这是一份第36讲 物理实验(一)-2024年高考物理一轮考点复习精讲精练(全国通用)(解析版),共36页。