2025届高中物理人教版全程复习构想检测课时分层精练(四十三)
展开
这是一份2025届高中物理人教版全程复习构想检测课时分层精练(四十三),共6页。试卷主要包含了解析等内容,欢迎下载使用。
基础落实练
1.在“观察电容器的充、放电现象”实验中,某研究小组同学按照图甲所示连接电路,并将传感器与计算机相连.实验时,先将开关S掷向1,一段时间后,将开关掷向2,传感器将信息传入计算机屏幕上,显示出电流或电压随时间变化的图线.
(1)由电路图可知,传感器1应为________,传感器2应为________.
A.电流传感器 B.电压传感器
C.温度传感器 D.压力传感器
(2)用U表示电容器两端的电压,I表示电路中的电流,当开关掷向1后的一段时间里,下列图像正确的有________.
(3)开关掷向2后,通过R的电流方向为______(填“向上”或“向下”).
(4)若电源电动势为2 V,开关掷向2后,通过R的电流大小的变化图像如图乙所示,则该电容器的电容为________F.(结果保留两位有效数字)
素养提升练
2.
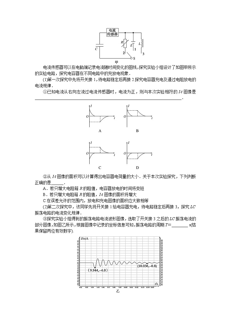
电流传感器可以在电脑端记录电流随时间变化的图线,探究实验小组设计了如图甲所示的实验电路,探究电容器在不同电路中的充放电现象.
(1)第一次探究中先将开关接1,待电路稳定后再接2.探究电容器充电及通过电阻放电的电流规律.
①已知电流从右向左流过电流传感器时,电流为正,则与本次实验相符的It图像是________________________________________________________________________.
②从It图像的面积可以计算得出电容器电荷量的大小.关于本次实验探究,下列判断正确的是______.
A.若只增大电阻箱R的阻值,电容器放电的时间将变短
B.若只增大电阻箱R的阻值,It图像的面积将增大
C.在误差允许的范围内,放电和充电图像的面积应大致相等
(2)第二次探究中,该同学先将开关接1给电容器充电,待电路稳定后再接3,探究LC振荡电路的电流变化规律.
③探究实验小组得到的振荡电路电流波形图像,选取了开关接3之后的LC振荡电流的部分图像,如图乙所示,根据图像中记录的坐标信息可知,振荡电路的周期T=________ s(结果保留两位有效数字).
④如果使用电动势更大的电源给电容器充电,则LC振荡电路的频率将________(填“增大”“减小”或“不变”).
⑤已知电源电动势E,测得充电过程It图像的面积为S,以及振荡电路的周期T,可以得到电感线圈的电感表达式L=________.(以上物理量的单位均为国际单位制单位)
课时分层精练(四十三) 观察电容器的充、放电现象
1.解析:(1)由电路图可知传感器1串联在电路中,因此为电流传感器.传感器2并联在电路中,为电压传感器.
(2)电容器在充电过程中,充电电流逐渐减小,电容器两端电压逐渐增大,电压的变化率逐渐变小,最后趋于稳定值,故AD正确,BC错误.故选AD.
(3)开关掷向2后,电容器开始放电,通过R的电流方向向下.
(4)由图乙显示的it图像的面积可求出电容器的电荷量Q≈2.0×10-6 C,则电容器的电容C= eq \f(Q,U) = eq \f(2.0×10-6 C,2 V) =1.0×10-6F.因电荷量的值需估算,所以电容值在0.96×10-6F~1.0×10-6 F均可.
答案:(1)A B (2)AD (3)向下 (4)0.96×10-6 F~1.0×10-6 F均可
2.解析:(1)①第一次探究过程为先给电容器充电,后电容器通过R放电,给电容器充电过程中电流从右向左流过传感器,即为正,由于充电后电容器上极板带正电,电容器通过R放电时,电流从左向右流过传感器,即为负.故选A.
②It图像的面积可以计算得出电容器电荷量的大小,则放电和充电图像的面积应大致相等,若只增大电阻箱R的阻值,电容器的电荷量不变,It图像的面积不变,若只增大电阻箱R的阻值,对电流的阻碍作用变大,电容器放电的时间将变长,故选C.
(2)③由图乙可知T= eq \f(10.036-9.944,10) s≈9.2×10-3 s
④由振荡周期T=2π eq \r(LC) 可知,如果使用电动势更大的电源给电容器充电,则LC振荡电路的周期不变,则频率也不变;
⑤充电过程It图像的面积为S,则q=CE=S得C= eq \f(S,E) ,由T=2π eq \r(LC) 得L= eq \f(T2,4π2C) = eq \f(T2E,4π2S)
答案:(1)A C (2)9.2×10-3 不变 eq \f(ET2,4π2S)
单元素养评价(九)
静电场及其应用 静电场中的能量
1.解析:电荷与感应电荷在金属球内任意位置激发的电场场强都是等大且反向,金属球内部合电场为零,故A错误;
感应电荷在金属球球心处激发的电场场强与点电荷在球心处产生的电场强度大小相等,方向相反,即为E′= eq \f(kQ,(2r)2) ,故B错误;
由于金属球感应电荷产生的电场导致内部电荷分布在金属球的表面上,故C正确;
静电平衡的导体是一个等势体,导体表面是一个等势面,故D错误.故选C.
答案:C
2.解析:由于以x轴负方向为电场强度的正方向,在-d~d区间,场强均为正值,即场强均沿x轴负方向,沿电场方向电势逐渐降低,故沿+x方向,电势逐渐升高,由于φx图线的斜率表示场强大小,在O点附近场强最大,φx图线斜率最大,对比可知,C选项的图符合题意.故选C.
答案:C
3.解析:根据题意,由电势差与电场强度的关系U=Ed,结合图像可知,由于等差等势线间距离不等,则该电场为非匀强电场,电子所受电场力为变力,则电子在a点水平射入,电子不做匀加速直线运动,若电子在a点与水平方向成某一角度射入,电子所受电场力的大小和方向均改变,不可能做类平抛运动和匀速圆周运动,故A、B、C错误;
根据沿电场线方向电势逐渐降低,由图可知φa
相关试卷
这是一份2025届高中物理人教版全程复习构想检测课时分层精练(十八),共5页。
这是一份2025届高中物理人教版全程复习构想检测课时分层精练(十二),共5页。
这是一份2025届高中物理人教版全程复习构想检测课时分层精练(十五),共6页。试卷主要包含了解析等内容,欢迎下载使用。

