新高考专用备战2024年高考物理易错题精选易错点12电磁感应3大陷阱教师版
展开
这是一份新高考专用备战2024年高考物理易错题精选易错点12电磁感应3大陷阱教师版,共36页。试卷主要包含了“阻碍”的含义及步骤,求解焦耳热Q的三种方法,1 m、总电阻为0等内容,欢迎下载使用。
易错点一:错误地运用楞次定律求感应电流
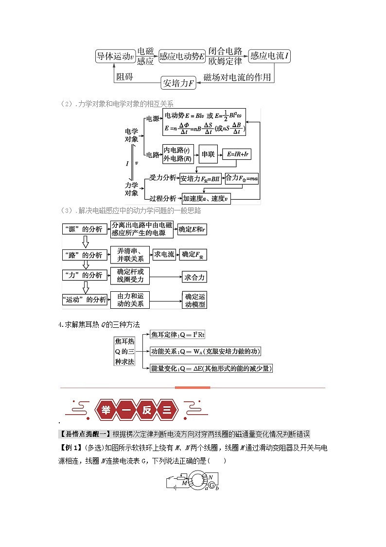
1.判断电磁感应现象是否发生的一般流程
2.“阻碍”的含义及步骤
易错点二:钷亶地运用法拉北电磁感应定律求感应电动势和分析自感现象
1.感应电动势两个公式的比较
2 E=Blv的三个特性
3动生电动势的三种常见情况
易错点三:错误求解电磁感应与电路和力学的综合问题
1.电磁感应与电路综合问题的求解
(1)电磁感应中电路知识的关系图
(2).分析电磁感应电路问题的基本思路
求感应电动势E=Blv或E=→画等效电路图→求感应电流I=2。2。电磁感应中的动力学问题的求解
(1)导体受力与运动的动态关系
(2).力学对象和电学对象的相互关系
(3).解决电磁感应中的动力学问题的一般思路
4.求解焦耳热Q的三种方法
.
【易错点提醒一】根据楞次定律判断电流方向对穿两线圈的磁通量变化情况判断错误
【例1】(多选)如图所示软铁环上绕有M、N两个线圈,线圈M通过滑动变阻器及开关与电源相连,线圈N连接电流表G,下列说法正确的是( )
A.开关闭合瞬间,通过电流表G的电流由a到b
B.开关闭合稳定后,通过电流表G的电流由b到a
C.开关闭合稳定后,将滑动变阻器滑片向右滑动,通过电流表G的电流由a到b
D.开关闭合稳定后再断开瞬间,通过电流表G的电流由a到b
易错分析:误选A的原因:对穿两线圈的磁通量变化情况判断错误,不能根据楞次定律正确判断感应定流方向。误选B的原因:对感应电流的产生条件理解不清。对线圈中的磁通量的变化量的情况判断失误,不能正确根据楞次定律判断感应电流方向。
【答案】CD
【解析】开关闭合瞬间,在线圈N中产生向下增强的磁场,根据楞次定律,通过电流表G的电流由b到a,A错误;开关闭合稳定后,线圈N中的磁场不变,磁通量不变,电流表中没有电流,B错误;开关闭合稳定后,将滑动变阻器滑片向右滑动,线圈M中电流减小,产生的磁场减弱,根据楞次定律,通过电流表G的电流由a到b,C正确;开关闭合稳定后再断开瞬间,线圈N中的磁场减弱,根据楞次定律,通过电流表G的电流由a到b,D正确
【变式1-1】如图所示,一平行光滑金属导轨水平置于竖直向下的匀强磁场中,导轨电阻不计,与大螺线管M相接,在M螺线管内同轴放置一绝缘圆盘N,N的边缘固定着许多带负电的小球(每个小球都可视为一点电荷),且圆盘N可绕轴心在水平面内自由转动。当导体棒ab运动时,圆盘N能沿箭头方向逆时针转动,则导体棒ab的运动情况是( )
A.导体棒ab向右做匀速运动B.导体棒ab向右做加速运动
C.导体棒ab向左做加速运动D.导体棒ab向左做减速运动
【答案】BD
【详解】圆盘N能沿箭头方向逆时针转动,可知感应电场的方向沿顺时针方向,则产生感应电场的磁场方向垂直纸面向里;若导体棒ab向右运动,则感应电流由b到a,M中的磁场向外,与产生感应电场的磁场方向相反,可知必然是增强的,则ab必然加速运动;若导体棒ab向左运动,则感应电流由a到b,M中的磁场向里,与产生感应电场的磁场方向相同,可知必然是减弱的,则ab必然减速运动;故选BD。
【变式1-2】2023年海南卷高考真题)汽车测速利用了电磁感应现象,汽车可简化为一个矩形线圈abcd,埋在地下的线圈分别为1、2,通上顺时针(俯视)方向电流,当汽车经过线圈时( )
A.线圈1、2产生的磁场方向竖直向上
B.汽车进入线圈1过程产生感应电流方向为abcd
C.汽车离开线圈1过程产生感应电流方向为abcd
D.汽车进入线圈2过程受到的安培力方向与速度方向相同
【答案】C
【详解】A.由题知,埋在地下的线圈1、2通顺时针(俯视)方向的电流,则根据右手螺旋定则,可知线圈1、2产生的磁场方向竖直向下,A错误;
B.汽车进入线圈1过程中,磁通量增大,根据楞次定律可知产生感应电流方向为adcb(逆时针),B错误;
C.汽车离开线圈1过程中,磁通量减小,根据楞次定律可知产生感应电流方向为abcd(顺时针),C正确;
D.汽车进入线圈2过程中,磁通量增大,根据楞次定律可知产生感应电流方向为adcb(时针),再根据左手定则,可知汽车受到的安培力方向与速度方向相反,D错误。故选C
【变式1-3】1(2023·广东广州天河二模)(多选)图甲为某款“自发电”无线门铃按钮,其“发电”原理如图乙所示,按下门铃按钮过程磁铁靠近螺线管,松开门铃按钮磁铁远离螺线管回归原位置。下列说法正确的是( )
A. 按下按钮过程,螺线管端电势较高
B. 松开按钮过程,螺线管端电势较高
C. 按住按钮不动,螺线管中产生恒定的感应电动势
D. 若按下和松开按钮的时间相同,螺线管产生大小相同的感应电动势
【答案】BD
【解析】A.按下按钮过程,穿过螺线管的磁通量向左增大,根据楞次定律可知螺线管中感应电流为从P端流入从Q端流出,螺线管充当电源,则Q端电势较高,故A错误;
B.松开按钮过程,穿过螺线管的磁通量向左减小,根据楞次定律可知螺线管中感应电流为从Q端流入,从P端流出,螺线管充当电源,则P端电势较高,故B正确;
C.按住按钮不动,穿过螺线管的磁通量不变,螺线管不会产生感应电动势,故C错误;
D.按下和松开按钮过程,若按下和松开按钮的时间相同,螺线管中磁通量的变化率相同,根据法拉第电磁感应定律可知,螺线管产生的感应电动势大小相同,故D正确。
故选BD。
【易错点提醒二】计算感应电动势分不清的平均值不是瞬时值或有效长度错误
【例2】 (多选)(2017·全国卷Ⅱ·20)两条平行虚线间存在一匀强磁场,磁感应强度方向与纸面垂直.边长为0.1 m、总电阻为0.005 Ω的正方形导线框abcd位于纸面内,cd边与磁场边界平行,如图(a)所示.已知导线框一直向右做匀速直线运动,cd边于t=0时刻进入磁场.线框中感应电动势随时间变化的图线如图(b)所示(感应电流的方向为顺时针时,感应电动势取正).下列说法正确的是( )
A.磁感应强度的大小为0.5 T
B.导线框运动的速度的大小为0.5 m/s
C.磁感应强度的方向垂直于纸面向外
D.在t=0.4 s至t=0.6 s这段时间内,导线框所受的安培力大小为0.1 N
易错分析:误选A的原因:法拉第电磁感应定律计算磁感应强度计算出现错误。
误选D的原因:感应电动势计算错误或者感应电流大小计算出现错误,或者安培力计算出现错误。
【答案】BC
【解析】
由题图(b)可知,导线框经过0.2 s全部进入磁场,则速度v=eq \f(l,t)=eq \f(0.1,0.2) m/s=0.5 m/s,选项B正确;由题图(b)可知,cd边切割磁感线产生的感应电动势E=0.01 V,根据E=Blv得,B=eq \f(E,lv)=eq \f(0.01,0.1×0.5) T=0.2 T,选项A错误;根据右手定则及正方向的规定可知,磁感应强度的方向垂直于纸面向外,选项C正确;在t=0.4 s至t=0.6 s这段时间内,导线框中的感应电流I=eq \f(E,R)=eq \f(0.01,0.005) A=2 A, 所受的安培力大小为F=BIl=0.2×2×0.1 N=0.04 N,选项D错误.
例题3.(多选)如图,光滑水平面上两虚线之间区域内存在垂直于纸面向里的范围足够大的匀强磁场,磁感应强度大小为B.边长为a的正方形导线框PQMN沿图示速度方向进入磁场,当对角线PM刚进入磁场时线框的速度大小为v,方向与磁场边界成45°角,若线框的总电阻为R,则( )
A.PM刚进入磁场时线框中的感应电流大小为eq \f(Bav,R)
B.PM刚进入磁场时线框所受安培力大小为eq \f(B2a2v,R)
C.PM刚进入磁场时两端的电压为eq \f(Bav,R)
D.PM进入磁场后线框中的感应电流逐渐变小
易错分析:误选BC的原因: 有效长度分析错误,PM两端电压为路端电压,而不是内电压。
【答案】 AD
【解析】
PM刚进入磁场时有效的切割长度等于a,产生的感应电动势为E=Bav,感应电流为I=eq \f(E,R)=eq \f(Bav,R),方向沿逆时针,故A正确;NM边所受的安培力大小为F1=BIa=eq \f(B2a2v,R),方向垂直NM斜向下,PN边所受的安培力大小为F2=BIa=eq \f(B2a2v,R),方向垂直PN斜向下,线框所受安培力大小F=eq \r(F12+F22)=eq \f(\r(2)B2a2v,R),故B错误;PM两端的电压为U=I·eq \f(R,2)=eq \f(Bav,2),故C错误;PM进入磁场后,有效切割长度逐渐减小,感应电动势逐渐减小,感应电流逐渐减小,故D正确.
【变式1-1】(2023·广东深圳一模)某国产直升机在我国某地上空悬停,长度为L的螺旋桨叶片在水平面内顺时针匀速转动(俯视),转动角速度为。该处地磁场的水平分量为,竖直分量为。叶片的近轴端为a,远轴端为b。忽略转轴的尺寸,则叶片中感应电动势为( )
A. ,a端电势高于b端电势B. ,a端电势低于b端电势
C. ,a端电势高于b端电势D. ,a端电势低于b端电势
【答案】D
【解析】我国某地上空地磁场方向有向下的分量,大小为,当螺旋桨叶片在水平面内顺时针匀速转动(俯视)时,根据右手定则可知,a端电势低于b端电势;大小为
故选D。
2【变式1-2】(多选)(2019·全国卷Ⅰ·20)空间存在一方向与纸面垂直、大小随时间变化的匀强磁场,其边界如图(a)中虚线MN所示.一硬质细导线的电阻率为ρ、横截面积为S,将该导线做成半径为r的圆环固定在纸面内,圆心O在MN上.t=0时磁感应强度的方向如图(a)所示;磁感应强度B随时间t的变化关系如图(b)所示.则在t=0到t=t1的时间间隔内( )
A.圆环所受安培力的方向始终不变
B.圆环中的感应电流始终沿顺时针方向
C.圆环中的感应电流大小为eq \f(B0rS,4t0ρ)
D.圆环中的感应电动势大小为eq \f(B0πr2,4t0)
【答案】BC
【解析】
在0~t0时间内,磁感应强度减小,根据楞次定律可知感应电流的方向为顺时针,圆环所受安培力方向水平向左;在t0~t1时间内,磁感应强度反向增大,感应电流的方向仍为顺时针,圆环所受安培力方向水平向右,所以选项A错误,B正确;根据法拉第电磁感应定律得E=eq \f(ΔΦ,Δt)=eq \f(1,2)πr2·eq \f(B0,t0)=eq \f(B0πr2,2t0),由R=ρeq \f(l,S)可得R=ρeq \f(2πr,S),根据闭合电路欧姆定律可得I=eq \f(E,R)=eq \f(B0rS,4t0ρ),所以选项C正确,D错误.
【变式1-3如图所示,由均匀导线制成的半径为R的圆环,以速度v匀速进入一磁感应强度大小为B的匀强磁场。当圆环运动到图示位置()时,a、b两点的电势差Uab为( )
A.B.
C.D.
【答案】D
【详解】有效切割长度即a、b连线的长度,如图所示
由几何关系知有效切割长度为所以产生的电动势为电流的方向为a→b,所以,由于在磁场部分的阻值为整个圆的,所以故选D。
【易错点提醒三】分析与电路综合问题没有弄清电路结构,错误把内电路当外电路
【例4】(多选)在如图甲所示的虚线框内有匀强磁场,设图甲所示磁场方向为正,磁感应强度随时间的变化规律如图乙所示.边长为l、电阻为R的正方形均匀线框abcd有一半处在磁场中,磁场方向垂直于线框平面,此时线框ab边的发热功率为P,则( )
A.线框中的感应电动势为eq \f(B0,l2T)
B.线框中的感应电流为2eq \r(\f(P,R))
C.线框cd边的发热功率为eq \f(P,2)
D.b、a两端电势差Uba=eq \f(B0l2,4T)
易错分析:误选A的原因:磁通量的变化量计算出错,法拉第电磁感应定律运算出错。
误选C的原因:内电路外电路分不清,内外电路的发热功率计算出错
【答案】 BD
【解析】 由题可知线框四个边的电阻均为eq \f(R,4).由题图乙可知,在每个周期内磁感应强度随时间均匀变化,线框中产生大小恒定的感应电流,设感应电流为I,则对ab边有P=I2·eq \f(1,4)R,得I=2eq \r(\f(P,R)),选项B正确;根据法拉第电磁感应定律得E=eq \f(ΔΦ,Δt)=eq \f(ΔB,Δt)·eq \f(1,2)l2,由题图乙知,eq \f(ΔB,Δt)=eq \f(2B0,T),联立解得E=eq \f(B0l2,T),故选项A错误;线框的四边电阻相等,电流相等,则发热功率相等,都为P,故选项C错误;由楞次定律可知,线框中感应电流方向为逆时针,则b端电势高于a端电势,Uba=eq \f(1,4)E=eq \f(B0l2,4T),故选项D正确.
【变式1-1】(2023·河北·模拟预测)如图所示,固定在水平面上的光滑金属导轨AB、CD,导轨一端连接电阻R,导轨宽为L,垂直于导轨平面向下存在磁感应强度为B的匀强磁场,将一质量为m、电阻为r的导体棒垂直导轨放置,用恒力F向右拉动导体棒,经过距离x导体棒恰好达到最大速度v,则在此过程中( )
A.外力
B.从开始至速度最大所用的时间
C.定值电阻产生的焦耳热
D.通过导体棒的电荷量
【答案】D
【详解】A.导体棒速度最大时合力为零,外力
故A错误;
B.由动量定理有
又由于
解得时间
故B错误;
C.由动能定理
解得
而电阻R上的焦耳热
故C错误;
D.通过导体棒的电荷量
故D正确。
故选D。
【变式1-2】(2023·广东·模拟预测)如图甲所示,在水平地面上固定有一光滑的且电阻不计的平行金属导轨,导轨间距。导轨左端接入一个的定值电阻,导轨右端接入一个阻值为的小灯泡。在轨道中间CDFE矩形区域内有竖直向上的匀强磁场,磁场的磁感应强度B随时间t的变化规律如图乙所示,已知CE长。在时,一阻值的金属棒,在垂直于金属棒的恒定外力F作用下从AB位置由静止开始沿导轨向右运动,金属棒与导轨始终接触良好,金属棒从AB位置运动到EF位置的过程中,小灯泡的亮度一直保持不变,则下列说法正确的是( )
A.金属棒在未进入磁场时,通过小灯泡的电流
B.金属棒在未进入磁场时,金属棒所受到的恒定外力
C.金属棒从AB位置运动到EF位置的过程中,金属棒的最大速度为
D.金属棒的质量,小灯泡的功率为
【答案】ACD
【详解】A.金属棒未进入磁场时,电路的总电阻为
由法拉第电磁感应定律可得
通过小灯泡的电流
A正确;
B.因灯泡亮度不变,故4s末金属棒恰好进入磁场且做匀速运动,此时金属棒中的电流为
则恒力
B错误;
C.根据题意可知,4s末金属棒恰好进入磁场且做匀速运动,此时速度达到最大。4s后回路中的感应电动势为
则可知4s末金属棒的速度
C正确;
D.由运动学公式可知前4s金属棒的加速度为
故金属棒的质量
小灯泡的功率为
D正确。
故选ACD。
【易错点提醒四 】分析力学综合问题不会受力分析,错误地用功能关系列式
【例5】(多选)(2021·全国甲卷·21)由相同材料的导线绕成边长相同的甲、乙两个正方形闭合线圈,两线圈的质量相等,但所用导线的横截面积不同,甲线圈的匝数是乙的2倍.现两线圈在竖直平面内从同一高度同时由静止开始下落,一段时间后进入一方向垂直于纸面的匀强磁场区域,磁场的上边界水平,如图所示.不计空气阻力,已知下落过程中线圈始终平行于纸面,上、下边保持水平.在线圈下边进入磁场后且上边进入磁场前,可能出现的是( )
A.甲和乙都加速运动
B.甲和乙都减速运动
C.甲加速运动,乙减速运动
D.甲减速运动,乙加速运动
易错分析:误选CD的原因:没有对物理问题仔细受力分析和运动学分析。该题综合性较强,综合了自由落体运动学公式,电阻定律,法拉第电磁感应定律,闭合电路欧姆定律,牛顿第二定律、安培力等物理学知识
【答案】 AB
【解析】 设线圈下边到磁场的高度为h,线圈的边长为l,则线圈下边刚进入磁场时,有v=eq \r(2gh),
感应电动势为E=nBlv,
两线圈材料相同(设密度为ρ0),质量相同(设为m),
则m=ρ0×4nl×S,
设材料的电阻率为ρ,则线圈电阻
R=ρeq \f(4nl,S)=eq \f(16n2l2ρρ0,m)
感应电流为I=eq \f(E,R)=eq \f(mBv,16nlρρ0)
所受安培力大小为F=nBIl=eq \f(mB2v,16ρρ0)
由牛顿第二定律有mg-F=ma
联立解得a=g-eq \f(F,m)=g-eq \f(B2v,16ρρ0)
加速度和线圈的匝数、横截面积无关,则甲和乙进入磁场时,具有相同的加速度.
当g>eq \f(B2v,16ρρ0)时,甲和乙都加速运动,
当g
相关试卷
这是一份新高考专用备战2024年高考物理易错题精选易错点10恒定电流3大陷阱教师版,共23页。
这是一份新高考专用备战2024年高考物理易错题精选易错点09静电场4大陷阱教师版,共39页。试卷主要包含了电场强度三个公式的比较,电势能的大小判断“四法”等内容,欢迎下载使用。
这是一份新高考专用备战2024年高考物理易错题精选易错点08振动和波3大陷阱教师版,共29页。试卷主要包含了由简谐运动图像可获取的信息,单摆模型,5s时点在平衡位置且向下振动等内容,欢迎下载使用。

