山东省泰安市泰山国际学校2023-2024学年高一下学期期末考试化学试题(含答案)
展开一、单选题
1.关于元素周期表,下列叙述中不正确的是( )
A.在金属元素与非金属元素的分界线附近可以寻找制备半导体材料的元素
B.在非金属元素区域可以寻找制备新型农药材料的元素
C.在过渡元素中可以寻找制备催化剂及耐高温和耐腐蚀的元素
D.在地球上元素的分布和它们在元素周期表中的位置有密切关系
2.下列装置能构成原电池,且正极的电极反应式为的是( )
A.AB.BC.CD.D
3.下列物质的组合中能使电流计指针明显偏转的是( )
A.AB.BC.CD.D
4.某小组为研究电化学原理,设计如图装置。下列叙述不正确的是( )
A.a和b不连接时,铁片上会有金属铜析出
B.a和b用导线连接时,电子从铜片经导线流向铁片
C.a和b用导线连接时,在铜表面被还原
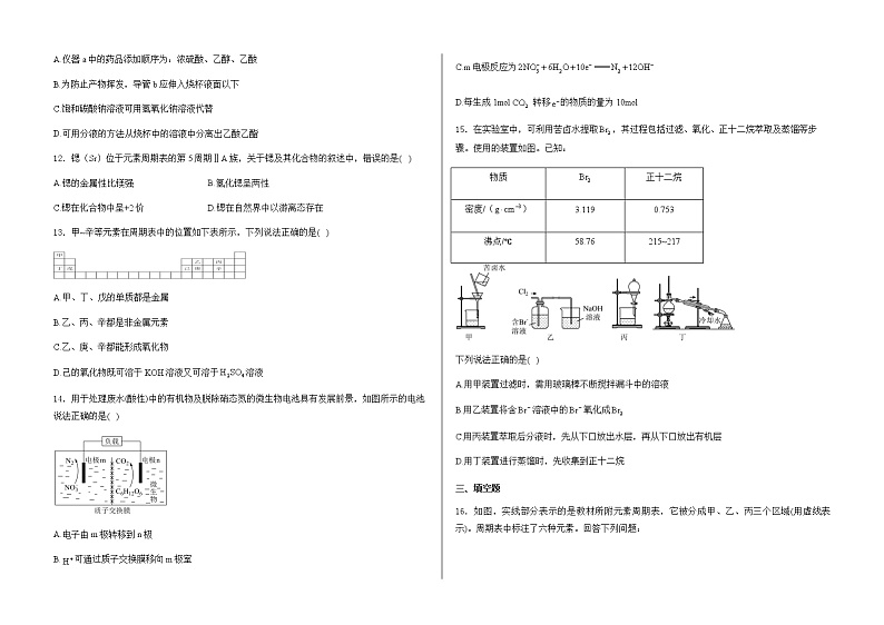
D.无论a和b是否连接,铁片均会溶解,溶液均从蓝色逐渐变成浅绿色
5.海水提溴的流程如图所示。下列说法正确的是( )
A.用吸收蒸气发生反应的离子方程式为
B.每提取1ml溴,理论上消耗氯气22.4L(标准状况)
C.工业溴中含少量,可用NaOH溶液除去
D.步骤③中可用亚硫酸钠溶液代替
6.某有机物的结构简式为:,其可能具有的性质是( )
①能发生加成反应
②能使酸性高锰酸钾溶液褪色
③能发生取代反应
④能发生中和反应
⑤能发生氧化反应
A.全部B.能发生①③④
C.除⑤外都能D.除④⑤外都能
7.某芳香族有机物的分子式为.分子中除苯环外不含其他环。下列关于该有机物的说法错误的是( )
A.分子中可能含有两个醛基(-CHO)
B.分子中可能含有一个醛基(-CHO)和一个乙酰基
C.分子中可能含有两个羟基和一个丙炔基()
D.可能含有一个-OH、一个醛基(-CHO)和1个乙炔基()
8.下列反应的能量变化不符合图的是( )
A.酒精的燃烧
B.锌与稀硫酸反应
C.氢氧化钠与盐酸的中和反应
D.与固体反应
9.X、Y、Z、M、Q五种短周期元素的原子序数依次增大。Y元素的最高正价为+4价,Y元素与Z元素位于同一周期,且与M元素同主族;化合物的电子总数为18;Q元素的原子最外层比次外层少一个电子。下列说法不正确的是( )
A.原子半径:Z
C.X、Z和Q三种元素形成的化合物一定是共价化合物
D.分子中只存在极性键
10.有关化学键的说法错误的是( )
A.存在离子键的物质一定是离子化合物
B.化学键是相邻原子或离子之间强烈的相互作用,该作用只表现为吸引力
C.存在共价键的物质可能是单质、共价化合物,也可能是离子化合物
D.化学键的强度远大于分子间作用力,一般而言,化学键的强度也强于氢键
二、多选题
11.实验室制备乙酸乙酯的装置如图,下列说法正确的是( )
A.仪器a中的药品添加顺序为:浓硫酸、乙醇、乙酸
B.为防止产物挥发,导管b应伸入烧杯液面以下
C.饱和碳酸钠溶液可用氢氧化钠溶液代替
D.可用分液的方法从烧杯中的溶液中分离出乙酸乙酯
12.锶(Sr)位于元素周期表的第5周期ⅡA族,关于锶及其化合物的叙述中,错误的是( )
A.锶的金属性比镁强B.氢化锶呈两性
C.锶在化合物中呈+2价D.锶在自然界中以游离态存在
13.甲~辛等元素在周期表中的位置如下表所示,下列说法正确的是( )
A.甲、丁、戊的单质都是金属
B.乙、丙、辛都是非金属元素
C.乙、庚、辛都能形成氧化物
D.己的氧化物既可溶于KOH溶液又可溶于溶液
14.用于处理废水(酸性)中的有机物及脱除硝态氮的微生物电池具有发展前景,如图所示的电池说法正确的是( )
A.电子由m极转移到n极
B.可通过质子交换膜移向m极室
C.m电极反应为
D.每生成1ml转移的物质的量为10ml
15.在实验室中,可利用苦卤水提取,其过程包括过滤、氧化、正十二烷萃取及蒸馏等步骤。使用的装置如图。已知:
下列说法正确的是( )
A.用甲装置过滤时,需用玻璃棒不断搅拌漏斗中的溶液
B.用乙装置将含溶液中的氧化成
C.用丙装置萃取后分液时,先从下口放出水层,再从下口放出有机层
D.用丁装置进行蒸馏时,先收集到正十二烷
三、填空题
16.如图,实线部分表示的是教材所附元素周期表,它被分成甲、乙、丙三个区域(用虚线表示)。周期表中标注了六种元素。回答下列问题:
(1)甲、乙、丙三个区域中,全部是金属元素的是________________ (填“甲”、“乙”或“丙”)。
(2)元素⑥在周期表的位置是:________________,其最高价含氧酸的化学式为________________。
(3)①与②可以形成原子个数比分别为1:1和2:1的两种化合物,其中含10个电子的分子的电子式为________________,含18个电子的分子的结构式为________________。
(4)③、④的最高价氧化物对应水化物之间反应的离子方程式为:_____________。
(5)下列事实不能说明⑥的非金属性比⑤强的是___________(填选项字母)。
A.气态氢化物的稳定性:⑥>⑤
B.气态氢化物水溶液的酸性:⑥>⑤
C.最高价氧化物对应水化物的酸性:⑥>⑤
D.⑥的单质可以从⑤的气态氢化物水溶液中置换出单质⑤
17.回答下列问题。
(1)在恒温条件下将一定量X和Y的混合气体通入容积为2L的密闭容器中,X和Y两物质的浓度随时间的变化情况如图1所示。
①该反应的化学方程式为(反应物或生成物用符号X、Y表示)____________。
②a、b、c、d四个点中,表示化学反应处于平衡状态的点是____________。
(2)如图2所示是可逆反应的反应速率与时间的关系曲线,下列叙述正确的是____________(填字母)。
A.时,只有正方向反应在进行
B.时,反应达到最大限度
C.,反应不再进行
D.,各物质的浓度不再发生变化
18.工业中很多重要的化工原料都来源于石油化工,如下图中的丙烯、有机物A等,其中A的产量可以用来衡量一个国家的石油化工发展水平。请回答下列问题:
(1)工业上,由石蜡油获得丙烯的方法是_______。
(2)A的结构简式为_______,C中官能团名称是_______,反应②的反应类型是_______
(3)下列说法正确的是_______。
A. 有机物C与丙烯酸属于同系物
B. 乙酸乙酯制备装置如图:,右侧试管中盛放液体为饱和碳酸钠溶液
C. 聚丙烯酸能够使酸性高锰酸钾溶液褪色
D. 有机物A、丙烯、丙烯酸、丙烯酸乙酯均可以使的溶液褪色
(4)写出下列反应的化学方程式:
反应③:_______,反应④:_______。
(5)乙酸乙酯的同分异构体中,含结构的有_______种,写出其中一种能发生水解,有芳香气味的物质的结构简式_______。(任写一种)
四、实验题
19.下面是某化学兴趣小组测定化学反应速率并探究其影响因素的实验。
Ⅰ.测定化学反应速率
甲同学利用如图装置测定化学反应速率。
(1)除如图装置所示的实验用品外,还需要的一件实验用品是___________。
(2)圆底烧瓶中所发生反应的离子方程式为___________。
(3)若在2min时收集到224mL(已折算成标准状况)气体,可计算出该内的反应速率为__________设圆底烧瓶内混合溶液的总体积为100mL,且反应过程中体积不变),而该测定值比实际值偏小,其原因可能是___________。
Ⅱ.探究一定条件下反应物浓度对硫代硫酸钠溶液与硫酸溶液反应速率的影响。乙同学利用浊度计探究一定条件下反应物浓度对硫代硫酸钠溶液与硫酸溶液反应速率的影响。已知:浊度计用于测量浑浊度的变化。产生的沉淀越多,浑浊度(单位为NTU)值越大。
用图1所示装置进行如下表所示的5个实验,分别测量混合后溶液达到相同浑浊度的过程中,浑浊度随时间的变化。实验①~⑤所得数据如图2曲线①~⑤所示。
【分析与解释】
(4)实验③中,x=_________。
(5)实验①、②、③的目的是________。
(6)通过比较Ⅰ组(①、②、③)与Ⅱ组(③④、⑤)两组实验,可推断反应物浓度的改变对与硫酸反应的化学反应速率的影响,溶液浓度的改变影响更大。该推断的证据是________。
20.某教师设计了如图所示的实验装置(夹持装置等已省略)进行乙醇的催化氧化实验,实验操作步骤如下:先连接好实验装置,关闭活塞a和弹簧夹b、c,加热铜丝至红热,然后打开活塞a和弹簧夹b、c,通过控制活塞a和弹簧夹b,间歇性地通入气体,在E处观察到明显的实验现象。
试回答下列问题。
(1)A装置中发生反应的化学方程式为_______;B装置中浓硫酸的作用是_______;C装置中热水的作用是_______。
(2)E中观察到的现象为_______。
(3)E中发生反应的化学方程式为_______。
(4)实验进行一段时间后,如果撤掉酒精灯,反应_______(选填“能”或“不能”)继续进行,其原因是_______。
参考答案
1.答案:D
2.答案:B
3.答案:D
4.答案:B
5.答案:D
6.答案:A
7.答案:D
8.答案:D
9.答案:D
10.答案:B
11.答案:D
12.答案:BD
13.答案:BCD
14.答案:B
15.答案:B
16.答案:(1)乙
(2)三周期;
(3);
(4)
(5)B
17、
(1)答案:①②bd
(2)答案:BD
18.答案:(1)石油裂解
(2)①.②. 羧基③. 加成反应(3)AD
(4)①.
②.
(5)①. 5②任选其一
19.答案:(1)秒表(或计时器)
(2)
(3);会部分溶于水
(4)8
(5)探究浓度变化对
硫代硫酸钠和硫酸反应速率的影响
(6)从题图2可知,两组实验中达到相同浑浊度时,Ⅰ组实验浓度变化对反应时间影响更明显
20.答案:答案:(1);作干燥剂;使D中的乙醇变为蒸气进入E中参加反应
(2)铜丝交替出现变黑、变红的现象
(3)
(4)能;乙醇的催化氧化反应是放热反应,反应放出的热量能维持反应继续进行
A
B
C
D
选项
M
N
P
A
Fe
Fe
稀盐酸
B
Fe
Cu
酒精
C
石墨
Ag
溶液
D
Cu
Zn
稀硫酸
物质
正十二烷
密度/()
3.119
0.753
沸点/℃
58.76
215~217
实验装置
溶液
溶液
蒸馏水
①
0.1
1.5
0.1
3.5
10
②
0.1
2.5
0.1
3.5
9
③
0.1
3.5
0.1
3.5
x
④
0.1
3.5
0.1
2.5
9
⑤
0.1
3.5
0.1
1.5
10
山东省泰安市泰山国际学校2023-2024学年高二下学期期末考试化学试卷(含答案): 这是一份山东省泰安市泰山国际学校2023-2024学年高二下学期期末考试化学试卷(含答案),共8页。试卷主要包含了单选题,多选题,填空题,实验题等内容,欢迎下载使用。
山东省泰安市新泰中学2023-2024学年高一下学期期末考试化学试题: 这是一份山东省泰安市新泰中学2023-2024学年高一下学期期末考试化学试题,文件包含山东省泰安市新泰中学2023-2024学年高一下学期期末考试化学试题docx、化学答案docx等2份试卷配套教学资源,其中试卷共9页, 欢迎下载使用。
40,山东省泰安市泰山国际学校2023-2024学年高二下学期3月月考化学试题: 这是一份40,山东省泰安市泰山国际学校2023-2024学年高二下学期3月月考化学试题,共17页。试卷主要包含了单选题,多选题,解答题等内容,欢迎下载使用。

