2024年河北省邯郸市馆陶县中考物理二模试卷
展开1.(2分)下列数值最接近实际情况的是( )
A.课桌的高度约为80cm
B.一名初中生所受重力约为50N
C.一般洗澡水的温度约为75℃
D.成年人正常步行的速度约为5m/s
2.(2分)下列有关声现象的说法正确的是( )
A.甲:声纹锁是通过音调辨别不同的声音
B.乙:拍打薄膜发出声音,烛焰晃动,说明声音可以传递能量
C.丙;用筷子敲击装有高度不同水的玻璃瓶时,发出的声音主要是由瓶内空气振动产生的
D.丁:排箫又叫“参差”,由长短不一的竹管组成,竹管长度参差不齐的目的是改变声音的响度
3.(2分)对如图所示四幅图的描述,正确的是( )
A.甲:小孔成像透过小孔只能成倒立缩小的实像
B.乙:发生漫反射时,有些光线不再遵循光的反射定律
C.丙:人在船上看到水中的鱼比实际位置要浅一些
D.丁:光的色散属于光的反射现象
4.(2分)如图所示是生活中常用的一个插线板。使用时发现:断开开关,指示灯不发光。插孔不能提供工作电压;闭合开关,不论指示灯是否工作,插孔均能提供工作电压。由此可以判断下面连接方法中正
确的是( )
A.
B.
C.
D.
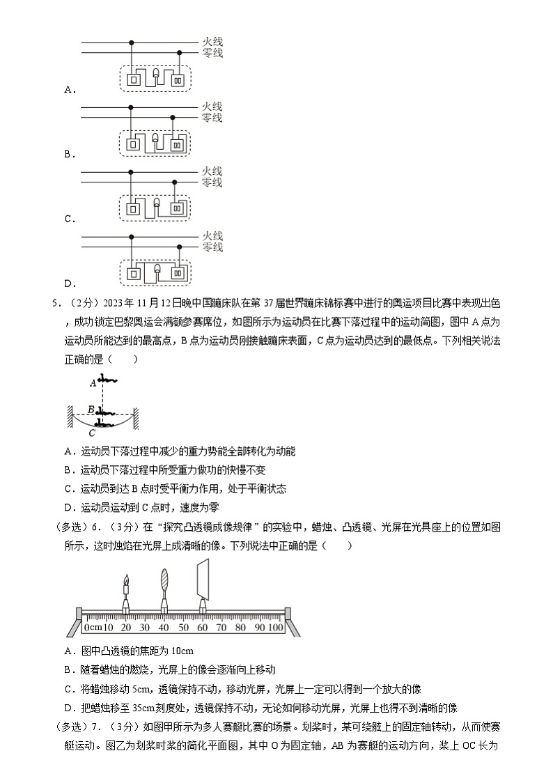
5.(2分)2023年11月12日晚中国蹦床队在第37届世界蹦床锦标赛中进行的奥运项目比赛中表现出色,成功锁定巴黎奥运会满额参赛席位,如图所示为运动员在比赛下落过程中的运动简图,图中A点为运动员所能达到的最高点,B点为运动员刚接触蹦床表面,C点为运动员达到的最低点。下列相关说法正确的是( )
A.运动员下落过程中减少的重力势能全部转化为动能
B.运动员下落过程中所受重力做功的快慢不变
C.运动员到达B点时受平衡力作用,处于平衡状态
D.运动员运动到C点时,速度为零
(多选)6.(3分)在“探究凸透镜成像规律”的实验中,蜡烛、凸透镜、光屏在光具座上的位置如图所示,这时烛焰在光屏上成清晰的像。下列说法中正确的是( )
A.图中凸透镜的焦距为10cm
B.随着蜡烛的燃烧,光屏上的像会逐渐向上移动
C.将蜡烛移动5cm,透镜保持不动,移动光屏,光屏上一定可以得到一个放大的像
D.把蜡烛移至35cm刻度处,透镜保持不动,无论如何移动光屏,光屏上也得不到清晰的像
(多选)7.(3分)如图甲所示为多人赛艇比赛的场景。划桨时,某可绕舷上的固定轴转动,从而使赛艇运动。图乙为划桨时桨的简化平面图,其中O为固定轴,AB为赛艇的运动方向,桨上OC长为0.8m,OD长为2m,F1为人划桨的力,F2为水对桨的作用力。下列说法正确的是( )
A.钓鱼竿和桨是类型相同的杠杆
B.划桨时,桨对水的作用力大于水对桨的作用力
C.划桨时,运动员将作用点向靠近O点方向移动即可减小作用力F1的大小
D.若图乙中F2为200N,F1与CD的夹角为θ=30°,F1、F2均与AB平行,要划动桨,F1至少为500N(不考虑桨的重力)
(多选)8.(2分)如图中所示的电路,电源电压保持不变,闭合开关。当滑动变阻器的滑片P从最右端滑到最左端的过程中,两电压表示数随电流表示数变化的关系图像如图乙所示,下列说法正确的是( )
A.两电压表示数相加等于9V
B.滑动变阻器R2的最大阻值为20Ω
C.B图象表示电流表与电压表V1的关系
D.电路的最大功率与最小功率之比为9:2
二、填空及简单题(本大题共9个小题,每空1分。)
9.(3分)小明根据物理课本电与磁的内容绘制的思维导图如图所示,图中A为发电机的原理,即 , (选填“扬声器”或“动圈式话筒”)也是利用这一原理工作的;B为广播、移动电话传递信息的载体,即 。
10.(3分)国家速滑馆在冬奥会历史上首次采用“二氧化碳跨临界直冷制冰”技术。技术原理简化如图所示,CO2在压缩机和冷凝器的作用下发生的物态变化是 。继续降低温度则会变成雪花状。经过膨胀阀和蒸发器时 (选填“吸收”或“放出”)热量,从而使环境温度 。
11.(2分)如图所示,在竖直平面内用轻质细线悬挂一个小球,将小球拉至A点,使细线处于拉直状
态,由静止开始释放小球,不计摩擦,小球可在 A、B两点间来回摆动。当小球摆到B点时,小球受到 (填“平衡力”或“非平衡力”)的作用。若此时细线恰好断开,则小球将 。
12.(3分)人类发展史也是利用燃料的历史,干木柴、煤、天然气的放热本领各不相同,是因为它们的 (选填“热量”“热值”或“比热容”)不同,完全燃烧0.28m3的天然气放出热量的42%被水吸收,可将 kg的20℃水烧开,这是通过 方式改变水的内能。[已知大气压为标准大气压,q天然气=3.0×107J/m3,c水=4.2×103J/(kg•℃)]
13.(3分)太阳能是 (选填“可再生”或“不可再生”)能源,太阳能来自太阳内部的 (选填“核裂变”或“核聚变”),直接利用太阳能可有效地减少碳排放。许多城市交通指示灯及路灯照明系统已大量使用太阳能。白天,太阳能转化为电能,除供正常使用外,多余的能量会储存在蓄电池内,此过程中发生的能量转化是 。
三、实验探究题。
14.(4分)如图所示是“探究平面镜成像的特点”的实验装置。小明在水平桌面上铺一张白纸,将玻璃板竖立在白纸上。
(1)实验中,你认为小明选择玻璃板代替平面镜进行实验的理由是 。
(2)接着,将点燃的蜡烛A放在玻璃板前面,看到玻璃板后面有它的像。小明又拿一根与A完全相同的蜡烛B在玻璃板后面移动,直至蜡烛B与蜡烛A的像完全重合,这种确定像与物大小的方法是 (连填“转换法”“控制变量法”或“等效替代法”)。
(3)小明多次将蜡烛A远离玻璃板进行实验,观察发现像的大小 (选填“变大”“变小”或“不变”)。
(4)小明用吸管沿如图示方向对着蜡烛A的左侧吹气,他将看到A烛焰的像向 (选填“左”或“右”)偏。
15.(6分)物理课上,同学们利用液体压强计“研究液体内部的压强”,进行了如下的操作。
(1)实验前,小华观察到U形管两侧液面存在高度差(如图①所示),接下来的操作是 (选填字母)。
A.从U形管由内向外倒出进量水;
B.拆除软管重新安装;
C.向U形管内添加适量水。
(2)正确操作后,分析图②、图③的实验现象,得出结论:同种液体中,液体压强随液体深度的增加而 。保持探头不动,向容器中加入适量清水(液体不溢出),U形管两侧液面的高度差将 (选填“变大”“变小”或“不变”)。
(3)在利用图③、图④探究液体内部压强与液体密度的关系时,小华认为两烧杯中液面必须相平,此观点 (选填“正确”或“不正确”)。
(4)已知图③中U形管左侧液柱高为4cm,右侧液柱高为10cm,则橡皮膜到水面的距离为 cm。(U形管中液体为水,ρ水=1.0×103kg/m3,g取10N/kg)
(5)如图⑤所示,小华同学把绑有橡皮膜的薄壁玻璃管竖直插入水中,橡皮膜向上凸出,向管内缓慢加入酒精,直至橡皮膜水平,酒精液面与水面的高度差为h,如果橡皮膜的面积为S,请表示出玻璃管所受浮力大小的表达式;F浮= 。(用ρ水、S、g、ρ酒和h表示,ρ水>ρ酒)
16.(7分)下面是“探究并联电路的电流、电压特点”的实验。
(1)小明用如图甲所示的电路来探究并联电路电流的特点,需要测量A、B、C三处的电流;
①实验时要注意:连接电路时开关应处于 状态;
②在图乙所示电路中,只移动一根导线测量C处的电流,请在需移动的导线上画“×”,并用笔画线代替导线改接正确;
③连接好电路后,测量出A、B、C处的电流。为了防止偶然因素的影响,可以采用以下两种方法,多次进行实验。
方法一:改变电源电压;
方法二:更换其中一条支路中的小灯泡(规格不同)。
完成测量后将测量结果记录在表格中,请根据图丙将表格中的数据补充完整。分析表格中的数据,可知后面两次实验是采用 进行的(选填“方法一”或“方法二”),得出的结论是: 。
(2)实检后,小明要测量标有“6V”字样的小灯泡的额定功率,发现电流表已经损坏,于是小明又找来一个开关,调节电源电压为9V,再利用一个10Ω的定值电阻设计了如图丁所示的电路图。
①只闭合S1,调节滑片P使电压表示数为6V;
②断开S1,使滑动变阻器连入电路的阻值 (选填“变大”“变小”或“不变”)。再闭合S2,此时电压表示数为5V;
③灯泡的额定功率P额= W。
四、计算应用题(解答时,要求有必要的文字说明、公式和计算步骤等,只写最后结果不得分)
17.(6分)近年来,随看城市建设的不断发展和人口的快速增长,老旧小区的电梯问题逐渐成为社会热点话题,某小区居民团结一致,积极推动电梯改造事宜,在施工现场小明观察到工人利用如图所示的滑轮组将一个边长为0.2m、重为360N的正方体建筑材料A提升到楼顶,已知工人对绳子的拉力为300N,建筑材料A在5s内匀速上升10m,滑轮轴处摩擦,绳重均忽略不计,g=10N/kg。
(1)动滑轮的重力为多少?
(2)工人所用拉力做功的功率为多少?
(3)若将另一个实心均匀正方体B叠放在物体A上对地面的压强与A单独放置在水平地面的压强之比为11:3,求用原滑轮组提升B时的机械效率。
库号
A处的电流Ia
B处的电流Ib
C处的电流Ic
1
0.22
0.12
0.10
2
0.44
0.20
3
0.66
0.36
0.30
18.(7分)如图甲所示,电源电压18V不变,灯泡L规格为“15V 45W”,且灯丝电阻不随温度变化,电流表量程为“0~0.6A“和“0~3A”,电压表的量程为“0~3V“和“0~15V”,滑动变阻器R的规格为“10Ω 3A”和“25Ω 2A“。求:
(1)小灯泡正常发光时的电阻。
(2)只闭合开关S1,电流表选取合适量程,移动滑片P,可使灯泡L正常发光,流过电流表的最小电流。
(3)将电源调到15V,只闭合开关S2、S4,将滑片P置于中点O处(可能重新选择了电流表量程和变阻器)电流表指针指到满偏刻度的位置,若将滑片P从中点移到最左端A,两表示数的I﹣U关系如图乙所示,求滑片P在最右端B处时,R0消耗的电功率是多少?
参考答案与试题解析
一、选择题(1-6小题为单选题,每小题的四个选项中,只有一个选项符合题意,每小题2分;7-9小题为多选题,每小题的四个选项中,有两个或两个以上选项符合题意,每小题2分,全选对的得3分,选对但不全的得2分,有错选或不选的不得分)
1.(2分)下列数值最接近实际情况的是( )
A.课桌的高度约为80cm
B.一名初中生所受重力约为50N
C.一般洗澡水的温度约为75℃
D.成年人正常步行的速度约为5m/s
【解答】A解:
A、中学生课桌的高度约为身高的一半,在80cm左右,故A正确;
B、一名初中生的质量约为50kg,所受的重力约为G=mg=50kg×10N/kg=500N,故B错误;
C、人的体温在37℃左右,洗澡水的温度应该略高于体温,在40℃左右,故C错误;
D、中学生正常步行的速度约1m/s,达不到5m/s,故D错误。
故选:A。
2.(2分)下列有关声现象的说法正确的是( )
A.甲:声纹锁是通过音调辨别不同的声音
B.乙:拍打薄膜发出声音,烛焰晃动,说明声音可以传递能量
C.丙;用筷子敲击装有高度不同水的玻璃瓶时,发出的声音主要是由瓶内空气振动产生的
D.丁:排箫又叫“参差”,由长短不一的竹管组成,竹管长度参差不齐的目的是改变声音的响度
【解答】解:A、不同人声音的音色不同,区别出谁在说话,是因为音色不同的原因,声纹锁主要是依据声音的音色来辨别主人的,故A错误;
B、在纸杯底部开一圆孔,用塑料薄膜蒙住杯口,拍打薄膜发出声音,烛焰晃动,说明声音具有能量,故B正确;
C、敲击瓶子时,声音是由瓶子和水柱的振动产生的,水柱越高,越难振动,故C错误;
D、竹管长度参差不齐,竹管内的空气柱的长度不同,空气柱振动时的频率不同,所以是为了改变声音
的音调,故D错误;
故选:B。
3.(2分)对如图所示四幅图的描述,正确的是( )
A.甲:小孔成像透过小孔只能成倒立缩小的实像
B.乙:发生漫反射时,有些光线不再遵循光的反射定律
C.丙:人在船上看到水中的鱼比实际位置要浅一些
D.丁:光的色散属于光的反射现象
【解答】解:A、小孔成像透过小孔能成倒立的实像,但像的大小与像距和物距有关,可能放大,也可能缩小,故A错误;
B、发生漫反射时,所有光线都遵循光的反射定律,故B错误;
C、从鱼身上发出的光线由水中进入空气时,在水面上发生折射,折射角大于入射角,折射光线进入人眼,人眼会逆着折射光线的方向看去,就会觉得鱼变浅了,故C正确;
D、光的色散的实质是光的折射现象,故D错误。
故选:C。
4.(2分)如图所示是生活中常用的一个插线板。使用时发现:断开开关,指示灯不发光。插孔不能提供工作电压;闭合开关,不论指示灯是否工作,插孔均能提供工作电压。由此可以判断下面连接方法中正确的是( )
A.
B.
C.
D.
【解答】解:A、开关、指示灯和插座三者串联,双孔插座的右孔接在零线上,故A不符合题意;
B、开关接在火线上,且在干路中,指示灯和插座并联,故B符合题意;
C、开关、指示灯和插座三者串联,故C不符合题意;
D、开关接在干路中,但是两孔插座的右孔接在零线上,故D不符合题意。
故选:B。
5.(2分)2023年11月12日晚中国蹦床队在第37届世界蹦床锦标赛中进行的奥运项目比赛中表现出色,成功锁定巴黎奥运会满额参赛席位,如图所示为运动员在比赛下落过程中的运动简图,图中A点为运动员所能达到的最高点,B点为运动员刚接触蹦床表面,C点为运动员达到的最低点。下列相关说法正确的是( )
A.运动员下落过程中减少的重力势能全部转化为动能
B.运动员下落过程中所受重力做功的快慢不变
C.运动员到达B点时受平衡力作用,处于平衡状态
D.运动员运动到C点时,速度为零
【解答】解:A.运动员下落过程中,接触蹦床后,减少的重力势能与蹦床的弹性势能发生了转化,不是全部转化为动能,故A错误;
B.运动员开始下落过程中速度越来越快,根据P=Fv=Gv,重力大小不变,速度变大时,所受重力做
功的快慢变快,故B错误;
C.运动员到达B点时,弹力为0,只有重力,故受力不平衡,故C错误;
D.运动员运动到C点时,重力势能和动能都转化为弹性势能,速度为零。故D正确。
故选:D。
(多选)6.(3分)在“探究凸透镜成像规律”的实验中,蜡烛、凸透镜、光屏在光具座上的位置如图所示,这时烛焰在光屏上成清晰的像。下列说法中正确的是( )
A.图中凸透镜的焦距为10cm
B.随着蜡烛的燃烧,光屏上的像会逐渐向上移动
C.将蜡烛移动5cm,透镜保持不动,移动光屏,光屏上一定可以得到一个放大的像
D.把蜡烛移至35cm刻度处,透镜保持不动,无论如何移动光屏,光屏上也得不到清晰的像
【解答】解:A、由图可知,此时u=v=20cm,根据u=v=2f,成倒立、等大的实像,即2f=20cm,因此该凸透镜的焦距为f=10cm,故A正确;
B、随着蜡烛的燃烧,蜡烛变短,根据过光心的光线传播方向不变可知,光屏上的像会逐渐向上移动,故B正确;
C、若将蜡烛向右移动5cm,此时物距减小,根据凸透镜成实像时,物近像远像变大;若将蜡烛向左移动5cm,此时物距增大,根据凸透镜成实像时,物远像近像变小,故C错误;
D、把蜡烛移至35cm刻度处,此时物距u=40cm﹣35cm=5cm<f,成正立、放大的虚像,虚像不能用光屏承接,因此无论如何移动光屏,光屏上也得不到清晰的像,故D正确。
故选:ABD。
(多选)7.(3分)如图甲所示为多人赛艇比赛的场景。划桨时,某可绕舷上的固定轴转动,从而使赛艇运动。图乙为划桨时桨的简化平面图,其中O为固定轴,AB为赛艇的运动方向,桨上OC长为0.8m,OD长为2m,F1为人划桨的力,F2为水对桨的作用力。下列说法正确的是( )
A.钓鱼竿和桨是类型相同的杠杆
B.划桨时,桨对水的作用力大于水对桨的作用力
C.划桨时,运动员将作用点向靠近O点方向移动即可减小作用力F1的大小
D.若图乙中F2为200N,F1与CD的夹角为θ=30°,F1、F2均与AB平行,要划动桨,F1至少为500N(不考虑桨的重力)
【解答】解:A、因为船桨在使用过程中,动力臂小于阻力臂,所以船桨属于费力杠杆;生活中的钓鱼竿也是费力杠杆,故A正确;
B、划桨时,桨对水的作用力与水对桨的作用力是一对相互作用力,大小相等,故B错误;
C、若划桨时手抓握的位置更靠近O点,根据杠杆的平衡条件可知,在阻力和阻力臂一定时,动力臂越小,越费力,人划桨的力将变大,即增大作用力F1的大小;
D、以O点为支点,作出F1的力臂OE和F2的力臂OF,如图所示:
,
由题意知,F1与CD的夹角θ=30°,F1、F2均与AB平行,则∠ODF=30°,
由几何知识可知,动力臂OE=OC=×0.8m=0.4m,
阻力臂OF=OD=×2m=1m,
由杠杆的平衡条件有:F1×OE=F2×OF,
所以F1===500N。
故选:AD。
(多选)8.(2分)如图中所示的电路,电源电压保持不变,闭合开关。当滑动变阻器的滑片P从最右端滑到最左端的过程中,两电压表示数随电流表示数变化的关系图像如图乙所示,下列说法正确的是( )
A.两电压表示数相加等于9V
B.滑动变阻器R2的最大阻值为20Ω
C.B图象表示电流表与电压表V1的关系
D.电路的最大功率与最小功率之比为9:2
【解答】解:由电路图可知,R1与R2串联,电压表V1测R1两端的电压,V2测R2两端的电压,电流表测电路中的电流。
(1)当滑动变阻器接入电路中的电阻为0时,电路中的总电阻最小电流最大,R1两端的电压最大,R2两端的电压为0,
由图像可知,A为滑动变阻器R2的I﹣U关系图像,B为电阻R1的I﹣U图像,故C正确;
此时I最大=0.45A,U1=9V,U2=0V,
由串联电路的电压规律知,两电压表示数相加等于电源电压,
即:U=U1+U2=9V+0V=V9,故A正确;
(2)当滑动变阻器的滑片在右端时,接入电路中的电阻最大时,电路中的电流最小,
由U﹣I图像可知,电路中的最小电流I最小=0.1A,R1两端的电压U1=2V,R2两端的电压U2=7V,
由I=可得,滑动变阻器R2的最大阻值:
R2大===70Ω,故B错误;
(3)由P=UI可得,电路的最大和最小总功率之比为:
====,故D正确。
故答案为:ACD。
二、填空及简单题(本大题共9个小题,每空1分。)
9.(3分)小明根据物理课本电与磁的内容绘制的思维导图如图所示,图中A为发电机的原理,即 电
磁感应 , 动圈式话筒 (选填“扬声器”或“动圈式话筒”)也是利用这一原理工作的;B为广播、移动电话传递信息的载体,即 电磁波 。
【解答】解:图甲中A为发电机的原理,即电磁感应,动圈式话筒也是利用电磁感应原理工作的,扬声器的工作原理是通电导体在磁场中受力运动;B为广播、移动电话传递信息的载体,即电磁波,电磁波用来传递信息。
故答案为:电磁感应;动圈式话筒;电磁波。
10.(3分)国家速滑馆在冬奥会历史上首次采用“二氧化碳跨临界直冷制冰”技术。技术原理简化如图所示,CO2在压缩机和冷凝器的作用下发生的物态变化是 液化 。继续降低温度则会变成雪花状。经过膨胀阀和蒸发器时 吸收 (选填“吸收”或“放出”)热量,从而使环境温度 降低 。
【解答】解:CO2经过冷凝器时由气态变成液态,发生了液化放热;CO2经过蒸发器时由液态变成了气态,发生了汽化现象,汽化吸热。
故答案为:液化;吸收;降低。
11.(2分)如图所示,在竖直平面内用轻质细线悬挂一个小球,将小球拉至A点,使细线处于拉直状
态,由静止开始释放小球,不计摩擦,小球可在 A、B两点间来回摆动。当小球摆到B点时,小球受到 非平衡力 (填“平衡力”或“非平衡力”)的作用。若此时细线恰好断开,则小球将 由静止竖直向下做加速运动 。
【解答】解:(1)据题意可知,小球运动到B点后不能保持静止,即会向A点运动,所以不是平衡状态,即此时所受的力是非平衡力;
(2)当小球摆到B点时,小球速度恰好为零,此时若细线恰好断开,则小球只受重力作用而竖直加速下落;
故答案为:非平衡力;由静止竖直向下做加速运动。
12.(3分)人类发展史也是利用燃料的历史,干木柴、煤、天然气的放热本领各不相同,是因为它们的 热值 (选填“热量”“热值”或“比热容”)不同,完全燃烧0.28m3的天然气放出热量的42%被水吸收,可将 10.5 kg的20℃水烧开,这是通过 热传递 方式改变水的内能。[已知大气压为标准大气压,q天然气=3.0×107J/m3,c水=4.2×103J/(kg•℃)]
【解答】解:(1)热值是燃料的一种特性,由于干木柴、煤的热值不同,所以它们的放热本领不同;
(2)完全燃烧0.28m3的天然气放出的热量:
Q放=Vq=0.28m3×3.0×107J/m3=8.4×106J,
由题知,水吸收的热量:
Q吸=Q放×42%=8.4×106J×42%=3.528×106J;
由Q吸=cmΔt可知水的质量:
m===10.5kg;
用天然气灶烧水的过程中,能量发生了转移,是通过热传递的方式使水的内能增加。
故答案为:热值;10.5;热传递。
13.(3分)太阳能是 可再生 (选填“可再生”或“不可再生”)能源,太阳能来自太阳内部的 核聚变 (选填“核裂变”或“核聚变”),直接利用太阳能可有效地减少碳排放。许多城市交通指示灯及路灯照明系统已大量使用太阳能。白天,太阳能转化为电能,除供正常使用外,多余的能量会储存在蓄电池内,此过程中发生的能量转化是 电能转化为化学能 。
【解答】解:太阳能可以从自然界源源不断得到补充,属于可再生能源;
太阳的能量来自核聚变反应;
太阳能光伏发电系统白天将太阳能转化为电能,除供正常使用外,将多余的电能转化为化学能储存在蓄电池内。
故答案为:可再生;核聚变;电能转化为化学能。
三、实验探究题。
14.(4分)如图所示是“探究平面镜成像的特点”的实验装置。小明在水平桌面上铺一张白纸,将玻璃
板竖立在白纸上。
(1)实验中,你认为小明选择玻璃板代替平面镜进行实验的理由是 便于确定像的位置 。
(2)接着,将点燃的蜡烛A放在玻璃板前面,看到玻璃板后面有它的像。小明又拿一根与A完全相同的蜡烛B在玻璃板后面移动,直至蜡烛B与蜡烛A的像完全重合,这种确定像与物大小的方法是 等效替代法 (连填“转换法”“控制变量法”或“等效替代法”)。
(3)小明多次将蜡烛A远离玻璃板进行实验,观察发现像的大小 不变 (选填“变大”“变小”或“不变”)。
(4)小明用吸管沿如图示方向对着蜡烛A的左侧吹气,他将看到A烛焰的像向 左 (选填“左”或“右”)偏。
【解答】解:(1)玻璃板有透光性,平板玻璃既能成像,又能看清玻璃板后面的物体,便于确定像的位置。
(2)接着,将点燃的蜡烛A放在玻璃板前面,看到玻璃板后面有它的像。小明又拿一根与A完全相同的蜡烛B在玻璃板后面移动,直至蜡烛B与蜡烛A的像完全重合,这种确定像与物大小的方法是等效替代法。
(3)平面镜成的像与物大小相等,因物大小不变,小明多次将蜡烛A远离玻璃板进行实验,观察发现像的大小不变。
(4)平面镜成的像与物关于镜面对称,小明用吸管沿如图示方向对着蜡烛A的左侧吹气,他将看到A烛焰的像向左偏。
故答案为:(1)便于确定像的位置;(2)等效替代法;(3)不变;(4)左。
15.(6分)物理课上,同学们利用液体压强计“研究液体内部的压强”,进行了如下的操作。
(1)实验前,小华观察到U形管两侧液面存在高度差(如图①所示),接下来的操作是 B (选
填字母)。
A.从U形管由内向外倒出进量水;
B.拆除软管重新安装;
C.向U形管内添加适量水。
(2)正确操作后,分析图②、图③的实验现象,得出结论:同种液体中,液体压强随液体深度的增加而 增大 。保持探头不动,向容器中加入适量清水(液体不溢出),U形管两侧液面的高度差将 变大 (选填“变大”“变小”或“不变”)。
(3)在利用图③、图④探究液体内部压强与液体密度的关系时,小华认为两烧杯中液面必须相平,此观点 不正确 (选填“正确”或“不正确”)。
(4)已知图③中U形管左侧液柱高为4cm,右侧液柱高为10cm,则橡皮膜到水面的距离为 6 cm。(U形管中液体为水,ρ水=1.0×103kg/m3,g取10N/kg)
(5)如图⑤所示,小华同学把绑有橡皮膜的薄壁玻璃管竖直插入水中,橡皮膜向上凸出,向管内缓慢加入酒精,直至橡皮膜水平,酒精液面与水面的高度差为h,如果橡皮膜的面积为S,请表示出玻璃管所受浮力大小的表达式;F浮= gSh 。(用ρ水、S、g、ρ酒和h表示,ρ水>ρ酒)
【解答】解:(1)若在使用压强计前,发现U形管内水面已有高度差,只需要将软管取下,再重新安装,这样U形管中两管上方的气体压强就是相等的(都等于大气压),当橡皮膜没有受到压强时,U形管中的液面就是相平的,故选:B;
(2)正确操作后,分析图②、图③的实验现象,根据转换法,得出结论:同种液体中,液体压强随液体深度的增加而增大。保持探头不动,向容器中加入适量清水(液体不溢出),因液体深度变大,压强变小,U形管两侧液面的高度差将变大。
(3)在利用图③、图④探究液体内部压强与液体密度的关系时,要控制液体的深度相同,所以不管两烧杯中液面是否相平,只要控制金属盒在液体的深度相同就可以;小华认为两烧杯中液面必须相平,此观点不正确。
(4)由题意得,U形管左侧液柱高为4cm,右侧液柱高为10cm,两侧液面高度差为6cm,即水产生的压强大小等于6厘米水柱产生的压强大小,因容器中也为水,则橡皮膜到水面的距离为6cm。
(5)向管内缓慢加入酒精,直至橡皮膜没有凹凸,说明酒精对橡皮膜的压强和水对橡皮膜的压强相等,即p水=p酒精,
ρ水gh水=ρ酒精gh酒精 ①
水面到橡皮膜的距离h酒精﹣h=h水 ②
玻璃管所受浮力大小F浮=ρ水gV排=ρ水gSh水 ③
结合①②③求得F浮=gSh。
故答案为:(1)B;(2)增大;增大;(3)不正确;(4)6;(5)gSh。
16.(7分)下面是“探究并联电路的电流、电压特点”的实验。
(1)小明用如图甲所示的电路来探究并联电路电流的特点,需要测量A、B、C三处的电流;
①实验时要注意:连接电路时开关应处于 断开 状态;
②在图乙所示电路中,只移动一根导线测量C处的电流,请在需移动的导线上画“×”,并用笔画线代替导线改接正确;
③连接好电路后,测量出A、B、C处的电流。为了防止偶然因素的影响,可以采用以下两种方法,多次进行实验。
方法一:改变电源电压;
方法二:更换其中一条支路中的小灯泡(规格不同)。
完成测量后将测量结果记录在表格中,请根据图丙将表格中的数据补充完整。分析表格中的数据,可知后面两次实验是采用 方法一 进行的(选填“方法一”或“方法二”),得出的结论是: 并联电路中,干路电流等于各支路电流之和 。
(2)实检后,小明要测量标有“6V”字样的小灯泡的额定功率,发现电流表已经损坏,于是小明又找
库号
A处的电流Ia
B处的电流Ib
C处的电流Ic
1
0.22
0.12
0.10
2
0.44
0.24
0.20
3
0.66
0.36
0.30
来一个开关,调节电源电压为9V,再利用一个10Ω的定值电阻设计了如图丁所示的电路图。
①只闭合S1,调节滑片P使电压表示数为6V;
②断开S1,使滑动变阻器连入电路的阻值 不变 (选填“变大”“变小”或“不变”)。再闭合S2,此时电压表示数为5V;
③灯泡的额定功率P额= 2.25 W。
【解答】解:(1)①连接电路时开关要断开;
②若测量C处的电流,则需让电流表与灯泡L2串联,故改接如图所示:
;
③电流表所接量程为0﹣0.6A,分度值为0.02A,根据指针位置电流为0.24A;通过表中数据可知后两次实验中c点(干路)电流不同,因此是采用方法一进行的;比较C处的电流IC与A处的电流IA和B处的电流IB可得:并联电路的电流特点为:并联电路中,干路电流等于各支路电流之和;
(2)为测量出灯的额定电流,控制滑片的位置不动,在②中,定值电阻与变阻器串联,电压表测定值电阻的电压,由串联电路电压的规律,变阻器的电压为:9V﹣5V=4V,由分压原理,,R0==8Ω;在①中,由串联电路的规律及欧姆定律,灯的额定电流为:I===,则小灯泡的额定功率:P额=U额×I=6V×A=2.25W。
故答案为:(1)①断开;②;③0.24;方法一;并联电路中,干路电流等于各支路电流之和;(2)②不变;③2.25。
四、计算应用题(解答时,要求有必要的文字说明、公式和计算步骤等,只写最后结果不得分)
17.(6分)近年来,随看城市建设的不断发展和人口的快速增长,老旧小区的电梯问题逐渐成为社会热点话题,某小区居民团结一致,积极推动电梯改造事宜,在施工现场小明观察到工人利用如图所示的滑轮组将一个边长为0.2m、重为360N的正方体建筑材料A提升到楼顶,已知工人对绳子的拉力为300N,建筑材料A在5s内匀速上升10m,滑轮轴处摩擦,绳重均忽略不计,g=10N/kg。
(1)动滑轮的重力为多少?
(2)工人所用拉力做功的功率为多少?
(3)若将另一个实心均匀正方体B叠放在物体A上对地面的压强与A单独放置在水平地面的压强之比为11:3,求用原滑轮组提升B时的机械效率。
【解答】解:(1)由图知,n=2,滑轮轴处摩擦,绳重均忽略不计,根据F=(G+G动)可得,
动滑轮的重力:G动=nF﹣GA=2×300N﹣360N=240N;
(2)拉力做的功:W=Fs=Fnh=300N×2×10m=6000J,
拉力做功的功率:P===1200W;
(3)正方体对水平地面的压力等于它的重力,正方体A单独放置在水平地面上对地面的压强:
p===9000Pa,
正方体B叠放在物体A上对地面的压强:p′=p=×9000Pa=33000Pa,
A与B的总重力:G=F′=p′S=33000Pa×0.2m×0.2m=1320N,
B的重力:GB=G﹣GA=1320N﹣360N=960N,
根据η====可得,
用原滑轮组提升B时的机械效率:η===80%。
答:(1)动滑轮的重力为240N;
(2)工人所用拉力做功的功率为1200W;
(3)用原滑轮组提升B时的机械效率为80%。
18.(7分)如图甲所示,电源电压18V不变,灯泡L规格为“15V 45W”,且灯丝电阻不随温度变化,电流表量程为“0~0.6A“和“0~3A”,电压表的量程为“0~3V“和“0~15V”,滑动变阻器R的规格为“10Ω 3A”和“25Ω 2A“。求:
(1)小灯泡正常发光时的电阻。
(2)只闭合开关S1,电流表选取合适量程,移动滑片P,可使灯泡L正常发光,流过电流表的最小电流。
(3)将电源调到15V,只闭合开关S2、S4,将滑片P置于中点O处(可能重新选择了电流表量程和变阻器)电流表指针指到满偏刻度的位置,若将滑片P从中点移到最左端A,两表示数的I﹣U关系如图乙所示,求滑片P在最右端B处时,R0消耗的电功率是多少?
【解答】解:(1)由P=UI=可得,小灯泡正常发光时的电阻:
RL===5Ω;
(2)只闭合开关S1时,等效电路图如下图所示:
灯泡正常发光时,通过的电流:
IL===3A,
则滑动变阻器R的规格为“10Ω 3A”,
当滑动变阻器接入电路中的电阻最大时,流过电流表的示数最小,
因串联电路中总电阻等于各分电阻之和,
所以,流过电流表的最小示数:
I最小===1.2A;
(3)只闭合开关S2、S4,将滑片P置于中点O处,等效电路图如下图所示:
滑片P移到最左端A时,R0两端的电压等于电源的电压UA=U′=15V,
由图乙可知,横坐标每个小格代表的电压为=2.5V,
则P在中点O时的电压UO=4×2.5V=10V,
此时电流表指针指到满偏刻度的位置,其示数为2A或0.4A,
电流表的示数为I1=2A时,变阻器的最大阻值R=2×=2×=5Ω,与题意不符;
当电流表的示数为I2=0.4A时,变阻器的最大阻值R=2×=2×=25Ω,符合题意,
所以,所用变阻器的规格为“25Ω 2A”,电流表的量程为“0~0.6A”
此时电路的总电阻R总===37.5Ω,
因串联电路中总电阻等于各分电阻之和,
所以,R0的阻值:
R0=R总﹣R=37.5Ω﹣×25Ω=25Ω,
滑片P在最右端B处时,接入电路中的电阻最大,此时电路中的电流:
I===0.3A,
此时R0消耗的电功率P=I2R0=(0.3A)2×25Ω=2.25W。
答:(1)小灯泡的电阻是5Ω;
(2)只闭合开关S1,移动滑片P,可使灯泡L正常发光,流过电流表的最小电流是1.2A;
(3)滑片P在最右端B处时,R0消耗的电功率为2.25W。
2024年河北省邯郸市冀南新区中考物理二模试卷: 这是一份2024年河北省邯郸市冀南新区中考物理二模试卷,共35页。试卷主要包含了选择题,填空及简答题,实验探究题(本大题共4个小题,计算应用题等内容,欢迎下载使用。
河北省邯郸市2024年中考物理二模试卷附答案: 这是一份河北省邯郸市2024年中考物理二模试卷附答案,共10页。试卷主要包含了选择题,填空及简答题,实验探究题,计算应用题等内容,欢迎下载使用。
2023年河北省邯郸市中考物理二模试卷: 这是一份2023年河北省邯郸市中考物理二模试卷,共21页。试卷主要包含了单选题,多选题,填空题,实验探究题,计算题等内容,欢迎下载使用。

