湖南省株洲市南方中学2023-2024学年高一下学期期中考试化学试题
展开时量75分钟 满分100分
可能用到的相对原子质量:H-1 O-16 Na-23 Cl-35.5 Mn-55
选择题(本题共18小题,每小题3分,共54分。每小题只有一项符合题意)
1.超级钢的开发与应用,已成为国际上钢铁领域的研究热点。关于超级钢的说法,不正确的是
A.不含碳元素 B.强度高 C.耐腐蚀 D.一种新型合金
2.放电影时,在放映机到银幕间能观察到一束光柱,该现象与下列哪种分散系有关
A.溶液 B.胶体 C.悬浊液 D.乳浊液
3.某物质灼烧时,其焰色试验呈紫色(透过蓝色钴玻璃),则该物质一定含有
A.钾单质 B.钾离子 C.钾的化合物 D.钾元素
4.硒(Se)是人体必需的微量元素,Se的质子数为
A.114 B.46 C.80 D.34
5.真空碳热还原氯化法可实现由铝土矿制备金属铝。其核心步骤反应为:Al2O3+3Cl2+3C=2AlCl3+3CO。对于该反应下列说法不正确的是
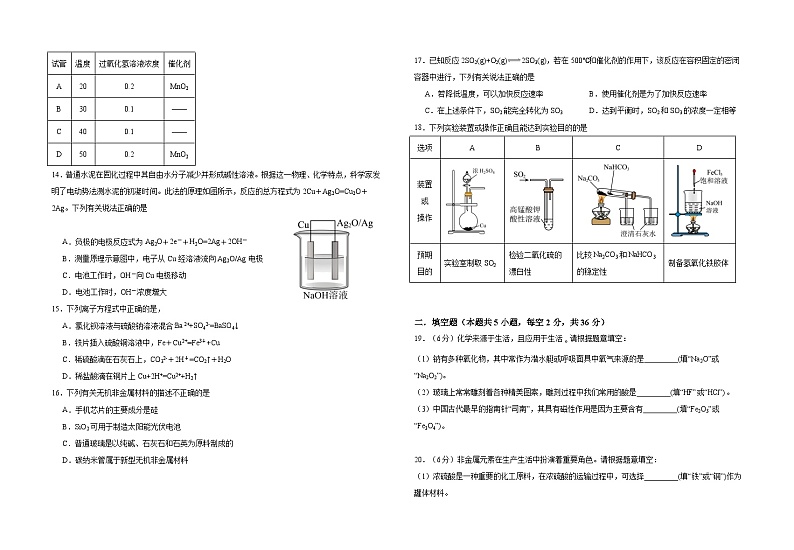
A.AlCl3为还原产物
B.CO为氧化产物
C.Al2O3为氧化剂
D.C为还原剂
6.为检验某溶液中是否含有Fe3+,可以选择的试剂是
A.酸性KMnO4溶液B.AgNO3溶液
C.BaCl2溶液D.KSCN溶液
7.下列物质中,不能由单质直接化合生成的是
A.SO3 B.NO C.CuCl2 D.FeS
8.下列行为中符合安全要求的是
A.用水浇灭由金属钠引起的火灾
B.节日期间,在开阔的广场燃放烟花爆竹
C.用点燃的火柴在液化气钢瓶口检验是否漏气
D.实验时,将水倒入浓硫酸中配制稀硫酸
9.牙膏是常见的日用化学品。某种牙膏中的摩擦剂为碳酸钙,它属于
A.酸 B.碱 C.盐 D.单质
10.下列关于物质的量的叙述正确的是
A.40gNaOH固体溶解在1L水中,所得溶液的物质的量浓度为1ml/L
B.标准状况下,22.4LH2O的质量约为18g
C.0.5mlNa2SO4中含有Na+的物质的量为1ml
D.1ml/LKOH溶液中含有6.02×1023个OH-
11.下列各组离子,能在水溶液中大量共存的是
A.H+、Na+、Cl-、HCO3-B.SO42-、K+、Na+、Ba2+
C.Ag+、NO3-、Na+、Cl-D.Cl-、K+、Na+、SO42-
12.下列反应过程中的能量变化符合如图所示的是
A.木炭在氧气中燃烧B.盐酸与碳酸氢钠反应
C.氢氧化钡与氯化铵反应D.灼热的炭与二氧化碳反应
13.下列四个试管中,过氧化氢分解产生氧气的反应速率最大的是
14.普通水泥在固化过程中其自由水分子减少并形成碱性溶液。根据这一物理、化学特点,科学家发明了电动势法测水泥的初凝时间。此法的原理如图所示,反应的总方程式为2Cu+Ag2O=Cu2O+2Ag。下列有关说法正确的是
A.负极的电极反应式为Ag2O+2e-+H2O=2Ag+2OH-
B.测量原理示意图中,电子从Cu经溶液流向Ag2O/Ag电极
C.电池工作时,OH-向Cu电极移动
D.电池工作时,OH-浓度增大
15.下列离子方程式中正确的是,
A.氯化钡溶液与硫酸钠溶液混合:Ba2++SO42-=BaSO4↓
B.铁片插入硫酸铜溶液中,Fe+Cu2+=Fe3++Cu
C.稀硫酸滴在石灰石上,CO32-+2H+=CO2↑+H2O
D.稀盐酸滴在铜片上Cu+2H+=Cu2++H2↑
16.下列有关无机非金属材料的描述不正确的是
A.手机芯片的主要成分是硅
B.SiO2可用于制造太阳能光伏电池
C.普通玻璃是以纯碱、石灰石和石英为原料制成的
D.碳纳米管属于新型无机非金属材料
17.已知反应2SO2(g)+O2(g)2SO3(g),若在500℃和催化剂的作用下,该反应在容积固定的密闭容器中进行,下列有关说法正确的是
A.若降低温度,可以加快反应速率B.使用催化剂是为了加快反应速率
C.在上述条件下,SO2能完全转化为SO3D.达到平衡时,SO2和SO3的浓度一定相等
18.下列实验装置或操作正确且能达到实验目的的是
填空题(本题共5小题,每空2分,共36分)
19.(6分)化学来源于生活,且应用于生活请根据题意填空:
(1)钠有多种氧化物,其中常作为潜水艇或呼吸面具中氧气来源的是_________(填“Na2O”或“Na2O2”)。
(2)玻璃上常常雕刻着各种精美图案,雕刻过程中我们常用的酸是_________(填“HF”或“HCl”)。
(3)中国古代最早的指南针“司南”,其具有磁性作用是因为主要含有_________(填“Fe2O3”或“Fe3O4”)。
20.(6分)非金属元素在生产生活中扮演着重要角色。请根据题意填空:
(1)浓硫酸是一种重要的化工原料,在浓硫酸的运输过程中,可选择_________(填“铁”或“铜”)作为罐体材料。
(2)浓硫酸能使蔗糖变黑,体现出的性质为_________(填“吸水性”或“脱水性”或“氧化性”),并膨胀、产生大量CO2、SO2气体,可用_________(填“品红溶液”或“石蕊溶液”或“澄清石灰水”)检验SO2。
21.(6分)工业上用氨气和氢气直接合成氨,并通过下列转化过程制备硝酸:
(1)上述物质中为红棕色气体的是___________(填化学式);
(2)NH3溶于水所得溶液呈___________(填“酸性”、“碱性”或“中性”);
(3)配平NO2→HNO3的化学方程式:3NO2+H2O =_______HNO3+NO。
22.(8分)下表是元素周期表的一部分,表中的每个编号表示一种元素,请根据要求回答下列问题。
(1)⑥号元素的原子结构示意图为_________;
(2)最高价氧化物对应水化物碱性最强的是_________(填化学式);
(3)氢化物热稳定性最强的是_________(填电子式);
(4)③④⑤的原子半径从大到小的顺序是_________(填元素符号)。
23.(10分)I.某同学设计了利用废铁屑制取硫酸亚铁晶体的简单流程如下:
请回答下列问题:
(1)操作a是___________;
(2)“酸浸”时的离子反应方程式是___________________________________。
Ⅱ.一定温度下,在容积为2L的密闭容器中发生N、M、P三种气体间的转化反应,M、N、P的物质的量随时间变化的曲线如图所示:
(3)该反应的化学方程式为___________________________________;
(4)1-3min这段时间内,以M的浓度变化表示的平均反应速率为_______;
(5)平衡时N的转化率为_______。
实验题(本题共1小题,每空2分,共10分)
24.已知实验室常用二氧化锰粉末和浓盐酸制取氯气,其反应的化学方程式为:
MnO2+4HCl(浓) MnCl2+Cl2↑+2H2O,某实验小组用下图所示装置制取纯净干燥的氯气。
D
请回答下列问题:
(1)B是除杂装置,盛放的试剂是_________(填“饱和食盐水”或“饱和NaHCO3溶液”);
(2)C装置利用了浓硫酸的_________(填“吸水性”“脱水性”或“强氧化性”);
(3)D处虚线框中是排空气法收集氯气的装置,应选用___________(填“甲”或“乙”);
(4)为防止Cl2污染环境,E烧杯中盛装冷的NaOH溶液,请写出该反应的化学方程式
______________________________________________________。
(5)欲制取2.24L标准状况下的Cl2,至少需要MnO2的质量为_________g。试管
温度
过氧化氢溶液浓度
催化剂
A
20
0.2
MnO2
B
30
0.1
——
C
40
0.1
——
D
50
0.2
MnO2
选项
A
B
C
D
装置或
操作
预期目的
实验室制取SO2
检验二氧化硫的漂白性
比较Na2CO3和NaHCO3的稳定性
制备氢氧化铁胶体
族
周期
ⅠA
0
1
①
ⅡA
ⅢA
ⅣA
ⅤA
ⅥA
ⅦA
2
②
③
④
3
⑤
⑥
⑦
⑧
广东省广州南方学院番禺附属中学2023-2024学年高一下学期4月+期中考试化学试题(无答案): 这是一份广东省广州南方学院番禺附属中学2023-2024学年高一下学期4月+期中考试化学试题(无答案),共7页。试卷主要包含了5 Fe-56,12L反应等内容,欢迎下载使用。
湖南省株洲市渌口区第三中学2023-2024学年高二下学期4月期中考试化学试题: 这是一份湖南省株洲市渌口区第三中学2023-2024学年高二下学期4月期中考试化学试题,共4页。
58,湖南省株洲市茶陵县第三中学2023-2024学年高一下学期开学考试化学试题: 这是一份58,湖南省株洲市茶陵县第三中学2023-2024学年高一下学期开学考试化学试题,共4页。

