所属成套资源:2025年高考化学大一轮复习 同步练习
第31练 常见气体的实验室制备、净化和收集 同步练习(含答案)-2025年高考化学一轮复习
展开这是一份第31练 常见气体的实验室制备、净化和收集 同步练习(含答案)-2025年高考化学一轮复习,共8页。试卷主要包含了下列实验装置正确的是等内容,欢迎下载使用。
2.(2023·连云港高三模拟)下列实验装置正确的是( )
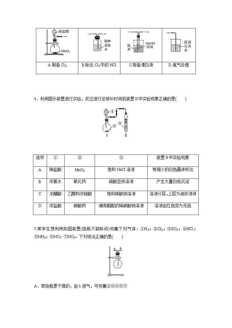
3.(2023·南京高三模拟)将Cl2通入冷的NaOH溶液中可制得漂白液。下列装置(箭头表示Cl2的气流方向)能达到相应目的的是( )
4.利用图示装置进行实验,反应进行足够长时间后装置Ⅱ中实验现象正确的是( )
5.某学生想利用如图装置(烧瓶不能移动)收集下列气体:①H2;②Cl2;③SO2;④HCl;⑤NH3;⑥NO;⑦NO2。下列说法正确的是( )
A.若烧瓶是干燥的,由b进气,可收集②③④⑥⑦
B.若烧瓶是干燥的,由a进气,可收集①⑤
C.若烧瓶中充满水,由a进气,可收集①⑤⑦
D.若烧瓶中充满水,由b进气,可收集⑥
6.(2024·徐州高三检测)NaH是有机合成中用途很广泛的物质。已知NaH遇水蒸气剧烈反应,某小组设计如图实验装置制备NaH。下列说法不正确的是( )
A.安全漏斗的作用是液封
B.装置A中的试剂是稀硝酸和粗锌
C.装置B中的试剂是浓硫酸
D.实验开始后先启动A中反应,再点燃C处酒精灯
7.(2023·南京模拟)用如图所示装置制备氨并验证氨的还原性,其中不能达到实验目的的是( )
A.用装置甲生成氨
B.用装置乙干燥氨
C.用装置丙验证氨的还原性
D.用装置丁和戊分别收集氨和氮气
8.实验室常利用难挥发性酸制备易挥发性酸,用浓硫酸与硝石(NaNO3)反应可制备少量HNO3,反应装置如图所示,下列说法不正确的是( )
A.反应的化学方程式为NaNO3+H2SO4(浓)eq \(=====,\s\up7(△))NaHSO4+HNO3↑
B.反应温度如果过高,制得的HNO3可能会呈现黄色
C.曲颈甑是一种原始的蒸馏烧瓶,为了增强冷凝效果可以在长颈上再接一根长玻璃管
D.可从实验室中选无色、透明、洁净的试剂瓶盛装制得的浓硝酸
9.实验室用H2还原WO3制备金属W的装置如图所示(Zn粒中往往含有硫等杂质,焦性没食子酸溶液用于吸收少量氧气)。下列说法正确的是( )
A.①②③中依次盛装KMnO4溶液、浓H2SO4、焦性没食子酸溶液
B.管式炉加热前,用试管在④处收集气体并点燃,通过声音判断气体纯度
C.结束反应时,先关闭活塞K,再停止加热
D.装置Q(启普发生器)也可用于二氧化锰与浓盐酸反应制备氯气
10.某实验小组拟利用如图装置制取干燥的氮气。下列说法错误的是( )
A.装置Ⅰ中发生反应的化学方程式为NaNO2+NH4Cleq \(=====,\s\up7(△))NaCl+N2↑+2H2O
B.加热片刻后需要将酒精灯移开,说明该反应是放热反应
C.装置Ⅱ的作用是冷凝水蒸气
D.在装置Ⅲ末端收集纯净干燥的N2只能用向下排空气法
11.氯化锌易潮解、易升华。从市售的氯化锌[含Zn(OH)Cl]中制备无水氯化锌,装置如图所示,管式炉有升温和降温的调节功能。下列说法错误的是( )
A.恒压滴液漏斗、倒置漏斗的作用分别是平衡气压、防止倒吸
B.通入装置中的N2必须是干燥的
C.在尾气吸收装置前应增加一个盛有浓硫酸的洗气瓶
D.管式炉Ⅰ采取阶段式升温,实验结束时先撤去管式炉Ⅰ,再撤去管式炉Ⅱ
12.实验室常见气体制备装置及收集方法如图:
(1)实验室中可用装置a制取O2或NH3,反应的化学方程式分别为_____________________,
________________________________________________________________________。
(2)实验室中可用装置b制取O2、NH3、Cl2、CO2、SO2、NO2等气体,则制取Cl2的化学方程式为_________________________________________________________________________。
若利用该装置用浓氨水和NaOH固体制取NH3,其原理是______________________________。
(3)实验室用过氧化氢溶液及少量MnO2制取O2,可选用________(填字母)装置收集O2。
13.氧钒(Ⅳ)碱式碳酸铵晶体难溶于水,是制备热敏材料VO2的原料,其化学式为(NH4)5[(VO)6(CO3)4(OH)9]·10H2O。实验室以VOCl2和NH4HCO3为原料制备氧钒(Ⅳ)碱式碳酸铵晶体的装置如图所示。
已知:+4价钒的化合物易被氧化。
回答下列问题:
(1)制备过程中,上述装置依次连接的合理顺序为e→________(按气流方向,用小写字母表示)。装置A中饱和NaHCO3溶液的作用是_____________________________________________。
(2)连接好装置,检查气密性良好后,加入试剂,开始实验,先________________(填实验操作),当装置B中溶液变浑浊时,关闭K1,打开K2,进行实验。
(3)装置D中生成氧钒(Ⅳ)碱式碳酸铵晶体的化学方程式为___________________________。
第31练 常见气体的实验室制备、净化和收集
1.B 2.A 3.C
4.D [稀盐酸和二氧化锰不反应,装置Ⅱ中无明显现象,故A错误;浓氨水和氧化钙反应生成氨气,氨气与硫酸亚铁溶液反应生成Fe(OH)2白色沉淀,然后变为灰绿色,最终变为Fe(OH)3红褐色沉淀,故B错误;酯化反应需要加热,但图中没有加热装置,不能生成乙酸乙酯,故C错误;浓盐酸与碳酸钙反应生成CO2气体,且浓盐酸易挥发,CO2、HCl均与Na2CO3反应使溶液碱性减弱,观察到装置Ⅱ中溶液由红色最终变为无色,故D正确。]
5.B [NO不能用排空气法收集,A错误;由a进气可以收集比空气密度小且与空气中的成分不反应的气体,B正确;NH3、NO2不能用排水法收集,C错误;用排水法集气不能由b进气,D错误。]
6.B 7.D 8.D
9.B [A项,气体从溶液中逸出易带出水蒸气,所以浓硫酸应放在③中,错误;B项,先通H2以排出空气,加热前应先检验H2的纯度,正确;C项,若先停止通H2,空气中的氧气有可能重新将W氧化,应先停止加热,待装置冷却后再关闭活塞K,错误;D项,MnO2和浓盐酸反应制氯气需要加热,不能用启普发生器制备,错误。]
10.D [因移开酒精灯后反应仍能进行,说明该反应是放热反应,B项正确;根据化学方程式可知产物中有水蒸气,为便于干燥,可用装置Ⅱ冷凝大部分水蒸气,再用装置Ⅲ进行干燥,C项正确。]
11.D [氯化锌易吸水,所以需要通入干燥的N2,B项正确;尾气吸收装置中含水会使ZnCl2潮解,所以尾气吸收装置前应增加一个盛有浓硫酸的洗气瓶,C项正确。]
12.(1)2KMnO4eq \(=====,\s\up7(△))K2MnO4+MnO2+O2↑(或2KClO3eq \(=====,\s\up7(MnO2),\s\d5(△))2KCl+3O2↑) Ca(OH)2+2NH4Cleq \(=====,\s\up7(△))CaCl2+2NH3↑+2H2O (2)2KMnO4+16HCl(浓)===2KCl+2MnCl2+5Cl2↑+8H2O 把氨水滴加到NaOH固体上,NaOH溶于水放出热量可促进NH3·H2O的分解;NaOH溶于水电离产生的OH-促使平衡NH3+H2ONH3·H2ONHeq \\al(+,4)+OH-逆向移动,导致放出NH3 (3)c或e
13.(1)a→b→f→g→c 除去二氧化碳中的HCl杂质 (2)关闭K2,打开K1 (3)6VOCl2+6H2O+17NH4HCO3===(NH4)5[(VO)6(CO3)4(OH)9]·10H2O↓+13CO2↑+12NH4Cl
解析 (1)由于+4价钒的化合物易被氧化,因此装置D反应前需要用装置C产生的CO2排出装置内的空气,而装置C中产生的CO2中会混入HCl杂质,用装置A中的饱和NaHCO3溶液除去,用装置B检验CO2是否充满整个实验装置,故上述装置依次连接的合理顺序为e→a→b→f→g→c。
选项
气体
a
b
A
H2S
稀H2SO4
FeS
B
O2
H2O2溶液
MnO2
C
NO2
浓HNO3
铁片
D
NH3
浓氨水
CaO
A.制备Cl2
B.除去Cl2中的HCl
C.制备漂白液
D.尾气处理
选项
①
②
③
装置Ⅱ中实验现象
A
稀盐酸
MnO2
饱和NaCl溶液
有细小的白色晶体析出
B
浓氨水
氧化钙
硫酸亚铁溶液
产生大量白色沉淀
C
冰醋酸
乙醇和浓硫酸
饱和碳酸钠溶液
溶液分层,上层为油状液体
D
浓盐酸
碳酸钙
滴有酚酞的稀碳酸钠溶液
溶液由红色变为无色
相关试卷
这是一份高考化学一轮复习讲练 第4章 专题讲座二 常见气体的实验室制备、净化和收集 (含解析),共9页。试卷主要包含了气体制备实验的基本思路,重要气体的发生装置,气体制备装置的改进,气体的除杂方法,气体的收集方法,尾气处理的原因、方法及装置等内容,欢迎下载使用。
这是一份2024届高考一轮复习化学课时练 第28练 常见气体的实验室制备、净化和收集(含答案),共8页。试卷主要包含了下列装置能达到实验目的的是,已知等内容,欢迎下载使用。
这是一份2024高考化学一轮复习讲义(步步高版)第4章 第25讲 常见气体的实验室制备、净化和收集,共19页。

