广东省茂名市高州中学2023-2024学年高一下学期期中考试化学试题
展开4、【详解】A.制备氨气应该选用氯化铵和氢氧化钙固固加热,只加热氯化铵产生的氨气逸不出,会在管口与HCl结合又生成氯化铵,A错误;
B.氨气与浓盐酸反应生成氯化铵,氯化铵是固体小颗粒,因此产生大量白烟,B正确;
C.氨水极易溶于水,而装置④可以防止倒吸,C正确;
D.CuSO4溶液中加入氨水至过量,先反应为,继续加入氨水,沉淀溶解,生成深蓝色的铜氨络离子,D正确;
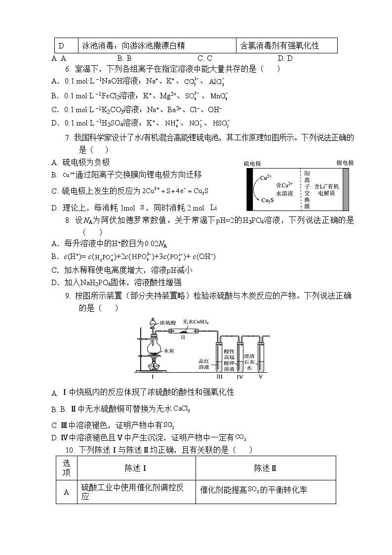
7、【分析】该装置为原电池,铜离子得到电子,因此硫电极为正极,电极反应式为,锂电极为负极,电极反应式为,据此作答。
【详解】A.锂在反应中失电子为负极,故A错误;
B.原电池中阳离子向正极(硫电极)移动,故B错误;
C.硫电极为正极,电极反应式为,故C正确;
D.依据电子守恒可知,每消耗1mlS,同时消耗4mlLi,故D错误;
8、B 【详解】A、常温下pH=2,则溶液中氢离子浓度是0.01ml/L,因此每升溶液中H+数目为0.01NA,A错误;
B、根据电荷守恒可知选项B正确;
C、加水稀释促进电离,电离度增大,但氢离子浓度减小,pH增大,C错误;
D、加入NaH2PO4固体,H2PO4-浓度增大,抑制磷酸的电离,溶液的酸性减弱,D错误;
13、【详解】A.由图可知,反应中甲容器的压强大于乙容器,则甲为绝热恒容条件下发生的反应、乙为恒温恒容条件下发生的反应,故A正确;
B.设恒温恒容条件下发生的反应,平衡时生成氮气的物质的量为aml,由方程式可知,平衡时,混合气体的总物质的量物质的(4—a)ml,由气体的压强之比等于物质的量之比可得:=,解得a=,则一氧化氮的转化率为=,该反应为放热反应,绝热恒容条件下,反应温度升高,平衡向逆反应方向移动,一氧化氮的转化率减小,则甲容器中一氧化氮的平衡转化率小于,故B错误;
C.该反应为放热反应,升高温度,平衡向逆反应方向移动,平衡常数减小,绝热恒容条件下,反应温度升高,则M点反应温度高于N点,平衡常数小于N点,故C正确;
D.绝热恒容条件下,反应温度升高,会使容器中气体压强增大,则甲容器压强先增大的原因是反应放热,产生的热量使体系温度升高,压强增大,故D正确;
15、【详解】A.活化能较大的步骤反应速率较慢,由图知步骤ⅰ为整个反应的决速步骤,A项错误;
D.没有CO存在时,NO转化成的活化能为,有CO存在时,转化活化能为,,说明CO能促进NO转化成,D项正确;
16、【详解】A.由图可知,100~300s内,生成物N的浓度变化量为(0.112—0.090)ml/L+(0.011—0.010)ml/L=0.023ml/L,则n的反应速率为=1.15×10—4 ml/(L·s),故A错误;
B.由图可知,300s时反应达到平衡,反应(ⅲ)的平衡常数K==9,100s时反应(ⅲ)的浓度熵Q=>K,则反应向逆反应方向进行,逆反应速率大于正反应速率,故B正确;
C.若反应(ⅲ)的,则该反应为反应物总能量大于生成物总能量的放热反应,X的能量高于Y的能量,物质的能量越低越稳定,则Y比X更稳定,故C错误;
D.若再向容器中加入上述溶剂,平衡体系中各物质浓度均减小,反应(ⅰ)、(ⅱ)均向逆反应方向移动,X、Y的物质的量均增大,故D错误;
故选B。
17.(1)酸 (2)当滴入最后一滴标准液时,溶液从无色变成紫红色,且半分钟内不褪色
(3)0.2610 (4) 2.0 3.0
(5) ②、③ 其他条件不变时,温度越高,化学反应速率越快
(6) Mn2+对该反应有催化作用 加入MnSO4固体后的KMnO4溶液比实验②褪色更快
【详解】((3)根据数据的有效性,舍去第2组数据、3组平均消耗 , ,解得,故答案为:0.2610;
(4)实验①、②、③探究浓度对反应速率的影响,则溶液总体积应相同,a=2.0,b=3.0,
故答案为:2.0;3.0;(5)实验②、③的变量是温度、③探究温度对化学反应速率的影响,温度越高,化学反应速率越快,故答案为:实验②、③;其他条件不变时,温度越高,化学反应速率越快;(6)I由图乙可知,反应开始后速率增大的比较快Mn2+对该反应有催化作用,
故答案为:Mn2+对该反应有催化作用;II若反应加快,说明Mn2+是催化剂,反应过程中溶液褪色时间变短,加入MnSO4固体后的KMnO4溶液比实验②褪色更快,故答案为:加入MnSO4固体后的KMnO4溶液比实验②褪色更快。
(1) (球形)干燥管 (2)利于碘化亚铁冷凝收集
(3) 防止水蒸气进入收集器中 (4) 溶液不变色或溶液未变红
(5)
【详解】(1)装置中盛碱石灰的仪器名称为(球形)干燥管;若没有碱石灰干燥,铁粉可能与水蒸气反应,化学方程式为;(2)收集器浸泡在冷水中的原因是利于碘化亚铁冷凝收集;(3)碘化亚铁(FeI2)易潮解,故试剂a为浓硫酸,其作用是防止水蒸气进入收集器中;(4)铁离子和KSCN溶液变红色,根据实验结论乙同学观点不正确,则实验现象为溶液不变色或溶液未变红;根据氧化剂先氧化还原性强的物质,反应中碘离子首先和氯气反应生成碘单质,故I-的还原性大于Fe2+的还原性;(5)根据(4)中所得结论:的还原性>的还原性,氯气首先和碘离子反应,离子方程式为。
19.(1)增大接触面积,加快反应速率,提高浸取率 (2)1.6×104
(3) NH4HCO3+NH3•H2O=(NH4)2CO3+H2O 60~70℃水浴加热
(4) CaCO3、SiO2 冷却结晶 (5)4.8
工业废渣加入(NH4)2CO3溶液浸取,其中CaSO4与(NH4)2CO3反应生成CaCO3和(NH4)2SO4,SiO2、Al2O3和Fe2O3都不反应,一起和生成的CaCO3得到滤渣,过滤后滤渣加入足量盐酸将CaCO3完全转化为CaCl2,同时铁、铝氧化物转化为相应盐溶液,SiO2不反应,经过滤除去SiO2;得到的滤液中含CaCl2、AlCl3、FeCl3,根据图表及pH=8.3时Al(OH)3开始溶解,为了将滤液中Al3+、Fe3+完全除去,应加入Ca(OH)2调节溶液的pH介于4.8~8.3,然后过滤即可制得CaCl2溶液。
【详解】(1)浸取前将石膏矿粉碎,其目的是增大接触面积,加快反应速率,提高浸取率;
(2)(3)氨水为碱性,碳酸氢铵为酸式盐,两者反应生成碳酸铵,NH4HCO3+NH3•H2O=(NH4)2CO3+H2O;浸取时控制反应温度在60~70℃,温度低于水的沸点,控温方法是水浴加热;(4)由分析可知,“滤渣”的主要成分是Al2O3、Fe2O3、CaCO3、SiO2;“一系列操作”为得到晶体的操作,为:加入适量稀硫酸,然后经过减压蒸发浓缩、冷却结晶、过滤、洗涤、干燥。(5)由分析可知,则“调pH”中需要调节的pH范围4.8
(2) > i AC (3) > 该反应为放热反应,随温度增大平衡逆向移动
【详解】(1)已知:I.CH4(g)C(s)+2H2(g) H1 K1
Ⅱ.CO2(g)+C(s)2CO(g) H2 K2
利用盖斯定律反应Ⅰ+反应Ⅱ得反应CH4(g)+CO2(g)6CO(g)+2H2(g) H=H1+H22,该反应的平衡常数K=K1•K2;(2)①由图知随着体系温度升高,CO的含量逐渐增加,正向为吸热反应H>0,相同温度下催化剂i中CO的含量高,故i的催化效果更好;
②A.恒温恒压下,容器体积是变量,混合气体的质量不变,因此容器内气体密度保持不变,说明反应达到平衡状态,故A正确:B.平衡常数只与温度有关,平衡常数不变不能说明反应达到平衡状态,故B错误:C.CO2的体积分数保持不变,说明正逆反应速率相等,反应达到平衡,故C正确;D.相同时间内,断裂4mlC﹣H的同时生成2mlH﹣H键,均表示正反应速率,不一定达到平衡状态,故D错误;故答案为AC;
(3)①根据方程式可判断该反应平衡常数表达式为K=;②由反应CO2(g)+3H2(g)CH3OH(g)+H2O(g)知,相同温度下,增大压强,平衡正向移动,增大反应物的转化率,故p1>p2;③分析236℃后曲线变化的原因是:该反应为放热反应,随温度增大平衡逆向移动。
题号
1
2
3
4
5
6
7
8
9
10
11
12
13
14
15
16
答案
B
A
C
A
A
A
C
B
C
D
B
D
B
B
A
B
广东省茂名市高州中学2023-2024学年高二下学期期中考试化学试题(含解析): 这是一份广东省茂名市高州中学2023-2024学年高二下学期期中考试化学试题(含解析),文件包含广东省茂名市高州中学2023-2024学年高二下学期期中考试化学试题docx、广东省茂名市高州中学2023-2024学年高二下学期期中考试化学答案docx等2份试卷配套教学资源,其中试卷共16页, 欢迎下载使用。
广东省茂名市高新中学2023-2024学年高一下学期期中考试化学试题: 这是一份广东省茂名市高新中学2023-2024学年高一下学期期中考试化学试题,共6页。
广东省高州市第四中学2023-2024学年高一下学期3月月考化学试题: 这是一份广东省高州市第四中学2023-2024学年高一下学期3月月考化学试题,文件包含高一化学3月月考试题pdf、高一化学3月月考答案pdf等2份试卷配套教学资源,其中试卷共14页, 欢迎下载使用。

