


2024年山东中考物理模拟题分类---透镜及其应用
展开A.当物体距透镜8cm时,成正立的像
B.当物体距透镜16cm时,成倒立、放大的实像
C.当物体从距透镜20cm处远离透镜的方向移动时,所成的像逐渐变小
D.当物体从距透镜20cm处靠近透镜移动时,要得到清晰的像应使光屏靠近透镜
2.(2021•曹县模拟)如图,宇航员王亚平在太空舱中利用失重状态制成了一个完美的水球,我们透过水球也可以看到她的“脸”,通过观察我们可以判断,此时她的脸到水球的距离( )
A.小于一倍焦距
B.大于一倍焦距,小于两倍焦距
C.等于两倍焦距
D.大于两倍焦距
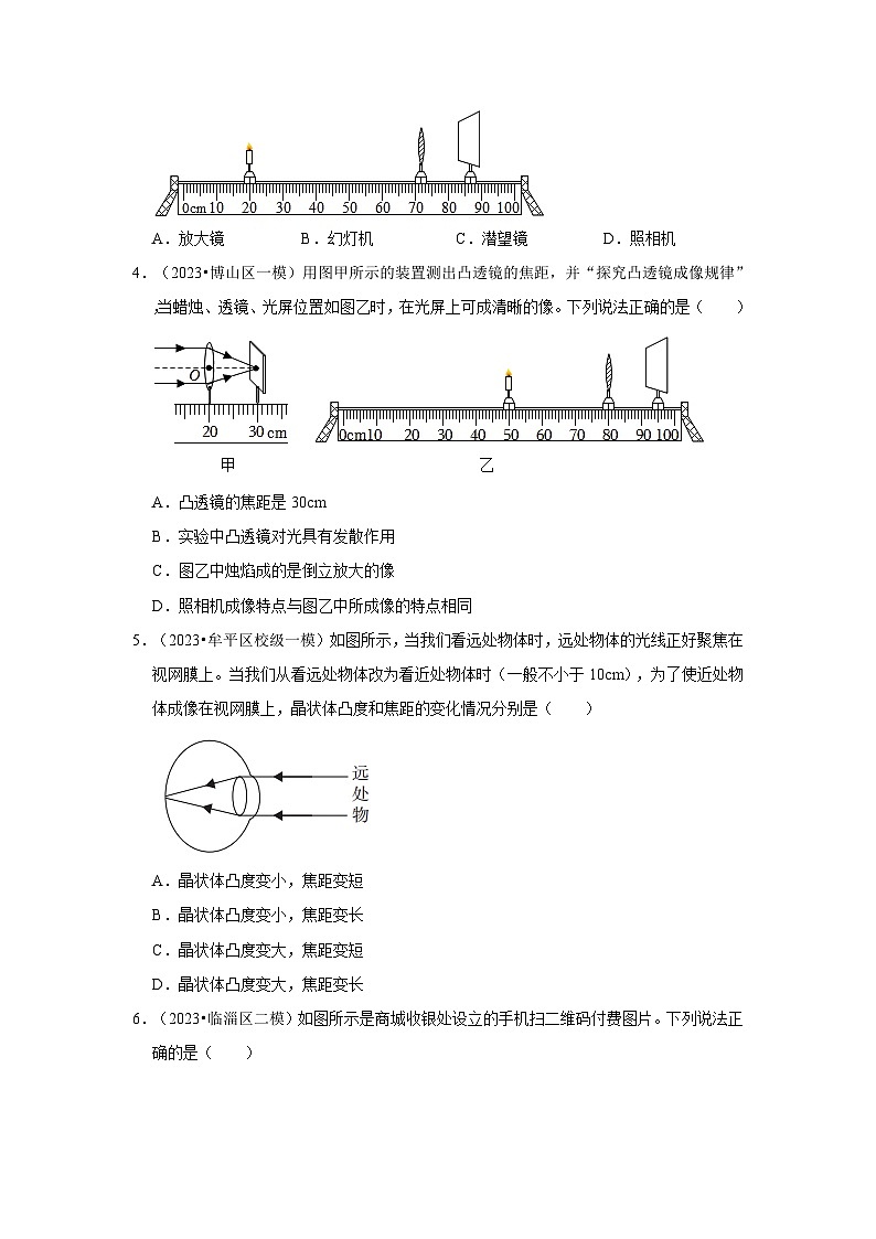
3.(2023•莱芜区一模)如图所示是蜡烛通过凸透镜在光屏上的成像情况,以下器材中利用这一成像原理的是( )
A.放大镜B.幻灯机C.潜望镜D.照相机
4.(2023•博山区一模)用图甲所示的装置测出凸透镜的焦距,并“探究凸透镜成像规律”,当蜡烛、透镜、光屏位置如图乙时,在光屏上可成清晰的像。下列说法正确的是( )
A.凸透镜的焦距是30cm
B.实验中凸透镜对光具有发散作用
C.图乙中烛焰成的是倒立放大的像
D.照相机成像特点与图乙中所成像的特点相同
5.(2023•牟平区校级一模)如图所示,当我们看远处物体时,远处物体的光线正好聚焦在视网膜上。当我们从看远处物体改为看近处物体时(一般不小于10cm),为了使近处物体成像在视网膜上,晶状体凸度和焦距的变化情况分别是( )
A.晶状体凸度变小,焦距变短
B.晶状体凸度变小,焦距变长
C.晶状体凸度变大,焦距变短
D.晶状体凸度变大,焦距变长
6.(2023•临淄区二模)如图所示是商城收银处设立的手机扫二维码付费图片。下列说法正确的是( )
A.手机摄像头相当于凹透镜
B.手机扫出的是二维码的虚像
C.手机的摄像头可用来矫正远视眼
D.扫描时应将二维码置于摄像头的一倍焦距以内
7.(2023•周村区二模)小明用透明塑料盒设计了一个昆虫标本观察器、如图所示。盒底上放标本、盒盖上嵌入一个焦距为15cm的凸透镜。为了在盒盖上方附近,通过凸透镜观察到标本正立、放大的像、盒高h合理的是( )
A.h=12cmB.h=32cmC.h=30cmD.h=18cm
8.(2022•乳山市模拟)小明同学的奶奶年龄大了,总看不清手机屏幕,需要把手机拿得远远的才能勉强看清,细心的小明在网上帮奶奶购买了一个手机屏幕放大器如图甲,将手机放在支架处,透过透明的屏幕放大器即可看到手机屏幕放大的像,图乙为其观看效果。下列分析不正确的是( )
A.屏幕放大器相当于一个凸透镜
B.透过屏幕放大器看到的像是实像
C.手机放在屏幕放大器的一倍焦距以内
D.小明奶奶戴远视眼镜即可看清近处物体
9.(2022•莱州市一模)如图所示,小明将凸透镜(f=10cm)固定在光具座40cm的位置,探究凸透镜的成像规律。下列说法正确的是( )
A.蜡烛在图示位置时,向右移动光屏才能在光屏上成清晰的像
B.将蜡烛从图示位置向焦点移动的过程中,像的大小是逐渐变大的
C.将蜡烛放在10cm刻度处,移动光屏,光屏上可得到倒立等大的清晰像
D.当光屏上成清晰像时,在贴近凸透镜左侧的位置放一个远视镜片,则向右移动光屏,光屏上仍能得到清晰的像
10.(2022•商河县一模)现代生活,智能手机给人们带来了许多便利,但长时间盯着手机屏幕,容易导致视力下降。如图所示,关于近视眼及其矫正的原理图正确的是( )
A.①③B.②④C.①④D.②③
11.(2022•历下区三模)如图所示,航天员王亚平两次授课,水球实验精彩连连,主要应用的光学知识是( )
A.光的直线传播B.光的反射
C.光的折射D.光的色散
12.(2021•肥城市模拟)阳阳用凸透镜自制了一台照相机,给小红(如图甲所示)拍照时,在光屏上出现的如图乙所示的像,为了使像呈现在光屏中央,阳阳可以进行的操作是( )
A.将照相机往右下方平移B.将照相机往右上方平移
C.将照相机往左下方平移D.将照相机往左上方平移
13.(2021•临沂模拟)小明同学在探究凸透镜成像规律时,把蜡烛和凸透镜固定在如图所示位置,移动光具座上的光屏得到一清晰像(光屏未画出),则该透镜的焦距可能是( )
A.10cmB.20cmC.30cmD.40cm
14.(2021•泰安一模)在探究“凸透镜成像的规律”实验中,光具座上各元件位置如图所示,此时在光屏上恰好成一个清晰的像。则下列说法正确的是( )
①凸透镜的焦距可能是6cm
②利用这一原理制成了照相机
③若将蜡烛远离凸透镜,则应将光屏靠近凸透镜才能得到清晰的像,且像逐渐变小
④若保持凸透镜位置不变,将蜡烛和光屏的位置互换,会在光屏上成一个清晰倒立、缩小的像
A.只有①②正确B.只有③④正确
C.只有①③正确D.只有②③④正确
15.(2023•沂源县一模)光制技术是现代半导体集成电路的关键一环,其工作原理如图所示,光源发出强紫外光,调整镂空掩膜版和缩图透镜之间的距离,使光通过二者后,恰好能在硅片上成清晰的缩图像,从而实现纳米级集成电路的“雕刻”,下列说法中正确的是( )
A.缩图透镜是凹透镜
B.此成像原理与投影仪相似
C.在硅片上形成的像是正立的像
D.为使硅片上所成的像更小一些,应将掩膜版远离缩图透镜
16.(2022•曲阜市一模)小明自制了一个简易投影仪如图,在暗室中将印有冬奥会吉祥物“冰墩墩”的透明胶片,贴在白光的手电筒上,并正对着焦距为10cm的凸透镜。调整手电筒、凸透镜、白色墙壁之间的位置,在墙上得到了一个清晰放大的像,下列说法错误的是( )
A.凸透镜能成放大的像,是因为凸透镜对光线有发散作用
B.手电筒与凸透镜的距离应大于10cm小于20cm,且胶片应倒立放置
C.能从不同角度看到墙上“冰墩墩”的像,是因为光在墙面上发生的是漫反射
D.保持凸透镜位置不变,将手电筒向左移动,要使墙上的像恢复清晰,可在凸透镜前放一个近视镜
17.(2022•莱西市模拟)在“探究凸透镜成像的规律”实验中,光具座上各元件位置如图所示,此时在光屏上恰好成一个清晰的像,则下列说法正确的是( )
①利用这一原理制成了投影仪
②该透镜的焦距f一定满足7.5cm<f<15cm
③若将蜡烛稍稍靠近凸透镜,则应将光屏远离凸透镜才能得到清晰的像
④若将光屏与凸透镜间放一个近视眼镜,应把蜡烛稍稍靠近凸透镜才能得到清晰的像
⑤若保持凸透镜位置不变,将蜡烛和光屏的位置互换,会在光屏上成一个清晰倒立、缩小的像
A.只有①②⑤B.只有①③④C.只有②③D.只有②③④
18.(2022•金乡县二模)在“探究凸透镜成像规律”的实验中,同学们选用多个LED灯制成字母“F”作为实验光源,用标有格子的白色板做成光屏进行实验探究,如图所示,凸透镜的焦距为10cm,此时恰能在光屏上成一个清晰的像,则下列说法正确的是( )
A.将图中的光源和光屏对换,可在光屏上得到清晰、放大的实像
B.用焦距为12cm的凸透镜替换图中凸透镜,只向右移动光屏,就可得到清晰的像
C.将图中光源“F”向右移动5cm,再向右移动光屏得到清晰的像,这是投影仪的原理
D.在图中贴近凸透镜右侧放置镜片,只向左移动光屏能得到清晰的像,该镜片是近视镜
19.(2021•新泰市校级一模)在“探究凸透镜成像的规律”实验中,光具座上各元件位置如图所示,此时在光屏上恰好成一个清晰的像,则下列说法正确的( )
①利用这一原理制成了投影仪;
②该透镜的焦距f一定满足7.5cm<f<15cm;
③若将蜡烛稍稍靠近凸透镜,则应将光屏远离凸透镜才能得到清晰的像;
④若保持凸透镜位置不变,将蜡烛和光屏的位置互换,会在光屏上成一个清晰倒立、缩小的像。
A.只有②③B.只有①②C.只有③④D.只有②③④
20.(2021•安丘市一模)一个物体到凸透镜的距离为30cm时,在光屏上得到一个缩小的实像,如果把物体沿凸透镜主光轴移动到距离凸透镜20cm处,则成像的情况是( )
A.放大的实像B.缩小的实像
C.等大的实像D.三种情况都可能
21.(2022•泰安一模)如图所示为探究“凸透镜成像规律”的实验装置,凸透镜在光具座上50cm刻度线处固定不动。将蜡烛和光屏移至光具座上如图所示位置时,烛焰在光屏上成清晰的倒立缩小的像,下列说法中( )
①凸透镜焦距f<10cm
②烛焰在该处成像特点与照相机成像原理相同
③在烛焰与透镜间放置近视镜片,向右移动光屏,在光屏上能再次成清晰的像
④将蜡烛从该位置向左移动5cm,向左移动光屏,在光屏上成的清晰的像变大
A.只有②③正确B.只有①④正确
C.只有①②③正确D.只有②③④正确
22.(2022•泰山区三模)如图,移动支付迅猛发展的时代,扫码支付逐渐普及。用手机扫码支付的过程中,下列说法正确的是( )
A.商店里贴在墙上的二维码是光源
B.二维码要位于镜头一倍焦距以内
C.二维码通过镜头成倒立、缩小实像
D.手机远离二维码时,所成的像会变大
23.(2022•兰山区一模)冬奥媒体中心有一种“打盹儿神器”——睡眠休息舱。如图所示,只要用手机扫描休息舱的二维码,相当于给二维码拍了一张照片,就可以打开舱门进入休息舱休息。下列相关说法中正确的是( )
A.休息舱上的二维码是光源
B.二维码位于手机摄像头的二倍焦距以外
C.此时手机摄像头成像原理与放大镜相同
D.当二维码超出手机上设定的方框时,应把手机靠近二维码
24.(2023•莱阳市模拟)对下列光现象的说法错误的是( )
A.图甲,在太阳光下能把火柴点燃的是凸透镜
B.图乙,沿着看见鱼的方向去叉却叉不到鱼,是由于光的折射造成的
C.图丙,建筑物的倒影是光的折射现象
D.图丁,小孔成像实验中所成的像是实像
25.(2023•岱岳区三模)做凸透镜成像实验时,将光具座上的蜡烛、凸透镜、光屏如图放置,光屏上呈现清晰的像。下列说法正确的是( )
A.该凸透镜的焦距大于10cm
B.光屏上的像是倒立放大的
C.若在凸透镜与蜡烛之间“戴上”近视镜,光屏向左移动才能找到清晰的像
D.只将凸透镜向左移到适当位置,就可以在光屏上得到清晰放大的像
26.(2023•沂源县二模)小明在做“探究凸透镜成像规律”的实验时,将凸透镜固定在光具座上50cm刻度线处,在光屏上得到烛焰清晰的像,如图所示。下列说法中正确的是( )
A.此透镜可作为近视眼镜镜片
B.凸透镜的焦距可能是10cm
C.照相机成像原理与图中成像的原理相同
D.将蜡烛远离凸透镜,应将光屏远离凸透镜才能得到清晰的像
27.(2021•费县模拟)人工智能飞速发展的今天,智能配送机器人已被广泛使用,用户可通过人脸识别、输入扫描取货码等多种方式取货。如图是某款机器人正在送货的情景,下列分析不正确的是( )
A.机器人旁边的影子,是光的直线传播造成的
B.行人都能看见机器人,是由于阳光在它表面发生了漫反射
C.用户进行人脸识别时,摄像头所成的像是倒立缩小的实像
D.阳光是由红、绿、蓝三种颜色的光混合而成的
28.(2021•岱岳区模拟)蜡烛S、某光学元件K和光屏P按图示位置放置在光具座上,它们的中心在同一水平直线。此时光屏上可观察到烛焰清晰的像,则下列说法中正确的是( )
A.若K是小孔并将光屏向右移动少许,光屏上的像将变模糊
B.若K是凸透镜,则它的焦距满足f>15cm
C.仅需水平移动S、K或P中的一个,即可判断K是否为小孔
D.若K是凸透镜并移至35.0cm刻度线处,光屏上将得到清晰的缩小像
29.(2021•阳谷县一模)小明做凸透镜成像规律的实验时,将焦距为f的凸透镜固定在光具座上50cm刻度线处,光屏和点燃的蜡烛分别位于凸透镜两侧,蜡烛放置在25cm刻度线处,如图所示。将光屏移到90cm刻度线处,此时烛焰在光屏上成清晰的像。下列说法中不正确的是( )
A.凸透镜的焦距可能为f=10cm
B.光屏上的像是倒立、放大的实像
C.若将蜡烛和光屏位置互换,仍可在光屏上得到清晰的像
D.该实验现象能说明投影仪的工作原理
30.(2021•东平县一模)小明同学做“探究凸透镜成像的规律”的实验,当他把烛焰移到距透镜18cm的位置时,在光屏上观察到倒立放大清晰的像。则该凸透镜焦距可能是( )
A.6cmB.9cmC.12cmD.20cm
二.填空题(共23小题)
31.(2023•聊城三模)倒车影像系统中的摄像头是 镜,与左右两个后视镜的成像原理 (选填“相同”或“不同”)。
32.(2023•枣庄二模)某同学在做探究凸透镜成像规律实验时,蜡烛和光屏的位置如图所示,此时在光屏上得到了倒立、等大、清晰的实像。则凸透镜的焦距是 cm,接下来把蜡烛移动到35cm刻度处,则应将光屏向 (选填“左”或“右”)移动,光屏上才可以得到倒立、 、清晰的实像。
33.(2023•聊城模拟)同学们佩戴的近视镜是 (选填“凸”或“凹”)透镜;请你说出一种鉴别老花镜镜片度数是否相同的方法: 。
34.(2022•费县二模)盛夏凌晨池塘边草木上的露珠是空气中的水蒸气 形成的。为防止儿童溺水,在池塘边上安装了如图所示的摄像头,其镜头是一个 (选填“凸”或“凹”)透镜,当儿童靠近池塘的过程中,通过镜头所成的实像越来越 (选填“大”或“小”)。
35.(2022•德城区模拟)检查视力时要求眼睛与视力表相距5m,某同学在学校医务室检查视力,由于空间有限,用如图方式检查,他应距视力表 m。他在平面镜里看到的视力表是 (选填“实”或“虚”)像。该同学由于过度使用电子产品导致近视,需配戴 透镜来矫正。
36.(2022•曲阜市二模)今年的“母亲节”,小航的爸爸送给奶奶一个放大镜,奶奶借助这个放大镜能够细致欣赏邮票上的图案,如图1所示,为了模拟上述现象,小航利用一个焦距为10cm的凸透镜、蜡烛和光具座等器材进行实验。他先将凸透镜固定在光具座上50cm刻线处,如图2所示,接下来他应将蜡烛放置在光具座上的A、B、C三点中的 点处,然后再从透镜的 (选填“左”或“右”)侧用眼睛观察蜡烛烛焰的像。
37.(2022•临邑县模拟)“新型冠状病毒”仍然在影响着我们的生活,体温检测成了病毒“早发现”的重要手段。在今年的研究生考试中,整个考试全程在监控下进行,考试中心可以异地查看各地的考场情况。监控的镜头当于 镜,当监考员巡查走动远离镜头时,他的像将 (选填“变大”、“不变”或“变小”)。
38.(2022•莘县三模)如图,这是一款人脸识别门禁一体机,通过摄像镜头捕捉人脸信息,该摄像镜头相当于 透镜,这种透镜对光线具有 作用(填“会聚”或“发散”)。
39.(2022•牡丹区一模)新冠疫情防控已是常态,出入公共场所要用手机扫健康码、行程码。扫码时,手机摄像头的成像原理与 (选填“照相机”、“投影仪”或“放大镜”)相同,其所成的是倒立、 (填“放大”、“缩小”或“不变”)的实像;当手机远离健康码、行程码时,摄像头所成的像将 (选填“变大”、“变小”或“不变”)。
40.(2021•临邑县校级模拟)如图所示是刘老师利用手机直播网课的情景。手机的镜头相当于 ,为了让同学们能看清黑板上板书的文字,手机应该 (选填“远离”或“靠近”)黑板,黑板上文字所成的像是 (选填“放大”或“缩小”)的像。
41.(2021•乳山市模拟)用焦距为10cm的凸透镜探究成像规律,如图所示,烛焰在光屏上成清晰的像,则光屏到凸透镜的距离可能是 cm(选填“8”、“18”或“28”);把近视镜片放在蜡烛和凸透镜之间,应将光屏向 (选填“左”或“右”)调节,才能在光屏上重新成清晰的像。
42.(2021•郯城县模拟)新冠肺炎抗击疫情期间,武汉方舱医院投入使用大批机器人。机器人可以完成消毒、送餐、送药等工作。在送餐过程中,餐盘相对于餐车是 (选填“运动”或“静止”)的,机器人在扫描二维码时使用的摄像头使用的是 透镜。
43.(2023•滕州市校级模拟)小明利用支付宝进行扫码支付时,用手机摄像头直接扫描商家的收款二维码即可。当摄像头靠近二维码时,所成的像 (选填“变大”“变小”或“不变”)。
44.(2023•历下区模拟)正常人的眼睛具有很强的自我调节本领,可以使远处和近处的物体都成像在视网膜上。但如果不注意保护,眼睛就会出问题。如图甲所示,只能将近处的物体成像在视网膜上,而将远处的物体成像在视网膜前,这是 (选填“近视眼”或“远视眼”)的症状;如图乙所示,只能将远处的物体成像在视网膜上,而将近处的物体成像在视网膜后,这样的眼睛需要佩戴 (选填“凸透镜”或“凹透镜”)进行视力矫正。
45.(2022•乐陵市校级模拟)某同学观察阳光通过甲、乙两个同学的眼镜在地面上形成的光斑时,发现阳光通过眼镜甲形成的光斑中间较四周亮,而通过眼镜乙形成的光斑中间较四周暗,由此可以判断眼镜甲是 透镜,该同学是 眼;眼镜乙是 透镜,该同学是 眼。
46.(2022•龙口市模拟)图甲为电影放映机,其成像原理如图乙所示。为了让观众看到清晰的实像,应将胶片放在距离透镜 (填①一倍焦距以内;②一倍焦距到二倍焦距之间;③二倍焦距以外)的位置,要使银幕上的像更大,在放映机远离银幕时,要将胶片到镜头的距离调 (填“大”或“小”)一些。白色银幕是为了 (填“反射”或“吸收”)所有颜色的光。
47.(2022•青岛二模)探究凸透镜成像将一凸透镜正对阳光,在纸屏上呈现一个最亮的“点”,如图1,则此凸透镜焦距是 cm。实验装置如图2,保持蜡烛位置不动,将透镜向 移动,在光屏上可以成放大的像,据此可制成 。
48.(2021•台儿庄区模拟)小明将一只点燃的蜡烛放在凸透镜(f=10cm)前18cm处,光屏上得到了烛焰倒立、 的清晰的像,然后他在蜡烛和凸透镜之间放置了一个远视眼镜片,光屏上烛焰的像变模糊了(如图所示),若想在光屏上重新得到清晰的像,他可将光屏 凸透镜。
49.(2023•牡丹区三模)艳艳在帆船赛现场观看比赛,戴上眼镜前和后观察湖面上远处的帆船的情形如图甲所示。则艳艳的眼睛成像示意图是图中的 图(填“乙”或“丙”),她佩戴的眼镜是 透镜镜片制成的。
50.(2023•淄川区二模)同学们课间在走廊上跳望远方,此时晶状体变 (选填“厚”或“薄”),远处的景物在视网膜上成 、 的实像。
51.(2023•单县二模)小明的奶奶得了“老花眼”,但又不方便佩戴眼镜,小明送给奶奶一个放大镜,奶奶借助这个放大镜能够看清楚书上的文字,如图所示,此时奶奶看到的是一个正立、放大的 (选填“实像”或“虚像”)。为了模拟上述现象,小明利用一个焦距为10cm的凸透镜,蜡烛和光具座等器材进行实验,他先将蜡烛固定在光具座上50cm刻线处,如图所示,接下来他应将凸透镜放置在光具座上的A、B、C三点中的 点处,然后再从透镜的 (选填“左”或“右”)侧用眼睛观察蜡烛烛焰的像,该像 (选填“能”或“不能”)用光屏承接到。
52.(2021•利津县一模)验钞机能检验人民币的真伪,它的原理是利用了 能使荧光物质发光;在森林中游客如果随地丢弃装水的透明圆形饮料瓶,可能会引起森林火灾,这是因为饮料瓶相当于 镜,它能使太阳光会聚。
53.(2022•广饶县三模)某同学在“探究凸透镜成像规律”的实验中,绘制了如图所示的图象(v表示像到凸透镜的距离,u表示物体到凸透镜的距离),用该凸透镜作放大镜使用时,被观察的物体到透镜的距离在 cm以内;把物体远离凸透镜,为了使像再次呈现在光屏上,光屏应该 (选填“靠近”或“远离”)凸透镜。
三.实验探究题(共7小题)
54.(2021•平原县模拟)在“探究凸透镜成像的规律”的实验中,小明利用如图所示的装置进行实验,他先调整烛焰中心、透镜中心及光屏中心位于同一高度上,然后将它们调节到图示位置时,光屏上得到清晰的像。
(1)此时像的特点是 (说明像的“倒正、大小和虚实”)。
(2)若保持透镜位置不动,把蜡烛移到零刻度处,则应向 (选填“左”或“右”)移动光屏才能在光屏上再次得到清晰的像,且像的大小 (选填“变大”、“变小”或“不变”)。
(3)人的眼睛是通过改变晶状体的厚度来看清远近不同物体的,现将图中虚线圆圈部分当做是人的“眼睛”,当蜡烛远离“眼睛”时,“眼睛”需调节凸透镜的厚度使其 (选填“变薄”或“变厚”),改变其对光线的偏折能力,从而在光屏上成清晰的像。若该“眼睛”无法调节凸透镜达到应有的厚度,则该“眼睛”为 (选填“近视眼”或“远视眼”),应该佩戴正确的透镜进行矫正。
55.(2023•莱阳市模拟)请根据“探究凸透镜成像规律”的实验回答以下问题:
(1)小明在光具座上调整凸透镜、光屏和烛焰,使它们的中心不在同一高度,但是在同一条直线上,这样 (选填“也可能”或“不可能”)使像成在光屏中央,但是小华认为必须让凸透镜、光屏和烛焰中心在同一高度才有利于多次实验,小华的理由是 。
(2)为了确定凸透镜的焦距,小华同学让一束平行光射向凸透镜,移动光屏,直到在光屏上会聚成一点,如图甲所示,则该凸透镜的焦距为 cm,小明测量并绘制出物距u和像距v关系图象如图乙所示,也得到了该透镜的焦距。请说明小明得到焦距的理论依据是什么?
(3)当蜡烛、凸透镜和光屏按如图丙所示的位置放置时,光屏上得到清晰的像,则:
①生活中 (选填“照相机”、“投影仪”或“放大镜”)就是应用了这个成像规律。若要使光屏上的像变得再大些,在不改变凸透镜位置的情况下,应如何调整蜡烛和光屏的位置来得到符合要求的清晰的像?
②若保持蜡烛和光屏的位置不动,只需将凸透镜移动到 cm的刻度处,又可在光屏上成清晰的像,此时成像的特点是 。
③保持三个元件位置不动,仅将原凸透镜更换为一个焦距较小的凸透镜后,为了使光屏上再次得到清晰的像,可以在蜡烛和凸透镜之间放置一个 (选填“凸”或“凹”)透镜。
(4)小红在实验中将蜡烛从略大于一倍焦距处逐渐远离凸透镜,该过程中物距u随时间t的图象如图丁所示,则像距v与t的大致变化关系为图戊中的 。
56.(2021•任城区校级二模)小莉探究凸透镜成像规律,实验装置图如图所示:
(1)小莉同学做实验时,发现烛焰在光屏上的像偏高,若要使烛焰成像在光屏中心,只调节凸透镜,应将凸透镜向 (上/下)调节;
(2)将蜡烛、凸透镜、光屏按如图所示的位置放置,在光屏上正好成清晰的像,该成像规律在实际生活中的应用是 (选填:“照相机”、“投影仪”或“放大镜”);
(3)在蜡烛和凸透镜之间放一个近视眼镜,为了使光屏上重新出现清晰的像,光屏应向 移动(左/右)。
(4)小莉将点燃的蜡烛放在某处,发现无论怎样移动光屏,在光屏中心只能看到一个大小不变的圆形光斑,你认为可能出现的原因应该是 。
57.(2022•滨州一模)在探究凸透镜成像规律时,如图甲所示,将A凸透镜固定在光具座上35cm刻度线处,将点燃的蜡烛放置在光具座上5cm刻度线处,移动光屏,使烛焰在光屏上成清晰的像,由A凸透镜成像中物距和像距的变化关系画出图象如图乙所示;接着保持蜡烛的位置不变,将凸透镜A换为凸透镜B并保持位置不变,移动光屏,使烛焰在光屏上成清晰的像,如图丙所示。
(1)请根据上述实验现象和凸透镜成像规律判断;凸透镜A的焦距是 cm,凸透镜A的焦距 (填“大于”“小于”或“等于”)凸透镜B的焦距。
(2)在图甲中,保持凸透镜位置不动,把蜡烛向右移动5cm,要想在光屏上再次得到清晰的像,应该把光屏向 (填“左”或“右”)移动一段距离,像将 (填“变大”“变小”或“不变”)。
(3)图丙所示的实验现象可以说明 (填“照相机”“幻灯机”或“放大镜”)的成像特点;若将远视眼镜放在蜡烛与凸透镜之间,光屏上原来清晰的像变模糊了,若保持凸透镜和蜡烛的位置不动,应使光屏 (填“靠近”或“远离”)凸透镜,才能在光屏上再次看到烛焰清晰的像。
(4)当光屏上出现烛焰清晰的像时,如果用遮光板挡住透镜的上半部分,我们观察光屏时,将会在光屏上看到 。
A.烛焰像的下半部分
B.烛焰像的上半部分
C.烛焰完整的像,像的亮度变暗
D.烛焰完整的像,像的亮度不变
58.(2022•武城县校级模拟)在探究凸透镜成像规律的实验中,小王同学所在的实验小组画出了如图甲所示的物距u和像距v对应关系图像。
(1)小王实验小组所用凸透镜的焦距是 cm;
(2)他们认真总结了凸透镜成像的规律,发现在图乙中左边的蜡烛通过凸透镜不可能形成的像是 (选填“A、B、C、D”中的一个选项);
(3)小组中小李同学,把自己的眼镜放在了蜡烛和凸透镜之间,如图丙,发现光屏上的像变模糊了,小李将光屏远离凸透镜移动时,像又变清晰了,他戴的是 眼镜。小组同学讨论,如果开始放上眼镜后,不移动光屏和凸透镜,只移动蜡烛,要想在光屏上成清晰的像,应将蜡烛 凸透镜(选填“远离”或“靠近”)。
59.(2023•宁津县三模)小莉同学用焦距为10cm的凸透镜做“探究凸透镜成像的规律”实验:
(1)实验过程中,当蜡烛与凸透镜的距离如图甲所示时,在光屏上可得到一个清晰的倒立、 的实像,若保持蜡烛和光屏位置不变,移动透镜至 cm刻度线处,光屏上能再次呈现清晰的像。
(2)如图乙所示,保持蜡烛位置不变,移动透镜至16cm刻度线处,则人眼在 (填“A、B、C”)处能观察到蜡烛的像,像是如图丙中的 (填“1、2、3、4”)。
(3)实验完成之后,小莉把自己的近视眼镜放在蜡烛与凸透镜之间,光屏上原来清晰的像变得模糊了,若想在光屏上重新得到清晰的像,在不改变蜡烛和凸透镜位置的情况下,应将光屏 凸透镜。(填“靠近”或“远离”)
60.(2023•平邑县二模)用如图所示装置模拟人眼成像情况,此时烛焰在光屏上成清晰的像。
(1)实验前,调节蜡烛、凸透镜和光屏高度时,应 (填“点燃”或“不点燃”)蜡烛。
(2)实验所用凸透镜的焦距为10cm,则图中蜡烛离凸透镜的距离可能为 (选填序号)。
A.30cm
B.20cm
C.15cm
(3)当蜡烛远离凸透镜时,应将光屏向 (填“左”或“右”)调节才能承接到烛焰清晰的像。
(4)保持蜡烛和凸透镜的位置不变,将光屏向右移动一小段距离,此时相当于 (选填“近视眼”或“远视眼”)患者的视物情况。
2024年山东中考物理模拟题分类---透镜及其应用
参考答案与试题解析
一.选择题(共30小题)
1.(2023•临沂模拟)如图所示,让一束平行光经过一凸透镜,在光屏上得到一个最小、最亮的光点,小明用此透镜做“探究凸透镜成像规律”的实验,下列说法不正确的是( )
A.当物体距透镜8cm时,成正立的像
B.当物体距透镜16cm时,成倒立、放大的实像
C.当物体从距透镜20cm处远离透镜的方向移动时,所成的像逐渐变小
D.当物体从距透镜20cm处靠近透镜移动时,要得到清晰的像应使光屏靠近透镜
【考点】探究凸透镜成像的规律.
【专题】定性思想;探究型实验综合题.
【答案】D
【分析】探究凸透镜的成像规律,对于一倍焦距,大于一倍焦距小于二倍焦距、大于二倍焦距这三个点,所成的像应该熟练掌握。从图上应该准确的判断出凸透镜的焦距(一倍焦距)。
【解答】解:由图可知,凸透镜的焦距为10cm;
A、当物体距透镜8cm时,物距小于一倍焦距,成正立放大的虚像,故A正确;
B、当物体距透镜16cm时,物距大于一倍焦距小于二倍焦距,成倒立放大的实像,故B正确;
C、物距大于二倍焦距成倒立缩小实像,当物体从距透镜20cm处远离透镜的方向移动时,所成的像逐渐变小,故C正确;
D、物距大于二倍焦距时,要成清晰的像,光屏应该远离透镜,故当物体从距透镜20cm处靠近透镜移动时,要得到清晰的像应使光屏远离透镜,故D错误。
故选:D。
【点评】本题考查是凸透镜的成像规律,从图中可得出,凸透镜的焦距为10cm,对于一倍焦距,大于一倍焦距小于二倍焦距、大于二倍焦距这三个点所成的像,应该熟练掌握,这样对题目中所给出的答案就能准确判断。
2.(2021•曹县模拟)如图,宇航员王亚平在太空舱中利用失重状态制成了一个完美的水球,我们透过水球也可以看到她的“脸”,通过观察我们可以判断,此时她的脸到水球的距离( )
A.小于一倍焦距
B.大于一倍焦距,小于两倍焦距
C.等于两倍焦距
D.大于两倍焦距
【考点】凸透镜成像规律的其他应用.
【专题】应用题;定性思想;透镜及其应用.
【答案】D
【分析】根据凸透镜成实像时,物距大于2倍焦距,成倒立缩小的实像来解答此题。
【解答】解:图中所成的像为倒立、缩小的实像,水球具有中间厚,边缘薄的特点,因此水球相当于一个凸透镜,此时王亚平到水球的距离与水球焦距的关系是大于2倍焦距,故D正确。
故选:D。
【点评】本题考查凸透镜成像的规律以及物距、像距和像之间的关系,比较简单,属于基础知识。
3.(2023•莱芜区一模)如图所示是蜡烛通过凸透镜在光屏上的成像情况,以下器材中利用这一成像原理的是( )
A.放大镜B.幻灯机C.潜望镜D.照相机
【考点】凸透镜成像规律的其他应用.
【专题】应用题;透镜及其应用;应用能力.
【答案】D
【分析】根据物距和焦距的关系,或根据物距和像距的关系,都能判断凸透镜的成像性质,然后根据凸透镜成像性质判断凸透镜的应用。
【解答】解:由图知,u>v,凸透镜成倒立、缩小的实像,照相机是根据这个原理制成的。
故选:D。
【点评】根据物距和焦距、像距的关系,判断凸透镜成像性质和应用,是比较常用的方法。
4.(2023•博山区一模)用图甲所示的装置测出凸透镜的焦距,并“探究凸透镜成像规律”,当蜡烛、透镜、光屏位置如图乙时,在光屏上可成清晰的像。下列说法正确的是( )
A.凸透镜的焦距是30cm
B.实验中凸透镜对光具有发散作用
C.图乙中烛焰成的是倒立放大的像
D.照相机成像特点与图乙中所成像的特点相同
【考点】探究凸透镜成像的规律.
【专题】应用题;透镜及其应用;应用能力.
【答案】D
【分析】(1)根据凸透镜对光线的折射作用知:平行于主光轴的光线经凸透镜折射后将过焦点,然后可知其焦距;
(2)然后结合凸透镜成像规律的表格分析判断:
(3)凸透镜成实像时,物近像远像变大,物远像近像变小。
【解答】解:AB、由图可知此透镜对光具有会聚作用,焦距为30.0cm﹣20.0cm=10.0cm,故A、B错误;
CD、图乙中,物距大于二倍焦距,由凸透镜成像规律可知,烛焰成的是倒立、缩小的实像,根据这个原理制成了照相机,故C错误,D正确。
故选:D。
【点评】本题主要考查了测量焦距的方法和凸透镜的成像规律。凸透镜成实像时如果物距变小,那么像距变大,像的大小也变大,凸透镜成虚像时,如果物距变小,那么像距变小,像的大小也变小。
5.(2023•牟平区校级一模)如图所示,当我们看远处物体时,远处物体的光线正好聚焦在视网膜上。当我们从看远处物体改为看近处物体时(一般不小于10cm),为了使近处物体成像在视网膜上,晶状体凸度和焦距的变化情况分别是( )
A.晶状体凸度变小,焦距变短
B.晶状体凸度变小,焦距变长
C.晶状体凸度变大,焦距变短
D.晶状体凸度变大,焦距变长
【考点】眼睛及其视物原理.
【专题】应用题;透镜及其应用;应用能力.
【答案】C
【分析】眼睛的晶状体是一个焦距可调凸透镜,眼睛通过睫状体来改变晶状体的凸度:当睫状体放松时,晶状体凸度变小,远处物体射来的光刚好会聚在视网膜上,眼睛可以看清远处的物体;当睫状体收缩时,晶状体凸度变大,对光的偏折能力变大,近处物体射来的光会聚在视网膜上,眼睛就可以看清近处的物体;凸透镜成实像时,物距变小,像距变大。
【解答】解:当我们从看远处物体改为看近处物体时(一般不小于10cm),此时的物距变小,像距会变大,像成在视网膜的后面,为了使近处物体成像在视网膜上,需要增大眼睛晶状体对光的偏折能力,即要增大晶状体的凸度,使得焦距变短,故C正确。
故选:C。
【点评】该题考查眼睛的成像原理、眼睛的调节,难度不大。
6.(2023•临淄区二模)如图所示是商城收银处设立的手机扫二维码付费图片。下列说法正确的是( )
A.手机摄像头相当于凹透镜
B.手机扫出的是二维码的虚像
C.手机的摄像头可用来矫正远视眼
D.扫描时应将二维码置于摄像头的一倍焦距以内
【考点】凸透镜成像规律的其他应用;远视眼的成因与矫正办法.
【专题】应用题;透镜及其应用;应用能力.
【答案】C
【分析】(1)手机的摄像头相当于凸透镜,照相时物体要位于摄像头的2倍焦距以外;
(2)远视眼可以用凸透镜矫正。
【解答】解:AC、手机摄像头相当于凸透镜,可以用来矫正远视眼,故A错误、C正确;
BD、手机上的摄像头相当于一个照相机,扫描二维码时,二维码要位于2倍焦距以外,扫出的是二维码倒立缩小的实像,故BD错误;
故选:C。
【点评】本题考查凸透镜成像的应用,要掌握二维码生成和识别技术,扫描时注意信息安全问题。
7.(2023•周村区二模)小明用透明塑料盒设计了一个昆虫标本观察器、如图所示。盒底上放标本、盒盖上嵌入一个焦距为15cm的凸透镜。为了在盒盖上方附近,通过凸透镜观察到标本正立、放大的像、盒高h合理的是( )
A.h=12cmB.h=32cmC.h=30cmD.h=18cm
【考点】凸透镜成像规律的其他应用.
【专题】应用题;透镜及其应用;应用能力.
【答案】A
【分析】把小的物体放大便于观察,就是放大镜,放大镜实际上是一个凸透镜,物体放在凸透镜的一倍焦距以内,成正立、放大的虚像。
【解答】解:为了在盒盖上方附近,通过凸透镜观察到标本正立、放大的像,物距应小于焦距,即盒高h小于15cm,故A符合题意。
故选:A。
【点评】此题主要考查凸透镜成像规律的应用,属于基础题。
8.(2022•乳山市模拟)小明同学的奶奶年龄大了,总看不清手机屏幕,需要把手机拿得远远的才能勉强看清,细心的小明在网上帮奶奶购买了一个手机屏幕放大器如图甲,将手机放在支架处,透过透明的屏幕放大器即可看到手机屏幕放大的像,图乙为其观看效果。下列分析不正确的是( )
A.屏幕放大器相当于一个凸透镜
B.透过屏幕放大器看到的像是实像
C.手机放在屏幕放大器的一倍焦距以内
D.小明奶奶戴远视眼镜即可看清近处物体
【考点】凸透镜成像规律的其他应用;远视眼的成因与矫正办法.
【专题】应用题;透镜及其应用;应用能力.
【答案】B
【分析】放大镜的成像特点:物距在一倍焦距内时,凸透镜成放大正立的虚像;近视眼的晶状体较厚,会聚能力较强,看远处的物体时,将像成在视网膜的前面,需戴凹透镜矫正;远视眼的晶状体较薄,会聚能力较弱,看近处的物体时,将像成在视网膜的后面,需戴凸透镜矫正。
【解答】解:
ABC、手机屏幕放大器的实质是一个凸透镜,把手机屏幕放大凸透镜的一倍焦距之内,成正立放大的虚像,故AC正确、B错误;
D、小明的奶奶戴远视眼镜,远视眼镜是凸透镜,能看清近处的物体,故D正确。
故选:B。
【点评】本题考查了凸透镜成正立放大的虚像的特点和规律,难度不大。
9.(2022•莱州市一模)如图所示,小明将凸透镜(f=10cm)固定在光具座40cm的位置,探究凸透镜的成像规律。下列说法正确的是( )
A.蜡烛在图示位置时,向右移动光屏才能在光屏上成清晰的像
B.将蜡烛从图示位置向焦点移动的过程中,像的大小是逐渐变大的
C.将蜡烛放在10cm刻度处,移动光屏,光屏上可得到倒立等大的清晰像
D.当光屏上成清晰像时,在贴近凸透镜左侧的位置放一个远视镜片,则向右移动光屏,光屏上仍能得到清晰的像
【考点】探究凸透镜成像的规律.
【专题】应用题;透镜及其应用;应用能力.
【答案】B
【分析】(1)凸透镜成像的规律及其应用:①当物距u>2f时,2f>v>f,在光屏上得到倒立、缩小的实像,应用于照相机;
②当物距2f>u>f时,v>2f(u<v)在光屏上得到倒立、放大的实像,应用于投影仪;
③当物距u<f时,成正立、放大的虚像,应用于放大镜;
(2)凸透镜成实像时,物近像远像变大;
(3)远视眼镜是凸透镜,对光线具有会聚作用。
【解答】解:A、由图可知,此时物距为35cm,大于二倍焦距,此时像距位于一倍焦距和二倍焦距之间,所以光屏应该左移,故A错误;
B、将蜡烛从图示位置向焦点移动的过程中,物距变小,像会变大,故B正确;
C、将蜡烛放在10cm刻度处,此时物距为30cm,大于二倍焦距,成倒立、缩小的实像,故C错误;
D、当光屏上成清晰像时,在贴近凸透镜左侧的位置放一个远视镜片,远视眼镜是凸透镜,对光线具有会聚作用,所以光屏要左移,故D错误。
故选:B。
【点评】此题考查了学生对凸透镜成像规律的应用,不仅要掌握成像特点与物距、像距的关系,同时要自己做出规律性的总结,如物距变化和像距变化的大小关系。
10.(2022•商河县一模)现代生活,智能手机给人们带来了许多便利,但长时间盯着手机屏幕,容易导致视力下降。如图所示,关于近视眼及其矫正的原理图正确的是( )
A.①③B.②④C.①④D.②③
【考点】近视眼的成因与矫正办法.
【专题】应用题;透镜及其应用;应用能力.
【答案】B
【分析】近视眼是由于晶状体对光线的会聚作用太强,使远处物体射来的光线会聚在视网膜的前方,由此可以确定哪一个图表示了近视眼的成像情况。近视眼配戴凹透镜进行矫正。
【解答】解:
由图知,②图的光线会聚在视网膜的前方,所以②图表示近视眼的成像情况;近视眼是由于晶状体焦距太短,像落在视网膜的前方,为了使光线会聚在原来会聚点后面的视网膜上,就需要在光线进入人眼以前发散一些,所以应佩戴对光线具有发散作用的凹透镜来矫正,则④图是近视眼的矫正原理图。
故选:B。
【点评】本题的四个图分别表示了远视眼和近视眼的成因与矫正的光路图。明确近视眼与远视眼的成因是解决此题的关键。
11.(2022•历下区三模)如图所示,航天员王亚平两次授课,水球实验精彩连连,主要应用的光学知识是( )
A.光的直线传播B.光的反射
C.光的折射D.光的色散
【考点】凸透镜成像规律的其他应用.
【专题】应用题;透镜及其应用;应用能力.
【答案】C
【分析】水球具有中间厚,边缘薄的点,因此水球相当于一个凸透镜,当物体在两倍焦距以外时成倒立,缩小的像;中间的气泡和周围的水,组成了一个凹透镜,凹透镜成正立缩小的虚像。
【解答】解:水球具有中间厚,边缘薄的点,因此水球相当于一个凸透镜,当物体在两倍焦距以外时成倒立,缩小的像。中间的气泡和周围的水,组成了一个凹透镜,凹透镜成正立缩小的虚像,所以两种情况都是光的折射现象。
故选:C。
【点评】本题考查凸透镜成像规律,掌握凸透镜成像规律并能灵活运用分析实际问题。
12.(2021•肥城市模拟)阳阳用凸透镜自制了一台照相机,给小红(如图甲所示)拍照时,在光屏上出现的如图乙所示的像,为了使像呈现在光屏中央,阳阳可以进行的操作是( )
A.将照相机往右下方平移B.将照相机往右上方平移
C.将照相机往左下方平移D.将照相机往左上方平移
【考点】凸透镜成像规律的其他应用.
【专题】应用题;透镜及其应用;应用能力.
【答案】D
【分析】根据凸透镜成倒立的实像以及过凸透镜光心的光线不改变传播方向进行分析。
【解答】解:照相机成倒立、缩小的实像,由图可知,此时的像成在了光屏的右下方,根据过凸透镜光心的光线不改变传播方向可知,此时应将照相机往左上方平移,像才能成在光屏的中央。
故选:D。
【点评】此题考查凸透镜成像的规律及特点的应用,难度不大。
13.(2021•临沂模拟)小明同学在探究凸透镜成像规律时,把蜡烛和凸透镜固定在如图所示位置,移动光具座上的光屏得到一清晰像(光屏未画出),则该透镜的焦距可能是( )
A.10cmB.20cmC.30cmD.40cm
【考点】探究凸透镜成像的规律.
【专题】应用题;透镜及其应用;分析、综合能力.
【答案】A
【分析】根据凸透镜成像的三种情况进行判断:u>2f,成倒立、缩小的实像,此时f<v<2f;2f>u>f,成倒立、放大的实像,此时v>2f;u<f,成正立、放大的虚像。
【解答】解:A、如凸透镜的焦距为10cm,则此时物距大于二倍焦距,像距位于一倍焦距和二倍焦距之间,即像出现在光具座70~80cm之间,故A符合题意;
B、如凸透镜的焦距为20cm,则此时的物距位于一倍焦距和二倍焦距之间,像距应大于二倍焦距,即大于40cm,像出现在光具座100cm以外,所以在光具座上移动光屏,不能得到清晰的像,故B不符合题意;
C、如凸透镜的焦距为30cm,此时的物距等于一倍焦距,不成像,故C不符合题意;
D、如凸透镜的焦距为40cm,此时的物距小于一倍焦距,成正立放大的虚像,虚像不能用光屏承接,故D不符合题意。
故选:A。
【点评】此题考查了凸透镜成像规律的探究及应用,关键是熟记成像规律的内容,并做到灵活运用。
14.(2021•泰安一模)在探究“凸透镜成像的规律”实验中,光具座上各元件位置如图所示,此时在光屏上恰好成一个清晰的像。则下列说法正确的是( )
①凸透镜的焦距可能是6cm
②利用这一原理制成了照相机
③若将蜡烛远离凸透镜,则应将光屏靠近凸透镜才能得到清晰的像,且像逐渐变小
④若保持凸透镜位置不变,将蜡烛和光屏的位置互换,会在光屏上成一个清晰倒立、缩小的像
A.只有①②正确B.只有③④正确
C.只有①③正确D.只有②③④正确
【考点】探究凸透镜成像的规律.
【专题】应用题;透镜及其应用;分析、综合能力.
【答案】B
【分析】①②凸透镜成像的规律:
当u>2f时,成倒立、缩小的实像,照相机、摄像机就是根据这个原理制成的;
当2f>u>f时,成倒立、放大的实像,幻灯机、投影仪就是根据这个原理制成的;
当u<f时,成正立、放大的虚像,放大镜就是根据这个原理制成的;
③凸透镜成实像时,物远像近像变小;
④在光的折射现象中,光路可逆。
【解答】解:由图可知,
①蜡烛距离凸透镜15cm时,在透镜的另一侧30cm处光屏上得到一个清晰的像,像距大于物距,成倒立放大的实像,此时物体的位置在一倍焦距和二倍焦距之间,像距距在二倍焦距以外,即2f>15cm>f,30cm>2f;所以15cm>f>7.5cm,所以该凸透镜的焦距不可能是6cm,故①错误;
②此时像距大于物距,此时光屏上成倒立放大的实像,投影仪利用了此原理,故②错误;
③若将蜡烛远离凸透镜时,此时物距变大,像距变小,像变小,故③正确;
④若保持凸透镜位置不变,将蜡烛和光屏的位置互换,此时像距小于物距,成倒立、缩小的实像,故④正确。
所以,正确的是③④。
故选:B。
【点评】此题考查学生的分析能力,关键是掌握凸透镜成像的规律,搞清像距、像的大小与物距之间的关系,能够从图中获取信息,然后利用所学规律分析解答问题,这是考试中常见的题型。
15.(2023•沂源县一模)光制技术是现代半导体集成电路的关键一环,其工作原理如图所示,光源发出强紫外光,调整镂空掩膜版和缩图透镜之间的距离,使光通过二者后,恰好能在硅片上成清晰的缩图像,从而实现纳米级集成电路的“雕刻”,下列说法中正确的是( )
A.缩图透镜是凹透镜
B.此成像原理与投影仪相似
C.在硅片上形成的像是正立的像
D.为使硅片上所成的像更小一些,应将掩膜版远离缩图透镜
【考点】凸透镜成像规律的其他应用.
【专题】应用题;透镜及其应用;应用能力.
【答案】D
【分析】(1)凸透镜对光线具有会聚作用,凹透镜对光线具有发散作用;
(2)凸透镜成像的规律:
当u>2f时,成倒立、缩小的实像,照相机、摄像机就是根据这个原理制成的;
当u=2f时,成倒立、等大的实像;
当f<u<2f时,成倒立、放大的实像,幻灯机、投影仪就是根据这个原理制成的;
当u=f时,不成像,经凸透镜折射后的光线是平行的,没有会聚点;
当u<f时,成正立、放大的虚像,放大镜就是根据这个原理制成的;
(3)凸透镜成实像时的动态变化规律:物近像远像变大,物远像近像变小。
【解答】解:A、根据图示可知,缩图透镜对光线具有会聚作用,所以缩图透镜是凸透镜,故A错误;
BC、要制造出含有众多元件的集成电路,则掩膜上的电路在硅片上成的像应变小,所以可知该凸透镜成倒立、缩小的实像,而投影仪成倒立、放大的实像,则二者的成像原理不同,故BC错误;
D、若将掩膜版靠近缩图透镜,物距变小,像距应变大,为成清晰像,应将硅片远离缩图透镜,故D正确。
故选:D。
【点评】解答此题的关键是掌握凸透镜成像的规律,搞清像距、像的大小与物距之间的关系。
16.(2022•曲阜市一模)小明自制了一个简易投影仪如图,在暗室中将印有冬奥会吉祥物“冰墩墩”的透明胶片,贴在白光的手电筒上,并正对着焦距为10cm的凸透镜。调整手电筒、凸透镜、白色墙壁之间的位置,在墙上得到了一个清晰放大的像,下列说法错误的是( )
A.凸透镜能成放大的像,是因为凸透镜对光线有发散作用
B.手电筒与凸透镜的距离应大于10cm小于20cm,且胶片应倒立放置
C.能从不同角度看到墙上“冰墩墩”的像,是因为光在墙面上发生的是漫反射
D.保持凸透镜位置不变,将手电筒向左移动,要使墙上的像恢复清晰,可在凸透镜前放一个近视镜
【考点】凸透镜成像规律的其他应用;漫反射.
【专题】应用题;光的传播和反射、平面镜成像;透镜及其应用;应用能力.
【答案】A
【分析】(1)凸透镜对光线具有会聚作用;
(2)投影仪的成像原理:f<u<2f,成倒立、放大的实像;
(3)漫反射使我们能从不同角度看到物体;
(4)凸透镜成实像时,物距变大,像距减小,像变小;凹透镜对光线具有发散作用。
【解答】解:A、凸透镜对光线有会聚作用;当物距小于一倍焦距时,凸透镜能成正立、放大的像,当物距在一倍焦距和二倍焦距之间时,凸透镜成倒立、放大的实像,故A错误;
B、因为凸透镜的焦距f=10cm,所以发白光的手电筒上透明冰墩墩胶片,到凸透镜的距离应满足10cm<u<20cm,才能成倒立放大的实像,而且冰墩墩胶片应倒立放置,故B正确;
C、光在墙面上发生的是漫反射,反射光线向各个方向传播,能从不同角度看到墙上冰墩墩的像,故C正确;
D、保持凸透镜位置不变,将手电筒向左移动,物距变大,像距变小,由于凹透镜对光线具有发散作用,要使墙上的像恢复清晰,可在凸透镜前放一个凹透镜,凹透镜可以矫正近视眼,故D正确。
故选:A。
【点评】本题主要考查了凸透镜成像的规律、光的反射现象在生活中的应用,属于中档题。
17.(2022•莱西市模拟)在“探究凸透镜成像的规律”实验中,光具座上各元件位置如图所示,此时在光屏上恰好成一个清晰的像,则下列说法正确的是( )
①利用这一原理制成了投影仪
②该透镜的焦距f一定满足7.5cm<f<15cm
③若将蜡烛稍稍靠近凸透镜,则应将光屏远离凸透镜才能得到清晰的像
④若将光屏与凸透镜间放一个近视眼镜,应把蜡烛稍稍靠近凸透镜才能得到清晰的像
⑤若保持凸透镜位置不变,将蜡烛和光屏的位置互换,会在光屏上成一个清晰倒立、缩小的像
A.只有①②⑤B.只有①③④C.只有②③D.只有②③④
【考点】探究凸透镜成像的规律.
【专题】实验题;透镜及其应用;应用能力.
【答案】C
【分析】(1)凸透镜成像的规律:
当u>2f时,成倒立、缩小的实像,照相机、摄像机就是根据这个原理制成的;
当2f>u>f时,成倒立、放大的实像,幻灯机、投影仪就是根据这个原理制成的;
当u<f时,成正立、放大的虚像,放大镜就是根据这个原理制成的;
(2)成实像时的动态变化规律是:物近像远像变大,物远像近像变小;
(3)近视眼镜是凹透镜,凹透镜对光线有发散作用。
【解答】解:由图可知,
①物距大于像距,u>2f,2f>v>f,此时光屏上成倒立缩小的实像,照相机利用了此原理,故①错误;
②蜡烛距离凸透镜50.0cm﹣20.0cm=30.0cm时,在透镜的另一侧65.0cm﹣50.0cm=15.0cm处光屏上得到一个清晰的像,物距大于像距,成倒立缩小的实像;此时像的位置在一倍焦距和二倍焦距之间,物距在二倍焦距以外,即2f>15.0cm>f,30.0cm>2f;所以15.0cm>f>7.50cm,故②正确;
③凸透镜成实像时的动态变化规律是:物远像近像变小,则若将蜡烛靠近凸透镜,则应将光屏远离凸透镜才能得到清晰的像,且像逐渐变大,故③正确;
④近视眼镜是凹透镜,对光线有发散作用。若将光屏与凸透镜间放一个近视眼镜,凸透镜会聚作用减弱,像距增大,所以应把蜡烛稍稍远离凸透镜才能让像距减小,从而在光屏上得到清晰的像,故④错误;
⑤若保持凸透镜位置不变,将蜡烛和光屏的位置互换,此时2f>u>f,成倒立、放大的实像,故⑤错误;
所以,正确的只有②③。
故选:C。
【点评】此题考查学生的分析能力,关键是掌握凸透镜成像的规律,搞清像距、像的大小与物距之间的关系,能够从图中获取信息,然后利用所学规律分析解答问题,这是考试中常见的题型。
18.(2022•金乡县二模)在“探究凸透镜成像规律”的实验中,同学们选用多个LED灯制成字母“F”作为实验光源,用标有格子的白色板做成光屏进行实验探究,如图所示,凸透镜的焦距为10cm,此时恰能在光屏上成一个清晰的像,则下列说法正确的是( )
A.将图中的光源和光屏对换,可在光屏上得到清晰、放大的实像
B.用焦距为12cm的凸透镜替换图中凸透镜,只向右移动光屏,就可得到清晰的像
C.将图中光源“F”向右移动5cm,再向右移动光屏得到清晰的像,这是投影仪的原理
D.在图中贴近凸透镜右侧放置镜片,只向左移动光屏能得到清晰的像,该镜片是近视镜
【考点】探究凸透镜成像的规律.
【专题】光的传播和反射、平面镜成像;科学探究能力.
【答案】D
【分析】(1)在光的折射现象中,光路可逆;
(2)根据凸透镜成像的三种情况进行判断:u>2f,成倒立、缩小的实像,应用为照相机;2f>u>f,成倒立、放大的实像,应用为u<f,成正立、放大的虚像;
(3)换用焦距较大的凸透镜,相当于减小物距;
(4)凸透镜具有会聚作用,凸透镜用于远视镜中,近视镜是凹透镜,对光线具有发散作用。
【解答】解:A、由图可知,此时物距为15cm,此时2f>u>f,成倒立、放大的实像,由于在光的折射现象中,光路可逆,如将蜡烛和光屏的位置互换,透镜仍可在上述两位置成像,但是成像的大小正好与原先相反,即为倒立、缩小的实像,故A错误;
B、用焦距为12cm的凸透镜替换图中凸透镜,焦距变大,相当于减小物距,由于凸透镜成实像时,物近像远像变大,所以需要增大像距,即将光屏向左移动,故B错误;
C、将图中光源“F”向右移动5cm,此时物距为20cm,等于2倍焦距,成倒立、等大的实像,不是投影仪的应用,故C错误;
D、在图中贴近凸透镜右侧放置镜片,向左移动光屏能得到清晰的像,说明此时像距变大,所以使用的是具有会聚作用的凹透镜,凹透镜用于近视镜中,故D正确。
故选:D。
【点评】凸透镜成像的三种情况和应用是凸透镜成像习题的重要依据,一定要熟练掌握。
19.(2021•新泰市校级一模)在“探究凸透镜成像的规律”实验中,光具座上各元件位置如图所示,此时在光屏上恰好成一个清晰的像,则下列说法正确的( )
①利用这一原理制成了投影仪;
②该透镜的焦距f一定满足7.5cm<f<15cm;
③若将蜡烛稍稍靠近凸透镜,则应将光屏远离凸透镜才能得到清晰的像;
④若保持凸透镜位置不变,将蜡烛和光屏的位置互换,会在光屏上成一个清晰倒立、缩小的像。
A.只有②③B.只有①②C.只有③④D.只有②③④
【考点】探究凸透镜成像的规律.
【专题】应用题;透镜及其应用;应用能力.
【答案】A
【分析】凸透镜成像的规律:
当u>2f时,成倒立、缩小的实像。照相机、摄像机就是根据这个原理制成的;
当u=2f时,成倒立、等大的实像;
当2f>u>f时,成倒立、放大的实像。幻灯机、投影仪就是根据这个原理制成的;
当u=f时,无像。经凸透镜折射后的光线是平行的,没有会聚点;
当u<f时,成正立、放大的虚像。放大镜就是根据这个原理制成的;
成实像时的动态变化规律是:物近像远像变大,物远像近像变小。
【解答】解:①由图可知,物距大于像距,u>2f,2f>v>f,此时光屏上成倒立缩小的实像,照相机利用了此原理。故①错误;
②蜡烛距离凸透镜30cm时,在透镜的另一侧15cm处光屏上得到一个清晰的像,物距大于像距,成倒立缩小的实像;此时像的位置在一倍焦距和二倍焦距之间,物距在二倍焦距以外,即2f>15cm>f,30cm>2f;所以15cm>f>7.5cm,故②正确;
③凸透镜成实像时的动态变化规律是:物远像近像变小,则若将蜡烛靠近凸透镜,则应将光屏远离凸透镜才能得到清晰的像,且像逐渐变大,故③正确;
④若保持凸透镜位置不变,将蜡烛和光屏的位置互换,此时2f>u>f,成倒立、放大的实像,故④错误;
故选:A。
【点评】此题考查学生的分析能力,关键是掌握凸透镜成像的规律,搞清像距、像的大小与物距之间的关系,能够从图中获取信息,然后利用所学规律分析解答问题,这是考试中常见的题型。
20.(2021•安丘市一模)一个物体到凸透镜的距离为30cm时,在光屏上得到一个缩小的实像,如果把物体沿凸透镜主光轴移动到距离凸透镜20cm处,则成像的情况是( )
A.放大的实像B.缩小的实像
C.等大的实像D.三种情况都可能
【考点】物距、像距、焦距与成像性质的关系.
【专题】应用题;透镜及其应用;应用能力.
【答案】D
【分析】掌握凸透镜成像的规律,根据当物距大于2倍焦距时,成倒立的缩小的实像的特点判断出凸透镜的焦距;根据物距的大小判定成像的性质。
【解答】解:物体到凸透镜的距离为30cm时,在光屏上得到一个等大的实像,则2f<30cm,f<15cm;
如果把物体沿凸透镜主光轴移动到距离凸透镜20cm处,20cm大于焦距,可能小于二倍焦距,也可能大于二倍焦距,还可能等于二倍焦距,故可能成放大的实像、等大的实像、缩小的实像,故D正确。
故选:D。
【点评】此题考查了凸透镜成像规律的应用,要熟练掌握凸透镜成像特点与物距、像距的关系,做到灵活应用。
21.(2022•泰安一模)如图所示为探究“凸透镜成像规律”的实验装置,凸透镜在光具座上50cm刻度线处固定不动。将蜡烛和光屏移至光具座上如图所示位置时,烛焰在光屏上成清晰的倒立缩小的像,下列说法中( )
①凸透镜焦距f<10cm
②烛焰在该处成像特点与照相机成像原理相同
③在烛焰与透镜间放置近视镜片,向右移动光屏,在光屏上能再次成清晰的像
④将蜡烛从该位置向左移动5cm,向左移动光屏,在光屏上成的清晰的像变大
A.只有②③正确B.只有①④正确
C.只有①②③正确D.只有②③④正确
【考点】探究凸透镜成像的规律.
【专题】透镜及其应用;应用能力.
【答案】A
【分析】①②u>v,成倒立、缩小的实像,成像特点与照相机成像原理相同;根据u>2f,f<v,可得出凸透镜的焦距范围;
③近视镜片为凹透镜,对光线有发散作用;
④凸透镜成实像时,物距越大、像距越小、像越小。
【解答】解:②此时u>v,成倒立、缩小的实像,成像特点与照相机成像原理相同,故②正确;
①从图中可知u=50cm﹣10cm=40cm,v=74cm﹣50cm=24cm,则40cm>2f,f<24cm<2f,
故12cm<f<20cm,故①错误;
③在烛焰与透镜间放置近视镜片,近视镜片为凹透镜,对光线有发散作用,故向右移动光屏,在光屏上能再次成清晰的像,故③正确;
④凸透镜成实像时,物距越大、像距越小、像越小,将蜡烛从该位置向左移动5cm,物距变大,故可向左移动光屏,在光屏上成的清晰的像变小,故④错误。
故选A。
【点评】本题考查了凸透镜成像规律及特点的应用,理解凸透镜成像的规律是关键。
22.(2022•泰山区三模)如图,移动支付迅猛发展的时代,扫码支付逐渐普及。用手机扫码支付的过程中,下列说法正确的是( )
A.商店里贴在墙上的二维码是光源
B.二维码要位于镜头一倍焦距以内
C.二维码通过镜头成倒立、缩小实像
D.手机远离二维码时,所成的像会变大
【考点】凸透镜成像规律的其他应用;光源.
【专题】透镜及其应用;应用能力.
【答案】C
【分析】(1)能发光的物体称为光源;
(2)手机镜头相当于凸透镜,凸透镜成像时,物距u>2f,成倒立缩小的实像,应用是照相机;
(3)凸透镜成实像的规律:物远像近像小。
【解答】解:A、二维码本身不发光,不是光源,故A错误;
BC、使用手机的摄像功能时,物距大于二倍焦距,成倒立、缩小的实像,所以二维码位于摄像头的两倍焦距以外,故B错误、C正确;
D、手机镜头远离二维码时,物远像近像变小,故所成的像会变小,故D错误。
故选:C。
【点评】本题考查了光源和凸透镜成像的特点,虽知识点多、综合性强,但都属于基础难度不大。
23.(2022•兰山区一模)冬奥媒体中心有一种“打盹儿神器”——睡眠休息舱。如图所示,只要用手机扫描休息舱的二维码,相当于给二维码拍了一张照片,就可以打开舱门进入休息舱休息。下列相关说法中正确的是( )
A.休息舱上的二维码是光源
B.二维码位于手机摄像头的二倍焦距以外
C.此时手机摄像头成像原理与放大镜相同
D.当二维码超出手机上设定的方框时,应把手机靠近二维码
【考点】凸透镜成像规律的其他应用;光源.
【专题】应用题;光的传播和反射、平面镜成像;透镜及其应用;应用能力.
【答案】B
【分析】(1)自身能发光的物体称为光源。
(2)手机摄像头的镜头是凸透镜,是利用物体在2倍焦距以外,像成在另一侧的1倍焦距和2倍焦距之间,成倒立缩小实像的原理工作的。凸透镜成实像时,有“物远像近像变小”的动态变化规律。
【解答】解:A、本身能够发光的物体叫做光源,二维码本身不发光,所以二维码不是光源,故A错误;
B、给二维码拍照片时,手机摄像头相当于照相机,成倒立、缩小的实像,此时物距大于二倍焦距,则二维码位于摄像头的二倍焦距之外,故B正确;
C、放大镜成正立、放大的虚像,而手机摄像头成倒立、缩小的实像,两者的成像原理不相同,故C错误;
D、二维码超出手机上设定的方框,说明所成的像太大,应使像变小一些,需增大物距,减小像距,所以应把手机远离二维码,故D错误。
故选:B。
【点评】此题考查了凸透镜成像规律的应用,关键要明确凸透镜成实像时,有“物远像近像变小”的动态变化规律。
24.(2023•莱阳市模拟)对下列光现象的说法错误的是( )
A.图甲,在太阳光下能把火柴点燃的是凸透镜
B.图乙,沿着看见鱼的方向去叉却叉不到鱼,是由于光的折射造成的
C.图丙,建筑物的倒影是光的折射现象
D.图丁,小孔成像实验中所成的像是实像
【考点】凸透镜的会聚作用;光在均匀介质中直线传播;光的反射现象;光的折射现象及其应用.
【专题】应用题;光的传播和反射、平面镜成像;应用能力.
【答案】C
【分析】(1)能在阳光下将火柴点燃,说明该光学元件对光具有会聚作用,据此判断;
(2)水中物体的光斜射到水面上,进入空气中时会发生折射现象,折射光线远离法线,逆着折射光线就能看见水中物体的虚像;
(3)倒影属于平面镜成像,其原理是光的反射;
(4)小孔成像依据光的直线传播原理,成倒立的实像,像可能放大可能缩小。
【解答】解:A、凸透镜对光线有会聚作用,因此在太阳光下能把火柴点燃的是凸透镜,故A正确;
B、斜射到水面的光会发生折射现象,渔民看到的水中鱼就是由于光的折射形成的鱼的虚像;所以沿着看见鱼的力向却叉不到是由于光的折射引起的,故B正确;
C、建筑物的倒影属于平面镜成像,是光的反射现象,故C错误;
D、小孔成的像是由实际光线形成的,可以用光屏接收到,所成的像是实像,故D正确。
故选:C。
【点评】本题考查了凸透镜的会聚作用、光的直线传播、光的反射和折射,都是基础知识,难度不大。
25.(2023•岱岳区三模)做凸透镜成像实验时,将光具座上的蜡烛、凸透镜、光屏如图放置,光屏上呈现清晰的像。下列说法正确的是( )
A.该凸透镜的焦距大于10cm
B.光屏上的像是倒立放大的
C.若在凸透镜与蜡烛之间“戴上”近视镜,光屏向左移动才能找到清晰的像
D.只将凸透镜向左移到适当位置,就可以在光屏上得到清晰放大的像
【考点】探究凸透镜成像的规律.
【专题】实验题;透镜及其应用;实验基本能力.
【答案】D
【分析】(1)u>v,且成实像,说明u=20cm>2f,2f>v=15cm>f,由此可得焦距的范围;
(2)根据凸透镜成实像时,物距大于像距,成倒立、缩小的实像;
(3)近视镜是凹透镜,凹透镜对光线具有发散作用;
(4)在光的折射中,光路是可逆的。
【解答】解:A、由图可知,u>v,且成实像,说明u=20cm>2f,2f>v=15cm>f,即10cm>f>7.5cm,故A错误;
B、由图可知,此时物距大于像距,根据凸透镜成实像时,物距大于像距,成倒立、缩小的实像,故B错误;
C、若在凸透镜与蜡烛之间“戴上”近视镜,近视镜是凹透镜,凹透镜对光线具有发散作用,会将光线推迟会聚成像,光屏向右移动才能找到清晰的像,故C错误;
D、只将凸透镜向左移到适当位置,若此时物距等于原来的像距,像距等于原来的物距,根据在光的折射中,光路是可逆的,光屏上可以得到清晰的像,由于此时物距小于像距,根据凸透镜成像规律可知,此时像是放大的,故D正确。
故选:D。
【点评】此题考查了凸透镜成像规律的探究及应用,关键是熟记成像规律的内容,并做到灵活运用。
26.(2023•沂源县二模)小明在做“探究凸透镜成像规律”的实验时,将凸透镜固定在光具座上50cm刻度线处,在光屏上得到烛焰清晰的像,如图所示。下列说法中正确的是( )
A.此透镜可作为近视眼镜镜片
B.凸透镜的焦距可能是10cm
C.照相机成像原理与图中成像的原理相同
D.将蜡烛远离凸透镜,应将光屏远离凸透镜才能得到清晰的像
【考点】探究凸透镜成像的规律.
【专题】实验题;透镜及其应用;实验基本能力.
【答案】B
【分析】(1)近视眼镜镜片是凹透镜;
(2)u<v,且成实像,说明2f>u=15cm>f,v=30cm>2f,由此可得焦距的范围;
(3)根据凸透镜成实像时,物距小于像距,成倒立放大的实像,投影仪就是利用此原理制成的;
(4)根据凸透镜成实像时,物远像近像变小分析回答。
【解答】解:A、在“探究凸透镜成像规律”的实验中,所用透镜为凸透镜,而近视眼镜镜片是凹透镜,故A错误;
B、由图可知,u<v,且成实像,说明2f>u=15cm>f,v=30cm>2f,即15cm>f>7.5cm,所以凸透镜的焦距可能是10cm,故B正确;
C、由图可知,此时物距小于像距,根据凸透镜成实像时,物距小于像距,成倒立放大的实像,投影仪就是利用此原理制成的,故C错误;
D、将蜡烛远离凸透镜,此时物距增大,根据凸透镜成实像时,物远像近像变小,可知,应将光屏靠近凸透镜才能得到清晰的像,故D错误。
故选:B。
【点评】此题考查了凸透镜成像规律的探究及应用,关键是熟记成像规律的内容,并做到灵活运用。
27.(2021•费县模拟)人工智能飞速发展的今天,智能配送机器人已被广泛使用,用户可通过人脸识别、输入扫描取货码等多种方式取货。如图是某款机器人正在送货的情景,下列分析不正确的是( )
A.机器人旁边的影子,是光的直线传播造成的
B.行人都能看见机器人,是由于阳光在它表面发生了漫反射
C.用户进行人脸识别时,摄像头所成的像是倒立缩小的实像
D.阳光是由红、绿、蓝三种颜色的光混合而成的
【考点】凸透镜成像规律的其他应用;光在均匀介质中直线传播;漫反射;色光的三原色和色光的混合.
【专题】应用题;光的传播和反射、平面镜成像;应用能力.
【答案】D
【分析】(1)光在同一均匀介质中沿直线传播。光沿直线传播的实例有:小孔成像、激光准直、影子、日食和月食等;
(2)镜面反射和漫反射都遵循光的反射定律;不同点是镜面反射是入射光线是平行光线时,反射到光滑的镜面,又以平行光线出去;漫反射时,入射光线是平行光线时,反射到粗糙的物体,反射光线向各个方向出去。
(3)凸透镜成像时,u>2f,成倒立、缩小的实像,应用于照相机。
(4)太阳光通过三棱镜后发生光的色散现象,太阳光分解为七种单色光,说明太阳光是由各种色光组成。
【解答】解:A、机器人旁边的影子,是光的直线传播形成的,故A正确;
B、行人从各个方向都能看到机器人,是由于阳光在它表面发生了漫反射,故B正确;
C、摄像头的镜头相当于凸透镜,摄像时符合凸透镜成像规律中的:物距大于二倍焦距,所成的像是倒立、缩小的实像,故C正确;
D、太阳光是复色光,是由红、橙、黄、绿、蓝、靛、紫七种色光组成的,故D错误。
故选:D。
【点评】此题是光现象中的综合题,涉及到光的直线传播、镜面反射和漫反射、光的色散、凸透镜成像等;分析时要分清选项是哪类光现象,并深究其成因,就可解答。
28.(2021•岱岳区模拟)蜡烛S、某光学元件K和光屏P按图示位置放置在光具座上,它们的中心在同一水平直线。此时光屏上可观察到烛焰清晰的像,则下列说法中正确的是( )
A.若K是小孔并将光屏向右移动少许,光屏上的像将变模糊
B.若K是凸透镜,则它的焦距满足f>15cm
C.仅需水平移动S、K或P中的一个,即可判断K是否为小孔
D.若K是凸透镜并移至35.0cm刻度线处,光屏上将得到清晰的缩小像
【考点】探究凸透镜成像的规律.
【专题】应用题;光的传播和反射、平面镜成像;透镜及其应用;应用能力;实验基本能力.
【答案】C
【分析】(1)小孔成像光屏向右移动少许,光屏上的像变大,不会模糊;
(2)由图可知,物距大于像距,分析解答;
(3)水平移动S、K或P中的一个,小孔成像只能改变像的大小,如是凸透镜像的大小、清晰度都发生变化;
(4)f<u<2f,光屏上将得到清晰的倒立放大的实像。
【解答】解:A、小孔成像光屏向右移动少许,光屏上的像变大,不会模糊,故A错误;
B、由图可知,物距大于像距,光屏上可观察到烛焰清晰的像,为倒立缩小的实像,
u=50cm﹣20cm=30cm>2f,解得,f<15cm,
v=65cm﹣50cm=15cm,f<15cm<2f,
解得,7.5cm<f<15cm,故B错误;
C、仅需水平移动S、K或P中的一个,小孔成像只能改变像的大小,如是凸透镜像的大小、清晰度都发生变化,故C正确;
D、若K是凸透镜并移至35.0cm刻度线处,此时物距变为15cm,像距为30cm,正好与第一次成像时的物距和像距互换,由光在折射时光路是可逆的可知,此时光屏上将得到清晰的倒立放大的实像,故D错误。
故选:C。
【点评】本题主要考查小孔成像、凸透镜的特点,掌握基础知识可以解答。
29.(2021•阳谷县一模)小明做凸透镜成像规律的实验时,将焦距为f的凸透镜固定在光具座上50cm刻度线处,光屏和点燃的蜡烛分别位于凸透镜两侧,蜡烛放置在25cm刻度线处,如图所示。将光屏移到90cm刻度线处,此时烛焰在光屏上成清晰的像。下列说法中不正确的是( )
A.凸透镜的焦距可能为f=10cm
B.光屏上的像是倒立、放大的实像
C.若将蜡烛和光屏位置互换,仍可在光屏上得到清晰的像
D.该实验现象能说明投影仪的工作原理
【考点】探究凸透镜成像的规律.
【专题】透镜及其应用;应用能力.
【答案】A
【分析】(1)当物距小于像距,成倒立、放大的实像,其应用是投影仪。根据物距和像距求出焦距的大小;
(2)折射现象中光路可逆。
【解答】解:由图知,u=50cm﹣25cm=25cm,v=90cm﹣50cm=40cm,
因为u<v,所以此时成倒立、放大的实像,其应用是投影仪。故B、D正确;
因为光路是可逆的,所以将蜡烛和光屏位置互换,仍可在光屏上得到清晰的像。故C正确;
此时2f>u>f,即2f>25cm>f,所以25cm>f>12.5cm;
v>2f,即40cm>2f,所以f<20cm,
所以20cm>f>12.5cm,即凸透镜焦距不可能是10cm。故A不正确。
故选:A。
【点评】本题考查凸透镜成像原理的实验,关键是熟悉凸透镜成像规律,仔细分析即可。
30.(2021•东平县一模)小明同学做“探究凸透镜成像的规律”的实验,当他把烛焰移到距透镜18cm的位置时,在光屏上观察到倒立放大清晰的像。则该凸透镜焦距可能是( )
A.6cmB.9cmC.12cmD.20cm
【考点】探究凸透镜成像的规律.
【专题】应用题;透镜及其应用;分析、综合能力.
【答案】C
【分析】凸透镜成像时,2f>u>f,成倒立、放大的实像,v>2f。根据物距和焦距的关系判断凸透镜焦距的取值范围。
【解答】解:把烛焰移到距透镜18cm的位置时,得到烛焰倒立放大的像,所以f<u=18cm<2f,解得9cm<f<18cm,所以选项中符合条件的只有12cm。
故选:C。
【点评】根据凸透镜成像的性质,通过物距和焦距或像距和焦距的关系确定凸透镜焦距的取值范围。
知道:u>2f,成倒立、缩小的实像,2f>v>f。2f>u>f,成倒立、放大的实像,v>2f。u<f,成正立、放大的虚像。
二.填空题(共23小题)
31.(2023•聊城三模)倒车影像系统中的摄像头是 凸透 镜,与左右两个后视镜的成像原理 不同 (选填“相同”或“不同”)。
【考点】凸透镜成像规律的其他应用;凸面镜和凹面镜.
【专题】应用题;中考物理专题;透镜及其应用;应用能力.
【答案】凸透;不同
【分析】凸透镜成像规律及其应用之一:物距u>2f时,成倒立缩小的实像,应用是照相机或摄像机。平面镜成像是由光的反射形成的。
【解答】解:摄像头的镜头相当于一个凸透镜,利用的是物距大于二倍焦距时,凸透镜成倒立、缩小的实像,其实质是光的折射现象;左右两个后视镜的成像原理是光的反射现象,两者原理是不同的。
故答案为:凸透;不同。
【点评】本题考查了凸透镜成像的应用、平面镜成像的原理,属于基础题。
32.(2023•枣庄二模)某同学在做探究凸透镜成像规律实验时,蜡烛和光屏的位置如图所示,此时在光屏上得到了倒立、等大、清晰的实像。则凸透镜的焦距是 10.0 cm,接下来把蜡烛移动到35cm刻度处,则应将光屏向 右 (选填“左”或“右”)移动,光屏上才可以得到倒立、 放大 、清晰的实像。
【考点】物距、像距、焦距与成像性质的关系.
【专题】应用题;透镜及其应用;应用能力.
【答案】10.0;右;放大
【分析】(1)根据“物距等于二倍焦距时,成倒立、等大、实像,此时像距也等于二倍焦距”求出焦距;
(2)烛焰移至距凸透镜35cm处,物距大于一倍焦距小于二倍焦距,根据凸透镜成像规律可知成倒立、放大实像。
【解答】解:(1)物距等于二倍焦距时,成倒立、等大、实像,此时像距也等于二倍焦距;故2f=20.0cm,f=10.0cm;
(2)若将烛焰移至距凸透镜35cm处,此时物距大于一倍焦距小于二倍焦距,成倒立、放大实像,像距大于2倍焦距,应向右移动光屏。
故答案为:10.0;右;放大。
【点评】本题考查了凸透镜成像规律的应用,属于基础题。
33.(2023•聊城模拟)同学们佩戴的近视镜是 凹 (选填“凸”或“凹”)透镜;请你说出一种鉴别老花镜镜片度数是否相同的方法: 使平行光分别正对着两个镜片入射,比较它们的焦距大小,若二者相等说明度数相同。因为眼镜的度数和镜片的焦距有关,度数越大,则镜片的焦距越小,对光的偏折程度越大 。
【考点】近视眼的成因与矫正办法;主光轴、光心、焦点和焦距.
【专题】应用题;透镜及其应用;分析、综合能力.
【答案】凹;使平行光分别正对着两个镜片入射,比较它们的焦距大小,若二者相等说明度数相同。因为眼镜的度数和镜片的焦距有关,度数越大,则镜片的焦距越小,对光的偏折程度越大。
【分析】近视镜是凹透镜;老花镜是凸透镜。
鉴别老花镜度数的大小,实际上是鉴别凸透镜焦距的大小,焦距越大,会聚能力越弱,度数越小。
【解答】解:(1)近视镜是凹透镜;
(2)镜片的度数表示对光发散或会聚能力的大小。
使平行光分别正对着两个镜片入射,比较它们的焦距大小,若二者相等说明度数相同。因为眼镜的度数和镜片的焦距有关,度数越大,则镜片的焦距越小,对光的偏折程度越大。
故答案为:凹;使平行光分别正对着两个镜片入射,比较它们的焦距大小,若二者相等说明度数相同。因为眼镜的度数和镜片的焦距有关,度数越大,则镜片的焦距越小,对光的偏折程度越大。
【点评】掌握如何区别凸透镜和凹透镜的应用、凸透镜焦距大小的测定等。
34.(2022•费县二模)盛夏凌晨池塘边草木上的露珠是空气中的水蒸气 液化 形成的。为防止儿童溺水,在池塘边上安装了如图所示的摄像头,其镜头是一个 凸 (选填“凸”或“凹”)透镜,当儿童靠近池塘的过程中,通过镜头所成的实像越来越 大 (选填“大”或“小”)。
【考点】凸透镜成像规律的其他应用;液化及液化的放热特点.
【专题】应用题;透镜及其应用;应用能力.
【答案】液化;凸;大
【分析】(1)露珠是空气中的水蒸气放热形成的液态的水,属于液化现象;
(2)摄像头成倒立、缩小的实像,其镜头是一个凸透镜,根据凸透镜成实像时,物近像远像变大,物远像近像变小可解答此题。
【解答】解:(1)露珠是空气中的水蒸气放热形成的液态的水,属于液化现象;
(2)摄像头成倒立、缩小的实像,其镜头是一个凸透镜,当儿童靠近池塘的过程中,物距越来小,通过镜头所成的实像越来越大。
故答案为:液化;凸;大。
【点评】本题考查了水的液化现象以及凸透镜成像规律的应用,难度不大。
35.(2022•德城区模拟)检查视力时要求眼睛与视力表相距5m,某同学在学校医务室检查视力,由于空间有限,用如图方式检查,他应距视力表 1 m。他在平面镜里看到的视力表是 虚 (选填“实”或“虚”)像。该同学由于过度使用电子产品导致近视,需配戴 凹 透镜来矫正。
【考点】近视眼的成因与矫正办法;平面镜成像的应用.
【专题】应用题;光的传播和反射、平面镜成像;透镜及其应用;应用能力.
【答案】1;虚;凹
【分析】根据平面镜成像特点进行判断:物体在平面镜中成虚像,物像大小相等,物像到平面镜的距离相等,物像连线与镜面垂直。
凹透镜可以矫正近视眼。
【解答】解:由图可知,人与平面镜的距离为2m,检查视力时要求眼睛与视力表相距5m,则镜中视力表的像与平面镜距离应该为5m﹣2m=3m,他应距视力表3m﹣2m=1m;
根据平面镜成像特点可知,他在平面镜里看到的视力表是虚像;
该同学由于过度使用电子产品导致近视,像成在了视网膜的前方,需配戴对光线具有发散作用的凹透镜来矫正。
故答案为:1;虚;凹。
【点评】此题主要考查平面镜成像特点在实际生活中的应用、近视眼的矫正,难度不大,属于基础知识。
36.(2022•曲阜市二模)今年的“母亲节”,小航的爸爸送给奶奶一个放大镜,奶奶借助这个放大镜能够细致欣赏邮票上的图案,如图1所示,为了模拟上述现象,小航利用一个焦距为10cm的凸透镜、蜡烛和光具座等器材进行实验。他先将凸透镜固定在光具座上50cm刻线处,如图2所示,接下来他应将蜡烛放置在光具座上的A、B、C三点中的 C 点处,然后再从透镜的 右 (选填“左”或“右”)侧用眼睛观察蜡烛烛焰的像。
【考点】探究凸透镜成像的规律.
【专题】应用题;透镜及其应用;分析、综合能力.
【答案】C;右。
【分析】当物距小于焦距时,物体通过凸透镜成正立、放大的虚像;凸透镜成虚像时,像与物在凸透镜的同侧,此时只能在物体另一侧透过凸透镜观察像。
【解答】解:奶奶借助这个放大镜能够细致欣赏邮票上的图案,如图1所示,为了模拟上述现象,即模拟凸透镜成虚像的情况;
小航利用一个焦距为10cm的凸透镜、蜡烛和光具座等器材进行实验。他先将蜡烛固定在光具座上50cm刻线处,如图2所示,要使物距小于焦距,则接下来他应将蜡烛放置在光具座上的A、B、C三点中的C点处;凸透镜成虚像时,像与物在凸透镜的同侧,即此时像在凸透镜左侧,则此时应该再从透镜的右侧用眼睛观察蜡烛烛焰的像。
故答案为:C;右。
【点评】此题探究凸透镜成像的规律实验,考查了对凸透镜的放大镜成像规律的应用,一定要熟练掌握凸透镜成像特点与物距之间的关系。
37.(2022•临邑县模拟)“新型冠状病毒”仍然在影响着我们的生活,体温检测成了病毒“早发现”的重要手段。在今年的研究生考试中,整个考试全程在监控下进行,考试中心可以异地查看各地的考场情况。监控的镜头当于 凸透 镜,当监考员巡查走动远离镜头时,他的像将 变小 (选填“变大”、“不变”或“变小”)。
【考点】凸透镜成像规律的其他应用.
【专题】应用题;透镜及其应用;应用能力.
【答案】凸透;变小
【分析】凸透镜成像规律及其应用之一,当u>2f时,成倒立缩小实像,应用于照相机或摄像头;凸透镜成实像时,物距变大,像距变小,像变小。
【解答】解:摄像头相当于一个凸透镜,当u>2f时,成倒立、缩小的实像;当监考员巡查走动远离镜头时,物距变大,像距变小,他的像将变小。
故答案为:凸透;变小。
【点评】本题考查了学生对摄像头的成像原理、凸透镜成像的规律的掌握情况,是一道基础题。
38.(2022•莘县三模)如图,这是一款人脸识别门禁一体机,通过摄像镜头捕捉人脸信息,该摄像镜头相当于 凸 透镜,这种透镜对光线具有 会聚 作用(填“会聚”或“发散”)。
【考点】凸透镜成像规律的其他应用;凸透镜的会聚作用.
【专题】应用题;透镜及其应用;应用能力.
【答案】凸;会聚
【分析】摄像镜头是利用凸透镜成倒立、缩小的实像的原理工作的,当u>2f时,凸透镜成倒立、缩小的实像;凸透镜对光线具有会聚作用。
【解答】解:该摄像镜头相当于一个凸透镜,凸透镜对光线有会聚作用,是利用“当u>2f时,凸透镜成倒立、缩小的实像”原理成像的。
故答案为:凸;会聚。
【点评】本题考查了凸透镜成像的应用、凸透镜对光线的作用,是一道基础题。
39.(2022•牡丹区一模)新冠疫情防控已是常态,出入公共场所要用手机扫健康码、行程码。扫码时,手机摄像头的成像原理与 照相机 (选填“照相机”、“投影仪”或“放大镜”)相同,其所成的是倒立、 缩小 (填“放大”、“缩小”或“不变”)的实像;当手机远离健康码、行程码时,摄像头所成的像将 变小 (选填“变大”、“变小”或“不变”)。
【考点】凸透镜成像规律的其他应用.
【专题】应用题;透镜及其应用;应用能力.
【答案】照相机;缩小;变小
【分析】手机的摄像头相当于一个凸透镜,扫描二维码时,物距大于两倍焦距,凸透镜成倒立、缩小的实像。凸透镜成实像时,物远像近像变小。
【解答】解:用于扫码的手机摄像头相当于一个凸透镜,成倒立、缩小的实像;与照相机的成像原理相同;
当手机远离健康码、行程码时,物距变大,像距变小,摄像头所成的像将变小。
故答案为:照相机;缩小;变小。
【点评】本题考查了凸透镜成像的特点和应用,属于基础知识,要熟记。
40.(2021•临邑县校级模拟)如图所示是刘老师利用手机直播网课的情景。手机的镜头相当于 凸透镜 ,为了让同学们能看清黑板上板书的文字,手机应该 靠近 (选填“远离”或“靠近”)黑板,黑板上文字所成的像是 缩小 (选填“放大”或“缩小”)的像。
【考点】凸透镜成像规律的其他应用.
【专题】应用题;透镜及其应用;应用能力.
【答案】凸透镜;靠近;缩小
【分析】(1)凸透镜成像规律之一:u>2f时,成倒立缩小的实像,应用于照相机和摄像机等;
(2)凸透镜成实像时,物距减小,像距增大,像变大。
【解答】解:(1)手机的镜头相当于一个凸透镜,物体通过它可以成倒立缩小的实像;
(2)为了让同学们看清黑板上板书的文字,应该让像变大一些,则应减小物距,即手机应该靠近黑板,但此时黑板上文字所成的像仍然是缩小的。
故答案为:凸透镜;靠近;缩小。
【点评】此题主要考查了凸透镜成像规律的应用,一定要熟练掌握凸透镜成像规律的内容,这是凸透镜成像习题的基础。
41.(2021•乳山市模拟)用焦距为10cm的凸透镜探究成像规律,如图所示,烛焰在光屏上成清晰的像,则光屏到凸透镜的距离可能是 18 cm(选填“8”、“18”或“28”);把近视镜片放在蜡烛和凸透镜之间,应将光屏向 右 (选填“左”或“右”)调节,才能在光屏上重新成清晰的像。
【考点】探究凸透镜成像的规律.
【专题】应用题;透镜及其应用;应用能力.
【答案】见试题解答内容
【分析】(1)当物距大于像距时成倒立缩小的实像,此时物距大于二倍焦距,像距在一倍焦距和二倍焦距之间;
(2)近视镜是凹透镜,对光线具有发散作用。
【解答】解:由图可知,此时物距大于像距,在光屏上成像,说明成的是倒立缩小的实像,为照相机的应用,物距应该大于二倍焦距,像距在一倍焦距和二倍焦距之间,即应大于10cm小于20cm,所以此时的像距可能是18cm;
近视镜是凹透镜,对光线具有发散作用,会延迟光的会聚,所以把近视镜片放在蜡烛和凸透镜之间,应将光屏向右移动。
故答案为:18;右。
【点评】此题考查了凸透镜成像规律的探究及应用,关键是熟记成像规律的内容,并做到灵活运用。
42.(2021•郯城县模拟)新冠肺炎抗击疫情期间,武汉方舱医院投入使用大批机器人。机器人可以完成消毒、送餐、送药等工作。在送餐过程中,餐盘相对于餐车是 静止 (选填“运动”或“静止”)的,机器人在扫描二维码时使用的摄像头使用的是 凸 透镜。
【考点】凸透镜成像规律的其他应用;运动和静止的相对性.
【专题】应用题;透镜及其应用;长度、时间、速度;应用能力.
【答案】静止;凸
【分析】判断列车的运动状态要看相对于参照物的位置是否发生了改变;凸透镜成像时,物距u>2f,成倒立缩小的实像,应用是照相机。
【解答】解:在送餐过程中,餐盘与餐车之间的位置没有发生变化,所以餐盘相对于餐车是静止的;
手机摄像头相当于凸透镜,手机摄像头与照相机原理相同,是利用物距大于二倍焦距时,成倒立、缩小实像的规律制成的。
故答案为:静止;凸。
【点评】本题考查了运动和静止的相对性以及凸透镜成像的应用等知识,属于基础性题目。
43.(2023•滕州市校级模拟)小明利用支付宝进行扫码支付时,用手机摄像头直接扫描商家的收款二维码即可。当摄像头靠近二维码时,所成的像 变大 (选填“变大”“变小”或“不变”)。
【考点】凸透镜成像规律的其他应用.
【专题】应用题;透镜及其应用;应用能力.
【答案】变大。
【分析】凸透镜成像时,若物距u>2f,则成倒立缩小的实像,其应用是照相机。凸透镜成实像时,物距减小,像距变大,像变大。
【解答】解:手机摄像头相当于一个凸透镜,是利用物距大于二倍焦距时,成倒立、缩小的实像的规律工作的;摄像头靠近二维码时,物距减小,像距变大,则像变大。
故答案为:变大。
【点评】本题考查了凸透镜成像规律的应用,是一道基础题。
44.(2023•历下区模拟)正常人的眼睛具有很强的自我调节本领,可以使远处和近处的物体都成像在视网膜上。但如果不注意保护,眼睛就会出问题。如图甲所示,只能将近处的物体成像在视网膜上,而将远处的物体成像在视网膜前,这是 近视眼 (选填“近视眼”或“远视眼”)的症状;如图乙所示,只能将远处的物体成像在视网膜上,而将近处的物体成像在视网膜后,这样的眼睛需要佩戴 凸透镜 (选填“凸透镜”或“凹透镜”)进行视力矫正。
【考点】远视眼的成因与矫正办法;近视眼的成因与矫正办法.
【专题】透镜及其应用;应用能力.
【答案】近视眼;凸透镜。
【分析】(1)近视眼是晶状体会聚能力增强,像呈在视网膜的前方,应配戴凹透镜矫正。
(2)远视眼是晶状体会聚能力减弱,像呈在视网膜的后方,应配戴凸透镜矫正。
【解答】解:(1)图甲所示,只能将近处的物体成像在视网膜上,而将远处的物体成像在视网膜前,说明晶状体对光的会聚能力太强,是近视眼的形成原因。
(2)图乙所示,只能将远处的物体成像在视网膜上,而将近处的物体成像在视网膜后,说明晶状体对光的会聚能力太弱,是远视眼的形成原因,应该配戴凸透镜进行矫正。
故答案为:近视眼;凸透镜。
【点评】本题主要考查学生对近视眼和远视眼的成因,以及矫正方法的理解和掌握,是中考的热点。
45.(2022•乐陵市校级模拟)某同学观察阳光通过甲、乙两个同学的眼镜在地面上形成的光斑时,发现阳光通过眼镜甲形成的光斑中间较四周亮,而通过眼镜乙形成的光斑中间较四周暗,由此可以判断眼镜甲是 凸 透镜,该同学是 远视 眼;眼镜乙是 凹 透镜,该同学是 近视 眼。
【考点】辨别凸透镜和凹透镜的方法;近视眼的成因与矫正办法;远视眼的成因与矫正办法.
【专题】透镜及其应用.
【答案】见试题解答内容
【分析】解答此题从以下知识点入手:①凸透镜能使光线会聚,凹透镜能使光线发散。
②远视眼的物像落在视网膜的后方。远视矫正方法,需佩戴凸透镜。近视眼的物像落在视网膜的前方。近视矫正方法,需配戴凹透镜。
【解答】解:阳光通过眼镜甲形成的光斑中间较四周亮,说明光线会聚,是凸透镜,可用来矫正远视眼。故甲是凸透镜,该同学是远视眼;
阳光通过眼镜乙形成的光斑中间较四周暗,说明光线发散,是凹透镜,可用来矫正近视眼。故乙是凹透镜,该同学是近视眼。
故答案为:凸;远视;凹;近视。
【点评】本题考查了凸透镜、凹透镜的特点,掌握凸透镜能使光线会聚,凹透镜能使光线发散是解答此题的关键。此题难度不大,属于基础知识。
46.(2022•龙口市模拟)图甲为电影放映机,其成像原理如图乙所示。为了让观众看到清晰的实像,应将胶片放在距离透镜 ② (填①一倍焦距以内;②一倍焦距到二倍焦距之间;③二倍焦距以外)的位置,要使银幕上的像更大,在放映机远离银幕时,要将胶片到镜头的距离调 小 (填“大”或“小”)一些。白色银幕是为了 反射 (填“反射”或“吸收”)所有颜色的光。
【考点】凸透镜成像规律的其他应用.
【专题】应用题;透镜及其应用;应用能力.
【答案】②;小;反射。
【分析】(1)电影放映机是利用凸透镜成倒立、放大的实像原理工作的,此时物距2f>u>f,像距v>2f;凸透镜成实像时,物近像远像变大;
(2)白色物体可以反射各种色光。
【解答】解:电影放映机的镜头相当于一个凸透镜,可以成放大的实像,则此时物距2f>u>f,即胶片应放在一倍焦距到二倍焦距之间,故选②。
要使银幕上的像更大,像距变大,物距变小,放映机远离银幕时,要将胶片到镜头的距离调小;
白色银幕可以反射所有颜色的光。
故答案为:②;小;反射。
【点评】此题主要考查了有关凸透镜成像的规律及应用。一定要熟练掌握规律的内容,特别是成像特点与物距之间的关系。
47.(2022•青岛二模)探究凸透镜成像将一凸透镜正对阳光,在纸屏上呈现一个最亮的“点”,如图1,则此凸透镜焦距是 10 cm。实验装置如图2,保持蜡烛位置不动,将透镜向 左 移动,在光屏上可以成放大的像,据此可制成 投影仪 。
【考点】凸透镜成像规律的其他应用;主光轴、光心、焦点和焦距.
【专题】应用题;透镜及其应用;应用能力.
【答案】10;左;投影仪
【分析】通过左图所示的现象,结合凸透镜焦点的定义即可确定该凸透镜的焦距;物距在一倍焦距和二倍焦距之间,凸透镜成倒立、放大的实像,应用是投影仪。
【解答】解:焦点到透镜光心的距离是焦距,根据图甲可知,凸透镜的焦距f=10cm;保持蜡烛位置不动,将透镜向左移动,当蜡烛在一倍焦距和二倍焦距之间时,在光屏上可以成倒立、放大的实像,据此可制成投影仪。
故答案为:10;左;投影仪。
【点评】本题考查了焦距的测量、凸透镜成像规律及其应用,难度不大。
48.(2021•台儿庄区模拟)小明将一只点燃的蜡烛放在凸透镜(f=10cm)前18cm处,光屏上得到了烛焰倒立、 放大 的清晰的像,然后他在蜡烛和凸透镜之间放置了一个远视眼镜片,光屏上烛焰的像变模糊了(如图所示),若想在光屏上重新得到清晰的像,他可将光屏 靠近 凸透镜。
【考点】凸透镜成像规律的其他应用.
【专题】应用题;透镜及其应用.
【答案】见试题解答内容
【分析】(1)2f>u>f,成倒立、放大的实像;
(2)远视镜片是凸透镜,对光线具有会聚作用,会使像提前形成。
【解答】解:(1)凸透镜焦距为10cm,将烛焰放在距离凸透镜18cm处,物距2f>u>f,此时成倒立放大的实像;
(2)将远视眼镜片放在蜡烛和凸透镜之间,经过凸透镜的光线会比原来提前会聚成像,所以将光屏靠近凸透镜,才能在光屏上重新得到清晰的像。
故答案为:放大;靠近。
【点评】此题是探究凸透镜成像的实验,要熟练掌握成像特点与物距、像距之间的关系及其应用。
49.(2023•牡丹区三模)艳艳在帆船赛现场观看比赛,戴上眼镜前和后观察湖面上远处的帆船的情形如图甲所示。则艳艳的眼睛成像示意图是图中的 丙 图(填“乙”或“丙”),她佩戴的眼镜是 凹 透镜镜片制成的。
【考点】近视眼的成因与矫正办法.
【专题】透镜及其应用;应用能力.
【答案】丙;凹。
【分析】正常的眼睛可以将光线会聚在视网膜上。近视眼会将光线会聚在视网膜之前,应该配戴凹透镜进行矫正。远视眼会将光线会聚在视网膜之后,应该配戴凸透镜进行矫正。
【解答】解:根据图可知,该眼睛看远处的物体不清晰,所以是近视眼,像成在了视网膜的前方,应该配戴凹透镜矫正,故丙是艳艳的眼睛成像示意图。
故答案为:丙;凹。
【点评】本题考查学生对近视眼成像原因和其矫正方法的掌握情况。
50.(2023•淄川区二模)同学们课间在走廊上跳望远方,此时晶状体变 薄 (选填“厚”或“薄”),远处的景物在视网膜上成 倒立 、 缩小 的实像。
【考点】眼睛及其视物原理.
【专题】应用题;透镜及其应用;应用能力.
【答案】薄;倒立;缩小
【分析】人的眼睛像一架神奇的照相机,晶状体和角膜相当于凸透镜,视网膜相当于胶片,外界物体在视网膜上成倒立、缩小的实像;
人的眼睛看清物体是通过改变晶状体的形状来实现的,晶状体相当于全自动变焦镜头;看近处物体时,晶状体变凸一些,折射光线的能力变强;看远处物体时,晶状体变扁平一些,折射光线的能力变弱。通过这样的调节,使远近不同的物体均能在视网膜上成像。
【解答】解:同学们观看远方时,此时晶状体变薄,折射光的能力变弱,晶状体的焦距变大,晶状体把光线会聚到视网膜上,成一个倒立缩小的实像;
故答案为:薄;倒立;缩小。
【点评】本题主要考查学生对眼睛及其视物原理的了解和掌握,比较简单。
51.(2023•单县二模)小明的奶奶得了“老花眼”,但又不方便佩戴眼镜,小明送给奶奶一个放大镜,奶奶借助这个放大镜能够看清楚书上的文字,如图所示,此时奶奶看到的是一个正立、放大的 虚像 (选填“实像”或“虚像”)。为了模拟上述现象,小明利用一个焦距为10cm的凸透镜,蜡烛和光具座等器材进行实验,他先将蜡烛固定在光具座上50cm刻线处,如图所示,接下来他应将凸透镜放置在光具座上的A、B、C三点中的 C 点处,然后再从透镜的 左 (选填“左”或“右”)侧用眼睛观察蜡烛烛焰的像,该像 不能 (选填“能”或“不能”)用光屏承接到。
【考点】探究凸透镜成像的规律.
【专题】实验题;透镜及其应用;实验基本能力.
【答案】虚像;C;左;不能。
【分析】根据u<f 时,成正立放大的虚像,像与物同侧,应用是放大镜。
【解答】解:放大镜是利用u<f,成正立放大的虚像这一原理工作的,故此时奶奶看到的是一个正立、放大的虚像;
他应将凸透镜放置在光具座上的A、B、C三点中的C点处,此时物距u=50cm﹣43cm=7cm<f,根据u<f 时,成正立放大的虚像,像与物同侧,故应从透镜的左侧用眼睛观察蜡烛烛焰的像,该像不能用光屏承接到。
故答案为:虚像;C;左;不能。
【点评】此题考查了凸透镜成像规律的探究及应用,关键是熟记成像规律的内容,并做到灵活运用。
52.(2021•利津县一模)验钞机能检验人民币的真伪,它的原理是利用了 紫外线 能使荧光物质发光;在森林中游客如果随地丢弃装水的透明圆形饮料瓶,可能会引起森林火灾,这是因为饮料瓶相当于 凸透 镜,它能使太阳光会聚。
【考点】凸透镜的会聚作用;紫外线.
【专题】应用题;透镜及其应用;应用能力.
【答案】见试题解答内容
【分析】(1)紫外线的作用和用途:紫外线的有杀菌的作用,制成消毒灯;紫外线能使荧光物质发光,制成验钞机;紫外线能合成维生素D能促进钙的吸收。
(2)丢弃的饮料瓶(装水后)类似于凸透镜,会使太阳光会聚到一点,从而使局部的温度过高,从而引起火灾。
【解答】解:(1)紫外线照射荧光物质时,能使荧光物质发光,验钞机就是利用紫外线的这个性质工作的。
(2)装水的饮料瓶相当于凸透镜;它能使太阳光会聚于焦点,使焦点的光最集中,温度最高,可点燃枯草、枯枝和树叶等易燃物,容易引起森林火灾。
故答案为:紫外线;凸透。
【点评】红外线和紫外线是我们新教材上新增的内容,是需要了解的,而且也是我们生活中经常用到的,凸透镜对光线具有会聚作用。
53.(2022•广饶县三模)某同学在“探究凸透镜成像规律”的实验中,绘制了如图所示的图象(v表示像到凸透镜的距离,u表示物体到凸透镜的距离),用该凸透镜作放大镜使用时,被观察的物体到透镜的距离在 5 cm以内;把物体远离凸透镜,为了使像再次呈现在光屏上,光屏应该 靠近 (选填“靠近”或“远离”)凸透镜。
【考点】探究凸透镜成像的规律.
【专题】透镜及其应用;分析、综合能力.
【答案】5;靠近。
【分析】(1)当成像性质为:倒立、等大的实像时,u=v=2f,结合图中物距和像距的关系,计算出凸透镜的焦距,当凸透镜作放大镜使用时,物距应小于凸透镜的焦距;
(2)物体远离凸透镜时,物距增大,由图知,像距在减小。
【解答】解:由图知,当u=10cm时,v=10cm,由凸透镜的成像规律知,u=v=2f=10cm,则凸透镜的焦距为:f=5cm,所以用该凸透镜作放大镜使用时,被观察的物体到透镜的距离在5cm以内。当物体远离凸透镜时,物距增大,由图知,像距在减小,则光屏应该靠近凸透镜。
故答案为:5;靠近。
【点评】本题考查了凸透镜的成像规律,熟练掌握凸透镜的成像规律是做此类题的关键,题目难度适中。
三.实验探究题(共7小题)
54.(2021•平原县模拟)在“探究凸透镜成像的规律”的实验中,小明利用如图所示的装置进行实验,他先调整烛焰中心、透镜中心及光屏中心位于同一高度上,然后将它们调节到图示位置时,光屏上得到清晰的像。
(1)此时像的特点是 倒立缩小的实像 (说明像的“倒正、大小和虚实”)。
(2)若保持透镜位置不动,把蜡烛移到零刻度处,则应向 左 (选填“左”或“右”)移动光屏才能在光屏上再次得到清晰的像,且像的大小 变小 (选填“变大”、“变小”或“不变”)。
(3)人的眼睛是通过改变晶状体的厚度来看清远近不同物体的,现将图中虚线圆圈部分当做是人的“眼睛”,当蜡烛远离“眼睛”时,“眼睛”需调节凸透镜的厚度使其 变薄 (选填“变薄”或“变厚”),改变其对光线的偏折能力,从而在光屏上成清晰的像。若该“眼睛”无法调节凸透镜达到应有的厚度,则该“眼睛”为 近视眼 (选填“近视眼”或“远视眼”),应该佩戴正确的透镜进行矫正。
【考点】探究凸透镜成像的规律.
【专题】实验题;透镜及其应用;实验基本能力.
【答案】(1)倒立缩小的实像;(2)左;变小;(3)变薄;近视眼。
【分析】(1)凸透镜成实像时,物距大于像距,成倒立缩小的实像;
(2)凸透镜成实像时物近像远像变大;
(3)改变凸透镜的厚度可以改变焦距的大小,厚度越厚,焦距越小。
【解答】解:(1)由图可知,凸透镜成实像时,物距大于像距,成倒立缩小的实像;
(2)若保持透镜位置不动,把蜡烛移到0cm刻度处,物距变大,根据物远像近像变小可知,应向左移动光屏才能在光屏上再次得到清晰的像,且像的大小变小;
(3)当蜡烛远离“眼睛”时,物距变大,像距变小,像会向前移动,为了使像仍然能成在光屏上,需要增大眼睛的焦距,所以“眼睛”需调节凸透镜的厚度使其变薄,改变其对光线的偏折能力,在不移动光屏的情况下在光屏上成清晰的像;
若该“眼睛”无法调节凸透镜达到应有的厚度,像成在了光屏的前方,为近视眼,需要佩戴具有发散作用的凹透镜来矫正。
故答案为:(1)倒立缩小的实像;(2)左;变小;(3)变薄;近视眼。
【点评】本题是探究凸透镜成像规律的实验,考查了成像规律的理解和应用、凹透镜对光线作用,近视眼的矫正等,关键是掌握好凸透镜成像规律。
55.(2023•莱阳市模拟)请根据“探究凸透镜成像规律”的实验回答以下问题:
(1)小明在光具座上调整凸透镜、光屏和烛焰,使它们的中心不在同一高度,但是在同一条直线上,这样 也可能 (选填“也可能”或“不可能”)使像成在光屏中央,但是小华认为必须让凸透镜、光屏和烛焰中心在同一高度才有利于多次实验,小华的理由是 物距改变后,像不一定还在光屏的中央 。
(2)为了确定凸透镜的焦距,小华同学让一束平行光射向凸透镜,移动光屏,直到在光屏上会聚成一点,如图甲所示,则该凸透镜的焦距为 10.0 cm,小明测量并绘制出物距u和像距v关系图象如图乙所示,也得到了该透镜的焦距。请说明小明得到焦距的理论依据是什么?
(3)当蜡烛、凸透镜和光屏按如图丙所示的位置放置时,光屏上得到清晰的像,则:
①生活中 投影仪 (选填“照相机”、“投影仪”或“放大镜”)就是应用了这个成像规律。若要使光屏上的像变得再大些,在不改变凸透镜位置的情况下,应如何调整蜡烛和光屏的位置来得到符合要求的清晰的像?
②若保持蜡烛和光屏的位置不动,只需将凸透镜移动到 35 cm的刻度处,又可在光屏上成清晰的像,此时成像的特点是 倒立、缩小的实像 。
③保持三个元件位置不动,仅将原凸透镜更换为一个焦距较小的凸透镜后,为了使光屏上再次得到清晰的像,可以在蜡烛和凸透镜之间放置一个 凹 (选填“凸”或“凹”)透镜。
(4)小红在实验中将蜡烛从略大于一倍焦距处逐渐远离凸透镜,该过程中物距u随时间t的图象如图丁所示,则像距v与t的大致变化关系为图戊中的 C 。
【考点】探究凸透镜成像的规律.
【专题】实验题;透镜及其应用;科学探究能力.
【答案】(1)也可能;物距改变后,像不一定还在光屏的中央;(2)10.0;根据u=v=2f,成倒立、等大的实像;(3)①投影仪;将蜡烛适当靠近凸透镜,光屏适当远离凸透镜,才能得到符合要求的清晰的像;②35;倒立、缩小的实像;③凹;(4)C。
【分析】(1)根据过光心的光线传播方向不变进行判断;凸透镜、光屏和烛焰三者的中心不在同一高度,但是在同一条直线上,像虽然能成在光屏的中央,但物距改变后,像不一定还在光屏的中央,不利于多次实验;
(2)平行于主光轴的光会聚于主光轴上一点,这一点叫焦点,焦点到光心的距离叫焦距,读数时估读到分度值的下一位;根据u=v=2f,成倒立、等大的实像,据此确定凸透镜的焦距;
(3)①根据凸透镜成实像时,物距小于像距,成倒立、放大的实像,投影仪就是利用此原理制成的;根据凸透镜成实像时,物近像远像变大分析回答;
②在光的折射中,光路是可逆的;
③凸透镜的焦距越小,折光能力越强;凹透镜对光线具有发散作用;
(4)根据凸透镜成实像时:物远(物距变大)像近(像距变小)像变小分析。
【解答】解:(1)烛焰、凸透镜、光屏的中心在同一条件直线上时,根据光线过光心不改变方向,像也可能成在光屏的中央位置;凸透镜、光屏和烛焰三者的中心不在同一高度,但是在同一条直线上,像虽然能成在光屏的中央,但物距改变后,像不一定还在光屏的中央,不利于多次实验,故必须让凸透镜、光屏和烛焰中心在同一高度;
(2)平行于主光轴的光线经凸透镜折射后,会聚在主光轴上一点,这点是凸透镜的焦点,焦点到光心的距离是凸透镜的焦距,所以凸透镜的焦距是:f=30.0cm﹣20.0cm=10.0cm;
由物距u和像距v关系图象可知,当u=v时,根据u=v=2f,成倒立、等大的实像,据此可以确定凸透镜的焦距;
(3)①由图丙可知,此时物距小于像距,根据凸透镜成实像时,物距小于像距,成倒立、放大的实像,投影仪就是利用此原理制成的;
若要使光屏上的像变得再大些,在不改变凸透镜位置的情况下,根据凸透镜成实像时,物近像远像变大可知,应将蜡烛适当靠近凸透镜,光屏适当远离凸透镜,才能得到符合要求的清晰的像;
②若保持蜡烛和光屏的位置不动,只需将凸透镜移动到35cm的刻度处,此时物距等于原来的像距,像距等于原来的物距,根据在光的折射中,光路是可逆的可知,光屏上能再次得到清晰的像,由于此时物距大于像距,根据凸透镜成像规律可知,光屏上成像的特点是倒立、缩小的实像;
③将原凸透镜更换为一个焦距较小的凸透镜后,由于焦距变小,折光能力变强,像会成在光屏的前方,所以需要在蜡烛和凸透镜之间放置一个可以使光线发散的凹透镜;
(4)将蜡烛从略大于一倍焦距处逐渐远离凸透,物距逐渐增大,根据凸透镜成的实像时,物远(物距变大)像近(像距变小)像变小,像距逐渐减小,从v>2f到f<v<2f,但像距只能接近1倍焦距,而不能小于1倍焦距,故选:C。
故答案为:(1)也可能;物距改变后,像不一定还在光屏的中央;(2)10.0;根据u=v=2f,成倒立、等大的实像;(3)①投影仪;将蜡烛适当靠近凸透镜,光屏适当远离凸透镜,才能得到符合要求的清晰的像;②35;倒立、缩小的实像;③凹;(4)C。
【点评】此题考查了凸透镜成像规律的探究及应用,关键是熟记成像规律的内容,并做到灵活运用。
56.(2021•任城区校级二模)小莉探究凸透镜成像规律,实验装置图如图所示:
(1)小莉同学做实验时,发现烛焰在光屏上的像偏高,若要使烛焰成像在光屏中心,只调节凸透镜,应将凸透镜向 下 (上/下)调节;
(2)将蜡烛、凸透镜、光屏按如图所示的位置放置,在光屏上正好成清晰的像,该成像规律在实际生活中的应用是 照相机 (选填:“照相机”、“投影仪”或“放大镜”);
(3)在蜡烛和凸透镜之间放一个近视眼镜,为了使光屏上重新出现清晰的像,光屏应向 右 移动(左/右)。
(4)小莉将点燃的蜡烛放在某处,发现无论怎样移动光屏,在光屏中心只能看到一个大小不变的圆形光斑,你认为可能出现的原因应该是 蜡烛放在了凸透镜的焦点上 。
【考点】探究凸透镜成像的规律.
【专题】透镜及其应用;应用能力.
【答案】(1)下;照相机;(2)右;(4)蜡烛放在了凸透镜的焦点上。
【分析】(1)根据凸透镜成倒立实像进行分析,若物体相对于凸透镜向下移动,则像向上移动;
(2)当u>2f,成倒立、缩小的实像,此时2f>v>f,也就是u>v,其应用是照相机;
(3)近视眼镜是凹透镜,凹透镜对光线有发散作用;
(4)由焦点发出的光经凸透镜后平行于主光轴。
【解答】解:(1)像成在了光屏的上方,根据过凸透镜光心的光线传播方向不变可知,为了使像仍成在光屏中央,可以将透镜向下移动或将光屏向上移动;
(2)由图知,u=30cm,v=10cm,u>v,所以成倒立、缩小的实像,其应用是照相机;
(3)若在蜡烛和凸透镜之间合适的位置放一个近视眼镜,使光线发散,为了使光屏上重新呈现清晰的像,光屏应向右移动;
(4)无论怎样移动光屏,在光屏中心都只能看到一个大小不变的圆形光斑,这说明光通过凸透镜后为平行光,所以蜡烛放在了凸透镜的焦点上。
故答案为:(1)下;照相机;(2)右;(4)蜡烛放在了凸透镜的焦点上。
【点评】本题考查了凸透镜成像实验注意事项、规律应用等问题,分析清楚图示情景、认真审题是正确解题的关键。
57.(2022•滨州一模)在探究凸透镜成像规律时,如图甲所示,将A凸透镜固定在光具座上35cm刻度线处,将点燃的蜡烛放置在光具座上5cm刻度线处,移动光屏,使烛焰在光屏上成清晰的像,由A凸透镜成像中物距和像距的变化关系画出图象如图乙所示;接着保持蜡烛的位置不变,将凸透镜A换为凸透镜B并保持位置不变,移动光屏,使烛焰在光屏上成清晰的像,如图丙所示。
(1)请根据上述实验现象和凸透镜成像规律判断;凸透镜A的焦距是 10 cm,凸透镜A的焦距 小于 (填“大于”“小于”或“等于”)凸透镜B的焦距。
(2)在图甲中,保持凸透镜位置不动,把蜡烛向右移动5cm,要想在光屏上再次得到清晰的像,应该把光屏向 右 (填“左”或“右”)移动一段距离,像将 变大 (填“变大”“变小”或“不变”)。
(3)图丙所示的实验现象可以说明 幻灯机 (填“照相机”“幻灯机”或“放大镜”)的成像特点;若将远视眼镜放在蜡烛与凸透镜之间,光屏上原来清晰的像变模糊了,若保持凸透镜和蜡烛的位置不动,应使光屏 靠近 (填“靠近”或“远离”)凸透镜,才能在光屏上再次看到烛焰清晰的像。
(4)当光屏上出现烛焰清晰的像时,如果用遮光板挡住透镜的上半部分,我们观察光屏时,将会在光屏上看到 C 。
A.烛焰像的下半部分
B.烛焰像的上半部分
C.烛焰完整的像,像的亮度变暗
D.烛焰完整的像,像的亮度不变
【考点】探究凸透镜成像的规律.
【专题】实验题;透镜及其应用;分析、综合能力.
【答案】见试题解答内容
【分析】(1)①物距等于二倍焦距成倒立等大实像。然后通过图象分析出该凸透镜的焦距;根据物距和凸透镜的焦距关系,求出两个凸透镜的焦距,比较焦距大小。
(2)凸透镜成实像时,物距变小,像距变大,像变大;
(3)2f>u>f,成倒立、放大的实像,应用于幻灯机和投影仪。远视眼镜即为凸透镜,凸透镜能使光线会聚;
(4)当用遮光板挡住透镜的某一部分时,由于通过凸透镜会聚的光线数量减少,所以像会比原来变暗,但仍成完整的像。
【解答】解:(1)由图乙知,当物距为20cm时,像距也为20cm,根据凸透镜成像的规律,物距等于2倍焦距时,成倒立等大的实像,此时像距与物距相等。所以2f=20cm,则f=10cm。
甲图,凸透镜成倒立、缩小的实像,u=35cm﹣5cm=30cm,30cm>2f,所以,15cm>fA。
乙图,凸透镜成倒立、放大的实像,u=35cm﹣5cm=30cm,2f>30cm>f,所以,30cm>fB>15cm。
故A的焦距小于B的焦距;
(2)在甲图中,保持凸透镜不动,原来蜡烛距离凸透镜30cm,蜡烛右移5cm后,物距变为25cm,根据凸透镜成像特点,物距变小,像距变大,所以光屏应向右移动,像距比原来更大,所以像将变大;
(3)由图丙可知,此时成的是倒立、放大的实像,其应用是幻灯机;因凸透镜对光线有会聚作用,可使远视眼看物体时使来自近处的物体的光会聚在视网膜上。当用远视眼镜时,会将像向凸透镜靠近,故应将蜡烛靠近凸透镜;
(4)如果用遮光板挡住透镜的上半部分,下半部分仍能会聚光线成完整的像,但由于会聚的光线比原来减少,所以像比原来变暗,故选C。
故答案为:(1)10;小于;(2)右;变大;(3)幻灯机;靠近;(4)C。
【点评】凸透镜成像的三种情况和应用是凸透镜成像习题的重要依据,一定要掌握。
58.(2022•武城县校级模拟)在探究凸透镜成像规律的实验中,小王同学所在的实验小组画出了如图甲所示的物距u和像距v对应关系图像。
(1)小王实验小组所用凸透镜的焦距是 8 cm;
(2)他们认真总结了凸透镜成像的规律,发现在图乙中左边的蜡烛通过凸透镜不可能形成的像是 B (选填“A、B、C、D”中的一个选项);
(3)小组中小李同学,把自己的眼镜放在了蜡烛和凸透镜之间,如图丙,发现光屏上的像变模糊了,小李将光屏远离凸透镜移动时,像又变清晰了,他戴的是 近视 眼镜。小组同学讨论,如果开始放上眼镜后,不移动光屏和凸透镜,只移动蜡烛,要想在光屏上成清晰的像,应将蜡烛 远离 凸透镜(选填“远离”或“靠近”)。
【考点】探究凸透镜成像的规律.
【专题】实验题;探究型实验综合题;实验基本能力.
【答案】(1)8;(2)B;(3)近视;远离。
【分析】(1)U=2f,光屏上得到倒立、等大的实像,求出焦距;
(2)根据物距和焦距的关系判断凸透镜成像情况,u>2f时,光屏上能得到倒立、缩小的实像;f<u<2f时,光屏上能得到倒立、放大的实像;u=2f时,光屏上能得到倒立、等大的实像;u<f时成正立放大的虚像;
(3)近视镜是凹透镜,且凹透镜对光线有发散作用,若将凹透镜放在蜡烛和凸透镜之间,光线经凹透镜发散后,成的像会远离凸透镜,据此判断蜡烛的移动方向。
【解答】解:(1)当u=2f 时,成倒立、等大的实像,此时像距v=2f,由图甲可知u=v=2f=16cm
所以焦距为f=×16cm=8cm;
(2)A.根据凸透镜成像规律可知,当u>2f时,成倒立、缩小的实像,故选项A不符合题意;
B.凸透镜所成的实像都是倒立的,虚像都是正立的,在什么情况下也不能成正立、缩小的实像,故选项B符合题意。
C.根据凸透镜成像规律可知,当f<u<2f时,成倒立、放大的实像,故选项C不符合题意;
D.根据凸透镜成像规律可知,当u<f时,成正立、放大的虚像,故选项D不符合题意。
故选B。
(3)小李把自己的眼镜放在了蜡烛和凸透镜之间,发现光屏上的像变模糊了,将光屏远离凸透镜移动时,像又变清晰了,说明小李的眼镜对光有发散作用,由凹透镜对光有发散作用,且用凹透镜制成近视镜,所以他戴的眼镜是近视镜。
若将近视镜放在光蜡烛和凸透镜之间,像会远离凸透镜,所以将光屏向远离凸透镜的方向移动,才能使蜡烛的像变清晰;若不移动光屏,在光屏上仍成清晰的像,则相当于像距减小,所以需要增大物距,故将蜡烛远离凸透镜。
故答案为:(1)8;(2)B;(3)近视;远离。
【点评】此题是探究凸透镜成像的规律,主要考查了实验的探究过程及成像规律的应用。此题看似复杂,其实只要用心,仔细审题,并不难。
59.(2023•宁津县三模)小莉同学用焦距为10cm的凸透镜做“探究凸透镜成像的规律”实验:
(1)实验过程中,当蜡烛与凸透镜的距离如图甲所示时,在光屏上可得到一个清晰的倒立、 放大 的实像,若保持蜡烛和光屏位置不变,移动透镜至 40 cm刻度线处,光屏上能再次呈现清晰的像。
(2)如图乙所示,保持蜡烛位置不变,移动透镜至16cm刻度线处,则人眼在 B (填“A、B、C”)处能观察到蜡烛的像,像是如图丙中的 4 (填“1、2、3、4”)。
(3)实验完成之后,小莉把自己的近视眼镜放在蜡烛与凸透镜之间,光屏上原来清晰的像变得模糊了,若想在光屏上重新得到清晰的像,在不改变蜡烛和凸透镜位置的情况下,应将光屏 远离 凸透镜。(填“靠近”或“远离”)
【考点】探究凸透镜成像的规律.
【专题】实验题;透镜及其应用;探究型实验综合题;科学探究能力.
【答案】(1)放大;40;(2)B;4;(3)远离。
【分析】(1)当2f>u>f,成倒立、放大的实像,v>2f;u>2f,成倒立、缩小的实像,2f>v>f;光的折射中光路是可逆的;
(2)u<f时,凸透镜成正立放大的虚像,我们应透过凸透镜去观察这个像;
(3)凹透镜对光线有发散作用,能使光线的会聚点推迟延后,可以用来矫正近视眼。
【解答】解:(1)由图乙知,当蜡烛在刻度尺的10cm处,u=15cm,2f>u>f,凸透镜成倒立放大的实像,v=55cm﹣25cm=30cm,根据折射中光路可逆可知,保持蜡烛和光屏位置不变,当u=30cm时,即凸透镜移动至40cm刻度线处,在屏上能再次呈现清晰的像;
(2)u<f时,凸透镜成正立放大的虚像,光屏上接不到,透过凸透镜观察蜡烛看到正立放大的虚像,故4图符合像的性质;虚像与成像物体同侧,所以应从B处观察;
(3)将一副近视眼镜放在蜡烛和凸透镜之间,近视眼镜是凹透镜,对光线有发散作用,即像推迟会聚,故应将光屏远离凸透镜。
故答案为:(1)放大;40;(2)B;4;(3)远离。
【点评】本题考查了凸透镜成像规律的探究实验,包括焦点的测量、成像规律的总结与应用,实验中遇到问题的分析与对策等,综合性较强。
60.(2023•平邑县二模)用如图所示装置模拟人眼成像情况,此时烛焰在光屏上成清晰的像。
(1)实验前,调节蜡烛、凸透镜和光屏高度时,应 点燃 (填“点燃”或“不点燃”)蜡烛。
(2)实验所用凸透镜的焦距为10cm,则图中蜡烛离凸透镜的距离可能为 A (选填序号)。
A.30cm
B.20cm
C.15cm
(3)当蜡烛远离凸透镜时,应将光屏向 左 (填“左”或“右”)调节才能承接到烛焰清晰的像。
(4)保持蜡烛和凸透镜的位置不变,将光屏向右移动一小段距离,此时相当于 近视眼 (选填“近视眼”或“远视眼”)患者的视物情况。
【考点】探究凸透镜成像的规律.
【专题】实验题;透镜及其应用;实验基本能力.
【答案】(1)点燃;(2)A;(3)左;(4)近视眼。
【分析】(1)根据凸透镜成像规律实验的要求,首先必须将烛焰、凸透镜、光屏三者的中心放在同一高度上,只有先将蜡烛点燃,才可以确定烛焰的中心;
(2)根据凸透镜成实像时,物距大于像距,成倒立、缩小的实像,此时物距大于二倍焦距;
(3)根据凸透镜成实像时,物远像近像变小分析回答;
(4)近视眼是由于晶状体对光线的会聚作用太强,使远处物体射来的光线会聚在视网膜的前方,近视眼配戴凹透镜进行矫正。
【解答】解:(1)根据凸透镜成像规律中实验的要求,必须让三者中心放在同一高度上,使其成像在光屏的中心;只有先将蜡烛点燃,才可以确定烛焰的中心,所以点燃蜡烛应在调整高度之前;
(2)实验所用凸透镜的焦距为10cm,由图可知,此时物距大于像距,根据凸透镜成实像时,物距大于像距,成倒立、缩小的实像,此时物距大于二倍焦距,所以图中蜡烛离凸透镜的距离可能为30cm,故选:A;
(3)当蜡烛远离凸透镜时,此时物距增大,根据凸透镜成实像时,物远像近像变小可知,应将光屏向左调节才能承接到烛焰清晰的像;
(4)保持蜡烛和凸透镜的位置不变,将光屏向右移动一小段距离,此时像成在光屏的左侧,即光屏的前方,相当于近视眼患者的视物情况。
故答案为:(1)点燃;(2)A;(3)左;(4)近视眼。
【点评】此题考查了凸透镜成像规律的探究及应用,关键是熟记成像规律的内容,并做到灵活运用。物距(u)
成像特点
像距(v)
应用
u>2f
倒立 缩小 实像
f<v<2f
照相机
u=2f
倒立 等大 实像
v=2f
测焦距
2f>u>f
倒立 放大 实像
v>2f
投影仪/幻灯机
u=f
不成像
u<f
正立 放大 虚像
放大镜
2024年山东中考物理模拟题分类---光现象: 这是一份2024年山东中考物理模拟题分类---光现象,共73页。
2024年山东中考物理模拟题分类---浮力: 这是一份2024年山东中考物理模拟题分类---浮力,共127页。
2024年山东中考物理模拟题分类---电和磁: 这是一份2024年山东中考物理模拟题分类---电和磁,共35页。