专题05 试验方案的设计与评价-挑战2023年中考化学压轴题之秘籍
展开【典例分析】
【典例1】(2022秋•重庆期末)下列实验操作能达到目的的是( )
A.AB.BC.CD.D
【变式1-1】(2022秋•斗门区期末)下列“家庭小实验”不能达到预期目的的是( )
A.利用活性炭制作简易净水器,去除色素和异味
B.向洗净的碎鸡蛋壳中加入食盐水可制二氧化碳
C.用6B铅笔芯代替石墨电极连接导线
D.在燃着的蜡烛火焰上方罩一个冷盘子可制得炭黑
【变式1-2】(2022•南通)下列实验方案能达到实验目的的是( )
A.除去CO2中混有的CO:向混合气体中通入过量氧气后点燃
B.验证白磷的着火点低于红磷:按如图所示装置进行实验
C.测肥皂水的pH:用玻璃棒蘸取肥皂水滴到pH试纸上,把试纸显示的颜色与标准比色卡比较
D.配制100g质量分数为3%的氯化钠溶液:量取50mL质量分数为6%的氯化钠溶液(密度为1.04g/cm3)和50mL水(密度为1g/cm3),在烧杯中混合均勾
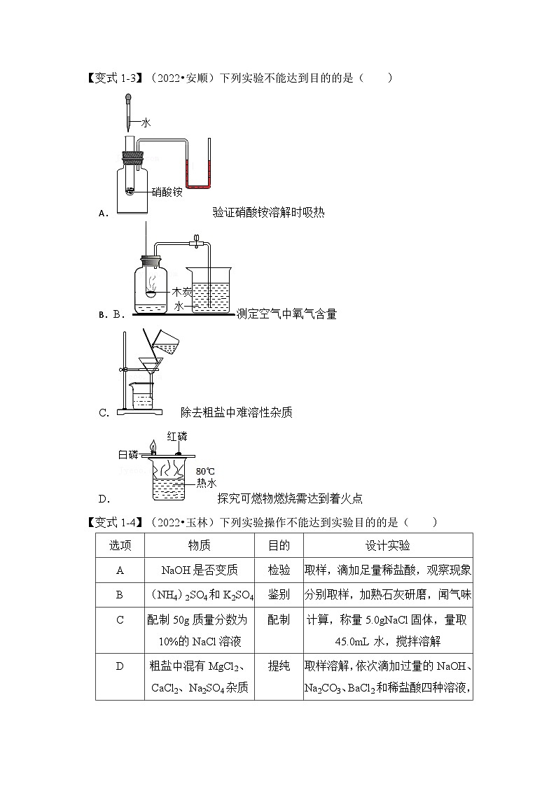
【变式1-3】(2022•安顺)下列实验不能达到目的的是( )
验证硝酸铵溶解时吸热
B.测定空气中氧气含量
C.除去粗盐中难溶性杂质
D.探究可燃物燃烧需达到着火点
【变式1-4】(2022•玉林)下列实验操作不能达到实验目的的是( )
A.AB.BC.CD.D
【实战演练】
1.(2022•玉林)下列创新小实验不能达到目的的是( )
A.验证蜡烛燃烧的产物
B.利用杠杆原理说明铁丝生锈增重
C.探究燃烧的条件
D.测定蜡烛燃烧需要氧气的含量
2.(2022•呼和浩特)下列选项中,依据实验目的设计的实验方案合理的是( )
A.AB.BC.CD.D
3.(2022•淮安)下列实验方案设计不合理的是( )
A.AB.BC.CD.D
4.(2022•滨州)要达到下列实验目的,所用的试剂和主要操作方法都正确的是( )
A.AB.BC.CD.D
5.(2022•宜宾)下列实验方案,不能达到实验目的的是( )
A.证明盐酸与NaOH溶液反应
B.证明分子不断运动
C.比较镁和铝的金属活动性强弱
D.检验氧气是否集满
6.(2022•宁夏)下列实验设计能达到实验目的的是( )
A.AB.BC.CD.D
7.(2022•绵阳)下列实验方案不能达到实验目的的是( )
A.AB.BC.CD.D
8.(2022•镇江)下列实验操作能达到实验目的的是( )
A.AB.BC.CD.D
9.(2022•巴中)下列实验方案不合理的是( )
A.除去CO2中少量的HCl气体,通过足量的NaOH溶液
B.除去CaO中少量的CaCO3,高温煅烧至质量不变
C.鉴别NaCl固体和NH4NO3固体,加水溶解,感知温度变化
D.鉴别羊毛线和棉线,灼烧、闻气味
10.(2022•荆门)下列实验操作不能达到实验目的的是( )
A.AB.BC.CD.D
11.(2022•常州)下列实验设计能达到目的的是( )
A.用湿润的pH试纸测定肥皂水的pH
B.用肥皂水鉴别蒸馏水和硬水
C.用湿润的蓝色石蕊试纸检验NH3
D.用浓硫酸除去NH3中的水蒸气
12.(2022•锦州)下列实验方案不能达到实验目的的是( )
A.AB.BC.CD.D
13.(2022•菏泽)设计实验方案,分析实验现象,得出实验结论是化学学科的重要思维方式。下列实验方案的设计能达到实验目的的是( )
A.探究红磷和白磷燃烧需要氧气
B.测定空气里氧气的含量
C.验证质量守恒定律
D.探究蜡烛中是否含有氢元素
14.(2022•遵义)烧碱常用于造纸、纺织等工业、工业上常用电解饱和食盐水的方法生产烧碱,反应原理为2NaCl+2H2O2NaOH+H2↑+Cl2↑,下列设计方案不能达到目的的是( )
A.AB.BC.CD.D
15.(2022•遵义)下列实验设计能达到实验目的的是( )
A.验证质量守恒定律
B.比较红磷和白磷的着火点
C.测量H2的体积
D.探究铁生锈的条件
16.(2022•娄底)根据下列实验方案进行实验,能达到相应实验目的的是( )
A.AB.BC.CD.D
17.(2022•张家界)化学实验的设计能力是化学学习的关键能力之一。下列实验方案不可行的是( )
A.AB.BC.CD.D
18.(2022•益阳)下列实验设计或操作能达到实验目的的是( )
A.AB.BC.CD.D
19.(2022•鄂州)检验、鉴别、除杂和分离是研究及获得物质的重要方法。小族与实验员进行交流讨论,认为下列实验操作不能达到实验目的的是( )
A.AB.BC.CD.D
20.(2022•宿迁)下列实验操作能达到实验目的的是( )
A.AB.BC.CD.D
21.(2022•梧州)下列操作能够达到实验目的的是( )
A.AB.BC.CD.D
22.(2022•贵阳)下列实验目的与实验操作不相符的是( )
AB.BC.CD.D
23.(2022•营口)下列选项中对实验方案的评价及分析正确的是( )
A.AB.BC.CD.D
24.(2022•百色)下列各组实验方法能达到实验目的的是( )
A.AB.BC.CD.D
25.(2022•辽宁)下列实验方案错误的是( )
A.AB.BC.CD.D
26.(2022•赤峰)下列实验不能达到预期目的的是( )
A.测定空气中氧气的含量
B.探究铁、铜、银的金属活动性顺序
C.验证水的组成
D.探究可燃物的燃烧条件
27.(2022•包头)下列方法可达到实验目的的是( )
A.用燃着的小木条鉴别N2和CO2
B.用水鉴别CaCO3、NaOH、CuSO4三种固体
C.用稀盐酸除去CaO中混有的CaCO3杂质
D.用酚酞溶液鉴别稀硫酸和NaCl溶液
28.(2022•黑龙江)关于下列实验的分析与结论正确的是( )
A.由酚酞溶液变红可知,分子是不断运动的
B.红磷量不足会使测量空气中氧气的体积分数偏大
C.对照实验可得出铁生锈需要水和氧气
D.电解水实验在b管收集到的气体是氧气
29.(2022•南宁)下列实验设计能达到目的的是( )
A.室温下,探究不同溶质在同种溶剂中的溶解性
B.探究温度对分子运动快慢的影响
C.探究燃烧条件之一:温度达到着火点
D.探究空气与呼出的气体中CO2含量的高低
选项
实验目的
实验操作
A
鉴别N2与CO2
闻气味
B
鉴别O2与CH4
伸入燃着的木条,观察
C
除去CO2中少量CO
点燃
D
除去KCl中的KClO3
加入少量MnO2,加热
选项
物质
目的
设计实验
A
NaOH是否变质
检验
取样,滴加足量稀盐酸,观察现象
B
(NH4)2SO4和K2SO4
鉴别
分别取样,加熟石灰研磨,闻气味
C
配制50g质量分数为10%的NaCl溶液
配制
计算,称量5.0gNaCl固体,量取45.0mL水,搅拌溶解
D
粗盐中混有MgCl2、CaCl2、Na2SO4杂质
提纯
取样溶解,依次滴加过量的NaOH、Na2CO3、BaCl2和稀盐酸四种溶液,过滤、蒸发结晶
选项
实验目的
实验方案
A
配制溶质质量分数为6%的NaCl溶液
称取3.0gNaCl,加入50.0mL水使之溶解
B
鉴别CH4和H2
点燃气体,在火焰上方罩一个冷而干燥的小烧杯
C
除去FeCl2溶液中的CuCl2杂质
加入过量的铁屑,过滤
D
除去氧化铜中混有的木炭粉
加入足量稀H2SO4,过滤、洗涤、干燥
选项
实验目的
实验方案
A
比较铝和锌的金属活动性强弱
将铝片和锌粒分别放入硫酸铜溶液中,观察现象
B
除去氧化钙中少量的碳酸钙
将固体混合物高温煅烧至质量不再减少
C
鉴别化肥氯化钾和氯化铵
取少量样品,分别加入熟石灰研磨,闻气味
D
检验氢氧化钠溶液是否变质
取少量样品,滴加澄清石灰水,观察是否产生沉淀
选项
实验目的
所用试剂和主要操作方法
A
测定某废水的酸碱度
取样,将湿润的pH试纸浸入样品中
B
除去二氧化碳气体中混有的少量氯化氢气体
将气体通过足量的氢氧化钠溶液
C
区分硬水和软水
各取少量样品于烧杯中,加入适量肥皂水,搅拌
D
检验某固体是否为铵态氮肥
取少量样品于试管中,滴加稀盐酸,闻气味
选项
A
B
C
D
实验
目的
比较二氧化锰和氧化铁对过氧
化氢分解反应的催化效果
比较铁、铜、银三种
金属的活动性顺序
探究可燃物燃烧与
氧气有关
验证质量守恒定律
实验
设计
选项
实验目的
实验方案
A
检验硬水与软水
取样,分别加肥皂水振荡,观察产生泡沫的情况
B
鉴别化肥NH4Cl和K2SO4
取样,分别加入熟石灰,混合研磨后闻气味
C
检验久置的NaOH是否变质
取样,加水溶解,滴加酚酞溶液观察是否变红
D
除去粗盐中的难溶性杂质
进行溶解、沉淀、过滤、蒸发、结晶等操作
选项
物质
目的
主要实验操作
A
蚕丝、羊毛线
鉴别
取样,灼烧,闻气味
B
Fe粉和CuSO4粉末
分离
溶解、过滤、洗涤、烘干,蒸发结晶
C
与NaOH中和后,盐酸是否有剩余
检验
取样,滴加AgNO3溶液,观察有无沉淀
D
Ca(NO3)2溶液中混有CaCl2
除杂
加入过量的Na2CO3溶液,搅拌、过滤、洗涤,将所得固体溶于适量稀硝酸
项目
实验目的
实验方法
A
除去O2中的CO2
通过浓硫酸洗气
B
食盐水中提取NaCl
蒸发食盐水
C
鉴别NaCl和NaHCO3
分别加入稀盐酸,观察现象
D
除去MnO2中的KCl
溶解后过滤、洗涤、干燥
选项
实验目的
实验方案
A
鉴别氯化钠固体和硝酸铵固体
加水后触摸容器外壁
B
鉴别过氧化氢溶液和蒸馏水
加入二氧化锰观察是否产生气泡
C
检验烧碱样品是否完全变质
滴加无色酚酞溶液观察是否变色
D
检验氧化钙中是否含有碳酸钙
加入稀盐酸观察是否产生气泡
序号
目的
设计方案
A
检验生产的氢氧化钠溶液中是否有氯化钠
取样,依次加入足量的稀硝酸和少量硝酸银溶液
B
测定固体产品中氢氧化钠的含量
取样称量,加水充分溶解,加入足量的氯化铜溶液,测定生成的固体质量,定量分析
C
测定反应生成氢气的质量
测定反应前后溶液减少的质量,定量分析
D
测定氢氧化钠溶液中氯化钠的质量分数
取样称量,依次加入足量的稀盐酸和硝酸银溶液,测定生成的固体质量,定量分析
编号
A
B
C
D
实验方案
实验目的
探究影响物质溶解性的因素
探究温度对分子运动速率的影响
探究铁钉生锈时氧气是否参与反应
探究催化剂对过氧化氢分解速率的影响
实验目的
实验设计
A
鉴别山泉水是硬水还是软水
取样,滴加肥皂水
B
测定雨水的酸碱度
取样,用pH试纸测定
C
鉴别氢氧化钙溶液和氢氧化钠溶液
取样,分别滴加酚酞溶液
D
除去CO2中少量的CO
将混合气体通过灼热的氧化铜
选项
实验目的
实验设计或操作
A
验证Cu、Al、Fe三种金属的活动性顺序
用铜丝、Al2(SO4)3和FeSO4溶液进行实验
B
加快H2O2溶液分解制取O2的速率
选用CuSO4溶液作催化剂
C
除去铁粉中的铜粉
加入足量的稀盐酸,充分反应后过滤
D
配制50g质量分数为6%的NaCl溶液
称取3.0gNaCl加入50mL水中完全溶解
选项
实验目的
实验操作
A
检验O2
用带火星的小木条
B
鉴别硝酸铵(NH4NO3)和尿素[CO(NH2)2]
加入熟石灰研磨,闻气味
C
除去H2中的水蒸气
通过盛有浓硫酸的洗气瓶
D
分离KCl和MnO2固体混合物
用水溶解
选项
实验目的
实验操作
A
比较铜和银金属活动性顺序
将金属分别放入稀盐酸中,观察现象
B
除去KCl溶液中的MgCl2
滴加适量NaOH溶液
C
鉴别羊毛衣物和纯棉布料
取样,灼烧闻气味判断
D
测定空气中氧气含量
用木炭代替红磷在空气中燃烧
选项
实验目的
实验操作
A
除去氯化氢气体中的水蒸气
将混合气体通过氢氧化钠溶液
B
探究气态石蜡是否易燃
将尖嘴玻璃导管插入燃着的蜡烛烛心附近,在尖嘴处点燃
C
探究水对铁钉生锈的影响
将两枚洁净的铁钉分别放入装有蒸馏水和食盐水的两个小烧杯中
D
测定肥皂水的pH
用玻璃棒蘸取肥皂水滴到湿润的pH试纸上
选项
实验目的
实验操作
A
区别软水和硬水
加入适量肥皂水,振荡
B
防止集气瓶中硫燃烧产物污染空气
集气瓶中加一定量水
C
除去粗盐中混有的泥沙
加水、溶解、蒸发
D
鉴别化肥NH4Cl和KNO3
分别加入熟石灰,研磨,闻气味
选项
实验目的
实验方案
评价及分析
A
除去CuO粉末中的C粉
加足量的稀H2SO4过滤
正确:CuO和H2SO4反应生成溶于水的CuSO4,而C不溶于水,可过滤除去
B
蒸发NaCl溶液
获得NaCl固体
一直加热至溶液完全蒸干
错误:完全蒸干溶液会造成固体迸溅
C
除去KCl溶液中的K2SO4
加适量的Ba(NO3)2溶液,过滤
正确:因为K2SO4和Ba(NO3)2反应生成BaSO4不溶于水,可过滤除去
D
除去CO2气体中的HCl气体
将气体通过足量的NaOH溶液,干燥
正确:HCl气体溶于水形成盐酸,可与NaOH反应被除去
选项
实验目的
实验方法
A
鉴别NaOH和NH4NO3固体
取样,分别加适量水,溶液温度升高的是NaOH固体
B
鉴别硬水和软水
取样,分别加适量肥皂水,产生泡沫少的是软水
C
鉴别木炭粉和氧化铜粉末
观察颜色,黑色的是木炭粉
D
检验CO2中混有HCl气体
将气体通入紫色石蕊溶液,溶液变红的说明含有HCl
选项
实验内容
实验操作
A
区分羊毛纤维与合成纤维
抽丝灼烧闻气味
B
除去氯化钾中的氯酸钾
加适量二氧化锰后,充分加热
C
证明甲烷中含有氢元素
点燃甲烷,将干冷的烧杯罩在火焰上方
D
检验某化肥是否为铵态氮肥
取样,加入少量熟石灰研磨,闻气味
专题05 试验方案的设计与评价-挑战2023年中考化学压轴题之秘籍(原卷版): 这是一份专题05 试验方案的设计与评价-挑战2023年中考化学压轴题之秘籍(原卷版),共17页。
专题05 试验方案的设计与评价-挑战2023年中考化学压轴题之秘籍(解析版): 这是一份专题05 试验方案的设计与评价-挑战2023年中考化学压轴题之秘籍(解析版),共30页。
中考化学二轮复习压轴题培优练习专题05 试验方案的设计与评价(含解析): 这是一份中考化学二轮复习压轴题培优练习专题05 试验方案的设计与评价(含解析),文件包含部编七年级上册语文第五单元教材知识点考点梳理pptx、部编七年级上册语文第五单元教材知识点考点梳理教案docx、部编七年级上册语文第五单元教材知识点考点梳理验收卷原卷版docx、部编七年级上册语文第五单元教材知识点考点梳理验收卷解析版docx等4份课件配套教学资源,其中PPT共31页, 欢迎下载使用。

