


备战2025届新高考化学一轮总复习分层练习第4章非金属及其化合物第14讲氯及其化合物(附解析)
展开1.(2023·广东深圳期末)如图所示实验装置,烧瓶内充满氯气,底部有一层细沙(不参与反应),玻璃导管下口b处塞有一小块钠。从a口伸入一根细铁丝把钠块捅下去,再用滴管从管口滴下一滴水,恰好落在钠块上,立即剧烈反应。下列说法正确的是( )
A.烧瓶中所有反应都属于氧化还原反应
B.反应中,烧瓶内产生大量白色烟雾
C.烧瓶内的压强先变大后变小
D.金属钠最终转化为NaOH、NaCl两种物质
2.(2023·广东广州三模)某溶液的主要成分为NaClO(含有一定量的NaOH),既能杀菌消毒又能漂白。下列用来解释事实的离子方程式不正确的是( )
A.该溶液可用NaOH溶液吸收Cl2制备:Cl2+2OH-Cl-+ClO-+H2O
B.该溶液与洁厕灵(主要成分为HCl)混合产生Cl2:2H++Cl-+ClO-Cl2↑+H2O
C.该溶液与过氧化氢溶液混合产生O2:2ClO-+H2O22Cl-+O2↑+2OH-
D.该溶液加白醋可增强漂白作用:CH3COOH+ClO-HClO+CH3COO-
3.氯气性质的微型实验装置如图所示。①是浓盐酸,⑥是高锰酸钾,②~⑤是滤纸条,依次滴有石蕊溶液、淀粉KI溶液、KBr溶液、含KSCN的FeCl2溶液,实验时滴入浓盐酸,下列说法不正确的是( )
A.产生氯气的离子方程式为16H++10Cl-+2Mn2Mn2++5Cl2↑+8H2O
B.⑤处变红色,发生的反应为2Fe2++Cl22Fe3++2Cl-,Fe3++3SCN-Fe(SCN)3
C.②处先变红后褪色,说明氯气溶于水后,溶液有酸性和漂白性
D.③处变蓝色,④处变橙色,说明氧化性:Cl2>Br2>I2
4.(2023·广东韶关期末)氯元素的化合价与其形成的常见物质种类的关系如图所示。下列说法正确的是( )
A.c和d都具有漂白性
B.b和e两种溶液混合,能够生成c
C.同浓度b水溶液的酸性比d强,d的酸性比碳酸强
D.以e为有效成分的消毒剂可以消毒有色衣物、瓷砖、地板等
5.(2023·广东汕头期末)某校化学兴趣小组为研究氯气的性质并模拟工业制备漂白粉,设计了下列装置进行实验。已知:
①A中反应为KClO3+6HCl(浓)KCl+3Cl2↑+3H2O;
②石灰乳的主要成分为Ca(OH)2,其他杂质不参与反应。
(1)实验结束后,立即将B中溶液滴几滴在紫色石蕊试纸上,可观察到的现象是 。
(2)装置C的实验目的是验证氯气是否具有漂白性,为此C中Ⅰ、Ⅱ、Ⅲ处依次放入的物质正确的是 (填字母)。
(3)待E中物质完全反应后,经过一系列加工处理,得到漂白粉样品,其主要成分为 (填化学式)。
(4)F装置的作用是 (用离子方程式表示)。
(5)含氯消毒剂在生产、生活中有着广泛的用途。
①已知KMnO4的摩尔质量为158 g· ml-1,其与浓盐酸反应的化学方程式如下,该反应也可以用来制取氯气:2KMnO4+16HCl(浓)2KCl+2MnCl2+5Cl2↑+8H2O;15.8 g KMnO4参与上述反应,产生的Cl2在标准状况下的体积为 L。
②常温下,氯气与烧碱溶液反应得“84”消毒液,NaClO是“84”消毒液的有效成分。浸泡衣物时加入“84”消毒液,在空气中放置一段时间漂白效果更好,原因用离子方程式表示为 (已知酸性:H2CO3>HClO>HC)。
层次2综合性
6.(2024·广东六校第一次联考)二氧化氯(ClO2)是一种黄绿色、易溶于水的气体,常用于饮用水消毒。下列有关ClO2的制备与杀菌的说法不合理的是( )
A.NaClO2在酸性条件下歧化生成ClO2和NaCl,则n(氧化剂)∶n(还原剂)=1∶4
B.ClO2在强碱性环境中使用失效,可能的原因是2ClO2+2OH-Cl+Cl+H2O
C.可用饱和食盐水除去ClO2中的NH3
D.等物质的量的ClO2杀菌效果比Cl2强
7.ClO2和NaClO2均具有漂白性,工业上由ClO2气体制取NaClO2固体的工艺流程如图所示,下列说法错误的是( )
A.通入的空气可将发生器中产生的ClO2全部驱赶到吸收器中
B.吸收器中生成NaClO2的离子方程式为2ClO2+H2O22Cl+2H++O2
C.步骤a的操作包括过滤、洗涤和干燥
D.工业上将ClO2气体制成NaClO2固体,其主要目的是便于贮存和运输
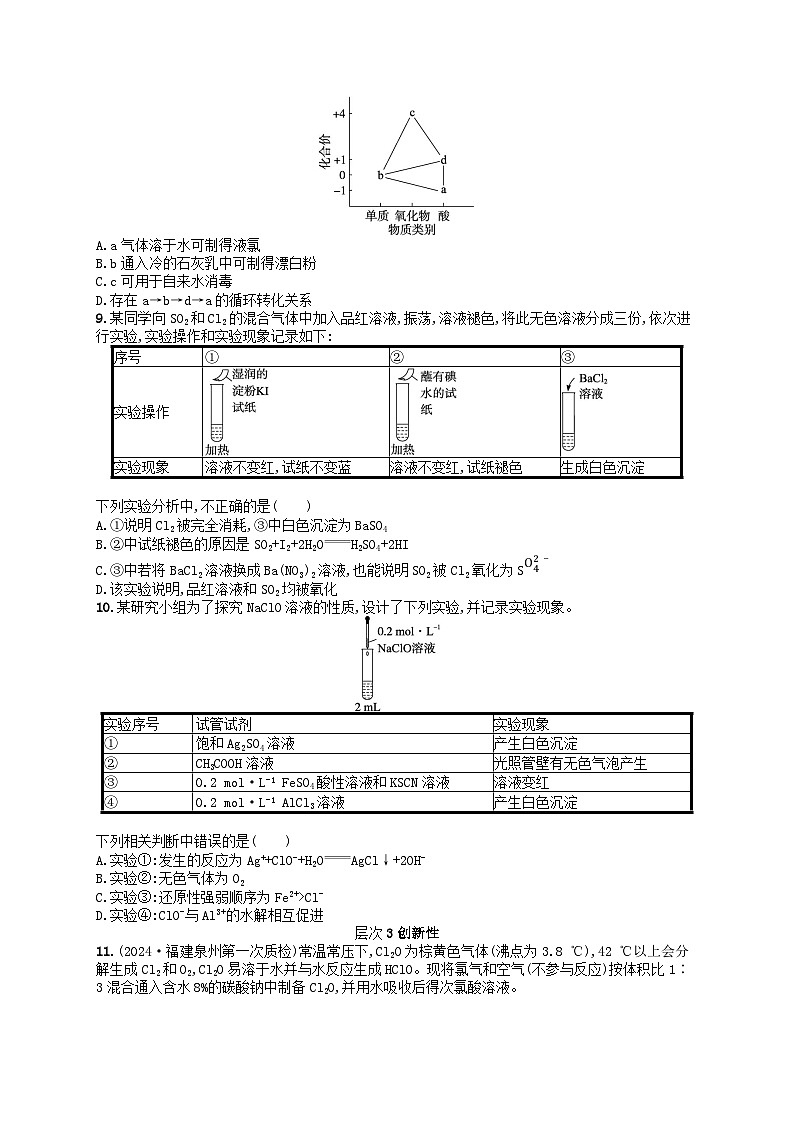
8.(2023·广东广州期末)部分含氯物质的分类与相应化合价关系如图所示,下列说法不正确的是( )
A.a气体溶于水可制得液氯
B.b通入冷的石灰乳中可制得漂白粉
C.c可用于自来水消毒
D.存在a→b→d→a的循环转化关系
9.某同学向SO2和Cl2的混合气体中加入品红溶液,振荡,溶液褪色,将此无色溶液分成三份,依次进行实验,实验操作和实验现象记录如下:
下列实验分析中,不正确的是( )
A.①说明Cl2被完全消耗,③中白色沉淀为BaSO4
B.②中试纸褪色的原因是SO2+I2+2H2OH2SO4+2HI
C.③中若将BaCl2溶液换成Ba(NO3)2溶液,也能说明SO2被Cl2氧化为S
D.该实验说明,品红溶液和SO2均被氧化
10.某研究小组为了探究NaClO溶液的性质,设计了下列实验,并记录实验现象。
下列相关判断中错误的是( )
A.实验①:发生的反应为Ag++ClO-+H2OAgCl↓+2OH-
B.实验②:无色气体为O2
C.实验③:还原性强弱顺序为Fe2+>Cl-
D.实验④:ClO-与Al3+的水解相互促进
层次3创新性
11.(2024·福建泉州第一次质检)常温常压下,Cl2O为棕黄色气体(沸点为3.8 ℃),42 ℃以上会分解生成Cl2和O2,Cl2O易溶于水并与水反应生成HClO。现将氯气和空气(不参与反应)按体积比1∶3混合通入含水8%的碳酸钠中制备Cl2O,并用水吸收后得次氯酸溶液。
下列说法不正确的是( )
A.装置的连接顺序为①→④→②→③→⑤
B.装置②应采用水控温,防止反应放热引起Cl2O分解
C.氯气直接溶于水制备次氯酸溶液的方法,比本题目的方法简便且次氯酸更纯、浓度更高
D.两处多孔球泡的作用均是为了加快反应速率
12.某研究性学习小组查阅资料得知,漂白粉与硫酸溶液反应可制取氯气,化学方程式为Ca(ClO)2+CaCl2+2H2SO42CaSO4+2Cl2↑+2H2O,他们设计如图实验装置制取氯气并验证其性质。请回答下列问题:
(1)该实验中A部分的装置是 (填字母)。
(2)装置B中的现象是 。
(3)请写出装置D中发生反应的离子方程式: ,装置E的作用是 。
(4)请帮助他们设计一个实验,证明洗气瓶C中的亚硫酸钠已被氧化(简述实验步骤): 。
(5)制取Cl2的方法有多种,若A部分的装置是a,请再写出一种制备方法:
(用化学方程式表示)。
第14讲 氯及其化合物
1.B 解析 烧瓶中HCl和NaOH的反应无化合价变化,是非氧化还原反应,A错误;钠与水反应有氢气生成,且放出热量,放出的热量使氢气、钠分别与氯气反应生成HCl气体、NaCl固体,白烟为NaCl固体,而HCl与水蒸气结合形成白雾,B正确;长玻璃导管可以平衡烧瓶内外压强,C错误;体系中有氯气与NaOH的反应,所以金属钠可能转化为NaClO,D错误。
2.C 解析 NaClO溶液可用NaOH溶液吸收Cl2制备:Cl-+ClO-+H2O,A正确;次氯酸钠和盐酸反应生成氯化钠、氯气和水,离子方程式为2H++Cl-+ClO-Cl2↑+H2O,B正确;NaClO溶液与过氧化氢溶液混合产生O2:ClO-+H2O2Cl-+O2↑+H2O,C错误;NaClO溶液加白醋可生成次氯酸,增强漂白作用:CH3COOH+ClO-HClO+CH3COO-,D正确。
3.D 解析 高锰酸钾和浓盐酸发生氧化还原反应生成氯气,离子方程式为16H++10Cl-+2Mn2Mn2++5Cl2↑+8H2O,A正确;氯气将氯化亚铁氧化为氯化铁,铁离子遇到KSCN溶液显红色,发生的反应依次为2Fe2++Cl22Fe3++2Cl-,Fe3++3SCN-Fe(SCN)3,B正确;氯气与水反应生成盐酸和次氯酸,石蕊溶液先变红后褪色,C正确;氯气和碘化钾反应生成碘单质,淀粉遇碘单质变蓝色,说明氧化性:Cl2>I2,氯气和溴化钾反应生成溴单质,溶液变橙色,说明氧化性:Cl2>Br2,但不能说明氧化性:Br2>I2,D错误。
4.B 解析 结合价—类二维图分析:a为含Cl-的盐、b为HCl、c为Cl2、d为HClO、e为含ClO-的盐。Cl2没有漂白性,次氯酸有漂白性,A错误;e为含ClO-的盐、b为HCl,两者可以发生价态归中反应生成Cl2,B正确;盐酸是强酸,碳酸、次氯酸是弱酸,碳酸的酸性大于次氯酸,C错误;次氯酸盐有强氧化性,可杀菌消毒,可以用于瓷砖、大理石地面的消毒,次氯酸盐有漂白性,不能用于有色衣物的消毒,D错误。
5.答案 (1)先变红后褪色 (2)C (3)Ca(ClO)2
(4)Cl2+2OH-ClO-+Cl-+H2O
(5)①5.6 ②ClO-+H2O+CO2HClO+HC
解析 浓盐酸与氯酸钾反应生成氯气,氯气中含有挥发出的HCl,用水吸收氯气中HCl,再将氯气通入放有湿润的有色布条的Ⅰ中,检验氯气能否使其褪色,再通入盛有浓硫酸的试剂瓶Ⅱ中干燥氯气,再通入放有干燥的有色布条的Ⅲ中,检验氯气能否使其褪色,D中浓硫酸防止水蒸气进入Ⅲ中,然后将氯气通入石灰乳中制取漂白粉,最后用NaOH溶液吸收多余的氯气防止污染空气。
(1)B中溶液为新制氯水,含有盐酸,能使紫色石蕊试纸变红,含有HClO,能使试纸褪色,因此滴到紫色石蕊试纸上可观察到试纸先变红后褪色。
(2)由以上分析可知:C中Ⅰ、Ⅱ、Ⅲ处依次放入湿润的有色布条、浓硫酸、干燥的有色布条。
(3)E中氯气与石灰乳反应生成氯化钙、次氯酸钙,其中Ca(ClO)2具有强氧化性,是漂白粉的有效成分。
(4)F中氯气与NaOH反应生成氯化钠、次氯酸钠,反应的离子方程式为Cl2+2OH-ClO-+Cl-+H2O。
(5)由反应可得关系式:
2KMnO4 ~ 5Cl2
2ml5ml
x
x=0.25ml,产生的Cl2在标准状况下的体积为0.25ml×22.4L·ml-1=5.6L。
“84”消毒液在空气中放置一段时间后,因碳酸酸性强于HClO,次氯酸钠能与空气中的二氧化碳反应生成HClO,发生反应:ClO-+H2O+CO2HClO+HC;反应后溶液中HClO浓度增大,漂白性增强。
6.C 解析 酸性条件下Cl发生歧化反应,生成Cl-和ClO2,可写出离子方程式:4H++5ClCl-+4ClO2↑+2H2O,氧化剂与还原剂的物质的量之比为1∶4,A正确;ClO2易溶于水,不能用饱和食盐水除杂,C错误;等物质的量的ClO2作氧化剂时得电子数比Cl2得电子数多,杀菌效果更好,D正确。
7.B 解析 吸收器中ClO2、双氧水和NaOH溶液反应,混合液呈碱性,离子方程式应为2ClO2+H2O2+2OH-2Cl+2H2O+O2,B错误;冷却结晶后,要经过滤、洗涤、干燥得到NaClO2固体,C正确;ClO2和NaClO2均具有漂白性,将ClO2气体制成NaClO2固体,便于贮存和运输,D正确。
8.A 解析 a气体为HCl,溶于水为盐酸而不是得到液氯,A不正确;b为氯气,通入冷的石灰乳中可制得漂白粉,B正确;c为+4价氯形成的氧化物ClO2,具有氧化性,可用于自来水消毒,C正确;a、b、d为盐酸、氯气、次氯酸,浓盐酸和二氧化锰加热生成氯气、氯气和水生成次氯酸、次氯酸分解能生成盐酸,存在a→b→d→a的循环转化关系,D正确。
9.C 解析 ①中湿润的淀粉KI试纸不变蓝,说明溶液中不含Cl2,则Cl2被完全消耗,③中白色沉淀为BaSO4,A正确;②中实验现象说明二氧化硫过量,加热后二氧化硫与碘水发生氧化还原反应:SO2+I2+2H2OH2SO4+2HI,试纸褪色,B正确;硝酸根离子能将亚硫酸根离子氧化,故③中若将BaCl2溶液换成Ba(NO3)2溶液,不能说明SO2被Cl2氧化为S,C错误;加热后溶液均未恢复至红色,证明品红溶液和SO2均被氧化,D正确。
10.A 解析 实验①中离子方程式没有还原剂,不可能将ClO-还原为Cl-,A错误;反应生成HClO,光照分解产生O2,会产生气泡,B正确;实验③中ClO-将Fe2+氧化为Fe3+,而ClO-则被还原为Cl-,故还原性:Fe2+>Cl-,C正确;实验④中产生的白色沉淀应为Al(OH)3,说明ClO-与Al3+的水解相互促进,D正确。
11.C 解析 Cl2O在42℃以上会分解生成氯气和氧气,为防止反应放热后温度过高导致Cl2O分解,装置②需放在冷水中,B正确;与用氯气直接溶于水制备次氯酸溶液相比,氯气在水中的溶解度小于Cl2O,与水反应得到的次氯酸中混有盐酸,所得次氯酸的浓度小于Cl2O与水反应得到的次氯酸溶液,且反应中氯元素的利用率也小于Cl2O与水的反应,C错误;多孔球泡可以使反应物充分接触,增大反应物接触面积,故其作用是加快反应速率,使反应充分进行,D正确。
12.答案 (1)b (2)溶液变蓝色
(3)Cl2+2Fe2+2Cl-+2Fe3+ 吸收多余的Cl2,防止污染空气
(4)取少量C中溶液于小试管中,加入足量稀盐酸,充分振荡后滴加BaCl2溶液,若有白色沉淀生成且沉淀不消失,则证明C中亚硫酸钠已被氧化
(5)2KMnO4+16HCl(浓)2KCl+2MnCl2+5Cl2↑+8H2O(其他合理答案均可)
解析 (1)从化学方程式可知反应物是固体和液体,反应条件是加热,所以应选固液混合加热型装置。
(2)氯气具有强氧化性,与碘化钾发生反应:2KI+Cl22KCl+I2,淀粉遇碘变蓝色。
(3)装置D中发生反应的离子方程式:Cl2+2Fe2+2Cl-+2Fe3+;装置E的作用是吸收多余的Cl2,防止污染空气。
(4)亚硫酸钠被氧化生成硫酸钠,只要验证S的存在就可证明亚硫酸钠已经被氧化,检验S的存在选用稀盐酸和氯化钡溶液。
(5)实验室通过装置a制备氯气,可以用高锰酸钾与浓盐酸反应,反应的化学方程式为2KMnO4+16HCl(浓)2KCl+2MnCl2+5Cl2↑+8H2O。
编号
Ⅰ
Ⅱ
Ⅲ
A
干燥的有色布条
碱石灰
湿润的有色布条
B
干燥的有色布条
浓硫酸
湿润的有色布条
C
湿润的有色布条
浓硫酸
干燥的有色布条
D
湿润的有色布条
碱石灰
干燥的有色布条
序号
①
②
③
实验操作
实验现象
溶液不变红,试纸不变蓝
溶液不变红,试纸褪色
生成白色沉淀
实验序号
试管试剂
实验现象
①
饱和Ag2SO4溶液
产生白色沉淀
②
CH3COOH溶液
光照管壁有无色气泡产生
③
0.2 ml·L-1 FeSO4酸性溶液和KSCN溶液
溶液变红
④
0.2 ml·L-1 AlCl3溶液
产生白色沉淀
备战2025届新高考化学一轮总复习分层练习第4章非金属及其化合物第18讲硫酸含硫物质之间的转化(附解析): 这是一份备战2025届新高考化学一轮总复习分层练习第4章非金属及其化合物第18讲硫酸含硫物质之间的转化(附解析),共6页。试卷主要包含了对下列事实的解释正确的是,45 ml等内容,欢迎下载使用。
备战2025届新高考化学一轮总复习分层练习第4章非金属及其化合物第16讲卤族元素溴碘的提取(附解析): 这是一份备战2025届新高考化学一轮总复习分层练习第4章非金属及其化合物第16讲卤族元素溴碘的提取(附解析),共5页。试卷主要包含了下列说法中正确的是,某同学设计完成了以下两个实验等内容,欢迎下载使用。
备战2025届新高考化学一轮总复习分层练习第4章非金属及其化合物第19讲氮及其氧化物硝酸(附解析): 这是一份备战2025届新高考化学一轮总复习分层练习第4章非金属及其化合物第19讲氮及其氧化物硝酸(附解析),共5页。试卷主要包含了氮及其化合物的转化具有重要应用,065 ml·L-1等内容,欢迎下载使用。