所属成套资源:2024年高中物理新教材同步学案 必修第三册 (含解析)
物理必修 第三册3 实验:导体电阻率的测量导学案
展开
这是一份物理必修 第三册3 实验:导体电阻率的测量导学案,共10页。
[学习目标] 1.掌握游标卡尺和螺旋测微器的读数方法(重难点)。2.掌握电流表、电压表的读数方法(重点)。
一、游标卡尺的测量原理及使用
1.构造:主尺、游标尺(主尺和游标尺上各有一个内、外测量爪)、游标卡尺上还有一个深度尺。(如图所示)
2.各部件的用途
(1)内测量爪:用来测量槽的宽度和小圆管的内径。
(2)外测量爪:用来测量零件的厚度和小圆管的外径。
(3)深度尺:固定在游标尺上,用来测量槽、孔和筒的深度。
(4)紧固螺钉:读数时,为了防止游标尺移动,旋紧紧固螺钉可使游标尺固定在主尺上。
3.游标卡尺的原理
利用主尺的最小分度与游标尺的最小分度的差值制成。不管游标尺上有多少个小等分刻度,它的刻度部分的总长度比主尺上的同样多的小等分刻度少1 mm,常见的游标卡尺的游标尺上小等分刻度有10个的、20个的、50个的。
其规格见下表:
4.读数方法:先读主尺上的刻度,当游标尺上第N条刻度线与主尺上某一刻度线对齐时,则:
10分度:测量值=主尺整毫米数+N×eq \f(1,10) mm
20分度:测量值=主尺整毫米数+N×eq \f(1,20) mm
50分度:测量值=主尺整毫米数+N×eq \f(1,50) mm
注意:
(1)游标卡尺是根据刻度线对齐来读数的,所以不需要估读。但读数要注意最小精确度所在的位数,如果读数最后一位是零,该零不能去掉。读数时一般以毫米为单位,再进行单位换算。
(2)读数时,要注意游标尺第几条刻度线(不含零刻度线)与主尺对齐。
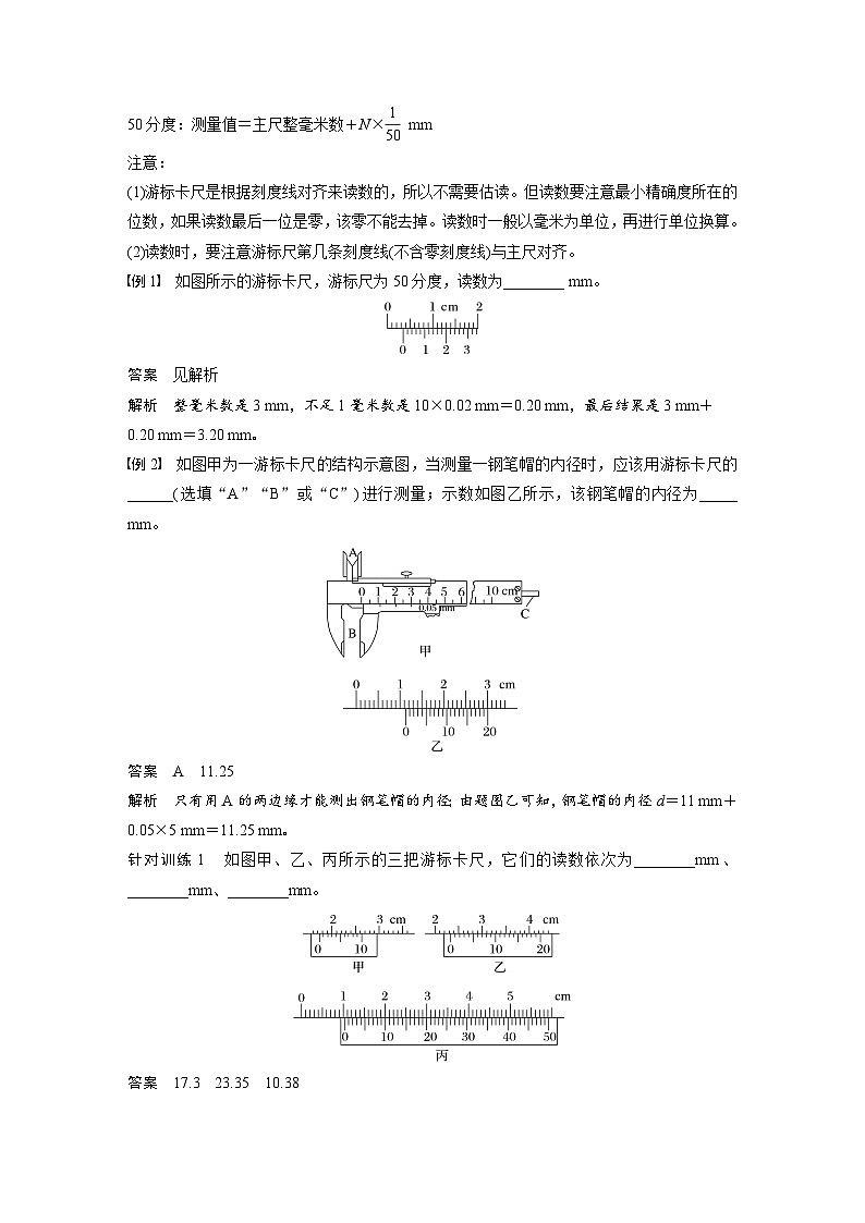
例1 如图所示的游标卡尺,游标尺为50分度,读数为________ mm。
答案 见解析
解析 整毫米数是3 mm,不足1毫米数是10×0.02 mm=0.20 mm,最后结果是3 mm+
0.20 mm=3.20 mm。
例2 如图甲为一游标卡尺的结构示意图,当测量一钢笔帽的内径时,应该用游标卡尺的______(选填“A”“B”或“C”)进行测量;示数如图乙所示,该钢笔帽的内径为_____ mm。
答案 A 11.25
解析 只有用A的两边缘才能测出钢笔帽的内径;由题图乙可知,钢笔帽的内径d=11 mm+0.05×5 mm=11.25 mm。
针对训练1 如图甲、乙、丙所示的三把游标卡尺,它们的读数依次为________mm、________mm、________mm。
答案 17.3 23.35 10.38
解析 题图甲读数:整毫米数是17 mm,游标尺读数是3×0.1 mm=0.3 mm,最后读数是
17 mm+0.3 mm=17.3 mm;题图乙读数:整毫米数是23 mm,游标尺读数是7×0.05 mm=0.35 mm,最后读数是23 mm+0.35 mm=23.35 mm;题图丙读数:整毫米数是10 mm,游标尺读数是19×0.02 mm=0.38 mm,最后读数是10 mm+0.38 mm=10.38 mm。
二、螺旋测微器的测量原理及使用
1.结构:如图所示,测砧A和固定刻度B固定在尺架C上,可动刻度E、旋钮D、微调旋钮D′、测微螺杆F是连在一起的,通过精密螺纹套在B上。
2.测量原理
螺旋测微器是依据螺旋放大的原理制成的。
(1)固定刻度B上的精密螺纹的螺距为0.5 mm,即旋钮D每旋转一周,F前进或后退0.5 mm,而可动刻度E上分为50等份,每转动一小格,F前进或后退距离为eq \f(0.5,50) mm=0.01 mm,即螺旋测微器的精确度为0.01 mm。读数时再估读一位,则估读到毫米的千分位,因此,螺旋测微器又叫千分尺。
(2)可动刻度在固定刻度上旋转一周,可动刻度便沿着固定刻度方向前进或后退一个螺距的距离。因此,沿轴线方向移动的微小距离,就能用圆周上的读数表示出来,如图所示。
3.读数方法
(1)先读固定刻度:毫米的整数部分。
(2)再读半毫米刻度,若半毫米刻度线已露出,记作0.5 mm;若半毫米刻度线未露出,记作0.0 mm。
(3)再读可动刻度(注意估读一位)记作n×0.01 mm。
(4)最终读数结果为:固定刻度+半刻度+可动刻度。
如图中固定刻度为2 mm,半毫米刻度线未露出,可动刻度读数为12.5(其中“12”是准确格数,“0.5”是估读的格数),故被测长度是2 mm+0+0.01×12.5 mm=2.125 mm。
4.注意事项:
(1)测量时,在测微螺杆快靠近被测物体时应停止使用旋钮,改用微调旋钮,避免产生过大的压力,既可使测量结果精确,又能保护螺旋测微器。
(2)读数时准确到0.01 mm,要估读到0.001 mm,测量结果若用毫米作单位,则小数点后面必须保留三位数字。
例3 螺旋测微器为精密仪器,用螺旋测微器测量合金丝的直径时,为防止螺旋测微器损伤,当测砧和测微螺杆快接触合金丝时应改为旋转图甲所示的部件________(选填“A”“B”
“C”或“D”),将会听到“喀喀”响声,表示已经夹紧,为防止读数时测微螺杆发生转动,读数前还应先旋紧如图甲所示的部件________(选填“A”“B”“C”或“D”)。从图乙中的示数可读出合金丝的直径为________ mm。
答案 D B 3.700
解析 当测砧和测微螺杆快接触合金丝时,应改为旋转微调旋钮,即D部件;为防止读数时测微螺杆发生转动,读数前还应先旋紧锁紧装置,即B部件,螺旋测微器可以读到毫米千分位,合金丝的直径为d=3.5 mm+0.200 mm=3.700 mm。
针对训练2 读出下面螺旋测微器测量的读数。
甲________mm,乙________mm,丙________mm。
答案 3.550 3.204 0.900
三、电压表、电流表的读数
1.对于电压表和电流表的读数问题,首先要弄清电表量程,即指针指到最大刻度时对应的电压或电流,然后根据表盘总的刻度数确定精确度,按照指针的实际位置进行读数即可。
2.读数原则:
(1)最小刻度是1、0.1、0.01,按十分之一估读,可分别估读到0.1、0.01、0.001;
(2)最小刻度是2、0.2、0.02,按二分之一估读,可分别估读到1、0.1、0.01;
(3)最小刻度是5、0.5、0.05,按五分之一估读,可分别估读到1、0.1、0.01。
例如:
(1)0~3 V的电压表和0~3 A的电流表的读数方法相同,此量程下的精确度分别是0.1 V和0.1 A,看清楚指针的实际位置,读到小数点后面两位。
(2)对于0~15 V量程的电压表,精确度是0.5 V,在读数时只要求读到小数点后面一位,即读到0.1 V。
(3)对于0~0.6 A量程的电流表,精确度是0.02 A,在读数时只要求读到小数点后面两位,这时要求“半格估读”,即读到最小刻度的一半0.01 A。
例4 如图为电流表和电压表的刻度盘。
(1)图甲使用0.6 A量程时,对应刻度盘上每一小格代表________A,图中表针的示数是________A;当使用3 A量程时,对应刻度盘上每一小格代表________A,图中表针示数为________A。
(2)图乙使用较小量程时,每小格表示________V,图中表针的示数为______V;若使用的是较大量程,则这时表盘刻度每小格表示______V,图中表针示数为______V。
答案 (1)0.02 0.44 0.1 2.20
(2)0.1 1.70 0.5 8.5
针对训练3 请完成下列各表的读数,把答案填在图下的横线上。
(1)量程为0~3 V和0~3 A的电表。
读数________ 读数________
(2)量程为0~15 V的电压表读数。
读数________ 读数________
读数________
(3)量程为0~0.6 A的电流表读数。
读数________ 读数________
读数________ 读数________
答案 (1)0.90 V 1.90 A
(2)10.0 V 10.5 V 10.2 V(或10.3 V)
(3)0.40 A 0.50 A 0.22 A 0.52 A
课时对点练
1.(2022·江苏省高二学业考试)某兴趣小组用螺旋测微器测得金属丝的直径d的读数如图,则读数为________ mm。
答案 0.900
解析 由固定刻度上读出0.5 mm,可动刻度读数为40.0×0.01 mm,两者和为0.900 mm。
2.(2022·邯郸一中高二学业考试)某同学用20分度的游标卡尺测量其长度如图所示,由图可知其长度L=________ mm。
答案 50.15
解析 根据题意可知,游标尺为20分度,由题图可知,游标尺第3条刻度线与主尺的刻度线对齐,则其长度为L=50 mm+0.05×3 mm=50.15 mm。
3.(2022·绵阳南山中学高二开学考试)在某实验室中,甲同学用螺旋测微器测一金属丝直径时,仪器刻度的位置如图甲所示,则金属丝直径为________ mm;该同学又用游标卡尺测一金属球直径时,仪示,则金属球的直径为________ cm。
答案 5.200 0.97
解析 l=(5+20.0×0.01) mm=5.200 mm
d=(0.9+0.01×7) cm=0.97 cm。
4.电流表量程一般有两种:0~0.6 A和0~3 A;电压表量程一般有两种:0~3 V和0~15 V。如图所示:
(1)接0~3 V量程时读数为________ V。
(2)接0~15 V量程时读数为________V。
(3)接0~3 A量程时读数为________A。
(4)接0~0.6 A量程时读数为________A。
答案 (1)1.90 (2)9.5 (3)0.85 (4)0.17
5.(2023·铁岭清河高级中学高二阶段练习)(1)某同学用游标卡尺测金属丝直径时,测得结果如图甲所示,则该金属丝的直径为d=________ mm。
(2)用量程为3 V的电压表和量程为0.6 A的电流表测金属丝的电压和电流时读数如图乙所示,则电压表的读数为U=________ V,电流表的读数为I=________ A。
答案 (1)3.85 (2)2.60 0.52
解析 (1)游标卡尺的主尺读数为3 mm,游标尺上第17个刻度与主尺某一刻度对齐,故该金属丝的直径为d=3 mm+17×0.05 mm=3.85 mm。
(2)电压表的每小格读数为0.1 V,所以估读到0.01 V,故电压表的读数为U=2.60 V
电流表每小格读数为0.02 A,所以估读到0.01 A,故电流表的读数为I=0.52 A。
6.(2023·浑源中学高二阶段练习)(1)如图所示的两把游标卡尺,它们的游标尺从左至右分别为9 mm长10等分、19 mm长20等分,它们的读数依次为________ mm,________ cm;
(2)使用螺旋测微器测量两金属丝的直径,示数如图所示,图(a)、(b)金属丝的直径分别为________ mm,________ cm。
答案 (1)47.7 5.385 (2)2.158 0.004 1
解析 (1)10分度的游标卡尺精确度为0.1 mm,20分度的游标卡尺精确度为0.05 mm,其读数等于主尺读数与游标尺读数之和,所以读数依次为
x1=47 mm+7×0.1 mm=47.7 mm
x2=53 mm+17×0.05 mm=53.85 mm=5.385 cm
(2)d1=2 mm+15.8×0.01 mm=2.158 mm
d2=0+4.1×0.01 mm=0.041 mm=0.004 1 cm。
7.(2023·鞍山市高二期中)甲图中游标卡尺的读数为________ mm;乙图中螺旋测微器的读数为________ mm;丙图中电流表接0~0.6 A量程时读数为________ A。
答案 11.4 0.960 0.42
解析 10分度的游标卡尺精确度为0.1 mm,其读数等于主尺读数与游标尺读数之和,所以甲图的读数为d1=11 mm+4×0.1 mm=11.4 mm
螺旋测微器的精确度为0.01 mm,乙图的读数为d2=0.5 mm+46.0×0.01 mm=0.960 mm
0~0.6 A量程的分度值为0.02 A,读数需要精确到0.01 A,所以丙图的读数为I=21×0.02 A=0.42 A。
8.(2022·镇江市高二开学考试)某同学用50分度游标卡尺测小球的直径,读数前应锁定图甲中的部件________(选填“A”“B”或“C”),游标卡尺读数部分放大图如图乙所示,读数为________ mm。将小球放入游标卡尺的凹槽内,具体操作如图丙所示,该操作会导致小球直径的测量值________真实值(选填“大于”“小于”或“等于”)。
答案 A 11.28 小于
解析 为防止读数时游标尺发生移动,读数前应先旋紧紧固螺钉A;游标卡尺的读数为11 mm+14×0.02 mm=11.28 mm;小球放入游标卡尺的凹槽内,测量的并不是小球的直径,测量结果小于真实值。
9.读出如图所示的螺旋测微器和游标卡尺的示数,螺旋测微器的示数为________mm,使用游标尺为10个小等分刻度的游标卡尺测量一物体的尺寸,得到图中的游标卡尺的读数,由于遮挡,只能看到游标尺的后半部分,图中游标卡尺的读数为________cm。
答案 12.800 3.45
解析 螺旋测微器的示数为12.5 mm+0.01 mm×30.0=12.800 mm;
游标卡尺的读数为3.9 cm-5×0.9 mm=3.45 cm。
10.(1)新式游标卡尺的刻度线看起来很“稀疏”,使读数显得清晰明了,便于使用者正确读取数据。通常游标卡尺的刻度有10分度、20分度和50分度三种规格:新式游标卡尺也有相应的三种,但刻度却是19 mm等分成10份,39 mm等分成20份,99 mm等分成50份。如图甲就是一个“39 mm 等分成20份”的新式游标卡尺。用它测量某物体的厚度,示数如图甲所示,正确的读数是________ cm。
(2)如图乙所示的螺旋测微器,正确的读数是________ cm。
答案 (1)3.030 (2)0.548 5(0.548 3~0.548 7都正确)
解析 (1)游标卡尺是利用差值读数原理设计的,20分度游标卡尺,游标尺的总长度为39 mm,每小格为1.95 mm,比主尺最小刻度的2倍小0.05 mm,故精确度为0.05 mm;游标卡尺读数=主尺读数+游标尺读数=30 mm+0.05 mm×6=30.30 mm=3.030 cm。
(2)螺旋测微器固定刻度的示数为5 mm,可动刻度的示数为48.5×0.01 mm=0.485 mm,
故螺旋测微器的示数为5 mm+0.485 mm=5.485 mm=0.548 5 cm。 刻度格数(分度)
刻度总长度
每小格与主尺最小刻度(1 mm)的差值
精确度(可精确到)
10
9 mm
0.1 mm
0.1 mm
20
19 mm
0.05 mm
0.05 mm
50
49 mm
0.02 mm
0.02 mm
相关学案
这是一份人教版 (2019)必修 第三册3 实验:导体电阻率的测量第一课时导学案,共8页。学案主要包含了游标卡尺,螺旋测微器等内容,欢迎下载使用。
这是一份高中物理实验报告集锦08科学测量:长度第测量及测量工具的选用-高中物理实验报告集锦学案,文件包含08科学测量长度第测量及测量工具的选用-高中物理实验报告集锦原卷版docx、高中物理实验报告集锦08科学测量长度第测量及测量工具的选用-高中物理实验报告集锦解析版docx等2份学案配套教学资源,其中学案共7页, 欢迎下载使用。
这是一份江苏版高考物理一轮复习第8章实验10长度的测量及其测量工具的选用课时学案,共10页。

