


所属成套资源:2024春人教A版选择性必修第三册高中数学模块、单元、课时分层作业及解析多份
2024春高中数学章末综合测评3成对数据的统计分析练习及解析(人教A版选择性必修第三册)
展开
这是一份2024春高中数学章末综合测评3成对数据的统计分析练习及解析(人教A版选择性必修第三册),共14页。
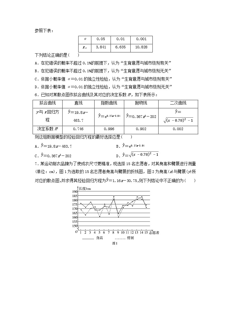
章末综合测评(三) 成对数据的统计分析(时间:120分钟 满分:150分)一、选择题:本大题共8小题,每小题5分,共40分.在每小题给出的四个选项中,只有一项是符合题目要求的.1.变量X与Y相对应的一组数据为(10,1),(11.3,2),(11.8,3),(12.5,4),(13,5);变量U与V相对应的一组数据为(10,5),(11.3,4),(11.8,3),(12.5,2),(13,1).r1为变量X与Y之间的样本相关系数,r2为变量U与V之间的样本相关系数,则( )A.r20,c2>0时符合题意;对于D,y=c1(x-25)+c2的增长速度保持不变,不符合题意.故选AC.]11.ABD [由成对样本数据可得,×(154+157+158+159+160+161+162+163)=159.25,×(155+156+159+162+161+164+165+166)=161,∴r=≈0.963,B正确;由r≈0.963>0,8个成对样本数据呈正相关关系,A正确;对于选项C,平移后的成对样本数据所对应平面直角坐标系中的散点图与原始的成对样本数据所对应的散点图形状完全一致,故相关性完全相同,C错误;根据统计学思想,D正确.]12.AB [∵=3,去除前的经验回归方程为=1.5x+0.5,∴=5.设重新求得的经验回归直线l的方程为x,则=1.2,∴变量x与y具有正相关关系,故A正确.设新的成对样本数据为(xi',yi'),i=1,2,…,n-2,xi'的平均值为',yi'的平均值为',则(n-2)'=n-(1.2+4.8)=3n-6=3(n-2),(n-2)'=n-(2.2+7.8)=5n-10=5(n-2),故'=3,'=5,∴'-'=5-1.2×3=1.4.故新的经验回归方程为=1.2x+1.4,故B正确.因为1.26.635=x0.01,所以“X与Y之间有关系”出错的概率为0.01.]15.15 [根据等高堆积条形图可知,喜欢徒步的男生人数为0.6×500=300,喜欢徒步的女生人数为0.4×400=160,所以喜欢徒步的总人数为300+160=460,按分层抽样的方法抽取23人,则抽取的男生人数为×23=15.]16. [当t=4时,z=-1+ln15=ln,∴y=ez=.]17.解:(1)列联表如下:等高堆积条形图如图所示,由图知成绩优秀与患近视有关.(2)由列联表中的数据得到χ2=≈5.475>3.841.因此,在犯错误的概率不超过0.05的前提下认为成绩优秀与患近视有关.18.解:(1)样本中10棵这种树木的根部横截面积的平均值=0.06,样本中10棵这种树木的材积量的平均值=0.39.据此可估计该林区这种树木平均一棵的根部横截面积为0.06m2,平均一棵的材积量为0.39m3.==≈≈0.97.19.解:(1)由表中数据可得=5,=15,==2,所以==15-2×5=5,故经验回归方程为=2x+5.说明销售件数的差异有74%程度是因关注人数引起的.20.解:(1)散点图如图所示:从图中可以看出这些点大致分布在一条直线附近,因此两个变量具有线性相关关系.设经验回归方程为x,由题意知=42.5,=34,则求得≈-3,=34-(-3)×42.5=161.5.所以=-3x+161.5.(2)依题意有:P=(-3x+161.5)(x-30)=-3x2+251.5x-4 845=-3+-4 845.所以当x=≈42时,P有最大值.所以当x=≈42时,P有最大值.即预测销售单价约为42元时,能获得最大日销售利润.21.解:(1)记事件A为“恰有2名学生的物理成绩是自己的实际成绩”,则P(A)=.(2)因为=70.=66,=66-0.36×70=40.8.所以经验回归方程为=0.36x+40.8.(3)x1=80,=69.6.x2=75,=67.8.x3=70,=66.x4=65,=64.2.x5=60,=62.4.=(70-69.6)+(66-67.8)+(68-66)+(64-64.2)+(62-62.4)=0.4+(-1.8)+2-0.2-0.4=0.因为0∈(-0.1,0.1),所以该方程为“优拟方程”.22.解:(1)由散点图判断,y=c+适宜作为每册成本费y(元)与印刷册数x(千册)的回归方程.(2)令u=,先建立y关于u的经验回归方程,由于=≈8.96,∴=3.63-8.96×0.269≈1.22,∴y关于u的经验回归方程为=1.22+8.96u,从而y关于x的回归方程为=1.22+.(3)假设印刷x千册,依题意:10x-x78.840.即8.78x87.8,解得x10,∴至少印刷10千册才能使销售利润不低于78840元.x12345y6.5a4b1是否愿生城市非一线一线合计愿生452065不愿生132235合计5842100α0.050.010.001xα3.8416.63510.828拟合曲线直线指数曲线抛物线二次曲线y与x回归方程=19.8x-463.7=e0.27x-3.84=0.367x2-202=决定系数R20.7460.9960.9020.002项目喜欢音乐不喜欢音乐喜欢体育2010不喜欢体育515α0.050.0250.010.0050.001xα3.8415.0246.6357.87910.828母亲身高x/cm154157158159160161162163女儿身高y/cm155156159162161164165166xy合计y1y2x1101525x2401656合计503181α0.10.050.010.005xα2.7063.8416.6357.879样本号i12345678910总和根部横截面积xi0.040.060.040.080.080.050.050.070.070.060.6材积量yi0.250.400.220.540.510.340.360.460.420.403.9网店ABCD关注人数x/千人3467销售件数y/百件11122017单价x/元35404550日销售y/台56412811学生的编号i12345数学成绩xi8075706560物理成绩yi7066686462是否近视合计近视不近视成绩优秀201636成绩不优秀61824合计263460