适用于新高考新教材广西专版2024届高考化学一轮总复习第十章化学实验基础与综合实验探究课时规范练34化学实验常用仪器及基本操作
展开1.(2022河北模拟)下列关于仪器的名称和使用方法正确的是( )
A.①为碱式滴定管,可用于准确量取一定体积的K2Cr2O7标准溶液
B.②为量筒,③为锥形瓶,量筒加热时需要垫陶土网
C.④可作洗气装置,气体“短进长出”
D.⑤为坩埚,加热时不能直接放在铁圈或三脚架上
2.(2022山东菏泽二模)下列装置能达到实验目的的是( )
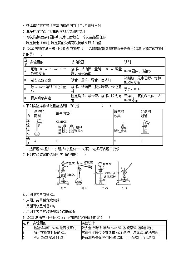
3.利用下列实验装置不能完成相应实验的是( )
A.用装置①测量生成氧气的化学反应速率
B.用装置②比较NaHCO3和Na2CO3的热稳定性
C.使装置③中分液漏斗内的液体顺利滴入蒸馏烧瓶
D.装置④可实现制取CO2的“即关即止,即开即用”
4.下列说法正确的是( )
A.液溴需贮存在带橡胶塞的棕色细口瓶中,并进行水封
B.洗净的滴定管和容量瓶应放入烘箱中烘干
C.可以将高锰酸钾固体和无水乙醇放在一个药品柜里保存
D.滴定接近终点时,滴定管的尖嘴可以接触锥形瓶内壁
5.(2022安徽芜湖三模)下列各组实验中,用所给玻璃仪器(非玻璃仪器任选)和试剂不能完成实验目的的是( )
6.下列实验操作规范且能达到目的的是( )
二、选择题:本题共4小题,每小题有一个或两个选项符合题目要求。
7.下列实验装置能达到相应目的的是( )
A.用图甲装置制备Cl2
B.用图乙装置稀释浓硫酸
C.用图丙装置制备CO2
D.用图丁装置灼烧碳酸氢钠制碳酸钠
8.(2021湖南卷)下列实验设计不能达到实验目的的是( )
9.(2021山东卷)为完成下列各组实验,所选玻璃仪器和试剂均准确、完整的是(不考虑存放试剂的容器)( )
10.以含钴废渣(主要成分CO、C2O3,还含有Al2O3、ZnO等杂质)为原料制备C2O3的一种实验流程如下:
下列与流程相关的装置和原理能达到实验目的的是( )
A.用装置甲制备“酸浸”所需的SO2
B.用装置乙配制“酸浸”所需的1 ml·L-1 H2SO4溶液
C.用装置丙过滤“沉钴”所得悬浊液
D.用装置丁灼烧CCO3固体制C2O3
三、非选择题:本题共1小题。
11.某化学兴趣小组探究“84”消毒液(含10.5%NaClO和少量NaOH)与75%医用酒精能否反应,进行如下实验:
(1)将25 mL无水乙醇配成75%医用酒精,下列仪器中不需要使用的有 (填名称)。
(2)实验Ⅰ的淀粉碘化钾试纸在3 min时变蓝,21 min后蓝色褪去,实验Ⅱ则在8 min时变蓝,49 min后褪色。
①实验中,使淀粉碘化钾试纸变蓝的物质是 ,而后碘被 (填“氧化”或“还原”)导致蓝色褪去。
②对比实验Ⅰ和Ⅱ的现象可以说明乙醇被NaClO氧化,理由是 。
③实验过程中,测得实验Ⅰ中混合溶液的pH由12.38逐渐增大至12.80,说明乙醇与NaClO反应可能生成 。
(3)为了测定“84”消毒液与医用酒精1∶1反应后溶液中剩余NaClO的含量:取5.00 mL反应后溶液(密度约1 g·mL-1)于锥形瓶,加入过量KI溶液和适量硫酸,在冷暗处静置4~5 min后,再加入少量淀粉指示剂,用0.100 0 ml·L-1 Na2S2O3标准液滴定,消耗标准液体积为14.80 mL。
①滴定前,将锥形瓶置于“冷暗处”的目的是 ,写出NaClO与KI反应的离子方程式 。
②滴定终点溶液的颜色是 ,“84”消毒液与医用酒精1∶1反应后溶液中NaClO的质量分数= (结果保留至小数点后2位;I2+2S22I-+S4)。
参考答案
课时规范练34 化学实验常用仪器及
基本操作
1.D 解析 ①为碱式滴定管,重铬酸钾具有强氧化性,能氧化碱式滴定管的橡胶管,因此不能用碱式滴定管量取,应该用酸式滴定管,A错误;②量筒不能用来加热,B错误;洗气时为使气体与洗涤剂充分接触,导气管应该“长进短出”,C错误;⑤为坩埚,使用坩埚加热时要放在泥三角上进行加热,D正确。
2.C 解析 氯化铵受热分解生成氨气和氯化氢,在试管口二者又重新化合生成氯化铵,不能制备氨气,A错误;锥形瓶不能密封,否则馏分难以流下,B错误;碳酸氢钠溶液吸收氯化氢生成二氧化碳,可以用饱和碳酸氢钠溶液除去二氧化碳中的氯化氢,C正确;氯化氢极易溶于水,直接通入水中容易引起倒流,D错误。
3.B 解析 装置①可根据单位时间内生成氧气的体积测定反应速率;用装置②比较NaHCO3和Na2CO3的热稳定性,应将NaHCO3和Na2CO3的位置颠倒过来,故B项不能完成相应实验;装置③中分液漏斗和蒸馏烧瓶相通,压强相等,液体能顺利滴下;装置④中当夹紧止水夹后,右侧气压增大,液面下降,大理石与盐酸脱离,反应终止,故D项正确。
4.D 解析 液溴能腐蚀橡胶,A错误;滴定管和容量瓶不能烘干,B错误;乙醇易挥发,高锰酸钾具有强氧化性,两者发生反应使高锰酸钾变质,C错误;滴定接近终点时,滴定管尖端可以接触锥形瓶内壁,使液体滴入锥形瓶中,D正确。
5.B 解析 配制500mL1ml·L-1NaOH溶液实验中需要用到的玻璃仪器是:烧杯、玻璃棒、量筒、500mL容量瓶、胶头滴管,所用药品为NaOH固体、蒸馏水,能够完成实验目的,A不合题意;制备乙酸乙酯实验中需要浓硫酸作催化剂,题干药品中没有浓硫酸,故无法制得乙酸乙酯,B符合题意;除去NaBr溶液中的少量NaI,可以向混合溶液中加入适当过量的溴水,发生反应:2NaI+Br22NaBr+I2,然后再用CCl4萃取出I2和过量的Br2,故实验所需玻璃仪器为烧杯、玻璃棒、胶头滴管、分液漏斗,所用药品为溴水、CCl4,可以达到实验目的,C不合题意;由于CO2+2NaOHNa2CO3+H2O,可以使盛满CO2的圆底烧瓶中气体压强快速减小,形成喷泉,用圆底烧瓶、导气管、烧杯、胶头滴管连接实验装置,可以形成喷泉,D不合题意。
6.C 解析 配制一定物质的量浓度溶液转移溶液时需要用玻璃棒引流,A错误;除去氯气中的氯化氢和水杂质,先通入饱和食盐水,除去氯化氢,再通入浓硫酸,除去水,得到干燥纯净的氯气,B错误;氨气的密度小于空气的密度,用向上排空气法收集气体,试管口塞一团棉花,防止氨气与空气对流,C正确;沉淀过滤时漏斗的下端要紧靠烧杯的内壁,D错误。
7.AC 解析 浓盐酸和二氧化锰共热可以制取氯气,题图中固液加热装置合理,A正确;浓硫酸稀释不能在容量瓶中进行,应在烧杯中稀释,B错误;碳酸钙为块状固体,且CO2在水中的溶解度较小,可以用题图丙装置制备二氧化碳,C正确;灼烧应在坩埚中进行,不能用蒸发皿,D错误。
8.C 解析 检验溶液中硫酸亚铁是否被氧化,也就是检验溶液中是否有铁离子生成,通常是向待测液中加KSCN溶液,若溶液变红,则证明硫酸亚铁被氧化,A项正确;实验室用二氧化锰和浓盐酸制备的氯气中含有氯化氢气体和水蒸气,若想得到干燥纯净的氯气,通常先将制得的氯气通过饱和NaCl溶液以除去氯化氢杂质,再使气体通过浓硫酸除去水蒸气,即可得干燥纯净的氯气,B项正确;用pH试纸测待测液的pH时,不能事先将试纸湿润,否则会引起误差,C项错误;向工业酒精中加入生石灰除去水分,再通过蒸馏,即可得到无水乙醇,D项正确。
9.AB 解析 配制100mL一定物质的量浓度的NaCl溶液的步骤为:计算、称量、溶解、转移、洗涤、定容、摇匀等,需要的仪器有:天平、药匙、烧杯、量筒、玻璃棒、100mL容量瓶、胶头滴管等,选项中所选玻璃仪器和试剂均准确,A符合题意;往烧杯中加入适量蒸馏水并加热至沸腾,向沸水滴加几滴饱和氯化铁溶液,继续煮沸至溶液呈红褐色停止加热,得到氢氧化铁胶体,所选玻璃仪器和试剂均准确,B符合题意;用标准盐酸滴定待测氢氧化钠溶液可测定出氢氧化钠的浓度,取待测液时需选取碱式滴定管,酸式滴定管则盛装标准盐酸,所以所选仪器还应有碱式滴定管,C不符合题意;制备乙酸乙酯时需要用浓硫酸作催化剂和吸水剂,所选试剂中缺少浓硫酸,D不符合题意。
10.C 解析 浓硫酸与铜反应需要加热,甲装置没有酒精灯,无法反应制取SO2,A错误;滴定管使用时应悬于容量瓶上方,不能伸入容量瓶内,会污染试剂,B错误;用装置丙可以过滤“沉钴”所得悬浊液,且装置中操作正确,C正确;灼烧CCO3固体应用坩埚,不能在烧杯中直接灼烧固体,D错误。
11.答案 (1)100 mL容量瓶、托盘天平 (2)①Cl2 氧化 ②实验Ⅰ中淀粉碘化钾试纸变蓝及褪色的时间更短,说明乙醇将NaClO还原为Cl2 ③NaOH (3)①避免碘单质升华 ClO-+2I-+2H+Cl-+I2+H2O ②无色 1.10%
解析 (1)将无水乙醇配成75%医用酒精,需要加一定量的水稀释,故所用仪器为量筒和烧杯,不需要100mL容量瓶、托盘天平。
(2)①能使淀粉碘化钾试纸变蓝,说明反应生成了I2,结合乙醇具有还原性,NaClO具有强氧化性,则该实验原理为:首先乙醇和NaClO反应生成了Cl2,然后发生Cl2+2KI2KCl+I2,淀粉溶液遇I2变蓝,过量的Cl2又将I2氧化,导致蓝色褪去。
②对比实验Ⅰ和Ⅱ的现象,实验Ⅰ中淀粉碘化钾试纸变蓝及褪色的时间更短,说明乙醇将NaClO还原为Cl2。③测得实验Ⅰ中混合溶液的pH由12.38逐渐增大至12.80,溶液碱性增强,说明乙醇与NaClO反应可能生成NaOH。
(3)①单质碘在常温下易升华,因此滴定前,要将锥形瓶置于“冷暗处”;NaClO与KI反应时,I-被ClO-氧化生成I2,ClO-本身被还原为Cl-,根据得失电子守恒、电荷守恒及原子守恒配平,反应的离子方程式为ClO-+2I-+2H+Cl-+I2+H2O。
②滴定前溶液为蓝色,滴定终点时I2被消耗完,溶液的颜色变为无色;
根据ClO-+2I-+2H+Cl-+I2+H2O,I2+2S22I-+S4,得到关系式:ClO-~2I-~I2~2S2,n(ClO-)=n(S2)=×0.1000ml·L-1×14.80×10-3L=7.40×10-4ml,则m(NaClO)=7.40×10-4ml×74.5g·ml-1=0.05513g,5.00mL的反应后溶液的质量为1g·mL-1×5.00mL=5.00g,则NaClO的质量分数=×100%≈1.10%。
A
B
C
D
实验室制氨气
蒸馏时的接收装置
除去CO2中少量HCl
吸收多余的HCl气体
选项
实验目的
玻璃仪器
试剂
A
配制500 mL 1 ml·L-1 NaOH溶液
烧杯、玻璃棒、量筒、500 mL容量瓶、胶头滴管
NaOH固体、蒸馏水
B
制备乙酸乙酯
试管、量筒、导管、酒精灯
冰醋酸、无水乙醇、饱和Na2CO3溶液
C
除去NaBr溶液中的少量NaI
烧杯、玻璃棒、胶头滴管、分液漏斗
溴水、CCl4
D
模拟喷泉实验
圆底烧瓶、导气管、烧杯、胶头滴管
干燥的二氧化碳气体、浓NaOH溶液
目
的
溶液的
配制
氯气的净化
氨气的
收集
沉淀的
过滤
实
验
操
作
选
项
A
B
C
D
选项
实验目的
实验设计
A
检验溶液中FeSO4是否被氧化
取少量待测液,滴加KSCN溶液,观察溶液颜色变化
B
净化实验室制备的Cl2
气体依次通过盛有饱和NaCl溶液、浓H2SO4的洗气瓶
C
测定NaOH溶液的pH
将待测液滴在湿润的pH试纸上,与标准比色卡对照
D
工业酒精制备无水乙醇
工业酒精中加生石灰,蒸馏
选项
实验目的
玻璃仪器
试剂
A
配制100 mL一定物质的量浓度的NaCl溶液
100 mL容量瓶、胶头滴管、烧杯、量筒、玻璃棒
蒸馏水、NaCl固体
B
制备Fe(OH)3胶体
烧杯、酒精灯、胶头滴管
蒸馏水、饱和FeCl3溶液
C
测定NaOH溶液浓度
烧杯、锥形瓶、胶头滴管、酸式滴定管
待测NaOH溶液、已知浓度的盐酸、甲基橙试剂
D
制备乙酸乙酯
试管、量筒、导管、酒精灯
冰醋酸、无水乙醇、饱和Na2CO3溶液
适用于新高考新教材广西专版2024届高考化学一轮总复习第十章化学实验基础与综合实验探究课时规范练36高考化学综合实验题探究: 这是一份适用于新高考新教材广西专版2024届高考化学一轮总复习第十章化学实验基础与综合实验探究课时规范练36高考化学综合实验题探究,共8页。试卷主要包含了65与资料数据Ka=10-4,富马酸亚铁是治疗贫血药物的一种,06 g,5~6,25%等内容,欢迎下载使用。
适用于新高考新教材广西专版2024届高考化学一轮总复习第十章化学实验基础与综合实验探究课时规范练35物质的分离提纯与检验: 这是一份适用于新高考新教材广西专版2024届高考化学一轮总复习第十章化学实验基础与综合实验探究课时规范练35物质的分离提纯与检验,共7页。试卷主要包含了选择题,非选择题等内容,欢迎下载使用。
2024届高考化学一轮总复习课时跟踪练34化学实验常用仪器及基本操作: 这是一份2024届高考化学一轮总复习课时跟踪练34化学实验常用仪器及基本操作,共11页。试卷主要包含了选择题,非选择题等内容,欢迎下载使用。

